Tuesday, January 31st, 2023 AT 8:57 PM
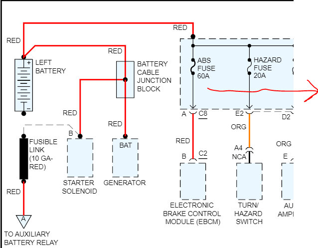
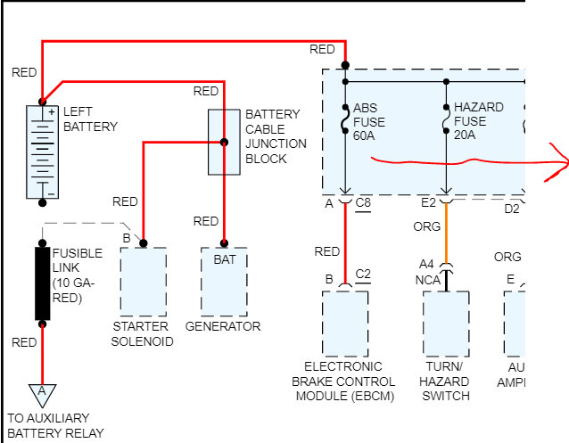
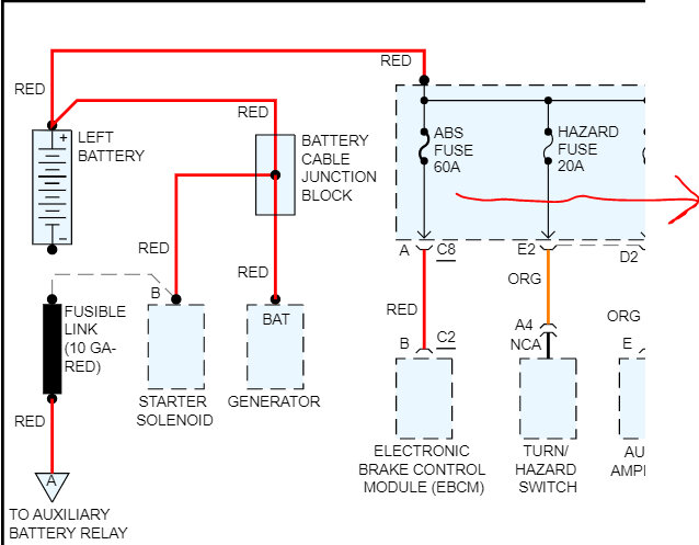
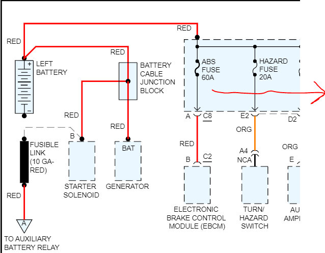
This only happens when it's really cold outside. Truck cranks fine. I let it idle to get it warmed up. It ended up shutting off after a few minutes. At that moment, the battery is too drained to crank back. Not even a click. I have to boost it for a good while. Then it will crank again, and the same thing will happen. It's only when it's cold outside. When it's not cold, there are no issues at all. I have tested the battery and alternator at AutoZone. They both check out fine. I got another battery anyway. It still does it. Any ideas? Thanks!





