Coil voltage, what is the correct coil voltage on startup?

Tiny
DOLANB7
  • MEMBER
  • 1988 JEEP WANGLER YJ
  • 180,000 MILES
I’m getting 6.7 V with the key on. When cranking a little over 9 V... Where should I look next?
Monday, September 25th, 2023 AT 8:44 AM

22 Replies

Tiny
AL514
  • MECHANIC
  • 5,584 POSTS
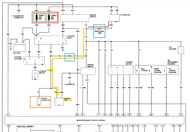
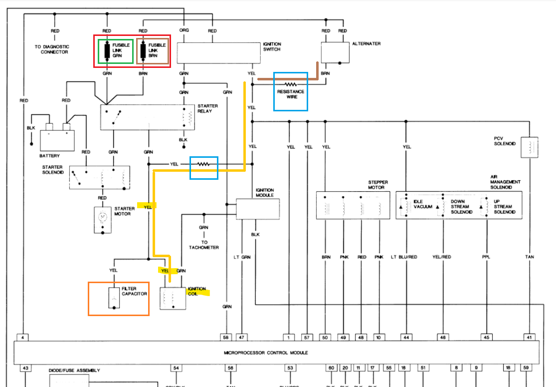
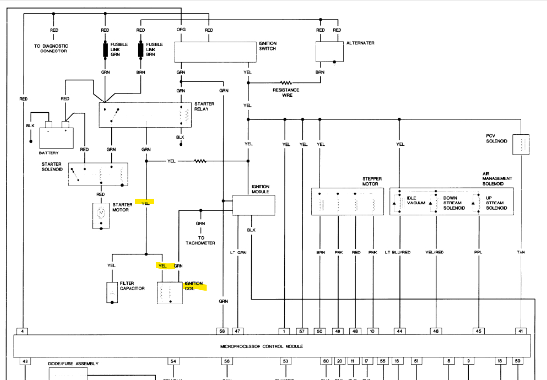
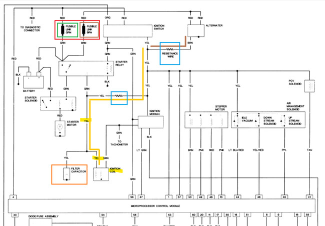
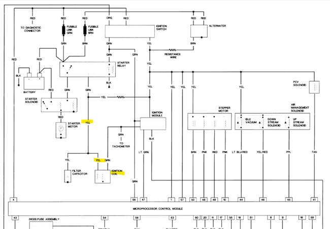
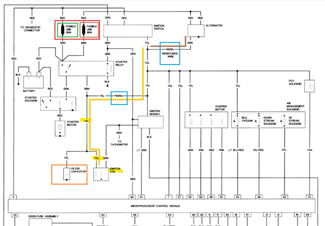
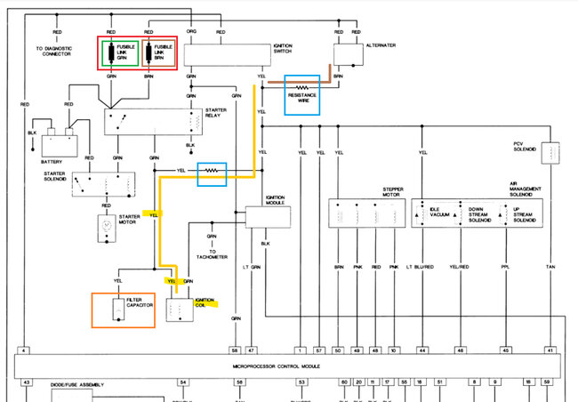
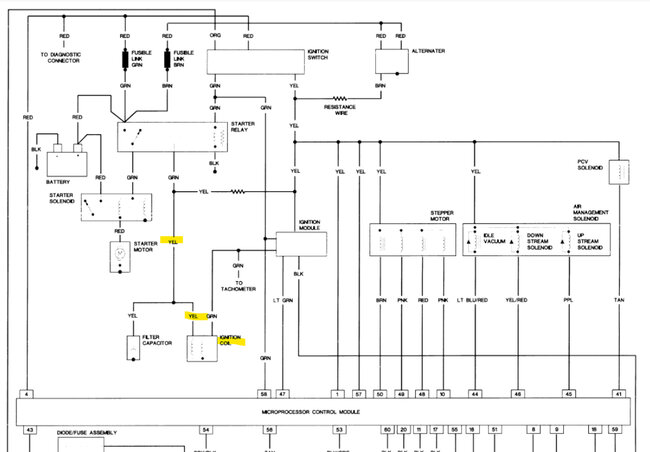
Hello, finding wiring diagrams for this vehicle is difficult due to the age, but what color wire are you reading the voltage on? With the key in just the run/on position you should technically read 12volts on both sides of the ignition coil until you crank the engine, once cranking the ignition module will pulse the ground side of the coil and this induces high voltage into the secondary windings inside the coil, and therefore a spark out the spark plug. So, I'm looking at a 1988 Jeep wiring diagram for a J10 which was all that was listed, but if the power wire for the coil is a specific color, I would try to follow that wire which is going to go to a fuse. Low voltage issues are usually corroded wires or connectors if it's not a battery issue.
The wiring diagrams I'm looking at have a yellow wire that powers the coil coming from a fused ignition switch location. So, you can see if you have that low voltage at any of the fuses in the vehicle, especially any fuse boxes in the engine compartment where everything is exposed to the elements and moisture.
I will see if I can locate any wiring diagrams but stay with the basics on this one. Try to trace that power feed wire. This will be a very basic setup for tracking down a corroded area. Any connectors under the fuse panels should be checked as well if you find low voltage going to a fuse box.

Using a test light can be very productive because it puts a small electrical load on the circuit.

Another test you can do with a multimeter is voltage drop testing. This is where you would have your meter set on DC volts, and as an example, to test an Alternator charging wire to the Battery, you would put one meter lead on the Battery Positive and the other lead on the Alternator main post which goes to Battery Positive. And whatever voltage you are reading on that side of the positive circuit it the amount of voltage being lost on that wire from B+ to Alternator +. You can do the same test from Battery Negative to the Alternator housing which is the Alternator grounding to the engine block. You need to do these tests with the key on because there needs to be current flowing to read any voltage drop on a circuit.

https://www.2carpros.com/articles/how-to-check-wiring

https://www.2carpros.com/articles/how-to-use-a-test-light-circuit-tester
Was this
answer
helpful?
Yes
No
Monday, September 25th, 2023 AT 9:45 AM
Tiny
DOLANB7
  • MEMBER
  • 13 POSTS
Yes, the wire that I’m testing at the coil is the positive and it is yellow... I have replaced the battery, the ignition control module, the plugs and wires, distributor cap and the rotor... All of this was being done as a tune up and now it won’t start... 6.7 V is all I’m getting at the positive yellow wire at the engine coil other lead to ground. I have read other articles where they say there’s a resistor in the wire so that voltage is correct. Once cranking I got just over 9 V so I don’t know for sure why I’m not getting 12.
Was this
answer
helpful?
Yes
No
Monday, September 25th, 2023 AT 10:03 AM
Tiny
AL514
  • MECHANIC
  • 5,584 POSTS
Okay, I do see a couple of resistance wires coming from the Alternator, so Mi not sure exactly how accurate these diagrams are. What voltage are you reading on the other coil post? Are you reading the same voltage on both ignition coil posts(connections) with the Key On engine off (not cranking)? I assume you are not getting any spark at all from the spark plug wire coming off the coil. First check if you are reading the same voltage on both sides of the coil with just key On.
If you are the next test requires a test light. If you hook a test light to Battery Positive and touch the test light to ignition coil negative, you should have a dim flashing while cranking. This is the ignition control module controlling the ground side of the coil.

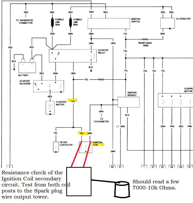
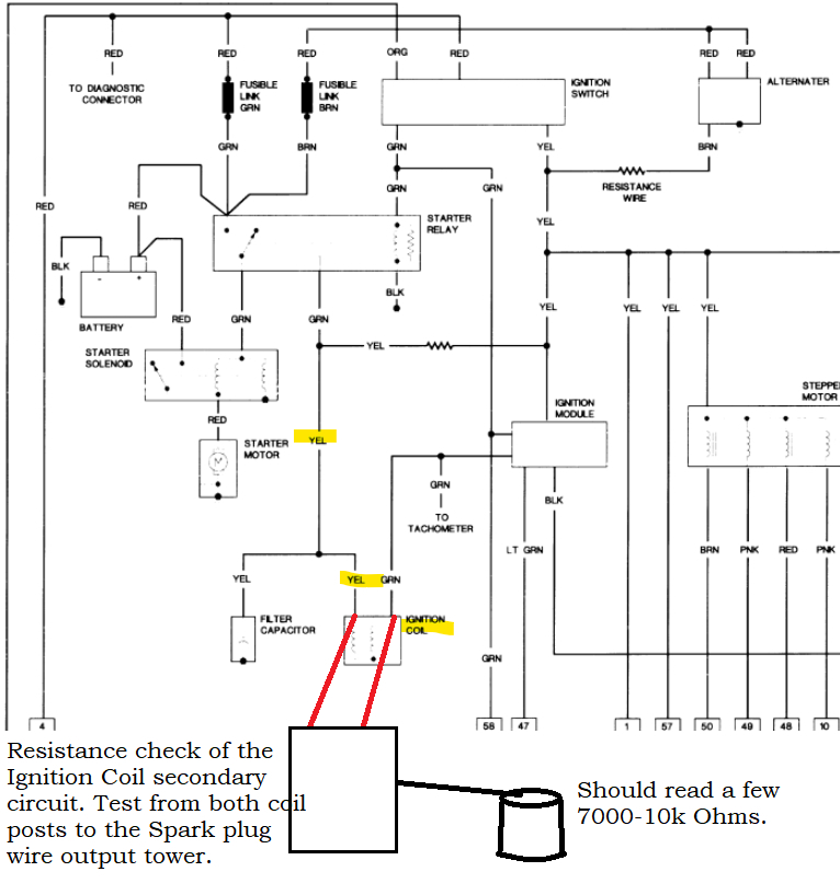
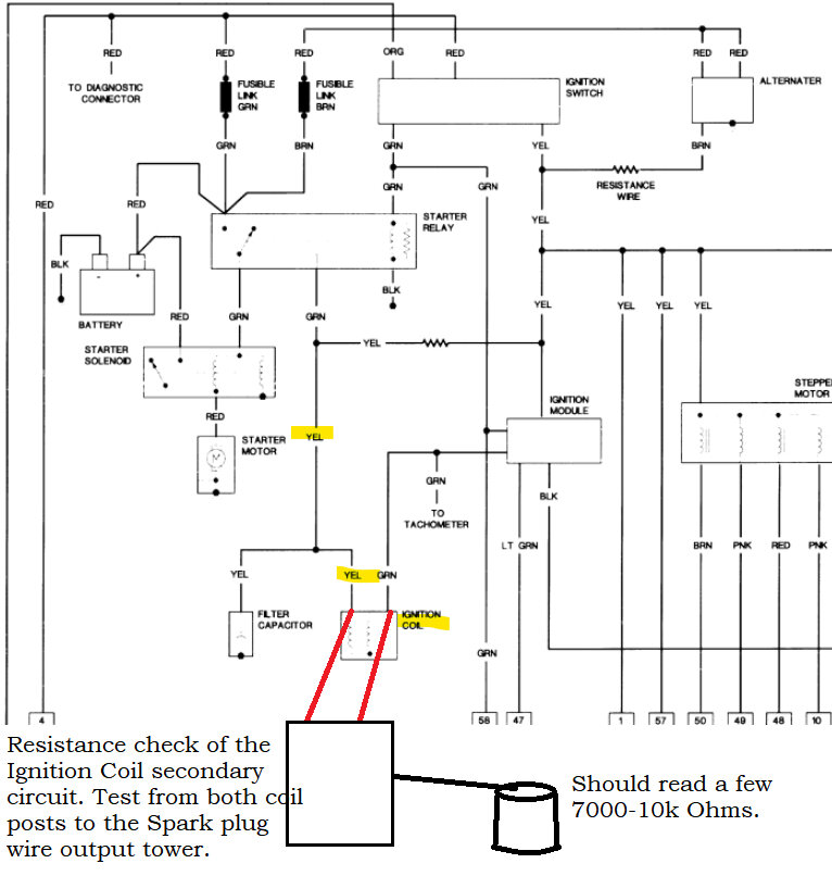
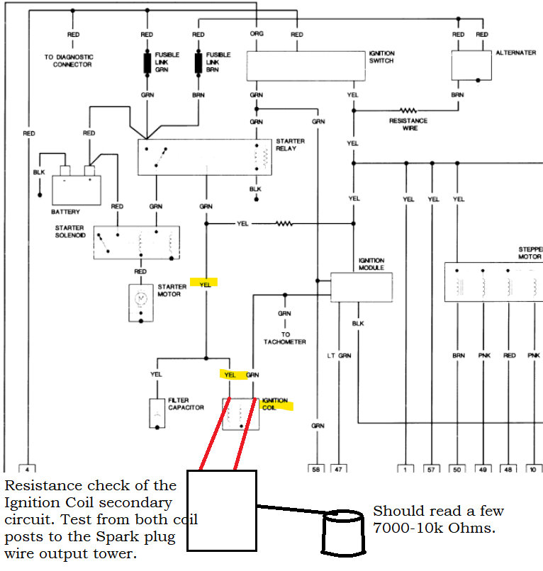
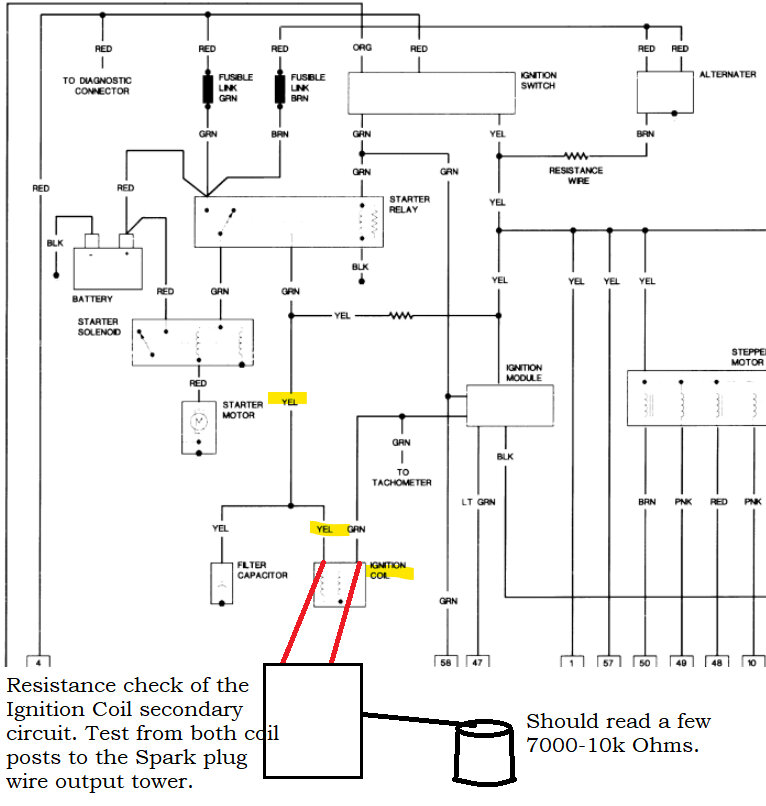
If you are not reading any voltage on the other side of the coil, switch your meter to check the resistance of the coil. Set the meter on Ohms setting and with the key off check the resistance across the coil. It's possible that with the new components the ignition coil failed. If the Primary circuit inside the coil has no resistance, the meter reads OL (out of limits) that means it's an open circuit inside.
If the coil does read a resistance across the positive and negative of the coil, it should be around 2 Ohms or less.
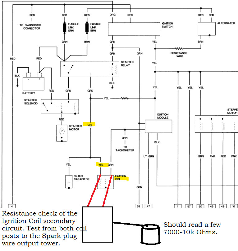
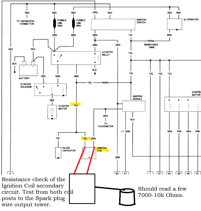
Checking the Secondary circuit of the coil should be from either post on the coil to the Spark plug wire output. Check from both coil posts because some coils are wired from the negative and some from the positive depending on the design. It should read around 7 to 10k Ohm (7000 to 10,000 Ohms). Here is a quick video on checking the coil resistance.
If either the Primary or Secondary ignition coil circuit is open (OL) that is why there is no spark.

Here are a couple of guides to help as well:

https://www.youtube.com/watch?v=LbL_P_2LvmU

https://www.2carpros.com/articles/how-to-check-for-ignition-spark

https://www.2carpros.com/articles/how-to-test-an-ignition-system

Let us know what you find.
Was this
answer
helpful?
Yes
No
+1
Monday, September 25th, 2023 AT 10:45 AM
Tiny
DOLANB7
  • MEMBER
  • 13 POSTS
I didn’t test off the negative side of the coil yet... I forgot to mention previously that the coil is brand new also... It’s an Accel brand... I was told that should work just fine but maybe that’s my issue also... I have an original coil on order just in case I need to try something else.
Was this
answer
helpful?
Yes
No
Monday, September 25th, 2023 AT 10:59 AM
Tiny
AL514
  • MECHANIC
  • 5,584 POSTS
Okay, if you have an automotive test light, I would check the module operation first. Do you still have the old coil? I suspect the issue is either the coil, the low voltage, or the control module. If you use a test light and see the dim flash on the negative side of the coil, then you will at least know the module is okay. The vehicle ran before you changed any parts, correct? If so, try the old coil and see if you get spark back, if not try the old control module.
Was this
answer
helpful?
Yes
No
Monday, September 25th, 2023 AT 11:57 AM
Tiny
DOLANB7
  • MEMBER
  • 13 POSTS
Yes, I have the old coil and the old ICM... I will try to switch out the coil this afternoon and let you know what the result was... Thanks for your help up to this point I appreciate it.
Was this
answer
helpful?
Yes
No
Monday, September 25th, 2023 AT 1:23 PM
Tiny
AL514
  • MECHANIC
  • 5,584 POSTS
Okay, sorry for the limited-service info for a vehicle this age, but we should be able to get you going here. Try swapping out the coil first.
Was this
answer
helpful?
Yes
No
Monday, September 25th, 2023 AT 1:45 PM
Tiny
DOLANB7
  • MEMBER
  • 13 POSTS
All right, here’s the update... I switched coils I actually went through three different ones... The brand new coil that showed up yesterday seem to be the best... It was putting out 10 V but not enough to fire anything... When I take the positive wire off of the coil and test it I have 12 volts... When I put it back on the coil I have 7 V..... When cranking it over the voltage coming out of the coil was just over 10 V... I’m not sure if it’s coil issues or what at this point.
Was this
answer
helpful?
Yes
No
Tuesday, September 26th, 2023 AT 6:40 AM
Tiny
AL514
  • MECHANIC
  • 5,584 POSTS
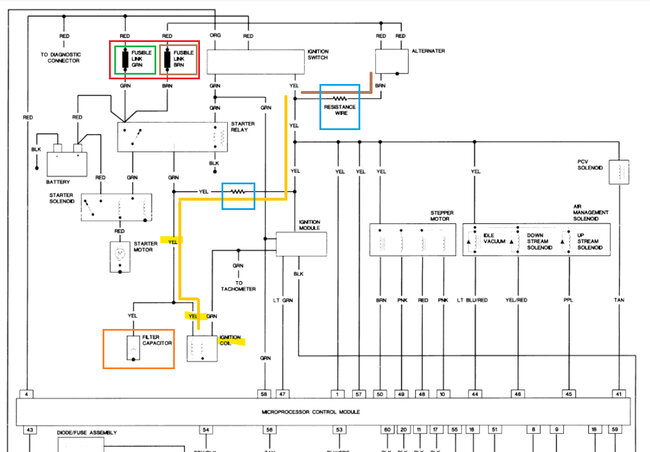
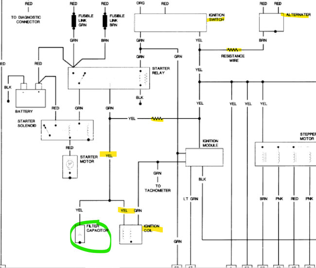
None of the coils you have is giving you any spark at all. There is a current limiting resistor in the feed circuit on the yellow wire. But did the vehicle run before you started the tune up?
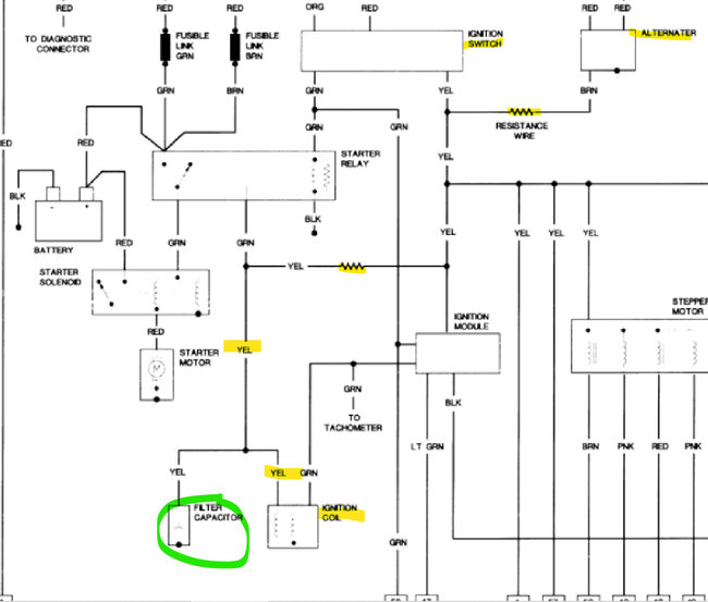
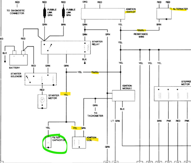
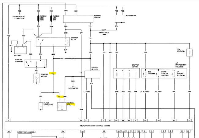
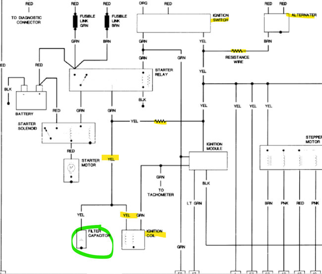
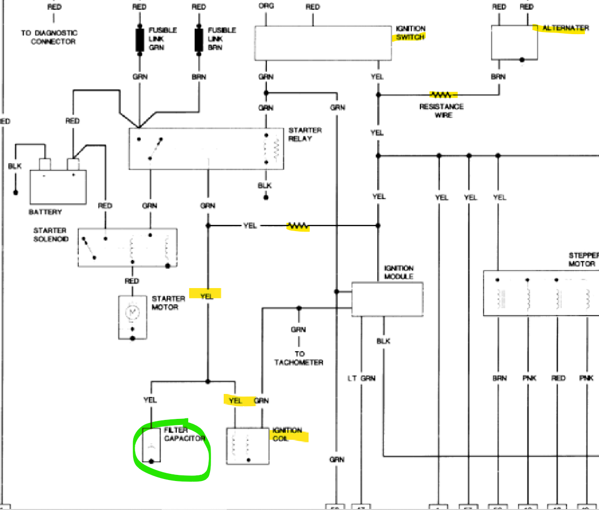
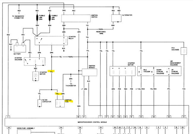
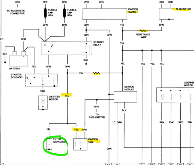
There is also a capacitor on the feed circuit that comes off the same power connection to the coil and it goes to ground. It's to suppress any transient voltage that might interfere with other sensors on the vehicle. It should also be on the same yellow wire and just bolted near the coil to the engine block. If this diagram is correct, but if the vehicle ran before the tune up, then there's something else going on. Possibly a bad control module, but if you get a test light you can check for coil control, and it will limit the possibilities here.
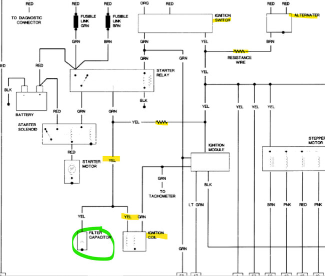
This is the capacitor, but I really, we need to know if you are getting any spark at all, if you are then we know the coil is being controlled at least. These older ignition modules went bad all the time, especially the aftermarket parts they are making now. We see a lot of bad brand-new parts. So, the module is suspect too. If it's not able to completely ground the coil or for long enough,
I would stick with the coil that has at least 10-volts for now but see if the module is controlling it. I think these in series resistors are a very low value,
Does the Tachometer jump while cranking if you have one?

Okay, I was just looking through some old posts, and it looks like there won't be a full 12-volts at the coil on these. I'm going to ask if I can post this info for you.
Was this
answer
helpful?
Yes
No
Tuesday, September 26th, 2023 AT 1:02 PM
Tiny
DOLANB7
  • MEMBER
  • 13 POSTS
The jeep started running badly and then wouldn’t start so I decided it was time for a tune-up... So since I’ve basically replaced everything brand new, it’s still won’t start... So I’m missing something... As I stated before the 10 V was coming out of the coil, a wire that goes to the distributor but nothing more than that... That was while I was turning it over.
Was this
answer
helpful?
Yes
No
Tuesday, September 26th, 2023 AT 2:22 PM
Tiny
AL514
  • MECHANIC
  • 5,584 POSTS
I looked over some older posts on these Jeeps and around 8volts is normal with an exterior resistor in the circuit. There was a picture with a tech reading 7.5volts with the Key on at the coil positive feed. You should be able to read the resistors ohms from the Alternator to the coil positive post.
Next step you should check for any voltage drop on the ground side of the vehicle, With the key On, measure from battery negative to the engine block and to the body. With the meter on DC volts and see what you get for a reading. It's not a loaded test really because the vehicle is not running, but you could turn on some loads like the headlights, you shouldn't have much over 0.5v reedling on the ground side. I also marked out some of the fusible links, they should have battery voltage on both sides. They tend to corrode after so many years. Check any grounding locations from battery negative to be sure they are good. A test light hooked to battery positive would be best for checking grounds. Then there is at least some load. Connections can look okay, but not be able to carry current and that's why using a test light is good. Even if you have some old headlight bulbs that are 12volt rated, that will work, Headlamps can carry a few amps, you could rig something up and use one to check your grounds. I don't think power to the coil is the issue at this point. If you have a Tachometer on the dash, it should jump while cranking since the Tach signal looks like it comes right off the coil negative/control side.
Was this
answer
helpful?
Yes
No
+1
Tuesday, September 26th, 2023 AT 2:48 PM
Tiny
DOLANB7
  • MEMBER
  • 13 POSTS
Well, I got home and tried to fire up the motor... The tac does not jump... It’s an original I don’t know if it ever used to. I never really paid attention to that... I guess I can start testing off of the negative of the battery and see what I get... There’s a lot of old wiring that’s been unhooked... In these old jeeps I think that’s pretty common... I guess I’ll poke around for a bit and see if I come up with anything.
Was this
answer
helpful?
Yes
No
Tuesday, September 26th, 2023 AT 4:12 PM
Tiny
AL514
  • MECHANIC
  • 5,584 POSTS
You can also try running some temporary grounds from the battery to the engine block and body, but a cheapo test light from an auto parts store can go a long way. I wouldn't use a head lamp for checking the ignition coil control, but a standard test light will show if there is control on the negative side of the coil. It's a quick test that gives a lot of direction when it comes to diagnosing many different circuits.
Was this
answer
helpful?
Yes
No
Tuesday, September 26th, 2023 AT 4:49 PM
Tiny
DOLANB7
  • MEMBER
  • 13 POSTS
I do have a cheap test light. I’m gonna hook it up and poke around a little bit. I checked a bunch of grounds and cleaned some things I even plugged in the old ignition control module... No difference in anything yet... Still a mystery... I thank you for your input.
Was this
answer
helpful?
Yes
No
Tuesday, September 26th, 2023 AT 5:11 PM
Tiny
CJ MEDEVAC
  • MECHANIC
  • 11,005 POSTS
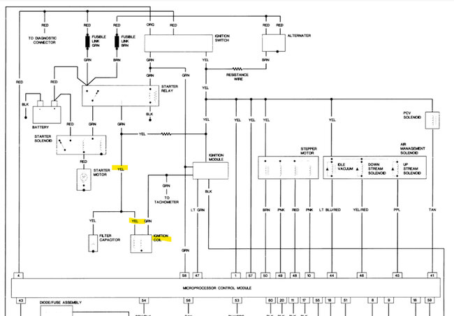
I'm more in tune with Jeeps 1986 on back.

If yours has a 258, it may kinda be set up like a CJ

Here's a diagram that explains how it works and why "I" terminal

works while cranking.

This happens to be a partial shot from a 1979 wire diagram that I labeled

'79 did not have a computer, as later CJs did.

I'm sure your wiring from the ignition module to the distributor runs

through the computer.

Being an '88, has it been "nuttered"? Any other modifications you know of?

Original carburetor?

Over the years, folks tend to modify things just because their buddy says

it's better. This may or may not be your case. Send some pics of your

engine with the breather removed, maybe we can spot something!

---The Medic
Was this
answer
helpful?
Yes
No
+1
Tuesday, September 26th, 2023 AT 5:13 PM
Tiny
DOLANB7
  • MEMBER
  • 13 POSTS
I do have the six cylinder 258 motor... I have a weber carburetor on it now it ran way better with that... I don’t believe it’s been completely Nutter... There are wires that aren’t plugged into anything... Thanks for the diagram I can try to take a look around at that, but I’m kind of at a loss right now.
Was this
answer
helpful?
Yes
No
Tuesday, September 26th, 2023 AT 5:21 PM
Tiny
DOLANB7
  • MEMBER
  • 13 POSTS
Some pics.
Was this
answer
helpful?
Yes
No
Tuesday, September 26th, 2023 AT 5:23 PM
Tiny
DOLANB7
  • MEMBER
  • 13 POSTS
Have you heard of people using the HEI distributor and get rid of all this crap? I’ve heard good things about it but don’t know a lot about it.
Was this
answer
helpful?
Yes
No
Tuesday, September 26th, 2023 AT 5:24 PM
Tiny
CJ MEDEVAC
  • MECHANIC
  • 11,005 POSTS
I've never used one,

I've heard of a "out of the box HEI" have sometimes chewed up the cam

because the HEI distributor gear is hardened.

But,

I've read that can be overcome by swapping the gear off of the OEM

distributor to the HEI and all is fine!

I have a '77 and a '46, I upgraded the Prestolite system on my '77 to

Duraspark (like came out on a '79) My system looks exactly like

the diagram I gave you----with one exception, my '77 (prestolite system)

never had a resistance wire, I had to "Counter" that by installing

a Ballast resistor.

In place of the resistance wire. Diagram below.

I've seen folks install a ballast resistor (on the resistance wire) again,

an ignorant party suggested it cause they heard of 'em.

We don't need 2 resistances!

----The Medic
Was this
answer
helpful?
Yes
No
Tuesday, September 26th, 2023 AT 6:04 PM
Tiny
DOLANB7
  • MEMBER
  • 13 POSTS
Yeah, I’m not trying to add any more resistance wires or anything I’m just trying to figure out what happened and why this thing died basically out of nowhere... That’s why I figured it just needed a tune up and replaced all of these parts, including the battery... And no start... Cranks over just fine but that’s about it.
Was this
answer
helpful?
Yes
No
Tuesday, September 26th, 2023 AT 6:09 PM

Please login or register to post a reply.