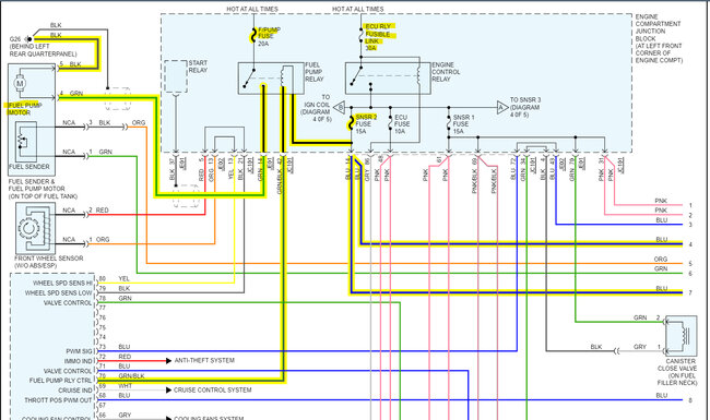
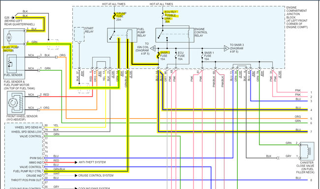
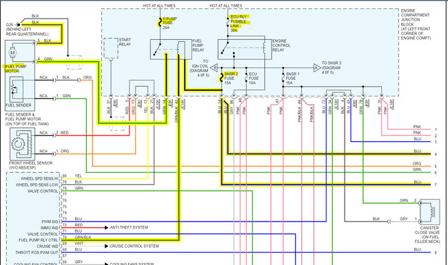
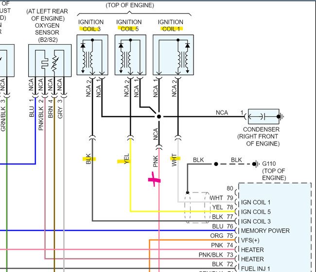
As for the power feeds to the coils and injectors, that shouldn't matter, but the control wires will matter. If the plugs are wet and fouled out with fuel, the injectors are working, the question is do you have spark.
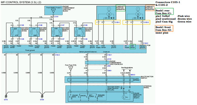
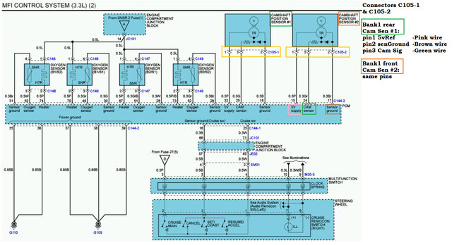
So, we can have you check that oxygen sensor that you unplugged for a short, either in the sensor or in the harness with a test light. If you want to do that let me know,
But if you're going to test for spark at each coil, I think you should unplug the Injectors, so the cylinders don't get washed out with any more fuel. You can pull the SNSR 3 fuse 10amp which powers the injectors or unplug each one.
And then check for spark at each coil, I know this vehicle is very difficult to work on because they colored all the wires the same, that's makes this whole thing much harder. If the cylinders got washer out with a lot of fuel, that also lowers compression because the oil get washed off the cylinder walls, and I'm sure your oil is diluted with gas now as well.
So, you check for spark, and we can concentrate on getting the vehicle started first or, we can check the oxygen sensor and try to find that short, if that fuse is not blowing, you can leave the sensor unplugged for now. Just let me know what you want to do first.
Was this helpful?
Yes
No
Saturday, June 24th, 2023 AT 2:43 PM


























