Coil pack wiring diagram needed?

2006 HYUNDAI SONATA
100,000 MILES • 3.3L • V6 • 2WD • AUTOMATIC
Avatar
TIMOTHY WAYNE DAVIS
  • MEMBER
  • 24 POSTS
I need a wiring diagram for the front 3 cylinders. I had a rat chew the wires.
May 28, 2023 at 2:58 PM
Advertisement
Avatar
AL514
  • CAR REPAIR CONTRIBUTOR
  • 5,491 POSTS
Hello sorry to hear about that, so you need cylinders 2,4,6 on the front cylinder head. There are 2 wire coils, correct? Are all the wires for the front coils the same color?
I have never seen this ever before, this is the OEM manufacturer wiring diagram for the ignition coils, and it shows the front 3 coils 2,4,6, have the same color power feed wire (pink) and the same color control wire (green). But the back 3 ignition coils have different color control wires which is what is expected. Can you confirm these front 3 coils for me? If they have different colors on the front coils, then this is an error and a bad one at that. It is showing the same on aftermarket diagrams.

I was able to trace each ignition coil wiring back to the ECM connector, so I can post the wiring for that, if it is indeed the same color wires for each coil on the front bank of cylinders. If there is a section of green wire for each of the front coils, you can unplug one of the ECM connectors and using a multimeter set on Ohms setting, you can check for continuity to the correct ignition coil from each of the 3 ECM connector pins if needed. I'm not sure how much wire is left over to work with. I hope this is somewhat helpful. I have never seen ignition coils with all the same wire colors like this before.
May 28, 2023 at 5:56 PM
Advertisement
Avatar
TIMOTHY WAYNE DAVIS
  • MEMBER
  • 24 POSTS
Yes, they are all the same color.
May 28, 2023 at 7:31 PM
Avatar
TIMOTHY WAYNE DAVIS
  • MEMBER
  • 24 POSTS
There are no pink wires. Could it possibly be orange or tan?
May 29, 2023 at 4:31 AM
Avatar
AL514
  • CAR REPAIR CONTRIBUTOR
  • 5,491 POSTS
They might be discolored due to age, but I assume there are sections going to each coil that have 2 wires left, and is there any wiring left on the coils harness plugs? I'm really surprised that even the manufacturers wiring diagrams are showing the same colors. But there should be 2 wires going to each coil, one will be Green and the other is the power feed coming in.
If you have a multimeter and have the sections of wires striped back somewhat you can check for 12volts with the key On. But my concern here is making sure that each coil has the correct control wire going to it. It's extremely important, or the coil will fire at the wrong time. We don't want cylinder 2 firing when cylinder 4 should be. Hence the reason for each control wire being a different color. Like the back coils have. Take a picture of the mess if you can so I have a better idea of what you're dealing with. We want to get this right the first time for you.
May 29, 2023 at 11:20 AM
Avatar
TIMOTHY WAYNE DAVIS
  • MEMBER
  • 24 POSTS
Thank you. You have been very helpful. I feel confident that I can figure out the control wire dilemma. The 3 wires are all different lengths and will only reach the cylinder that they go to. The coil connectors have an orange and green wire so I assume the orange wires from the harness will be the correct power wires. After further inspection the injectors wires are torn up as well as. Some of the wires further back in the harness. I won't be able to work on it for a day or two. Will keep you posted. Thanks again
May 29, 2023 at 1:18 PM
Avatar
AL514
  • CAR REPAIR CONTRIBUTOR
  • 5,491 POSTS
okay, sounds good. If you need the injector wiring diagrams just mention it. Hope the repair goes well. If you're using crimp connectors, get the ones that have heat shrink on them to seal out any moisture.
May 29, 2023 at 1:35 PM
Avatar
TIMOTHY WAYNE DAVIS
  • MEMBER
  • 24 POSTS
Yes, I would like the injectors diagrams also. Thanks
May 31, 2023 at 12:12 AM
Avatar
AL514
  • CAR REPAIR CONTRIBUTOR
  • 5,491 POSTS
These are the diagrams for the Fuel Injectors, unfortunately it looks like Hyundai did the same thing on the 3 front injectors with the wiring colors. They are all the same, Power feeds look to be orange (will have 12-volts with the key on), and each control wire at ECM looks to be Grey with a Black stripe. So, if you can identify the control wire to each injector by length like you did for the coils, that's what you will have to do here. Or we will have to check continuity from each wire to the ECM connector to Identify each cylinder. Let me know if you need that or if you are ok with these diagrams.
May 31, 2023 at 9:35 AM
Avatar
TIMOTHY WAYNE DAVIS
  • MEMBER
  • 24 POSTS
Man, I really appreciate your devoting all this time. I'm going to take some pictures and show you what I dealing with. I can't believe that one rat could do this much damage. I'm pretty sure I'm going to have to ohm all the wires. This car ran and looked great now j got check engine light flashing when it cranks. Numerous codes to many to list. The length of the wire didn't work out. Last time I tried it wouldn't crank. I was going to just buy a whole new harness but the cheapest I could find was $900.00. None at the junkyard either. I'm going to buy new coils. I just want to make sure I don't have an internal engine problem. Thanks again.
Jun 1, 2023 at 8:19 PM
Avatar
AL514
  • CAR REPAIR CONTRIBUTOR
  • 5,491 POSTS
Okay, one thing to be careful about, if the engine stopped cranking, do not try to force it, if the wiring for the fuel injectors was wired up incorrect and there are fuel injector(s) staying on they can hydro-lock the cylinders with fuel, That can break connecting rods, pistons, and serious internal damage. It's better to take the time and get the correct wires to the correct ECM pins that they need to be at. The flashing check engine light means you have cylinder misfires that are bad enough to damage the Catalytic Converter. So, let's take the time and get every right before you try to start the engine again. At this point I would recommend you take the spark plugs out of all the cylinders. Unplug the ignition coils and injectors and crank the engine over to get any fuel out of the cylinders that might be in there. Just put some paper towel over the spark plug holes, because if they are filled with gas, it's going to come out all over the place.
I can imagine what you are dealing with, I've seen it before. Rodents chew the wires because they like the taste of the chemical in the wire insulation. They will chew the whole thing if given enough time.
So, let's Ohm out each wire to the ECM connector so they are all going to the correct control pins.
Will go step by step, Starting with the front ignition coils. But clear out the cylinders, and make sure the engine will still turn over. It will crank over fast without any spark plugs in it because there won't be any compression, so expect that. Also remember that with that fuel being sprayed into the cylinders and it not starting, it's going to wash the cylinder walls and cause low compression until fresh oil is able to get back up where it needs to be. Something to keep in mind if you want to run any compression tests. You will need to change the oil after all this as well, it will be contaminated with fuel heavily by now.
I'll go through the wiring diagrams and find the ECM connector pinouts that we'll need. So besides clearing out the cylinders, try not to crank the engine over much anymore until we get things straightened out.

If you're getting codes for other components, we will deal with them after we get the coils and injectors fixed up. You can post the code numbers here if you want, I'll look up the definitions myself.
Jun 2, 2023 at 9:15 AM
Avatar
AL514
  • CAR REPAIR CONTRIBUTOR
  • 5,491 POSTS
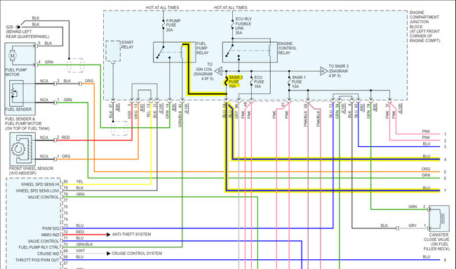
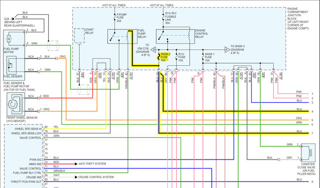
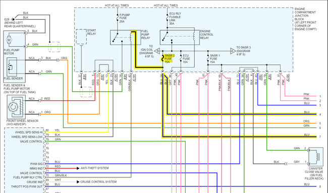
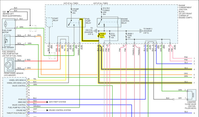
Here are the ECM location and connector C 144-2 which is the connector you'll need to access to Ohm out each control wire. Diagram 6 is the Front Ignition Coils. Diagrams 7,8 are the pinout for C 144-2 ECM connector. Everything is color coded to its front bank cylinders.
Diagram 10 is the C 144-2 connector with each pin labelled to its component.
Hopefully this is easy enough to see which wires should show continuity to the correct ECM pin.
Diagram 13 is the Fuel Injectors with their corresponding wire to ECM pin, same color coded to each cylinder.
Make sure the key is off before disconnecting the ECM connector. And unplugged before testing. Hopefully this section goes okay for you.
Jun 2, 2023 at 10:45 AM
Avatar
TIMOTHY WAYNE DAVIS
  • MEMBER
  • 24 POSTS
I am really sorry that I took so long to respond. I'm pretty sure that with the information you gave me I will be able to isolate each wire for injectors and coils. I had to put the car on the back burner for a bit. I have a very serious illness in my immediate family that I have dedicated.my time too. I really appreciate your dedication to my post. It may be a few days, but I will let you know how things turn out.
Jun 8, 2023 at 1:54 PM
Avatar
AL514
  • CAR REPAIR CONTRIBUTOR
  • 5,491 POSTS
okay, no worries, take your time, hope all is ok with your family. Don't worry, we'll be here when you get back to it. If you need any help with Ohming out the correct wires just ask. I don't want to see any ECM drivers to get burned out. Chat soon.
Jun 8, 2023 at 4:29 PM
Avatar
TIMOTHY WAYNE DAVIS
  • MEMBER
  • 24 POSTS
First off, I would like to say thank you. I really appreciate your dedication and patience with my issues. I was able to ohm out the wires back to the ECM. The diagrams and information you provided made it easy enough for a first grader to follow. Once again thank you. I haven't had much time with my current family situation, but I did get the wires done and labeled and routed to the correct cylinders. Since I had the intake plenum off, I went ahead and changed the valve cover gaskets that were leaking. Everything on the rear cylinder side looked okay. During this process I noticed that the ignition condenser was broken or either I broke it during the gasket installation. I also noticed that both camshaft position sensors connectors were dry rotted. They fell apart in my hand. As of now I'm at another stand still to deal with my family. I'm going to pick up parts and oil change soon and put everything back together. The one question I have right now is what is the purpose of the 2 condensers and will the car start without them? I was under the impression that condensers were only for vehicles with the old point style distributors. Thanks again. You're a great teacher.
Jun 16, 2023 at 1:26 PM
Avatar
AL514
  • CAR REPAIR CONTRIBUTOR
  • 5,491 POSTS
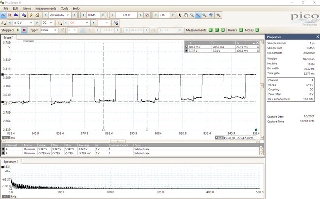
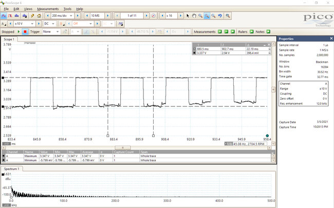
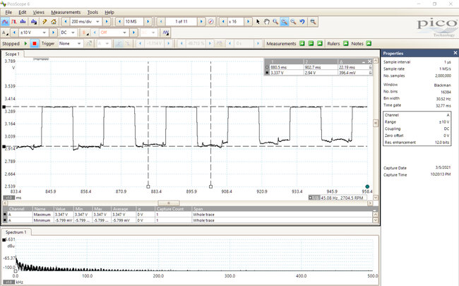
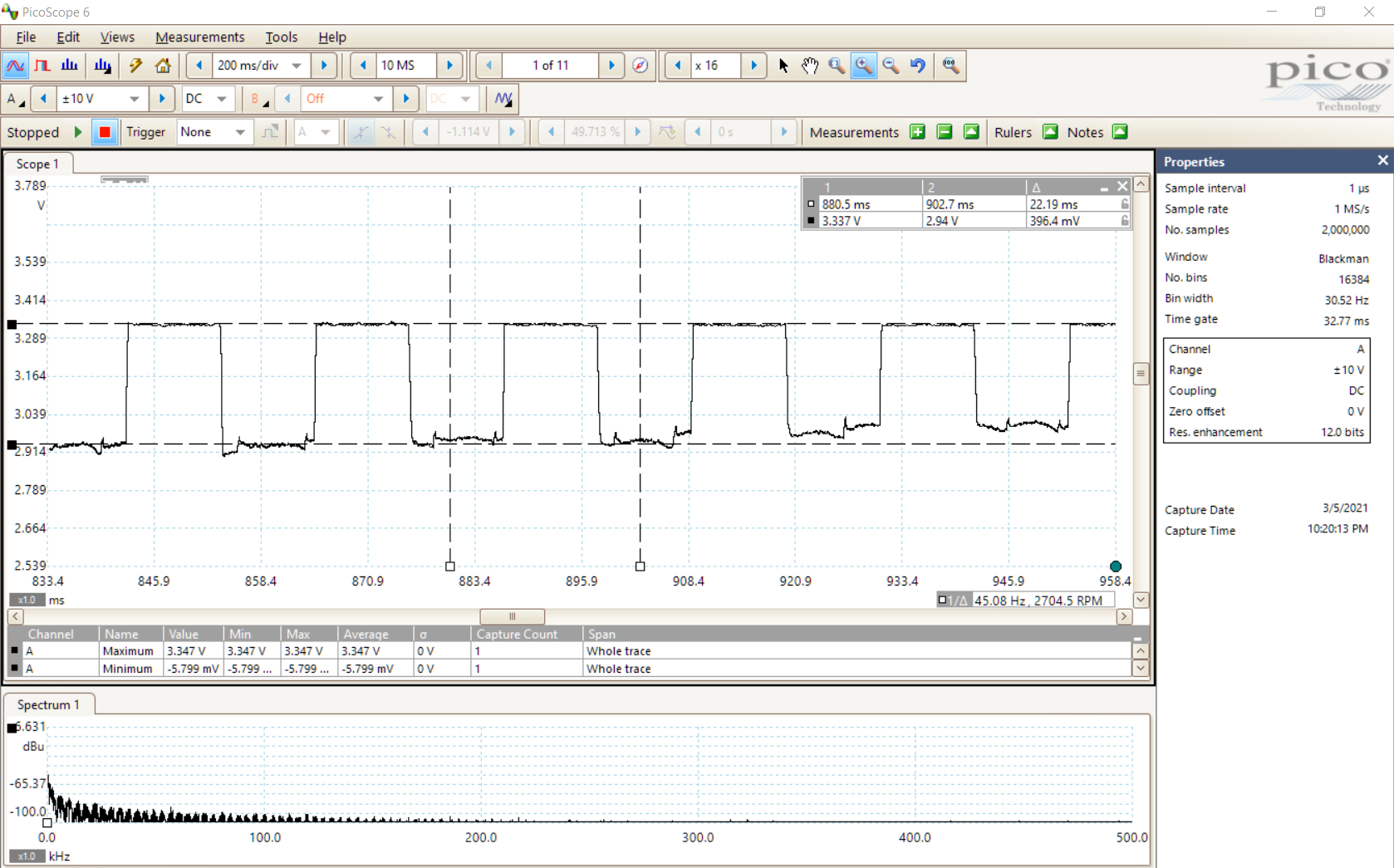
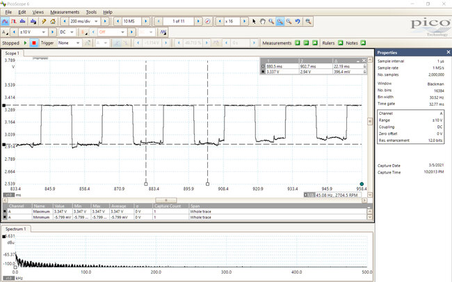
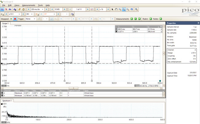
You are talking about the Capacitors that are on the ends of each of the power feeds for the Ignition coils, yes you need them, because of the high voltage the ignition coils make, those capacitors act as a filter of buffer for the voltage, otherwise you will have high frequency interference with other circuits in the vehicle. Any voltage spikes get absorbed by the capacitors and the spikes won't affect other sensors. If sensors such as the vehicle speed sensor, crank position sensor, cam sensors, etc., receive voltage spikes from the ignition coils the ECM will read those spikes as incorrect data from the sensors. Since the ECM watches the rising edge or falling edge of a sensor's voltage square wave signal, any interference will be interpreted as one of those edges the computer reads.
These are some examples of a square wave voltage signal. This is not from an ignition coil, but the same effect applies. Notice in the 2nd scope captures all the interference.
From a computer's standpoint, the spikes in the middle of the pulled down section could possibly be read as a signal, and that's why capacitors are used to filter out and clean up any weird voltage in the circuits. Sorry for the long post, I just wanted to explain why they are there.
Also, I hope things get better for your family too, I know you were going through a difficult time before.
Jun 16, 2023 at 1:45 PM
Avatar
TIMOTHY WAYNE DAVIS
  • MEMBER
  • 24 POSTS
I got everything back together today. I'm pretty confident that all the injectors and coils are in their proper spot. I only had time to try and start the car. I just knew that it would start right up. Well, it turned over but no start. I found that the 19 mini fuse was blown and before I can put another fuse in it blows immediately. I know that this fuse is for the injectors. Fan and Ac according to what I read. I have power to each of the front 3 injectors. I'm going to take the intake plenum off tomorrow and check power on the rear 3. Any ideas that you may have are welcomed. Thanks
Jun 21, 2023 at 9:15 PM
Avatar
AL514
  • CAR REPAIR CONTRIBUTOR
  • 5,491 POSTS
Where is this Fuse 19 located? In the engine compartment fuse box? And does it have any other label than 19? and what amperage is it? I don't see any fuses with that label going to the injectors, the injector fuse is the SNSR 3 Fuse 10amp feeding the injectors,

The fuse panel in the engine compartment has Fuse 19 (15amp) Oxygen sensor, Fuel Pump Relay

This is the Fuse 19 circuit, its label is SNSR 2 15amp, and it feeds the Fuel pump relay control side, but also feeds the Heater circuits for all 4 Oxygen sensors. So, I think you have another circuit that is either been chewed on, or there is a shorted heater circuit in one of the oxygen sensors,
You can test this really quickly by unplugging all 4 oxygen sensors and seeing if the fuse still pops. If so then there is most likely another wire that has been chewed under the fuse block in the engine compartment, it should be a blue wire coming from the fuse block going out to the oxygen sensors.
Jun 22, 2023 at 2:23 PM
Avatar
TIMOTHY WAYNE DAVIS
  • MEMBER
  • 24 POSTS
Yes, you are correct. I read the label wrong. Will get back soon going to test now. So am I right to assume that if the fuel pump relay is involved then I'm not getting gas to injectors. That's exactly what it sounds like to me is no fuel.
Jun 22, 2023 at 4:56 PM
Avatar
AL514
  • CAR REPAIR CONTRIBUTOR
  • 5,491 POSTS
If that fuse is blowing, yes, it's the power supply to the control side of the relay, the ECM grounds the other side to activate the relay, so that's why you don't have any fuel pressure.
What you can do if you don't find a chewed wire, is pull the fuel pump relay out for now, unplug all the oxygen sensors. And using a test light at the fuse location, hook the test light to battery negative and find out which side of the fuse is the power feed side, and the other side goes out to the oxygen sensors. Once you know which fuse pin is the power, then you can hook the test light to battery positive and touch the other fuse pin, the side that is shorted to ground. The test light should now light up because of the short. With the oxygen sensors unplugged, the only path to ground now is the shorted wire. So, you can do a wiggle test and find the short much faster this way, I can draw up a quick diagram of this test if you want it. Or you can use a multimeter hooked to battery negative with the fuse out and do the same test, it's just much easier to watch the test light flicker when you move the wiring harness near the short.
Jun 22, 2023 at 5:27 PM
Avatar
TIMOTHY WAYNE DAVIS
  • MEMBER
  • 24 POSTS
I unplugged al 4 oxygen sensors and inspected the wiring. There were no obvious chews or breaks in the wiring. It all had that black insulating electrical tape still wrapped around it from the factory. I didn't see anything that would make me feel there was a problem. The fuse quit blowing when I unplugged the fourth sensor. It' sounds like it's wanting to start but so far, no luck. I pulled out a couple plugs and they all had a strong smell of gas and looked to be fouled. So apparently, I'm getting fuel. Now. wouldn't you think that the car would try to start even with fouled plugs? I got some extra coil packs, but I think I'm going to go buy a set of plugs. Would it make a difference if I got the injector and coil power leads mixed up? They are very close to being the same color. All of the other fuses are working properly. I'm pretty much stuck. I'm trying hard not to use the process of elimination to fix what is wrong. I did pull the fuse box out when I was considering buying a new harness so it is possible that I could have caused a problem, but it went back together with no issues and everything else is working asp far as I can tell. Any suggestions are welcomed, and I will be standing by. Thanks for your time and patience.
Jun 23, 2023 at 4:14 PM
Avatar
AL514
  • CAR REPAIR CONTRIBUTOR
  • 5,491 POSTS
If the last Oxygen sensor (4th) caused the fuse to stop blowing, you should check the resistance of the heater circuit internal to that sensor. I'm not sure which one you mean by 4th, but if the heater internal to the sensor shorted out, it will blow that fuse. Have you replaced the fuse with leaving that oxygen sensor unplugged and it still will not start? I know the chance of the Oxygen sensor heater being shorted out after all this does sound like a fair chance, but I have seen stranger things happen.
As for the power feeds to the coils and injectors, that shouldn't matter, but the control wires will matter. If the plugs are wet and fouled out with fuel, the injectors are working, the question is do you have spark.
So, we can have you check that oxygen sensor that you unplugged for a short, either in the sensor or in the harness with a test light. If you want to do that let me know,
But if you're going to test for spark at each coil, I think you should unplug the Injectors, so the cylinders don't get washed out with any more fuel. You can pull the SNSR 3 fuse 10amp which powers the injectors or unplug each one.
And then check for spark at each coil, I know this vehicle is very difficult to work on because they colored all the wires the same, that's makes this whole thing much harder. If the cylinders got washer out with a lot of fuel, that also lowers compression because the oil get washed off the cylinder walls, and I'm sure your oil is diluted with gas now as well.

So, you check for spark, and we can concentrate on getting the vehicle started first or, we can check the oxygen sensor and try to find that short, if that fuse is not blowing, you can leave the sensor unplugged for now. Just let me know what you want to do first.
Jun 24, 2023 at 2:43 PM
Avatar
TIMOTHY WAYNE DAVIS
  • MEMBER
  • 24 POSTS
The fuse is not blowing since I unplugged the 4th or last one. I tried to start the car after I unplugged each one and the fuse blew until I unplugged the last one. I was going to plug them all back in except the last one and check the fuse again just to make sure and leave the last one isolated. Does that make sense? I do want to check for spark. Some of the coils might be damaged since I was hardheaded and tried to fix the wiring issues without checking with you or looking at a schematic. I have a couple extra coils but I'm not sure they work since they came from junkyard. I guess I need to know the correct way to check for spark. Do I pull one coil at a time and ground it to see if it arcs? Do I leave the spark plug in it to see if fire comes from that? I will pull the fuse to the injectors first and you are right, the oil is contaminated with gas. Thanks for your time and help.
Jun 24, 2023 at 4:35 PM
Avatar
AL514
  • CAR REPAIR CONTRIBUTOR
  • 5,491 POSTS
Yes, leave the last Oxygen sensor unplugged for now if that's popping the fuse. We'll deal with that last. You don't need that to start the vehicle.
To check for spark, pull the coil out, keep it plugged into the harness. And put either a spark plug or spark tester into the coil. I have a bad feeling that if the wiring was wired backwards to any of the coils or to the injectors, meaning that power was put directly to the control side on the component, it might have burned up the ECM driver for those coils or injectors. It's the same as a short circuit directly to the ECM driver if they were wired backwards.
Here's a guide for checking spark. If you have no spark on some coils, we'll check for any drivers that are shorted out.
The ignition coils and injectors are driven by a 3-pin device called a power mosfet or transistor. It switches the ground side of the component off and on to fire the coil or injector. When they get shorted out, what usually happens is the mosfet will get fried and be shorted directly to ground permanently. If the coils feel hot to the touch and there is no spark, that's not a good sign, but check for spark first. I'll draw a little diagram to show how the ECM drivers work and can burn out.

https://www.2carpros.com/articles/how-to-check-for-ignition-spark
Jun 24, 2023 at 5:04 PM
Avatar
TIMOTHY WAYNE DAVIS
  • MEMBER
  • 24 POSTS
Unfortunately, I swapped some of the coil and injector wires. So, I probably messed up the ECM. I did before I had your guidance. I looked back through the diagrams and I'm pretty sure I have them going to the right side now but to make sure if I'm standing in front of the car looking down at the coils the control wire is the wire that is closest to me in front of car. Is that correct and what side of the injectors is correct? I probably did more damage than the rat did. I replaced some of the connectors with some I got at junk yard. They had different color wires. I'm not making excuses but, in my mind, I can fix anything that goes wrong with any of my cars. We both know that's not true. Anyhow, I will check both injectors and coils to make sure then I will proceed to check for spark. Sorry I should have told you that I tried swapping some of the wires. Thanks
Jun 24, 2023 at 11:25 PM
Avatar
AL514
  • CAR REPAIR CONTRIBUTOR
  • 5,491 POSTS
Well, each coil has 2 wires on each connector, looking at the engine from the front of the vehicle cylinder 2 is on your left and cylinder 6 on your right, 4 in the middle. And you should be able to identify the power wire by just turning the key on and check it with a multimeter with the other meter lead on battery negative. Only 1 wire on each coil will have 12volts, the other wire is the control wire. Pin 1 is the power feed; the original wires would have been pink.
Same with the Injectors, one wire should have 12 volts with the key On. Pin 2, orange wire was the original power feed color for the injectors. But verify them with a multimeter to be sure they are correct. You may have not fried the ECM drivers since you still had a load in the electrical circuit. The coil or injector would be a load in the circuit. How the Oxygen sensor shorted out, that is to be seen yet.
Jun 25, 2023 at 12:40 PM
Avatar
TIMOTHY WAYNE DAVIS
  • MEMBER
  • 24 POSTS
The 03 front coils all have spark, and the injectors are all wired correctly. I'm going to pull the plenum off tomorrow and check the rear coils and injectors. I'm also going to pull the fuel line out of the rail to make sure I'm getting fuel. Before the rat the car would go into reduced power mode. It only did it rarely. I would have to clear the ECM to get it to run normally. I was also getting a blinking check engine light which I was able to replace a coil to solve that issue. I haven't ever checked compression. I know that cylinder 2 has compression put the coil in its hole without a spark plug today when I turned the car over it blew the coil out of the hole about a foot in air. I'm going to wait for you to tell me what to do next. I'm kind of stuck. Thanks again.
Jun 25, 2023 at 11:40 PM
Avatar
AL514
  • CAR REPAIR CONTRIBUTOR
  • 5,491 POSTS
So, if you had a blinking check engine light, that's a Catalytic Converter damaging misfire alert. Do you know if a code was set for the reduced power mode? If you were resetting the ECM for it, then there was a code setting every certain number of drive cycles. Are you not able to reach the back 3 coils to check spark with pulling the intake plenum off? You can check for the ECMs control of injectors by hooking a test light to battery positive and probing the connectors control wire. And you should get a dim flashing test light, that's the ECM turning on and off the injectors ground side.
As for fuel pressure it looks like there is an access panel in the trunk, I'll put the instructions for a fuel pressure test, although with this fuel pump relay being on the same circuit that was blowing the oxygen sensor fuse, you should check the rest of the fuses in the engine compartment fuse block, since we don't know yet what is causing that fuse to pop. To do this fuel pressure test you have to T into the line, but when you turn the key to just the on position you should hear the fuel pump run for a couple of seconds to prime the system. Maybe have the trunk open and get to the access panel and have someone else turn the key On and see if you hear the pump, from the top of the access panel you should hear the pump with no problem, they are pretty loud. It looks to be under the carpet in the trunk area. I will see if I can locate what number this F/PUMP fuse 20amp is in the fuse block. I'm wondering if there are more chewed wires, it sounds like the rodent really went to town on the wiring harness.
Fuse #8 is the Fuel pump fuse that feeds the load side of the Fuel pump relay
Ok in diagram 7 are the fusible links, I'm not sure why they call them fusible links because this is not the conventional style fusible link at all. But I also don't know why they colored all the wires the same color either, seems like anything goes with Hyundai in this case.
Jun 26, 2023 at 9:08 AM
Avatar
TIMOTHY WAYNE DAVIS
  • MEMBER
  • 24 POSTS
I've tried and written 3 replays to you and for some reason. They disappear. I did pull the plenum and I had no fire at the 3 rear cylinders. I replaced one of the coils with one that I. Knew was working from the front cylinders it didn't fire either.im getting plenty of fuel. I pulled the line out of the rail and there was lots of gas there. It was really kind of foolish considering all the wiring issues and the oxygen cylinder short. Besides the fact I was checking coils in that same general area. Luckily, I didn't burn it to the ground. I really needed someone to crank the motor while I was looking for spark, but I had no help. So, it was rather difficult to turn the key and try to see through the windshield and under the space between the hood and firewall. I'm going to see if I can get a spark plug tester in the morning. I have got all day tomorrow to work on it and my brother is coming by to help. I'm going to put it up on stands and look for more rat damage. The oxygen sensor fuse started blowing again when I plugged them back in so evidently, it's not the one, I thought or it's an intermittent short. After thinking about it I never even checked to see if I had power going to the back coils. Everything back there is like the day the car was new, so I just left it alone. I guess I'm going to have to check under the insulating tape if I don't have power. That tape is 12 bucks a roll. I don't know for sure yet, but my guess would be that it is chewed somewhere else. Going to the back 3 cylinders. I know you have spent a lot of time helping me.it is appreciated. I'm aggravated and if it wasn't for your help, I probably would have pulled it across the scales by now. Thanks again and I won't give up if you don't.
Jun 26, 2023 at 9:57 PM
Avatar
AL514
  • CAR REPAIR CONTRIBUTOR
  • 5,491 POSTS
If you try to send a reply and they don't go through, we have a filter on the website that is a spam filter, so if you were using certain keyboard symbols, the post might get blocked, just so you know, it's not us ignoring your posts or anything like that.

Are you missing spark at the back 3 coils and also the front 3 at the same time? Unfortunately, the power feed for the coils, the injectors, oxygen sensor heaters, and fuel pump relay all come through the ECU RLY Fusible Link 30amp. Then through the Engine Control Relay, and then branch off from there. So, you might want to check more around that fuse panel, If the harness is wrapped up in conduit and taped up, I don't think you'll find chewed wires inside there, I guess depending on the rodent size, but they will usually chew up the entire thing. I need to restart my page here, having some technical issues.

So, depending on if you're missing power on the back coils or control, it will direct where you look next, being that the PCM is located next to the Air intake tube and air filter box, you might want to just pull all that out of the way. Looks like the PCM harness runs under the air tube, and since you have no spark back there, I'd be concerned with hydro locking those back cylinders and having to pull that intake off so many times, you probably just want to go through the entire engine harness. Checking the engine and chassis grounds. These Grounds in the 2nd diagram 109, 110 all go to the PCM, there is 5 there, all Black wires. If the rear coils wires are still there, then there is most likely going to be issues from that engine Junction Block (fuse block) to the PCM. The wiring in this vehicle is so different from the rear to the front of the engine.
The back 3 coils run through a bulk connector CC101 for the control wires and a single power wire. Whereas the front coils have no connectors at all in series.

The CC101 is supposed to be a 4pin connector that feeds power to the rear coils on Pin 1 Pink Wire and the other 3 pins are the control wires for those coils. Should be White, Black and Yellow wires.
The CC102 bulk connector feeds the rear injectors. So, you could even just unplug that CC101 and check for resistance from the pink wire, to each of the other 3 wires one at a time, and you should be measuring the resistance of each rear coil, instead of having to pull the intake, then if anything is missing, you'll know what wires you're chasing.
Jun 27, 2023 at 11:35 AM
Avatar
TIMOTHY WAYNE DAVIS
  • MEMBER
  • 24 POSTS
Sorry it to so long to reply. My dad is in the hospital again and I've been staying busy with him. He's 86 and he's in pretty bad shape. So sorry but I haven't had a lot of time. I did get the back coils firing it was C-101 causing problems I'm going to try and find another plug to replace it with. I went back through every wire that I had spliced. I put new connectors and shrink wrap on them. I broke a bolt off that goes through the plenum. I stopped there I'm going to fix the broken bolt today and I should be able to start it. Will let you know how it goes. Thanks
Jul 3, 2023 at 3:39 AM
Avatar
AL514
  • CAR REPAIR CONTRIBUTOR
  • 5,491 POSTS
Okay, no worries, so sorry to hear about your father, I lost mine at the end of 09, so I understand how it goes, I hope he gets better.
As for C101, was the connector corroded inside or pin fitment issue? I'm really looking forward to hearing the vehicle started. It's been a tough diag when those little rodents are hungry. Of course, service info did not make things any easier, I have no idea why they would make all the wires the same color. Engineers think nothing ever goes wrong, I guess. But let me know how things make out, and if you need any more help. Take your time too, we're not going anywhere.
Jul 3, 2023 at 9:03 AM
Avatar
TIMOTHY WAYNE DAVIS
  • MEMBER
  • 24 POSTS
Well, I finally got a little time where I could concentrate solely on the sonata. As luck would have it poured here for last 2 days, so I didn't get a lot accomplished. I did get it all put back together but it won't start. It sounds like it's trying but it's just not happening. I'm for sure all the coils are firing. Is it possible that I messed something else up? When I was checking for spark #6 coil got really hot really fast. Too hot to touch. I turned the car over it didn't start got out to check # 19 fuse it was fine. I left the key on for a total of maybe 30 seconds and I actually saw a little smoke come off oof it. I put in a different coil so far it still won't crank but the new coil isn't getting hot. I did get my code checker to work on the car. As you can imagine it had so many codes but the maulin one that was on it several times was the throttle positioning sensor. I cleared the ecu and that's when the rain came. The green control wires are actually brown and green. It has a shielded cable. I didn't connect the shielded wire to anything, I just trimmed it off before splicing it to the coil. I actually had some of the shielded wire inside the connector on #6 coil, so I think that shorted it the oxygen sensor fuse is not blowing any longer and they are all plugged in. And yes, C101.
Jul 4, 2023 at 10:55 PM
Avatar
TIMOTHY WAYNE DAVIS
  • MEMBER
  • 24 POSTS
C101 and the other I guess it would be C102 need to be replaced. They were both involved with the rat she built her nest right those connections. She did chew them up completely but she damaged ctt101. That it wouldn't snap together and lock like it's supposed to. That is the long way to say it's a fitment issue. However, it's working now that I taped it. I'm going to check all the coils again in the morning. The only other thing that could be causing a problem is the 2 camshaft positioning sensors. They were involved also in rat damage. I'm not going to say I'm positive that the wires are going to the right sensor but I'm pretty darn sure they are. I'm going to look at it again, but I think the wires are the same color on both. Thanks again sorry to be long winded I'm just trying to tell you everything that I know even if it's not important Thanks again.
Jul 4, 2023 at 11:25 PM
Avatar
AL514
  • CAR REPAIR CONTRIBUTOR
  • 5,491 POSTS
Okay, since we are obviously seeing the rodent did more damage than we first thought, if you can't get a used wiring harness or sections of it anywhere local, you can cut out those connectors and bypass them by just going wire by wire with heat shrink connectors. I will look up the cam and crank sensor wiring diagrams, so you have them. We are also going to have to find something you can put in the engine compartment to keep these critters out, or this will happen again. Do you have enough wire left from C101 and 102 that you can cut and bypass the connectors, I don't think the tape holding them together will last long enough.
Maybe at the beginning of this, we should have had you buy a whole used engine harness. I'll pull up the other diagrams though. Can you think of any other diagrams you might need?
Jul 5, 2023 at 7:10 AM
Avatar
AL514
  • CAR REPAIR CONTRIBUTOR
  • 5,491 POSTS
There are also wires going to the oil control valves on each cylinder head that are for controlling the variable valve timing, and of course on both cylinder heads they are a pink wire and a white wire, on the left cylinder head, which I believe is the front head, the white wire changes over to blue at Connector CC103, all 4 wires for the VVT control valves run through the CC103, I found CC103, the C105-1,2 connectors are right at each cam sensor.
Jul 5, 2023 at 9:31 AM
Avatar
TIMOTHY WAYNE DAVIS
  • MEMBER
  • 24 POSTS
I just don't have a clue I've checked and rechecked all the wiring, but it just will not start. It's getting fuel, all the coils have fire, is there anything else that would keep it from starting? I'm stuck.
Jul 9, 2023 at 8:16 PM
Avatar
AL514
  • CAR REPAIR CONTRIBUTOR
  • 5,491 POSTS
Every fuse has power on both sides, none are blown. Do you have a scan tool to check for codes? And is the Check Engine light coming on when you turn the key on for a few seconds, I've probably asked you that already. Just have so many vehicles at once right now.
If the spark plugs are coming out wet with fuel, and you're getting spark to each coil, then the timing of the injectors and coils would be my concern, with the way they colored these coils and injector wires, I'd be concerned that they are firing possibly at the wrong time. It takes fuel, spark and compression to make an engine run. You seem to have all those, and it's not even trying to start.

I looked back over your posts and 5 posts up where you were mentioning Fuse 19 and that #6 coil getting hot, you said you saw a puff of smoke. Where was that coming from? Fuse 19 or the #6 coil. I'm wondering if that burnt something inside the PCM. The #6 coil control wire pins out of the PCM right next to the Cam sensor pins as well as the TPS power feed. Scan it again for codes and let me see all of them. These coils don't have any protection from a short circuit, if a coil was getting that hot, that means there was a lot of current flow. You said you spliced the shield wire to the coil wire? The shield wire is meant to just cover over the ignition coil wire, not be connected to it in any way at all. It's a shield wire that runs directly to ground through a PCM pin ground. It's only for Radio Frequency interference from the ignition coils so they don't feed back into other sensor signals, which might be why the coil got so hot, there was current flow running directly to ground through the PCM. Was the shielded wire spliced into the coil control wire or power feed to the coil? But even if the #6 coil driver is burned out, the car should still start,
Now if the black shield wire is in any way spliced into anything, any coils, or injectors, that will cause and issue with the crank and cam sensors, those sensors use the same black shield wire over them to prevent interference from the ignition coils or injectors. Mostly the coils, if the coils are firing and any high voltage spikes are running through that shielded wire, it will absolutely interfere with the crankshaft or camshaft position signal. The 2nd diagram is my crude illustration of interference on a crankshaft position sensor signal from an ignition coil. Again, sorry for the long post.
Jul 9, 2023 at 10:55 PM
Avatar
AL514
  • CAR REPAIR CONTRIBUTOR
  • 5,491 POSTS
If you want, you can send me the PCM and I can check the internal circuit board for any short or burned traces, If the #6 coil driver is burned out, I have mosfets that I can swap over on the board and solder any burned circuit traces. Considering how much work and time you have put into this already, I would have no problem taking a look at the PCM and repairing it for you if possible. And you can go through the wiring while I have the computer. I work with transistors and mosfets on all my other projects and circuit board builds. Just leave your email here, and I'll email you my info.
Jul 11, 2023 at 5:18 PM
Avatar
TIMOTHY WAYNE DAVIS
  • MEMBER
  • 24 POSTS
Been taking care of family matters sorry that I haven't responded. It would be appreciated if you could take a look at PCM. Will be sitting to hear from you.
Jul 29, 2023 at 7:28 AM
Avatar
AL514
  • CAR REPAIR CONTRIBUTOR
  • 5,491 POSTS
Sure, I'd be happy to take a look at it for you. I know this whole experience has been very frustrating. Just leave your email address and Ill contact you with a mailing address you can send it to. If the circuit board is burned up, I'll let you know right away.
Jul 29, 2023 at 9:38 AM
Repair Safety Notice: This information is for general instructional purposes only. Vehicle repair can be dangerous. Verify all information, follow manufacturer service procedures, use proper tools and safety equipment, and consult a qualified repair shop when needed.