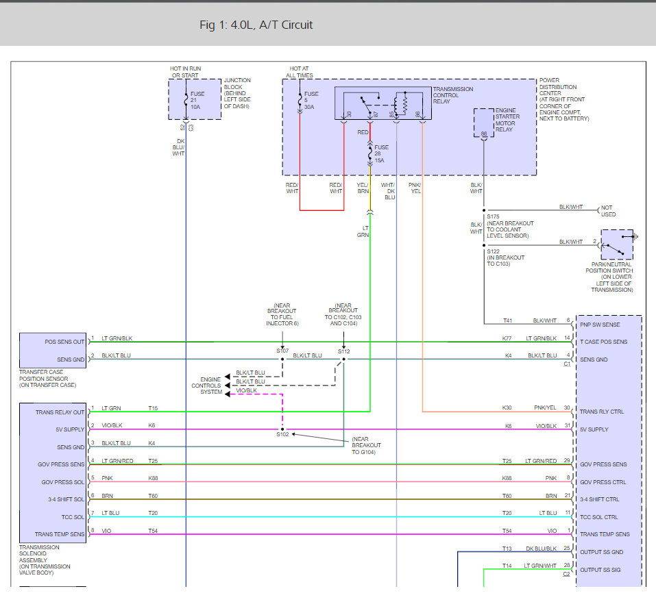
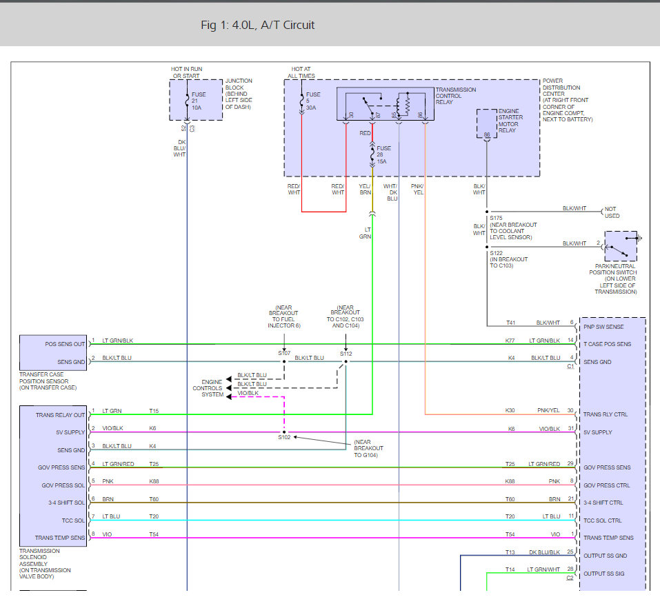
Okay, 2015 same code replaced both transducer and gov press had ECM put in to. 2017 code and shifting after you stop at light in wrong gear. Anyways replaced. Code came back took to professional biggest mistake. The cut a wire used but connector ran over exhaust still code remains. So we fixed wire properly with solder and shrink tube etc. Now sensors changed three times. Still when after driving for thirty minutes plus code and shifting issues return. Sent ECM in repaired and code returned. I suggest to husband to replace the solenoids that are in proximity to sensors in transmission . Hopefully tonight we see if fixes. my question to you is if it does not is there a specific relay that might be causing after heating up the shift and code to come on? Lastly let me say if i manually go first second then drive it works fine.
Thank you in advance. appears all of these vehicles have same transmission and ECM problems as our old 1998 must have had at the least five ECM's installed in it.
Thank you in advance. appears all of these vehicles have same transmission and ECM problems as our old 1998 must have had at the least five ECM's installed in it.
Aug 7, 2017 at 12:03 PM










