Friday, June 2nd, 2023 AT 9:24 PM
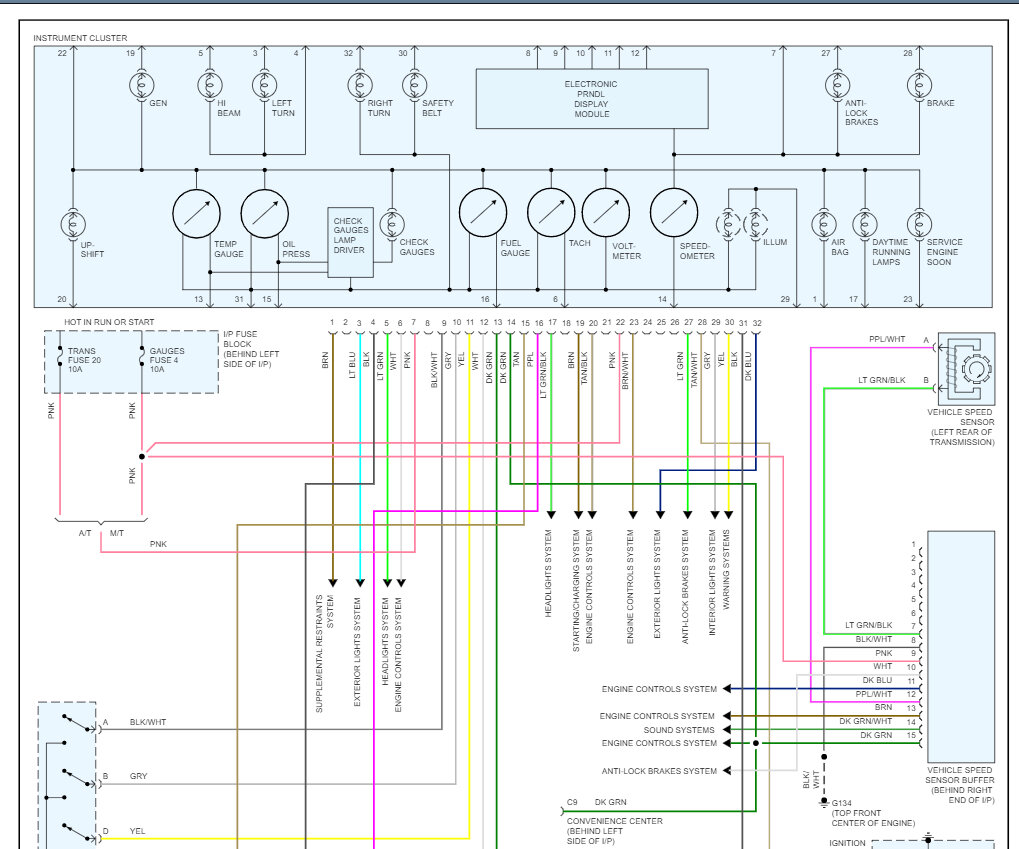
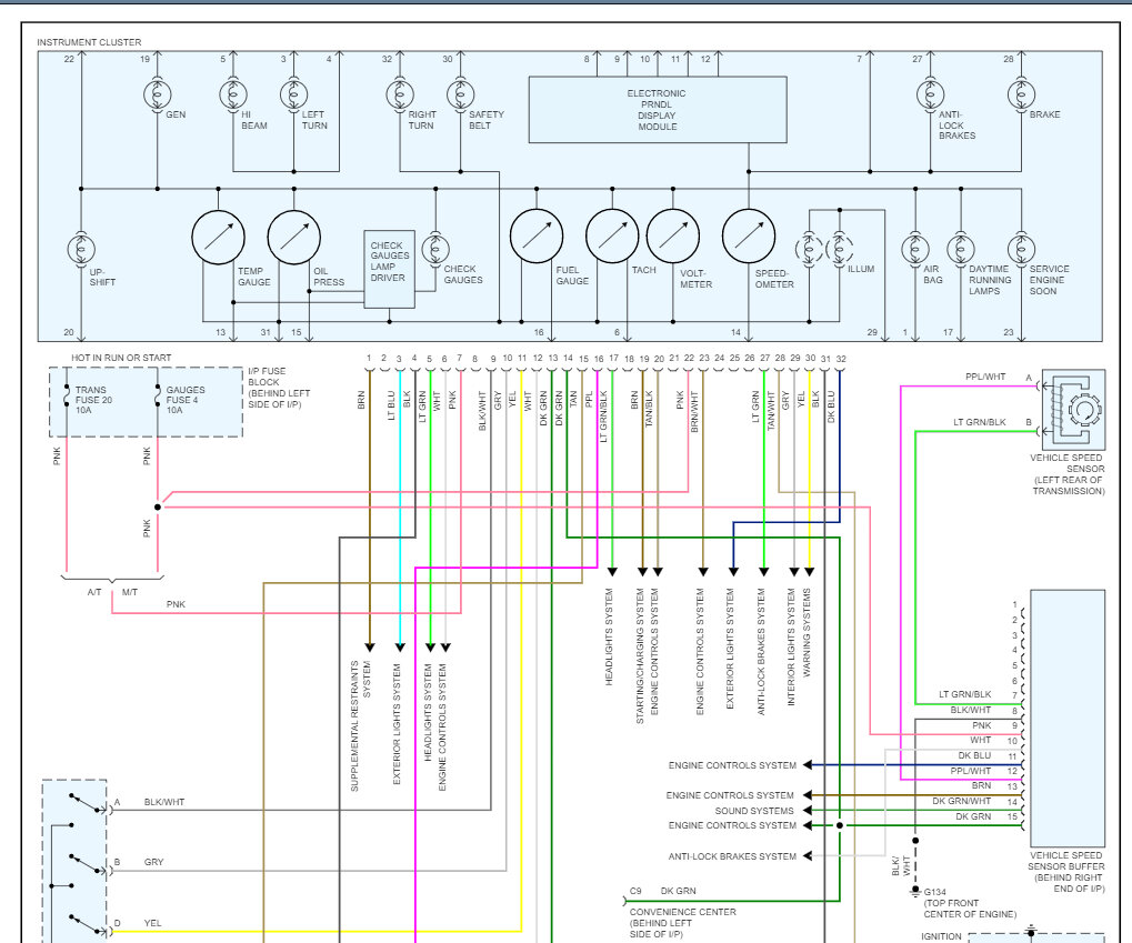
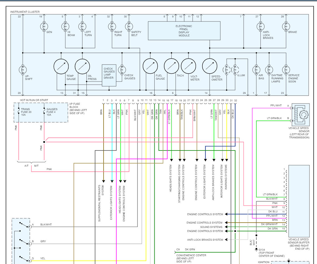
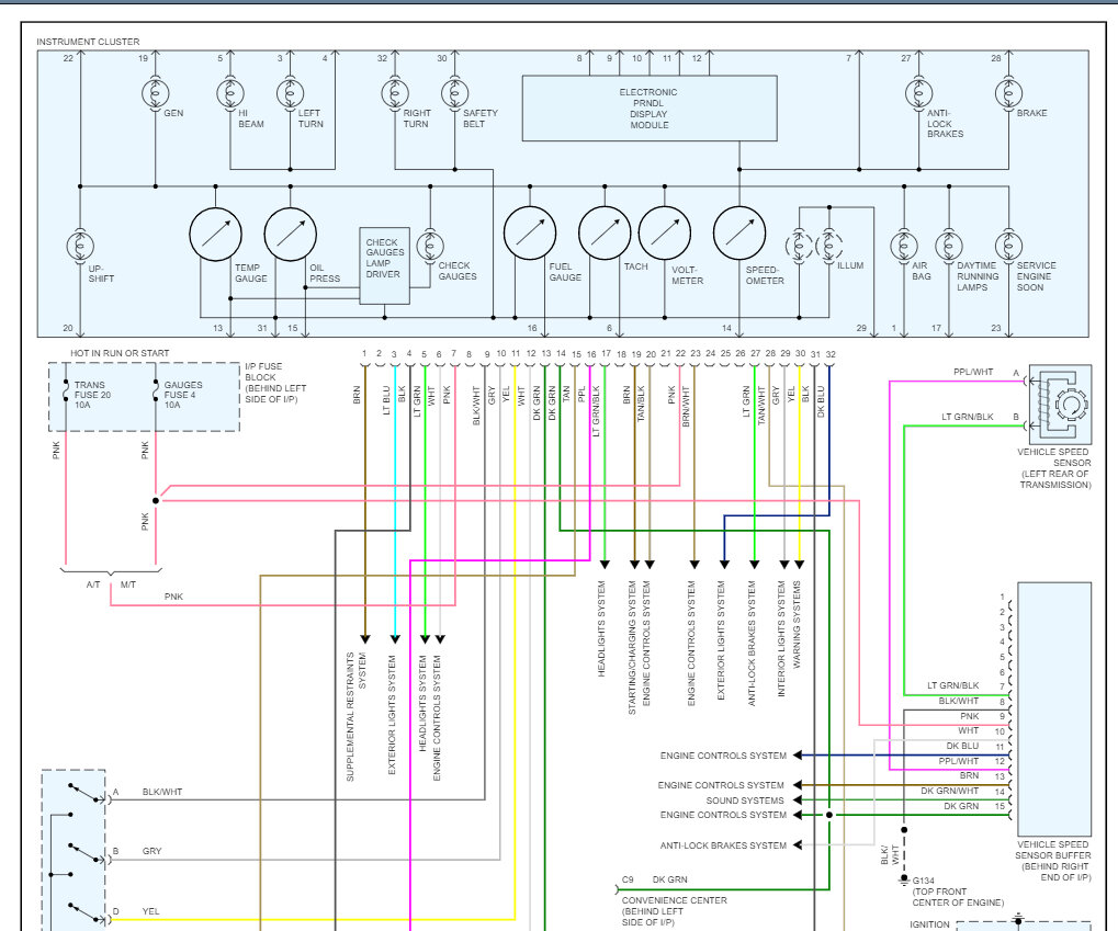
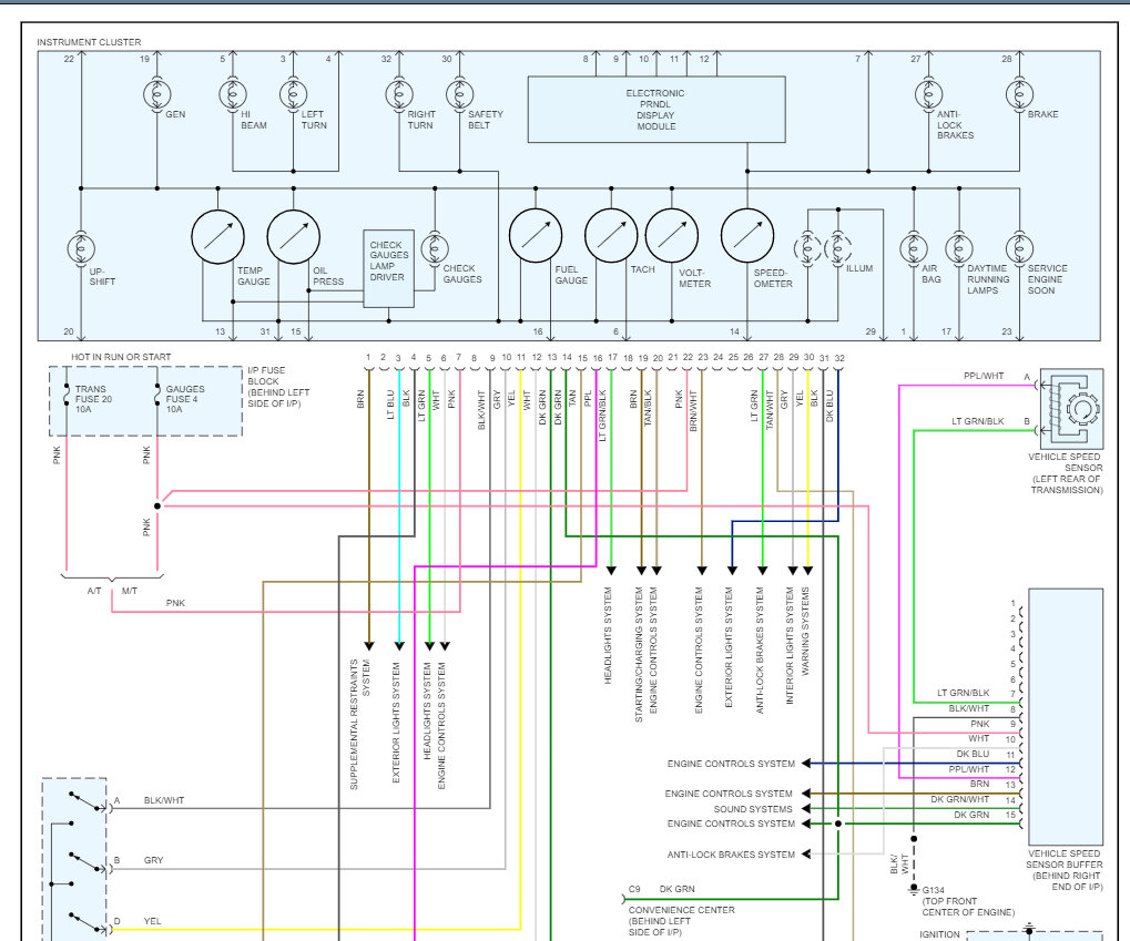
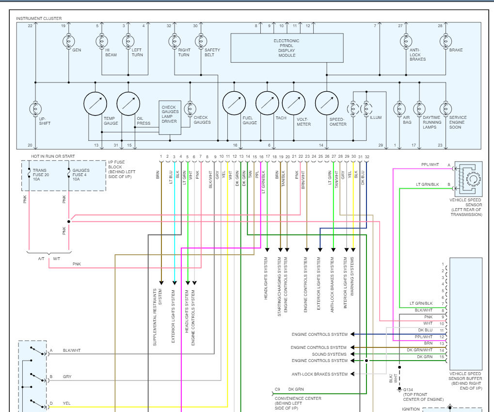
I recently got my dashboard replaced the plastic on top and a few days later my speedometer and rpms stopped working the other ones work like my gas, temperature, and battery gauge work but just two don’t I tested a bunch of things the VSS, BSS, fuses, relay, check the wires for corrosion and everything else people recommend on forums. Is there anything I could be missing?





