Monday, June 13th, 2022 AT 1:13 PM
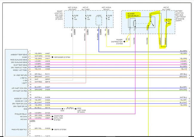
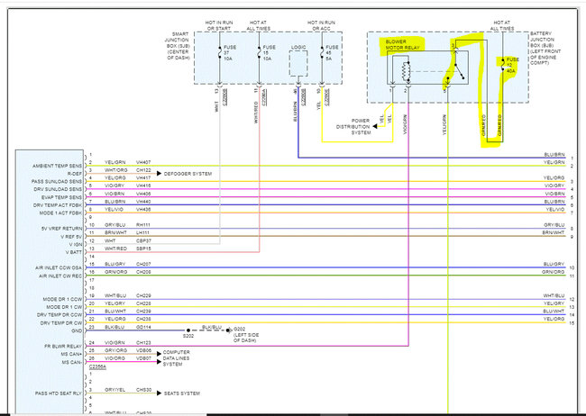
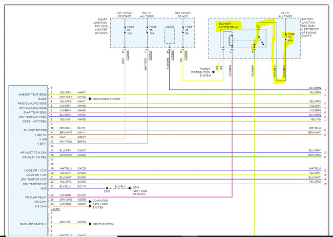
I am having an ongoing issue with climate control in my vehicle listed above Limited model. I cannot turn off the climate control system and the fan is stuck on high speed. When the power button is depressed the on/off light indicator will turn on and off, but the system remains on and the blower remains on high speed. I am able to operate the A/C and heat, change modes (defrost; face; feet) and the blend door functions normally when the temperature control is manipulated. I’ve verified with an ohmmeter that the two 10-amp fuses are good, and I’ve switched out the 40-amp fuse and the Climate Control Relay with no change. I bought and replaced the HVAC blower motor resistor module with no change. The cabin air intake is clean and clear of debris, and I installed a new cabin air filter. Any help would be greatly appreciated. The constant high speed blower noise is aggravatingly loud. Thank you for your time and consideration.






