Saturday, July 16th, 2011 AT 12:37 AM
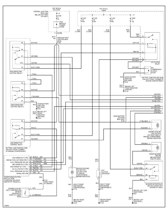
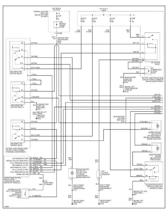
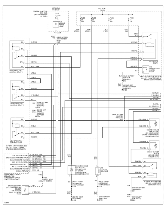
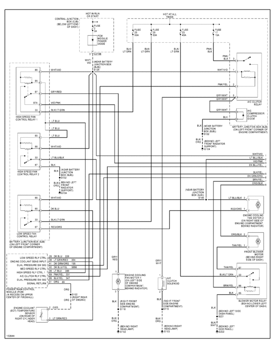
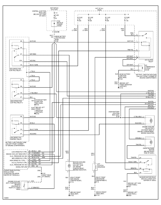
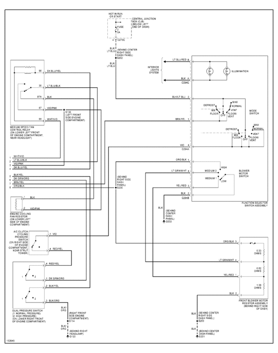
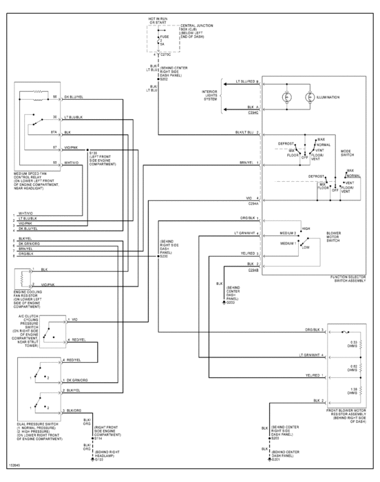
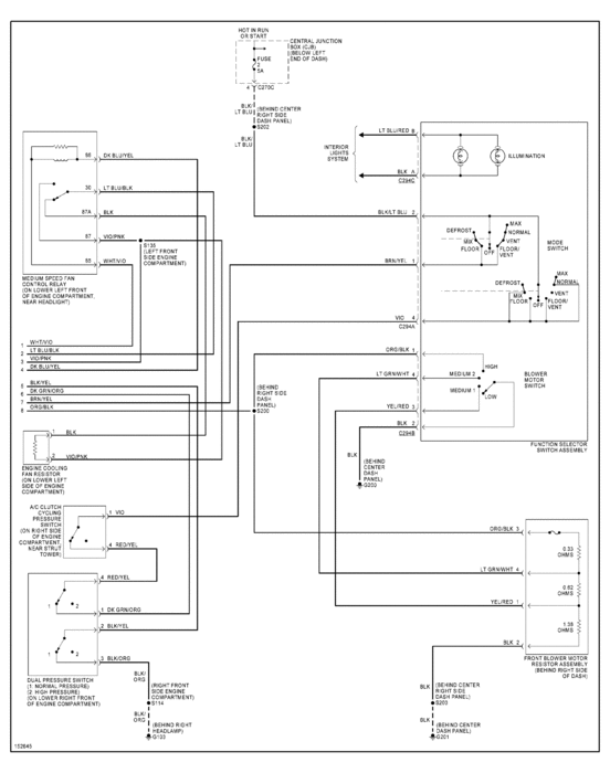
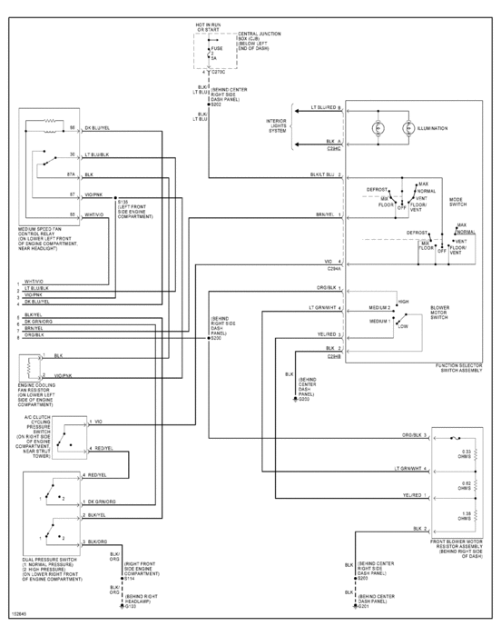
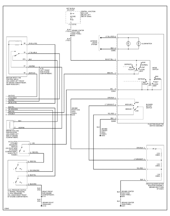
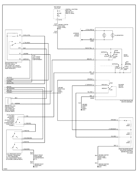
I have a loose wire connection that turns on my a/c compressor. I have no idea where the other end is. Can someone post a pic of how the wires are in a 2002 Ford Escape V6? Thanks!



