Climate control not working?

Tiny
MICHAEL L.
  • MEMBER
  • 2008 LEXUS ES 350
  • 6 CYL
  • 87,000 MILES
The A/C climate control isn't working. I have checked all the fuses but haven't seen anyone that has gone bad.
I will need a full diagram of the climate control wiring schematic, I hope anyone helps me out please.
Thursday, November 24th, 2022 AT 11:40 PM

3 Replies

Tiny
STEVE W.
  • MECHANIC
  • 15,701 POSTS
Does it power on at all? There are a few fuses to check, grab a test light and check to see if you have power on both sides of the fuses just to be sure there is power to the fuses.

https://www.2carpros.com/articles/how-to-check-a-car-fuse

Check the 10-amp AC2, 7.5-amp AC, 15-amp AC control, 7.5-amp ECU ACC
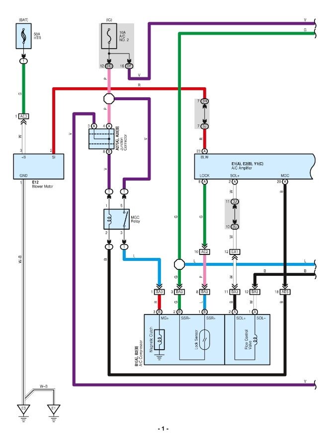
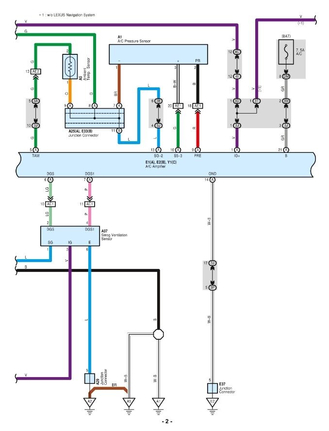
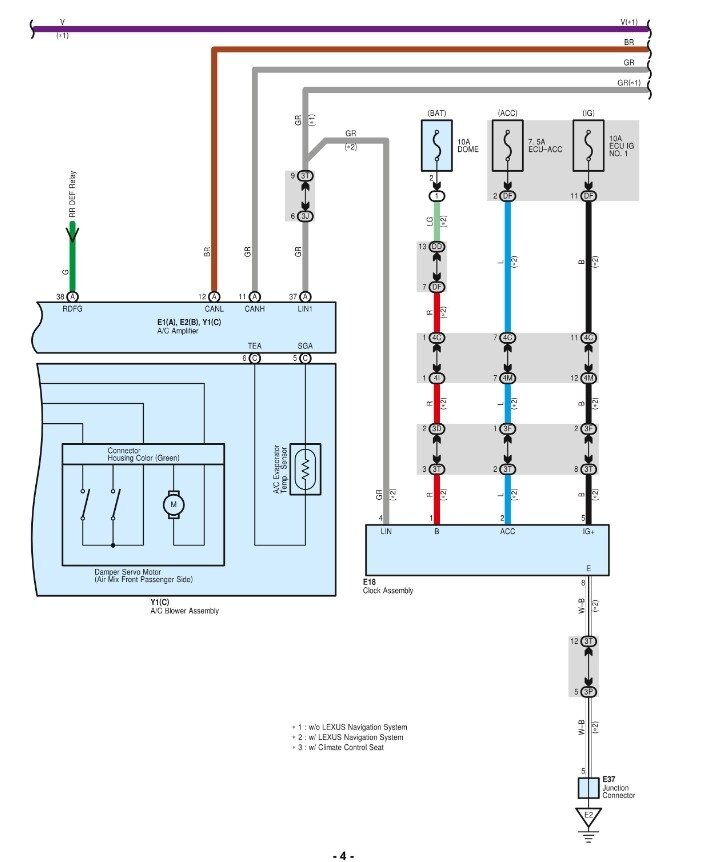
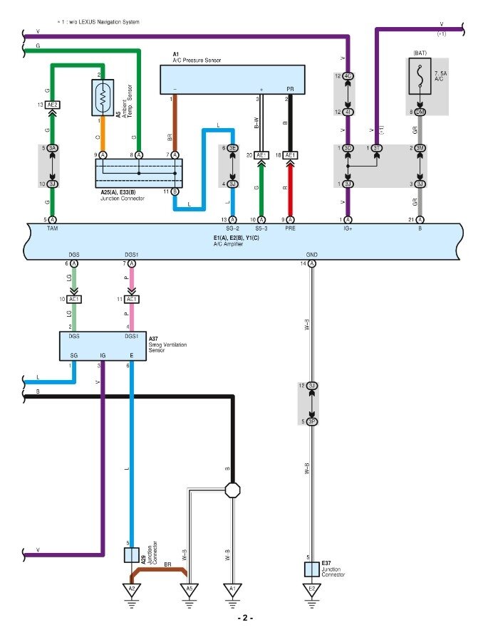
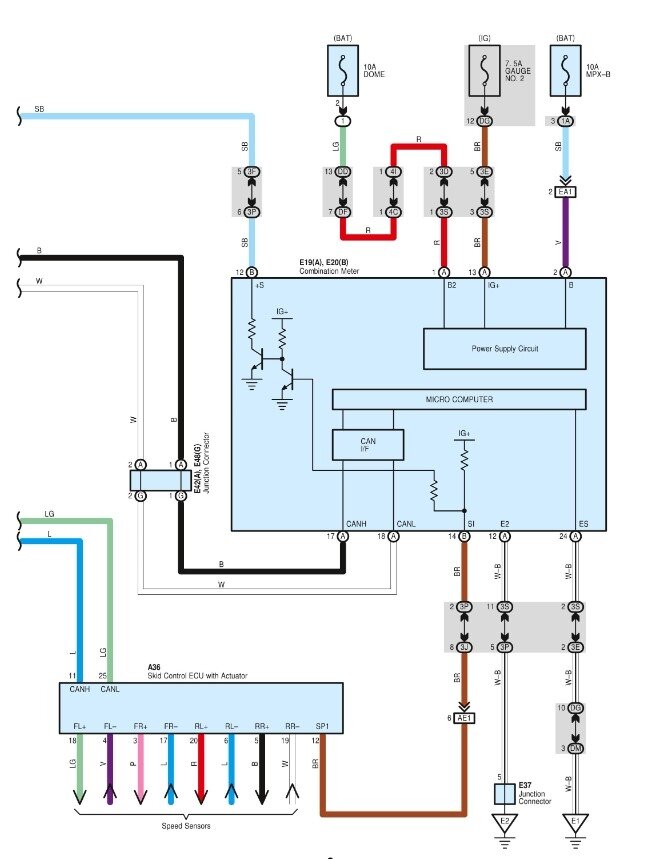
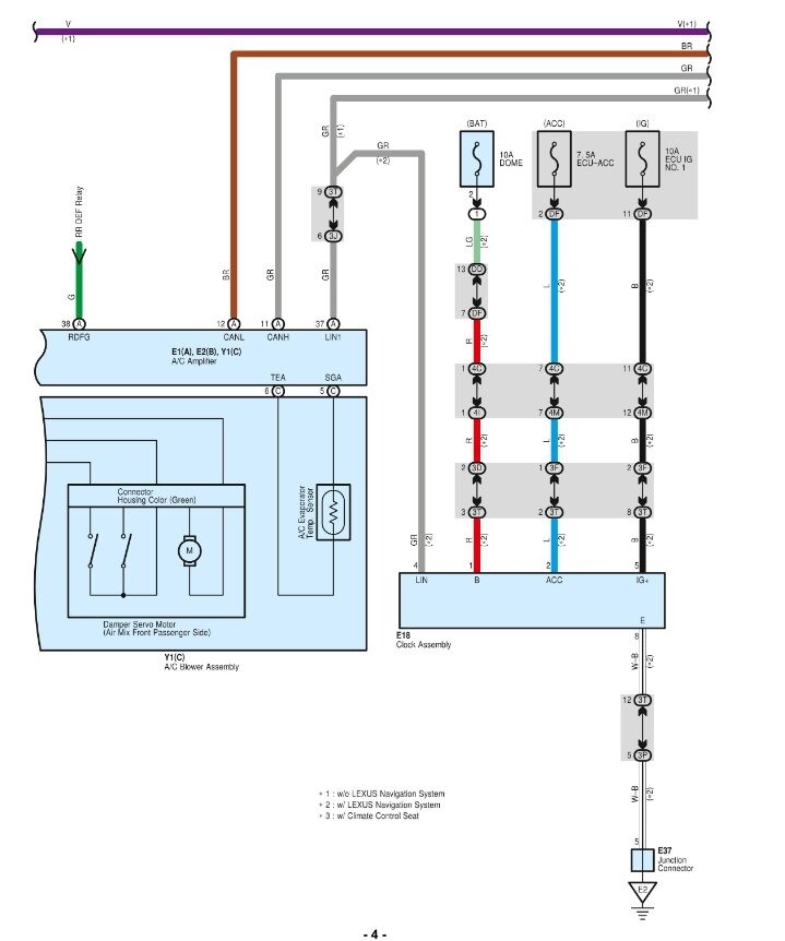
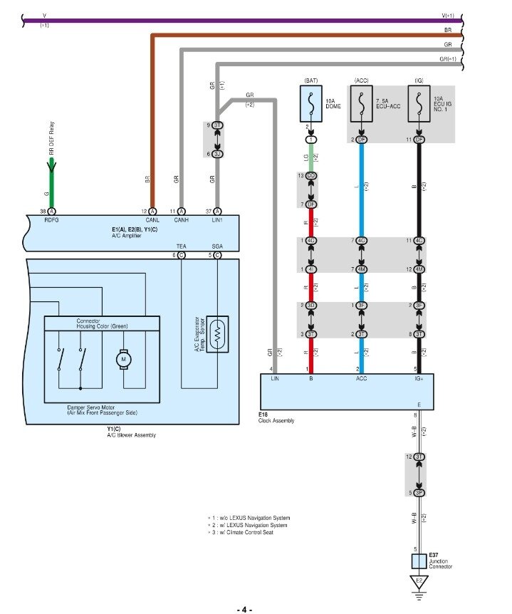
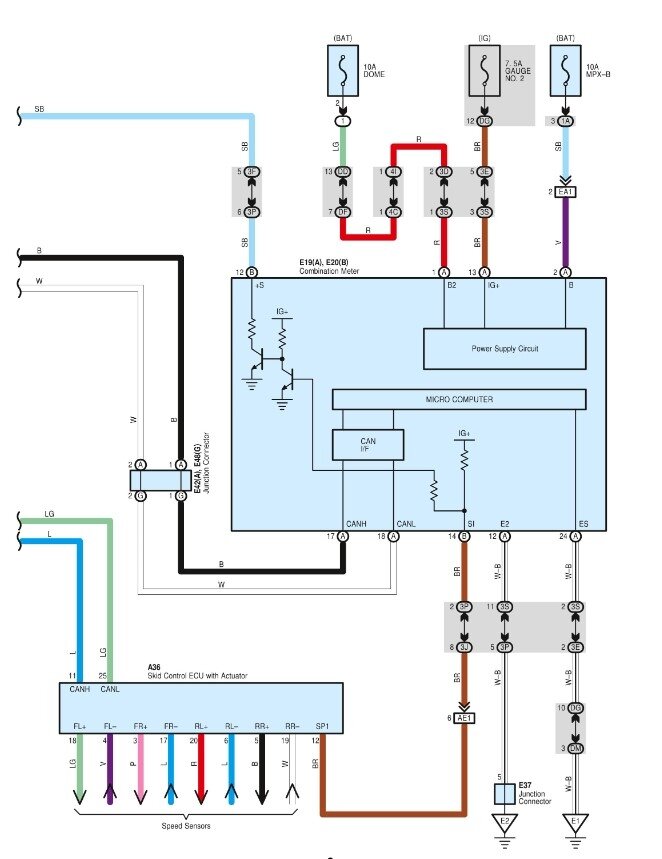
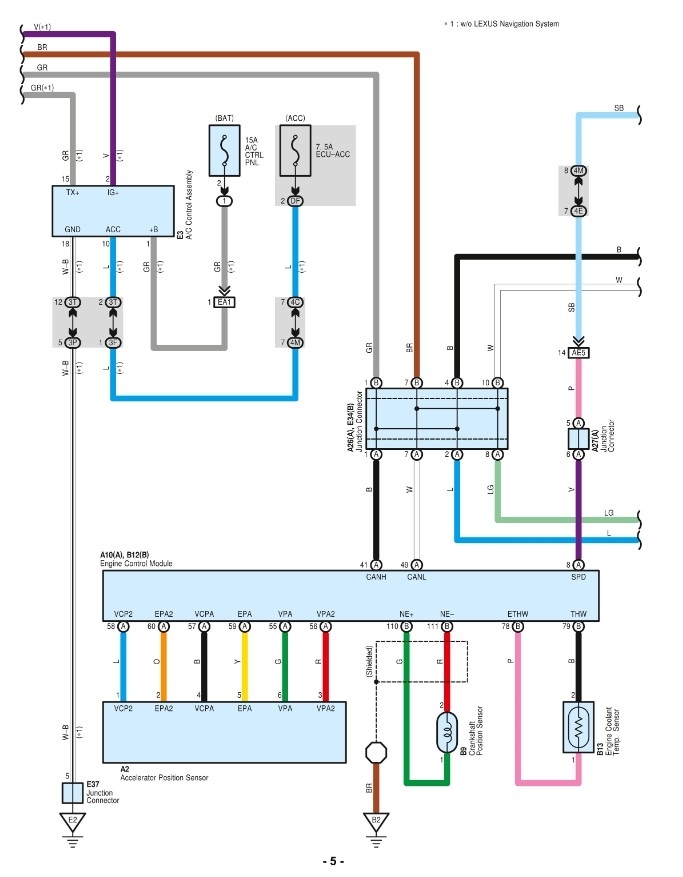
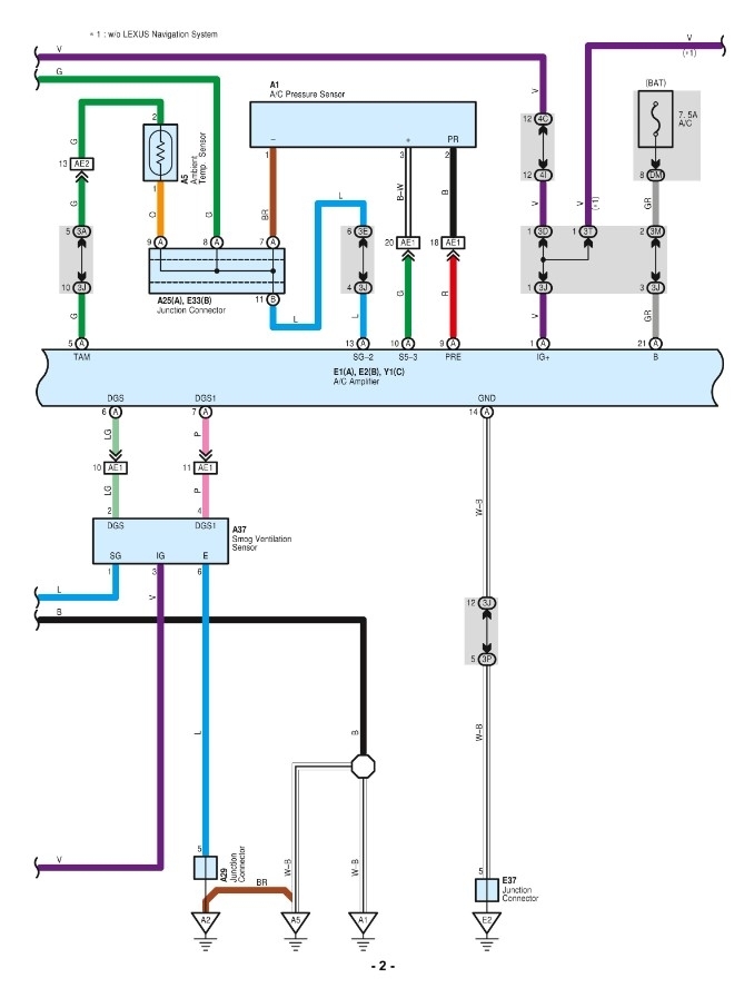
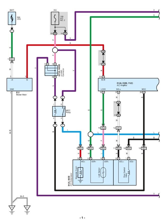
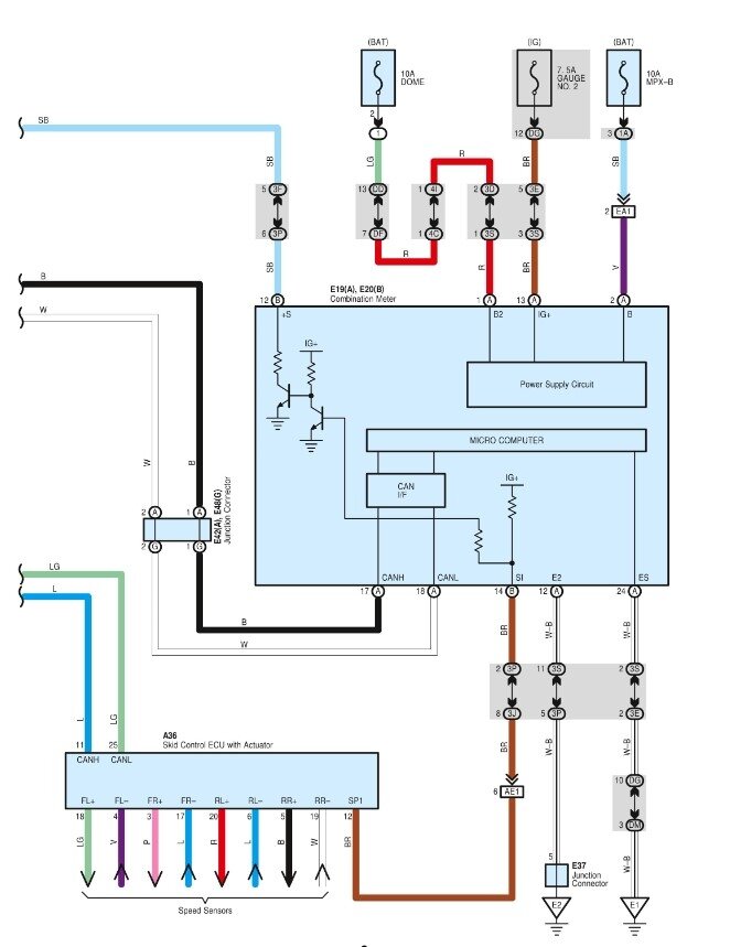
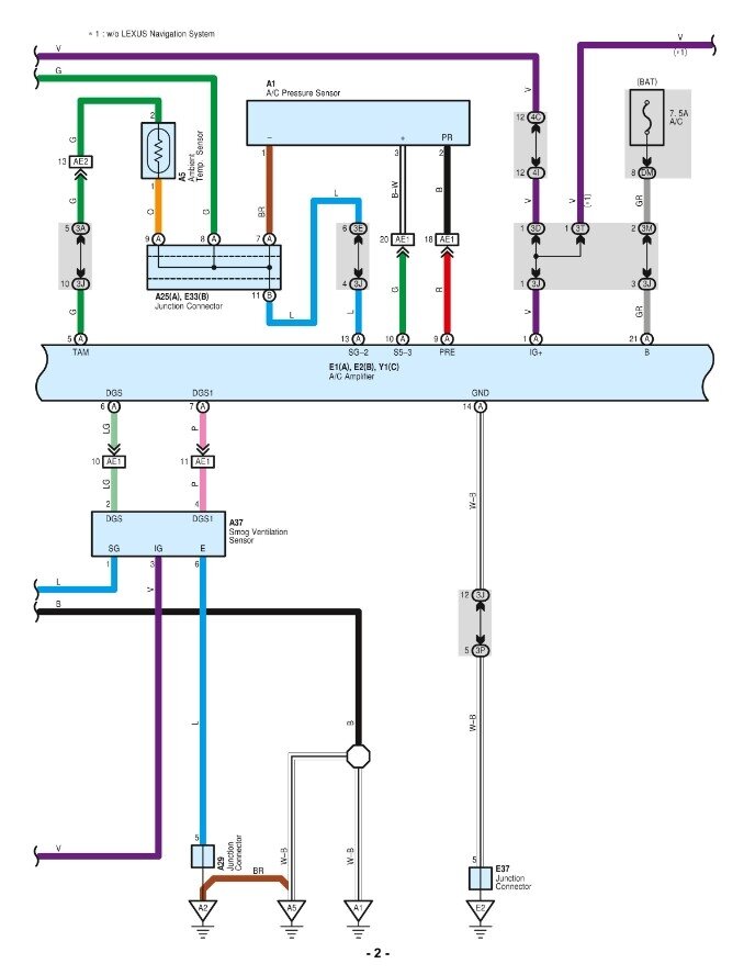
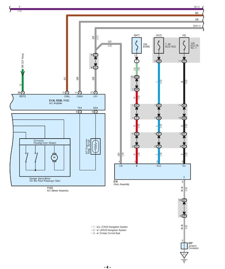
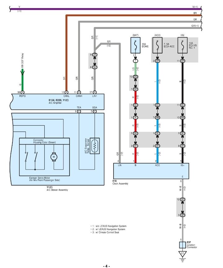
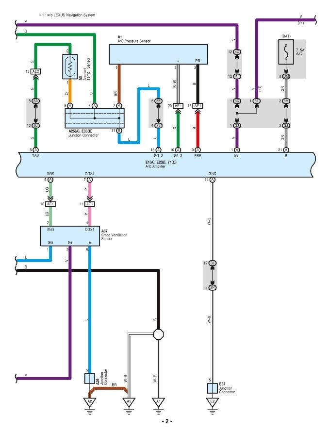
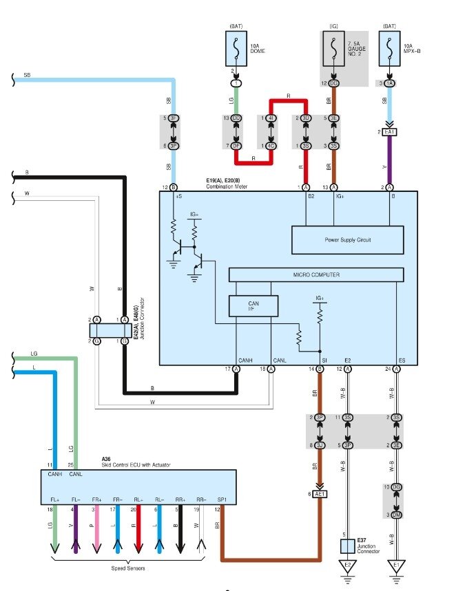
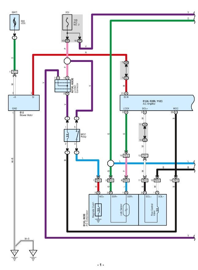
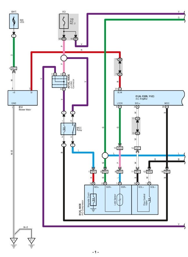
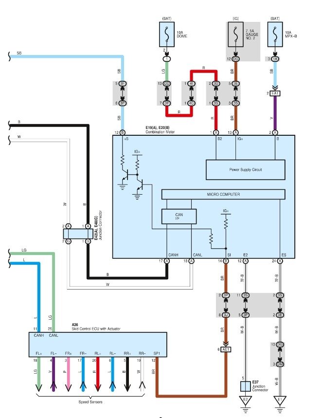
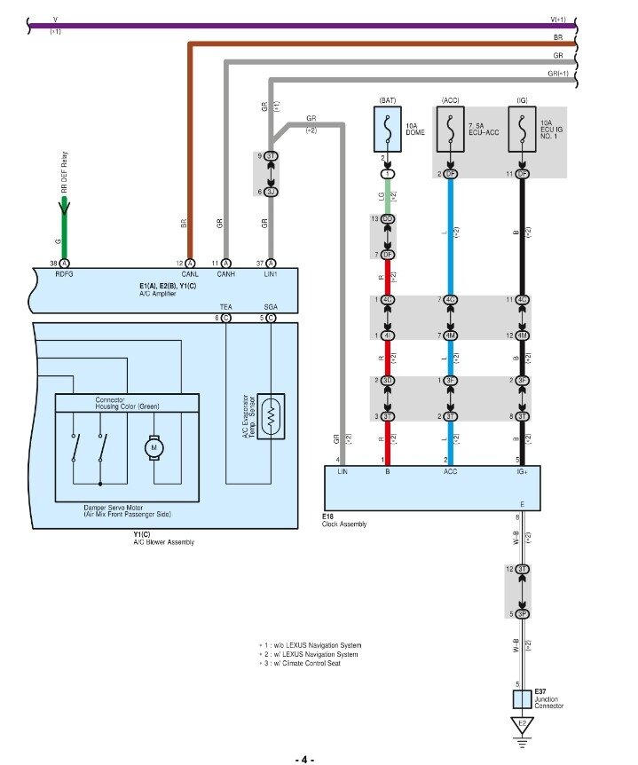
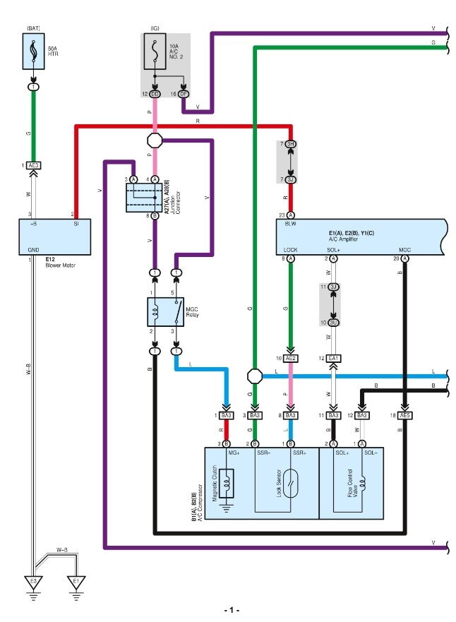
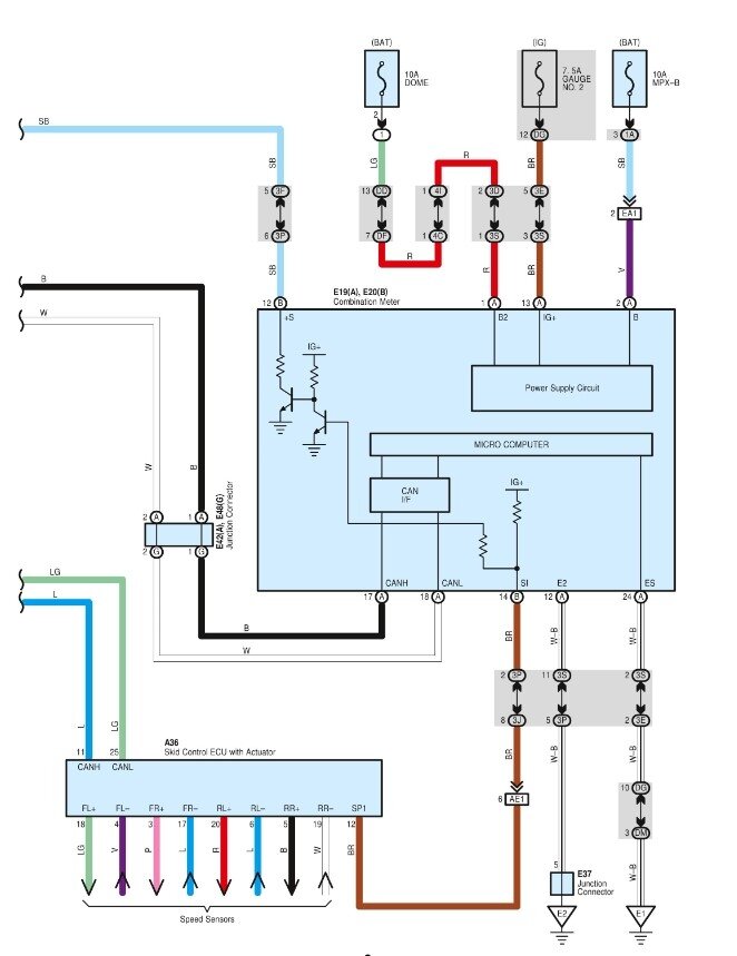
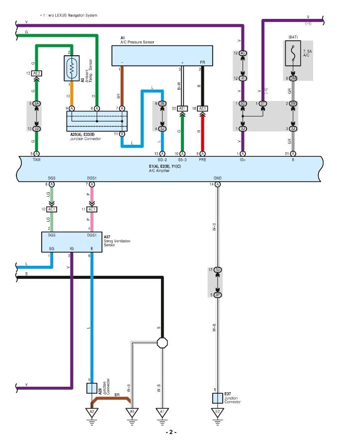
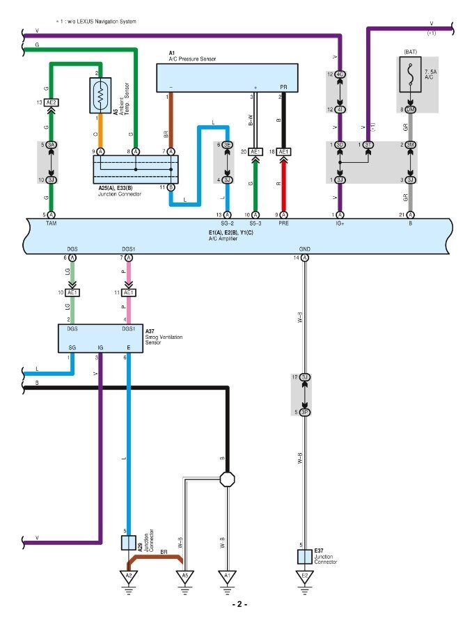
If those fuses all have power on both sides but still no power or control action, you will want to pull the control head out so that you can get to the powers and ground on the back. As a start here are the wiring diagrams.
Was this
answer
helpful?
Yes
No
+1
Friday, November 25th, 2022 AT 6:01 AM
Tiny
MICHAEL L.
  • MEMBER
  • 2 POSTS
Thanks, I have checked all fuses as instructed there are okay, the image IS blurred I can't see it all clearly, I wish you can make it in pdf FILE, thanks for the assistance.
Was this
answer
helpful?
Yes
No
Friday, November 25th, 2022 AT 1:35 PM
Tiny
STEVE W.
  • MECHANIC
  • 15,701 POSTS
Pdf isn't allowed on here unfortunately. The pictures are clear on my end, do the thumbnails open when you tap them, they should open to full page images.
Was this
answer
helpful?
Yes
No
Friday, November 25th, 2022 AT 1:56 PM

Please login or register to post a reply.