When I turn the heat or the A/C on nothing comes out?

Tiny
LEVY36ER
  • MEMBER
  • 2009 CHEVROLET AVALANCHE
  • 5.3L
  • V8
  • 4WD
  • AUTOMATIC
  • 144,000 MILES
When I turn the heat or the A/C on nothing comes out. The resistors are good the fan motor is good, and all the fuses are good.
Thursday, November 10th, 2022 AT 1:52 PM

1 Reply

Tiny
KEN L
  • MASTER CERTIFIED MECHANIC
  • 55,488 POSTS
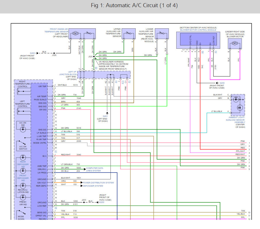
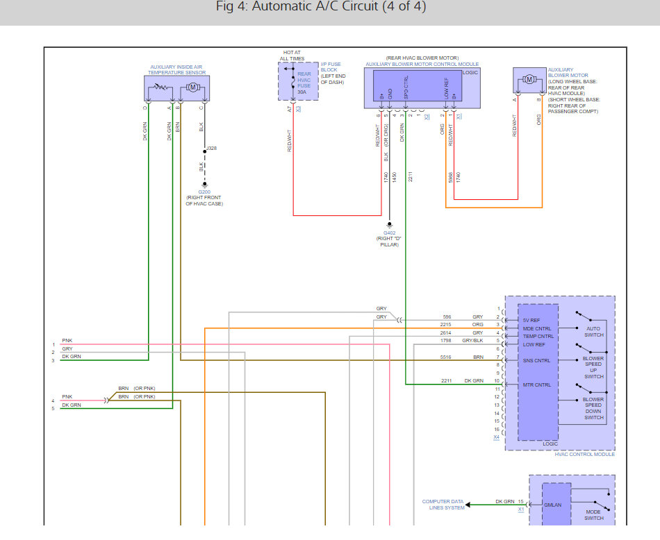
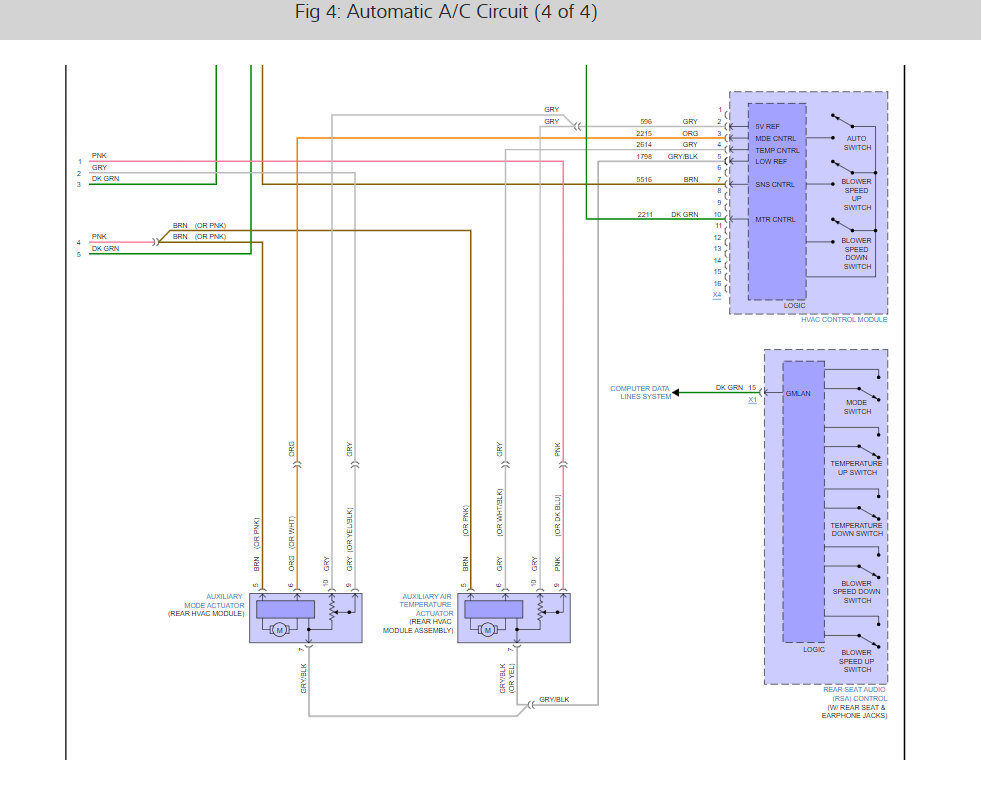
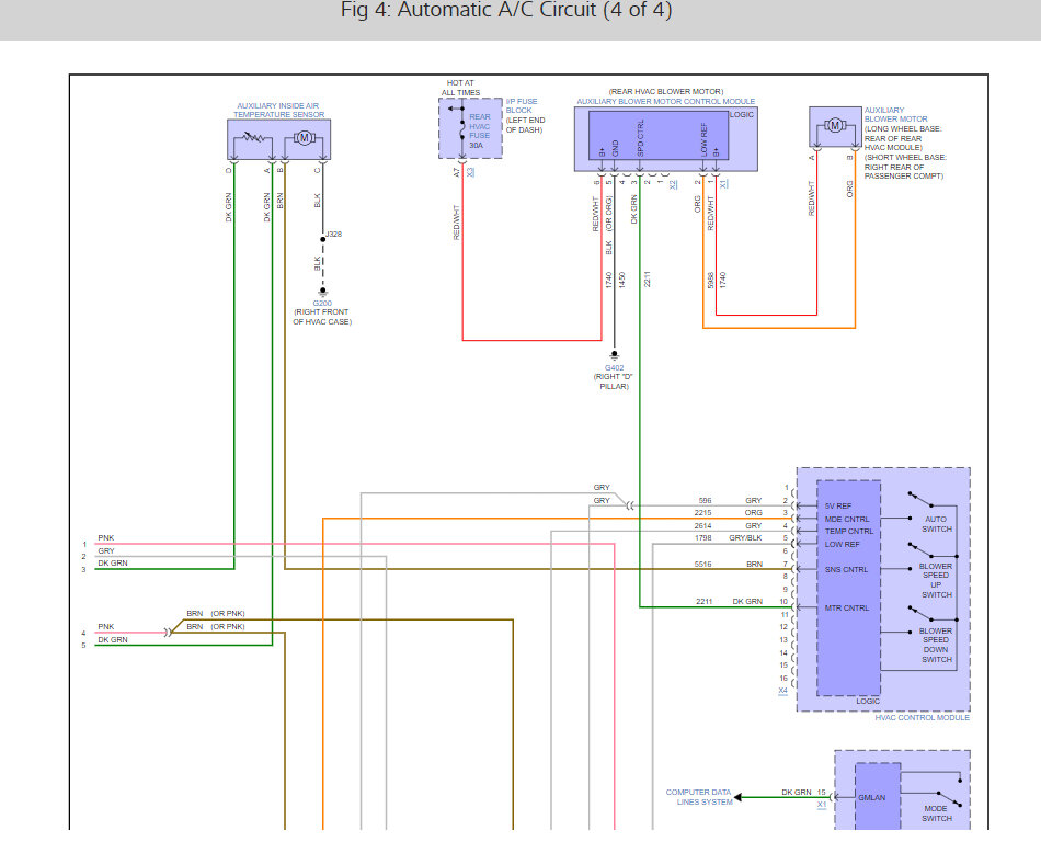
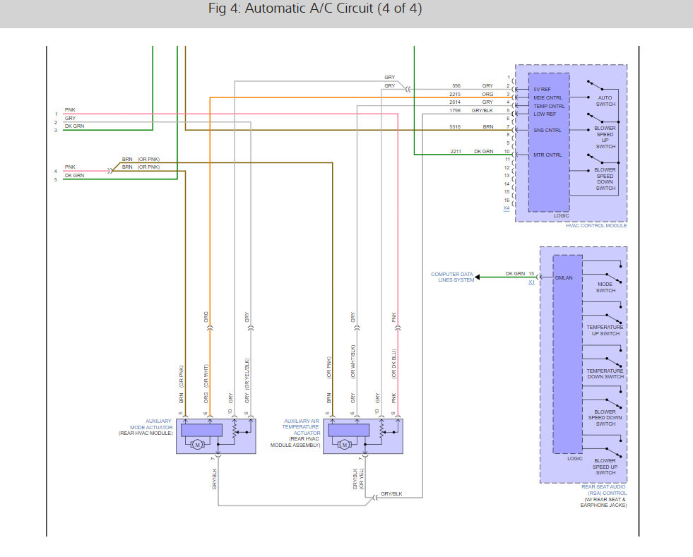
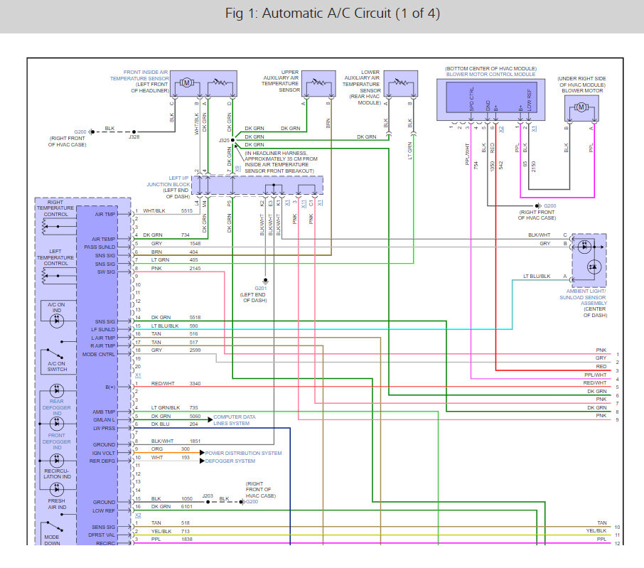
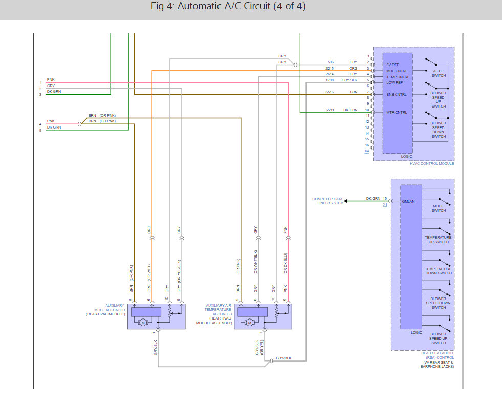
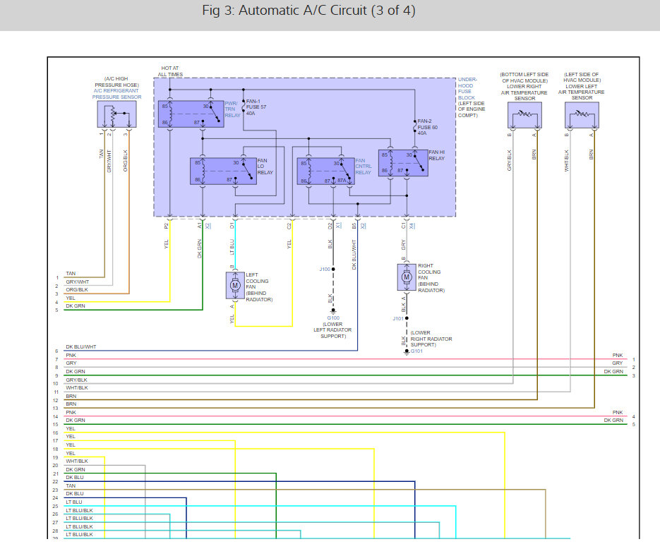
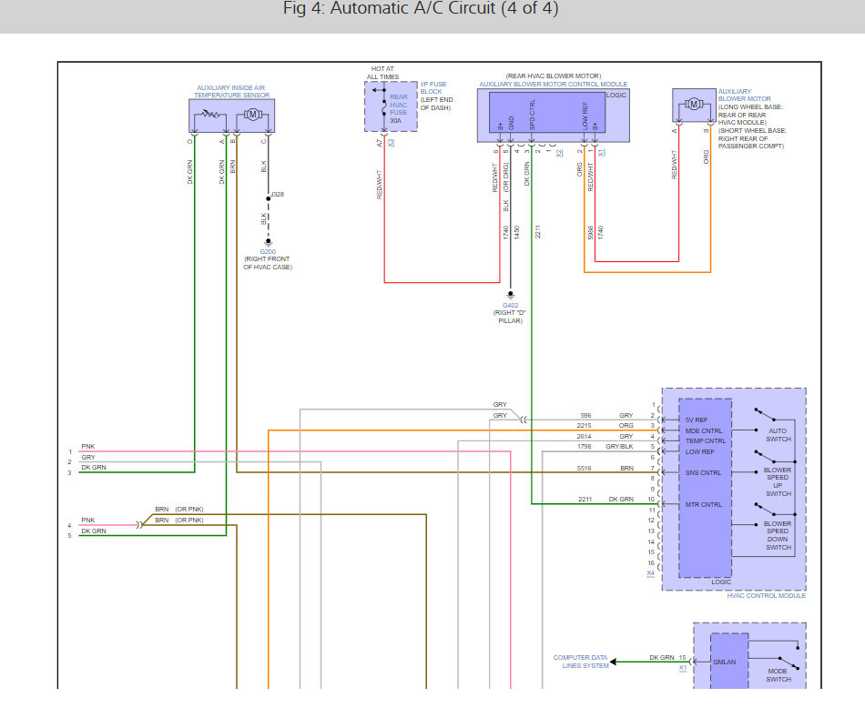
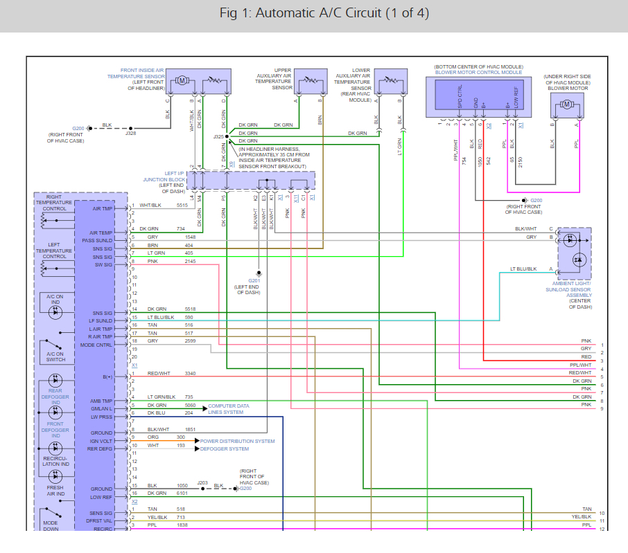
See if the red wire at the speed controller has power. This guide can help test the wire with the key on HVAC system on. Also, check the ground as well. here is guide that will help you with the test. I also gave you the HVAC and blower motor wiring diagrams so you can see how the system works.

https://www.2carpros.com/articles/how-to-use-a-test-light-circuit-tester

Check out the images (below). Please let us know what you find. We are interested to see what it is.
Was this
answer
helpful?
Yes
No
Friday, November 11th, 2022 AT 9:21 AM

Please login or register to post a reply.