Ventilation problem

Tiny
CROBERTS
  • MEMBER
  • 2002 CHEVROLET AVALANCHE
  • 5.3L
  • V8
  • 4WD
  • AUTOMATIC
Usually I have the AC running through the front (dash) vents. Now no matter where it is set at it always come through top of dash like it is on defrost. It still comes through the vents at the console at the back seat.

1) What could be causing this to not change location chosen on the selector knob, from defrost to front of dash etc?
2) Is there a actuator that is causing the problem and where would it be located?
3) Can I somehow manually set it under dash so it comes through the front vents?
Saturday, February 14th, 2015 AT 9:36 PM

22 Replies

Tiny
CARADIODOC
  • MECHANIC
  • 34,478 POSTS
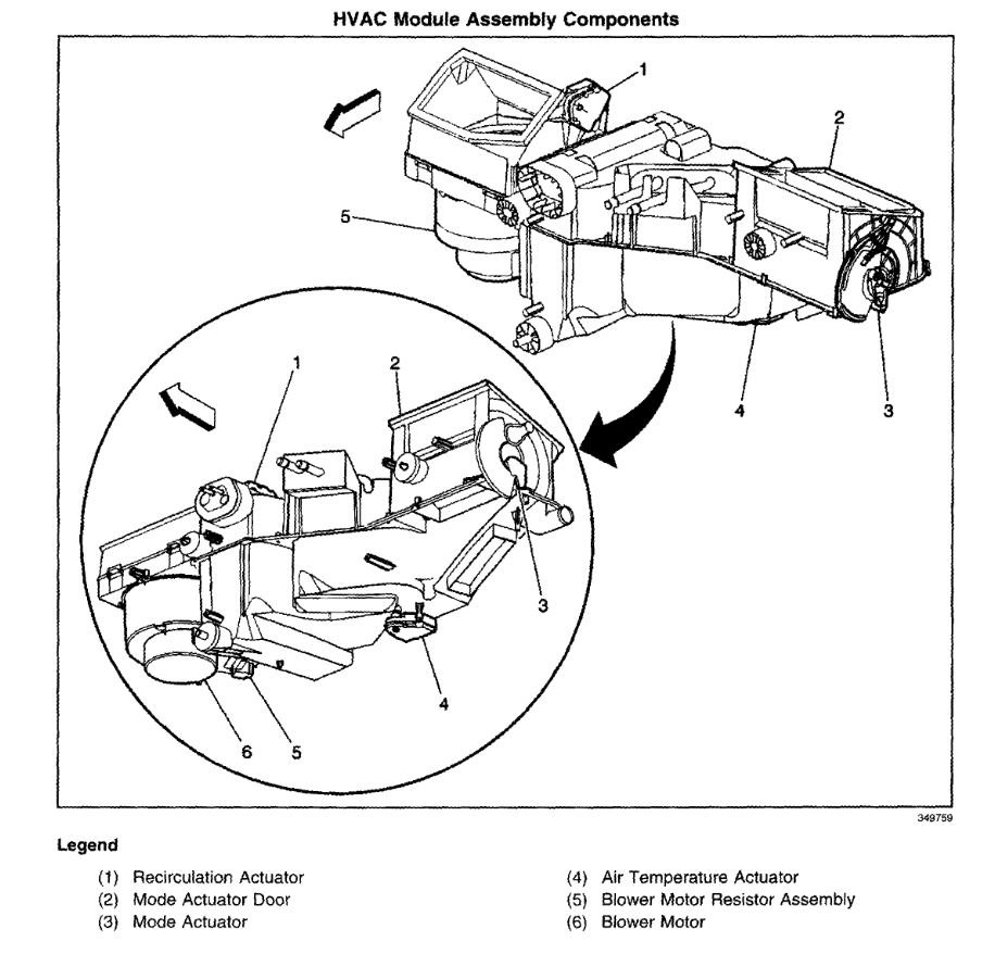
The most common cause is the mode doors are operated by electric motors (actuators) that go bad. Attached below is a guide for blend door actuator replacement.

https://www.2carpros.com/articles/replace-blend-door-motor

Here is a video of actuator replacement on a Silverado:

https://youtu.be/Eqf-H3COtSo

All of the locations and diagrams are attached below.
Was this
answer
helpful?
Yes
No
+3
Saturday, February 14th, 2015 AT 9:41 PM
Tiny
MRWEAL
  • MEMBER
  • 3 POSTS
  • 2002 CHEVROLET AVALANCHE
  • 5.3L
  • V8
  • 4WD
  • AUTOMATIC
  • 169,000 MILES
The air switches from the vents to the defrost and back again. It does this constantly only staying at each spot for three or four seconds.
Was this
answer
helpful?
Yes
No
-1
Monday, September 24th, 2018 AT 6:40 PM (Merged)
Tiny
WRENCHTECH
  • MECHANIC
  • 20,761 POSTS
The mode door control is an electric motor actuator that rarely act like that. You will have to examine the mode actuator during this problem to see if the motor is actually doing that or if there is broken or disconnected linkage there. The mode control will be on the left side of the HVAC housing.
Was this
answer
helpful?
Yes
No
+1
Monday, September 24th, 2018 AT 6:40 PM (Merged)
Tiny
MRWEAL
  • MEMBER
  • 3 POSTS
Thank you, actually the blend door actuator is under the glove box on the passenger side, but I thought that was just to adjust heat from cold. Is there another? Please see pictures.

Thank you again!
Was this
answer
helpful?
Yes
No
Monday, September 24th, 2018 AT 6:40 PM (Merged)
Tiny
WRENCHTECH
  • MECHANIC
  • 20,761 POSTS
Yes, you are right. The Blend door actuator is on that side but I never said anything about a blend door. I told you to check the mode door actuator. Which is on the left side.
Was this
answer
helpful?
Yes
No
Monday, September 24th, 2018 AT 6:40 PM (Merged)
Tiny
MRWEAL
  • MEMBER
  • 3 POSTS
Oh, okay awesome, I will check that now.
Was this
answer
helpful?
Yes
No
Monday, September 24th, 2018 AT 6:41 PM (Merged)
Tiny
RRRSEARSON
  • MEMBER
  • 1 POST
  • 2003 CHEVROLET AVALANCHE
  • 140,000 MILES
My battery died, so I replaced it. Once I did this, now when the A/C comes on, it blows normally for one to three seconds then will only blow the cool air through the defroster vents and floor vents. We have tried several ways to re-set it - turning off A/C, disconnecting the battery, re-starting the car and letting run for five minutes before turning on A/C again. Tried this at least five times. Took it to a local repair shop and they tried to re-set the computer, but it would not work. They have said we have to go to the dealership for them to hook it to a machine to re-set. Is there no other option?
Was this
answer
helpful?
Yes
No
Monday, September 24th, 2018 AT 6:41 PM (Merged)
Tiny
CARADIODOC
  • MECHANIC
  • 34,478 POSTS
GM has designed in a lot of "got'chas" to cost you money after the sale, and this may be one of them. Volkswagen, BMW, and GM have the most tricks built in that cause these problems after simply disconnecting the battery. Newer vehicles are often worse.

Expect to make a trip to the dealer, but first check the owner's manual, or the service manual if you have one, to see if there is a procedure to reprogram the computer. The only one I am familiar with was on the 1997 and 1998 Caravans and getting half of it to pass could be extremely frustrating. The procedure was initiated by pressing certain pairs of buttons on the control panel.
Was this
answer
helpful?
Yes
No
Monday, September 24th, 2018 AT 6:41 PM (Merged)
Tiny
WRENCHTECH
  • MECHANIC
  • 20,761 POSTS
GM, like almost all manufactures of late model cars, including Chrysler, uses an electric actuator to operate the mode doors and a central module to operate them and either can be bad or one of the air doors can be stuck. It will take someone very familiar with the system and some expensive diagnostic equipment to diagnose it properly.
Was this
answer
helpful?
Yes
No
+1
Monday, September 24th, 2018 AT 6:41 PM (Merged)
Tiny
GEORGEDUFFY
  • MEMBER
  • 1 POST
In my experience with ese problems a small vacuum leak somewhere will cause the AC system to default to the defroster.
Was this
answer
helpful?
Yes
No
Monday, September 24th, 2018 AT 6:41 PM (Merged)
Tiny
CARADIODOC
  • MECHANIC
  • 34,478 POSTS
All good answers but the assumption is this is related to disconnecting the battery. Plus, it works normally for one to three seconds. That should rule out any mechanical problems.
Was this
answer
helpful?
Yes
No
-1
Monday, September 24th, 2018 AT 6:41 PM (Merged)
Tiny
WRENCHTECH
  • MECHANIC
  • 20,761 POSTS
If this happened after disconnecting the battery, this is what happened. Every time the power is cut off the system loses memory and when the power is reconnected the system goes through a calibration process that moves all the doors to their extreme ends for calibration and many of them will get stuck when that happens. It very common on the temp doors. It may unstick itself and you may be able to help it along by pushing on the linkage under the driver's side dash.
There are no vacuum controls on this system.
Was this
answer
helpful?
Yes
No
+1
Monday, September 24th, 2018 AT 6:41 PM (Merged)
Tiny
HALORON
  • MEMBER
  • 2 POSTS
  • 2003 CHEVROLET AVALANCHE
  • V8
  • 2WD
  • AUTOMATIC
  • 68,000 MILES
My climate control system only blows from the defrost location no matter what the setting on the console. Still keeps the car cool but I cannot direct the air flow.
Was this
answer
helpful?
Yes
No
+1
Monday, September 24th, 2018 AT 6:41 PM (Merged)
Tiny
HALORON
  • MEMBER
  • 2 POSTS
All I had to do to fix the problem was to completely turn off the Climate Control Unit. When the unit was turned off again, the unit worked perfectly.
Was this
answer
helpful?
Yes
No
Monday, September 24th, 2018 AT 6:41 PM (Merged)
Tiny
CARADIODOC
  • MECHANIC
  • 34,478 POSTS
Thanks Wrenchtech. How long does that calibration process take and how do you it's done and / or passed? If an actuator sticks, then unsticks from bumps in the roads, will it self-calibrate then or do you have to do something to initiate it again?
Was this
answer
helpful?
Yes
No
Monday, September 24th, 2018 AT 6:41 PM (Merged)
Tiny
WRENCHTECH
  • MECHANIC
  • 20,761 POSTS
Sometimes they break free and sometimes they don't. It is initiated whenever the power is interrupted so a battery saver is a good idea if disconnecting the battery for any reason. It happened a couple times to the blend door in my own Blazer. One time it freed up on it's own and another time I had to resort to drilling holes in the housing and popping the door free with a long thin screwdriver but with the mode doors, the gears and detents are on the outside of the case so you can just grab them.
Was this
answer
helpful?
Yes
No
Monday, September 24th, 2018 AT 6:41 PM (Merged)
Tiny
NIVELS
  • MEMBER
  • 1 POST
  • 2004 CHEVROLET AVALANCHE
  • V8
  • 4WD
  • AUTOMATIC
  • 112,000 MILES
When I push the button to select the air flow to blow on the floor or my face it doesn't move from defrost. Can this be a disconnected vacuum line or is it the switch or what can it be?
Was this
answer
helpful?
Yes
No
Monday, September 24th, 2018 AT 6:41 PM (Merged)
Tiny
HMAC300
  • MECHANIC
  • 48,601 POSTS
It could be both. You need to check to see if you have a vacuum line disconnected first, but the motor that operates the doors cold be electric. Best thing to do is feel around the heater and see if the door may be stuck. Then you will have to either go through the normal checks to see if it 's the control panel or the switches, etc.
Was this
answer
helpful?
Yes
No
-2
Monday, September 24th, 2018 AT 6:41 PM (Merged)
Tiny
KENEZAR
  • MEMBER
  • 1 POST
  • 2004 CHEVROLET AVALANCHE
  • V8
  • 4WD
  • AUTOMATIC
  • 68,000 MILES
Yesterday, I replaced my battery now, my ac only blows out of my defrost vents why?
Was this
answer
helpful?
Yes
No
+1
Monday, September 24th, 2018 AT 6:41 PM (Merged)
Tiny
HMAC300
  • MECHANIC
  • 48,601 POSTS
First thing to do is pull the hvac fuse for 30 seconds then see if the heater module will reprogram itself. If not the mode actuator will need to be replaced here is a guide to show you how.

https://www.2carpros.com/articles/replace-blend-door-motor

Please let us know if you need anything else to get the problem fixed.

Cheers
Was this
answer
helpful?
Yes
No
-1
Monday, September 24th, 2018 AT 6:41 PM (Merged)

Please login or register to post a reply.