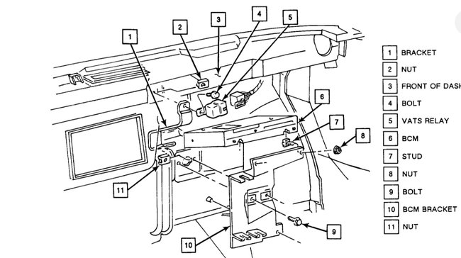
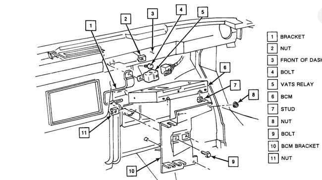
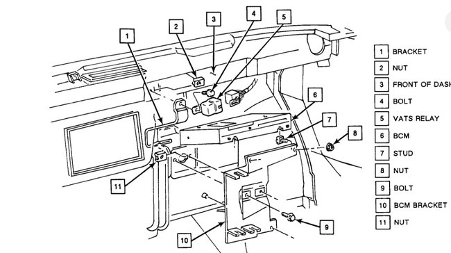
After checking under the hood, we noticed there is an 8" vacuum hose with a screw stuck in it because it is not attached to anything else and there appears to be something missing behind the MAP sensor up by the firewall as there are two threaded studs with rubber spacers and nothing attached or connected there. We have looked for pictures to clue us in on what should be attached but have had no luck yet.
Also, I know the speedometer is not calculating and displaying speed properly as it reads 0 mph while driving and the trip odometer constantly reads 0.0 miles driven. The odometer does not seem to be changing either as we have driven it a few times and still reads the same.
After start-up, the engine runs but does give an indication of a slight miss and will lightly backfire if you rev the engine high enough. The guy we bought the car from said he changed the spark plugs and put on a new distributor and rotor but we went ahead and bought new plugs just to be safe. Have not changed them yet but will be doing that soon. When you take the car out on the road, it has a horrible miss and will almost not want to accelerate at lower speeds. It takes it a little while but eventually you can get up to highway speeds but it seems to have gotten worse instead of better.
I know this seems like a lot to take in but we would sure appreciate any help or insight anyone might have on these issues. My son and I are not what you would call "car guys" but we will dig into this and try to get it figured out as the guy we bought it from said it used to run really good.
Sunday, May 27th, 2018 AT 9:03 AM







