Climate control not working

Tiny
HALLEY MCGINLEY
  • MEMBER
  • 1991 CHEVROLET SILVERADO
  • 4.3L
  • V6
  • 4WD
  • MANUAL
  • 189,008 MILES
Have no lights on the climate control panel and it's not working no fan or heat or A/C.
Friday, October 29th, 2021 AT 1:25 PM

3 Replies

Tiny
JACOBANDNICKOLAS
  • MECHANIC
  • 110,194 POSTS
Hi,

If nothing is working, first I need you to check the fuse for the circuit. The fuse box should be on the driver's side under the instrument panel. In addition to checking the fuse's condition, it is important to make sure there is power both to the fuse and out from it.

Here is a link you may find helpful:

https://www.2carpros.com/articles/how-to-check-a-car-fuse

Let me know what you find.

Joe

See pic below.
Was this
answer
helpful?
Yes
No
Friday, October 29th, 2021 AT 9:20 PM
Tiny
HALLEY MCGINLEY
  • MEMBER
  • 2 POSTS
All of those fuses are good. So, i'm guessing it's more than likely a wiring issue but we can't find a diagram for it.
Was this
answer
helpful?
Yes
No
Saturday, October 30th, 2021 AT 8:22 AM
Tiny
JACOBANDNICKOLAS
  • MECHANIC
  • 110,194 POSTS
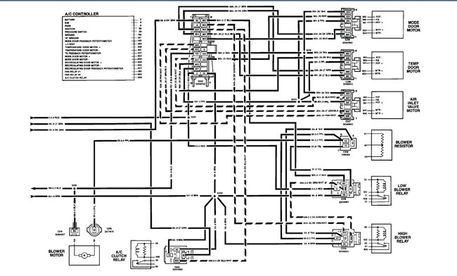
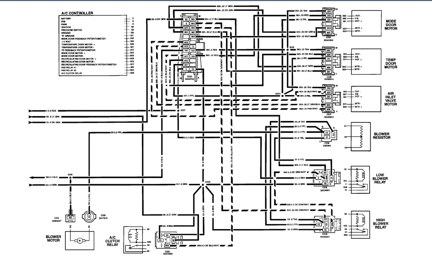
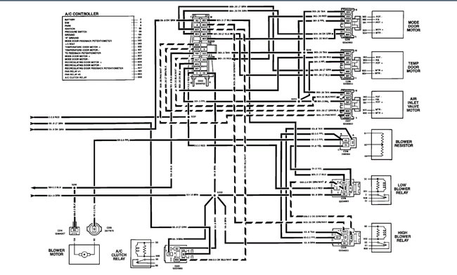
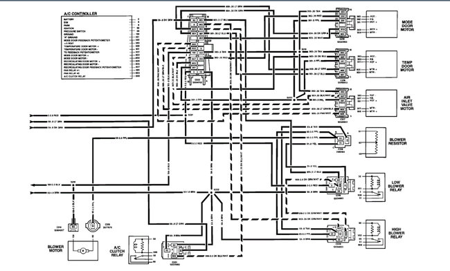
Hi,

Do me a favor. I was able to dig up older factory wiring schematics related to the circuit. Take a look through them and let me know if they help. Also, here is a link you may find helpful:

https://www.2carpros.com/articles/how-to-check-wiring

Take care,

Joe
Was this
answer
helpful?
Yes
No
Saturday, October 30th, 2021 AT 8:19 PM

Please login or register to post a reply.