Climate control

Tiny
AFORNORE1
  • MEMBER
  • 2008 CADILLAC SRX
  • 4WD
  • 126,354 MILES
Have heat coming out my front dashboard vents in my floor but my climate control do not switch over to defrost.
Saturday, December 8th, 2018 AT 9:09 AM

1 Reply

Tiny
STEVE W.
  • MECHANIC
  • 15,697 POSTS
Is it stuck where it only goes out the dash? Or can you select the floor and dash but not defrost? If it is the first one it is most likely the mode actuator. If it is the second it is still actuator related but it likely is the plastic cam parts that move the doors that has broken. There is an updated part for this and it requires the entire assembly be replaced not just the actuator.
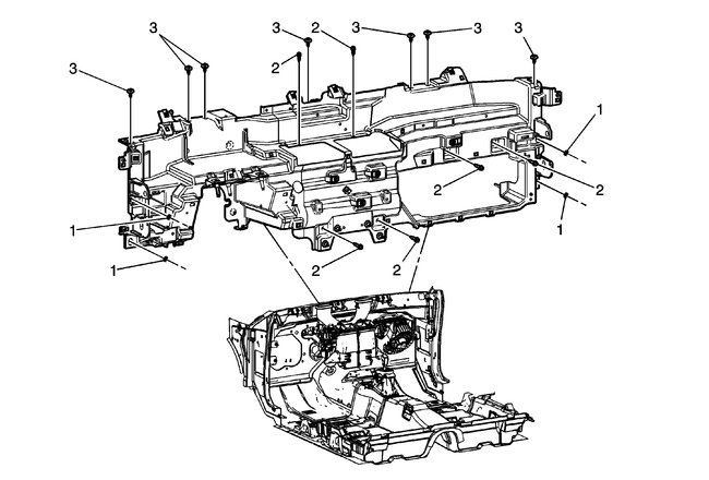
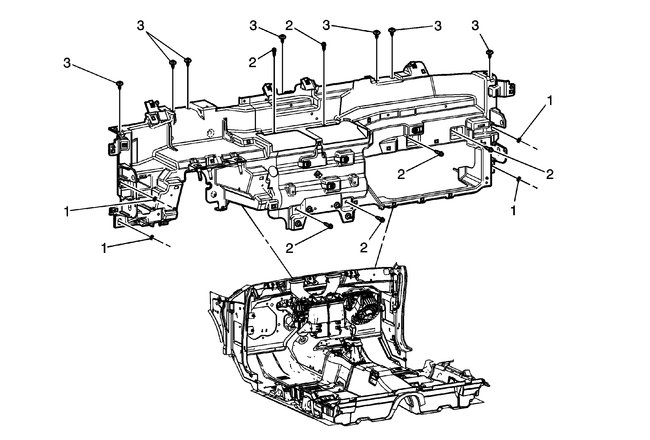
In the attached image it is item 2. It is buried in the dash on the HVAC case. To get to it you need to remove the dash itself. The instructions are the other two images. Then there are two screws that secure the actuator and the cam parts are removed.
Was this
answer
helpful?
Yes
No
Sunday, December 9th, 2018 AT 12:34 PM

Please login or register to post a reply.