Climate control not working

Tiny
TLYNNCH
  • MEMBER
  • 2011 CHEVROLET CRUZE
  • 70,000 MILES
When I turn the fan speed switch on the speed and air flow setting shows on the digital display but the neither AC compressor or fan operate.
Wednesday, September 20th, 2017 AT 7:46 AM

1 Reply

Tiny
KEN L
  • MASTER CERTIFIED MECHANIC
  • 55,322 POSTS
Hello,

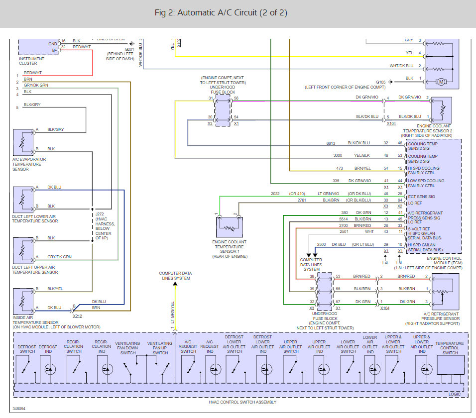
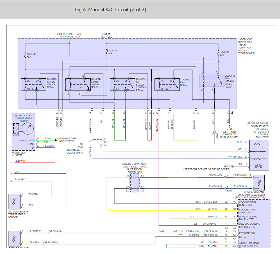
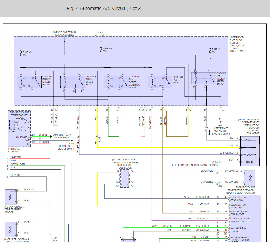
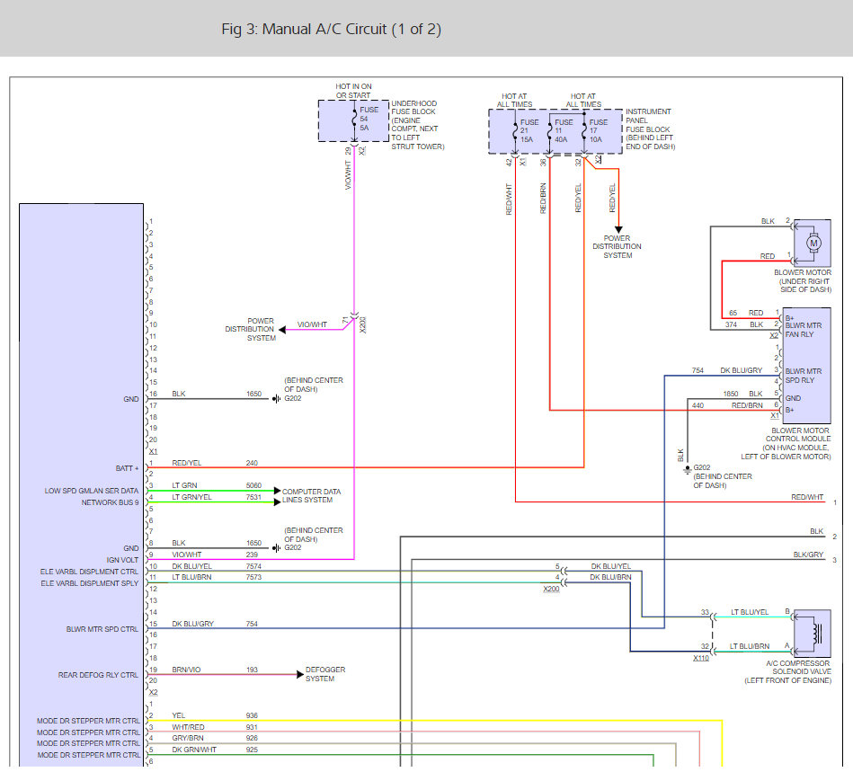
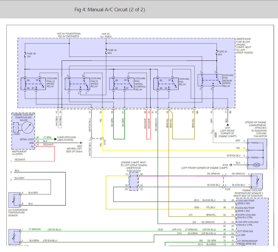
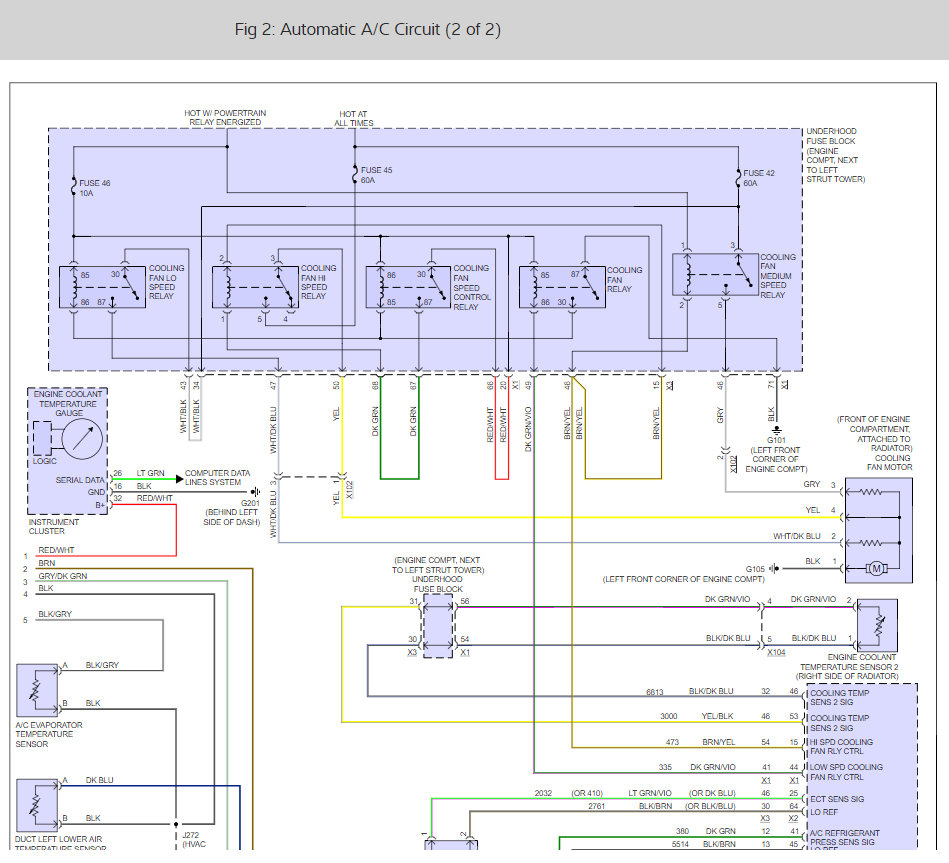
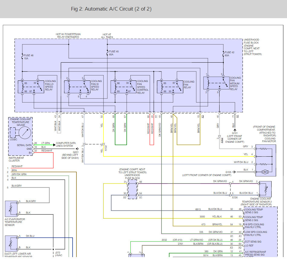
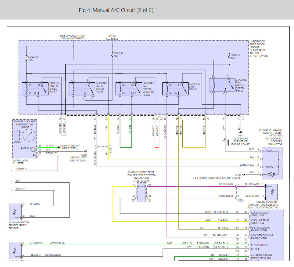
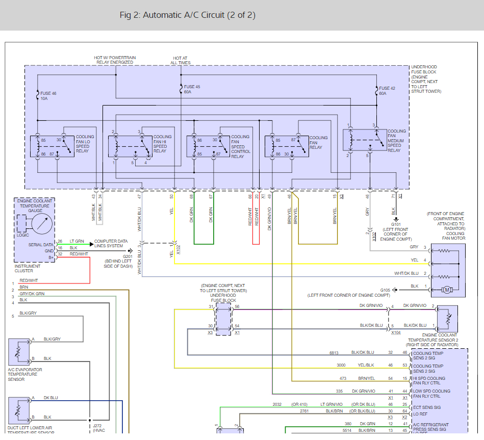
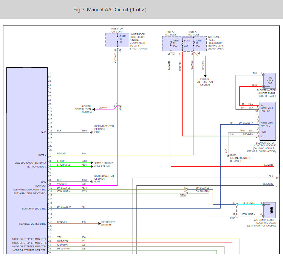
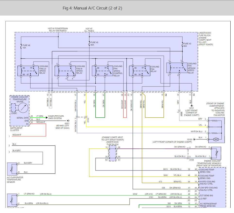
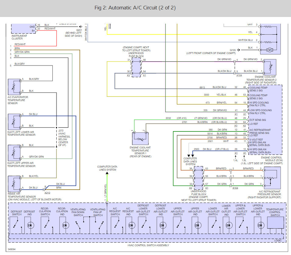
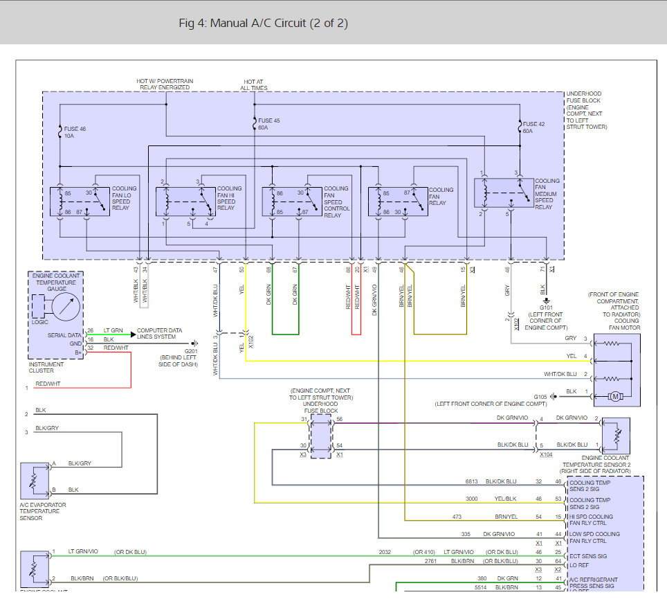
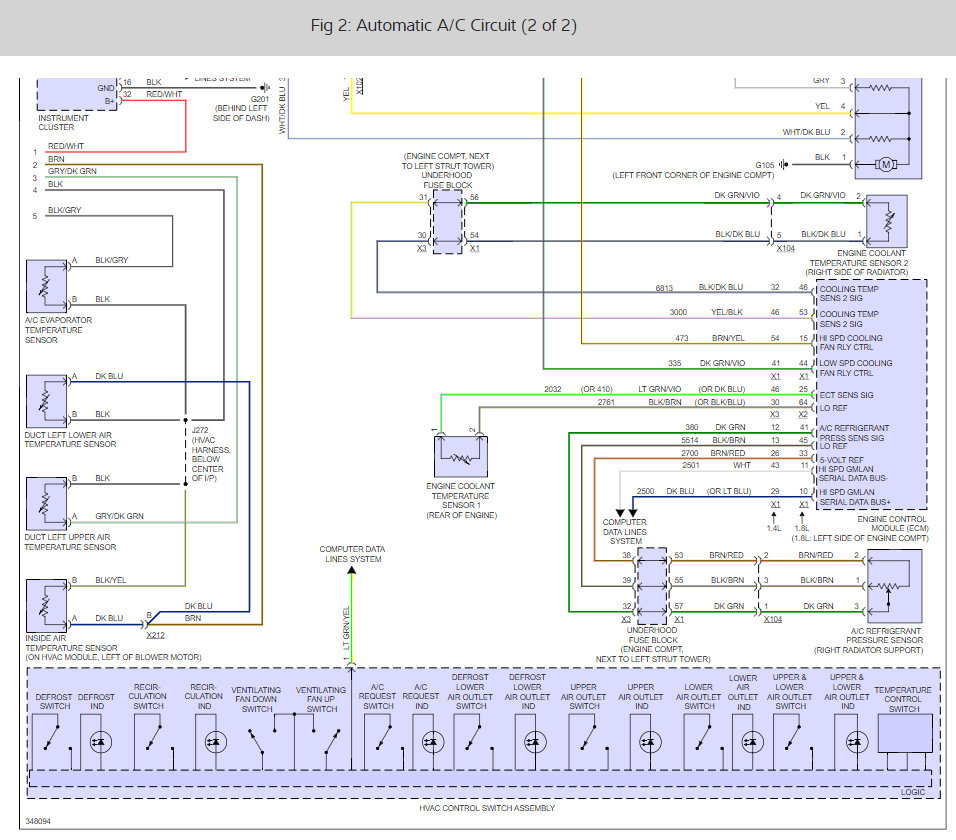
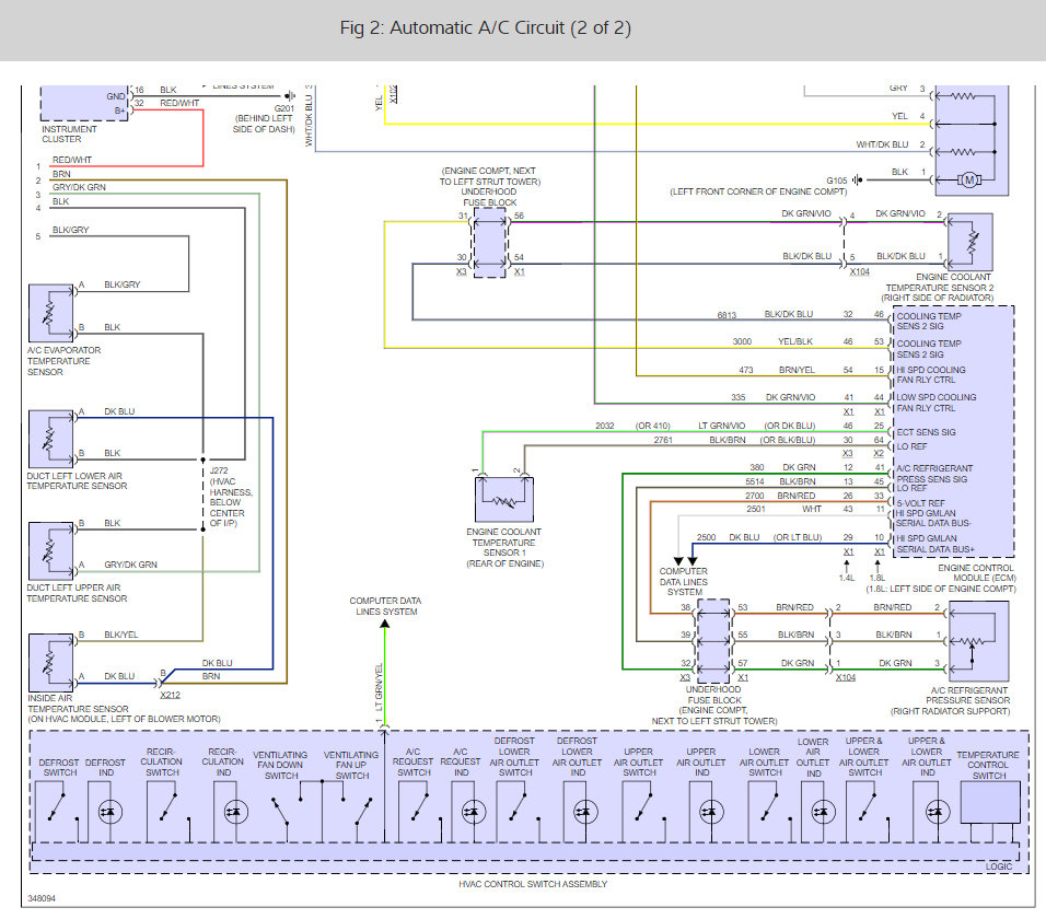
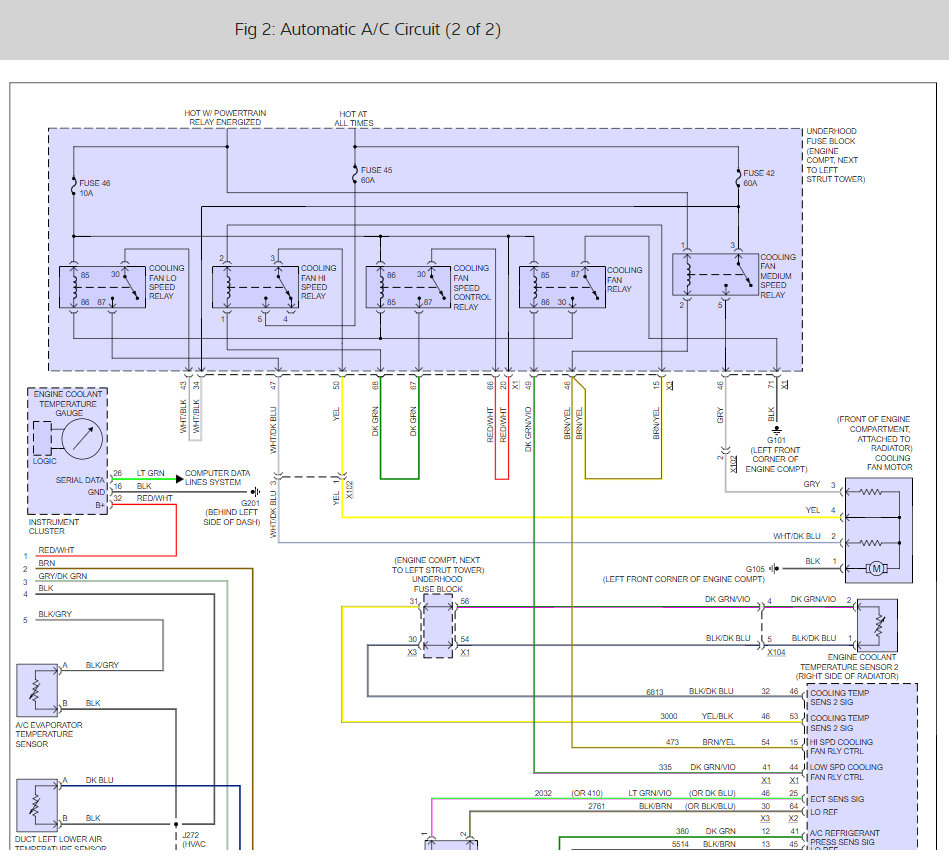
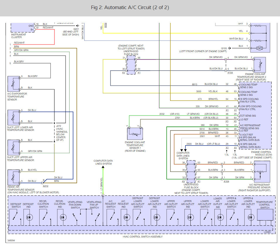
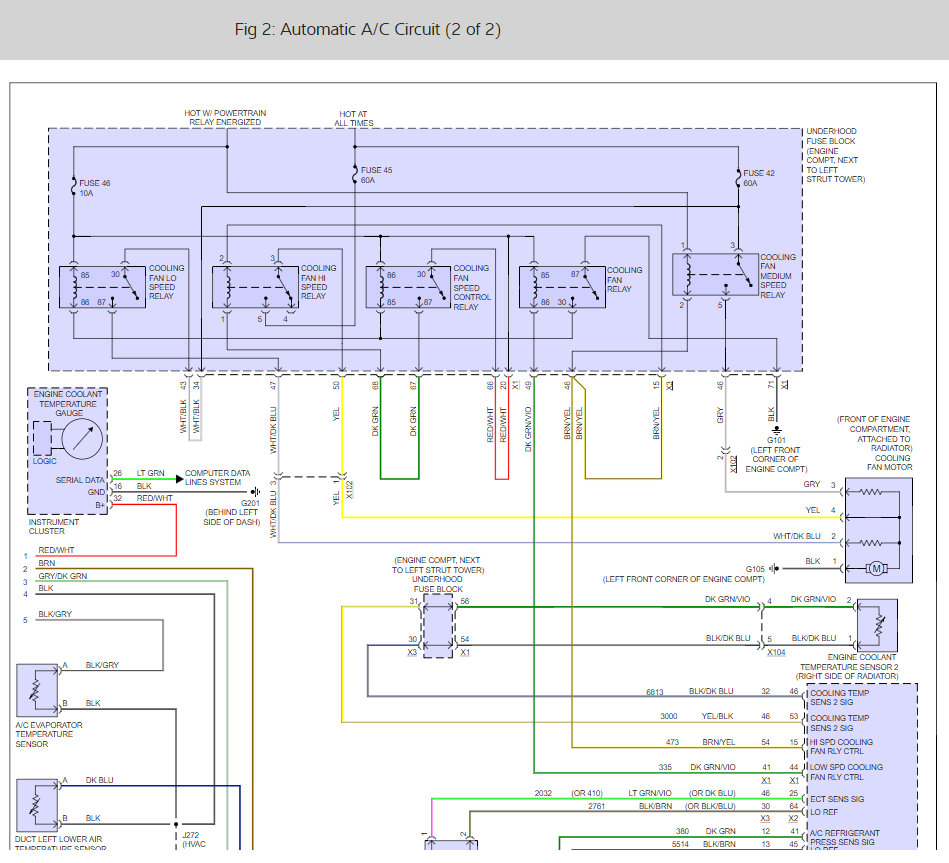
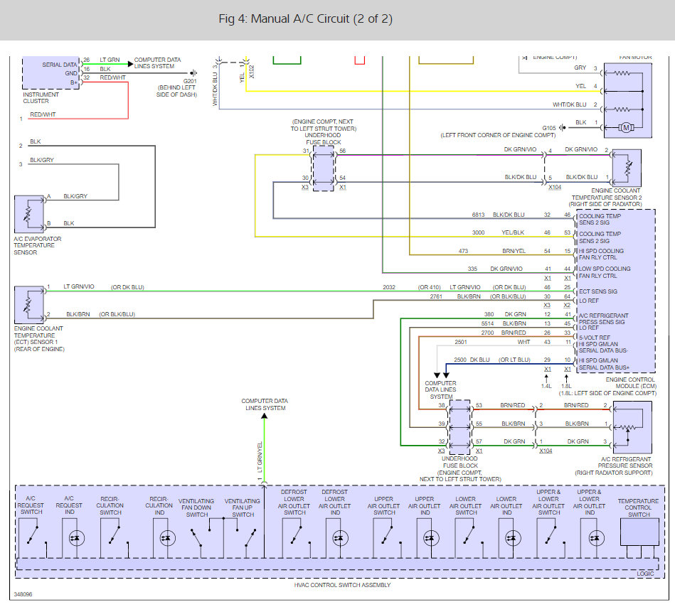
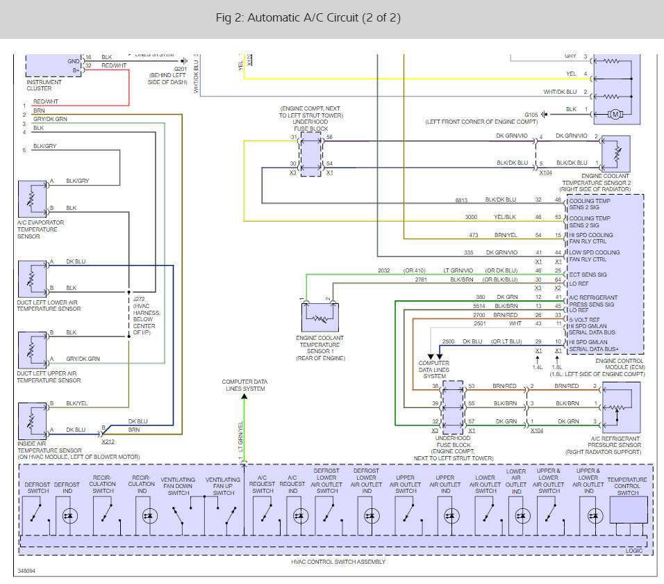
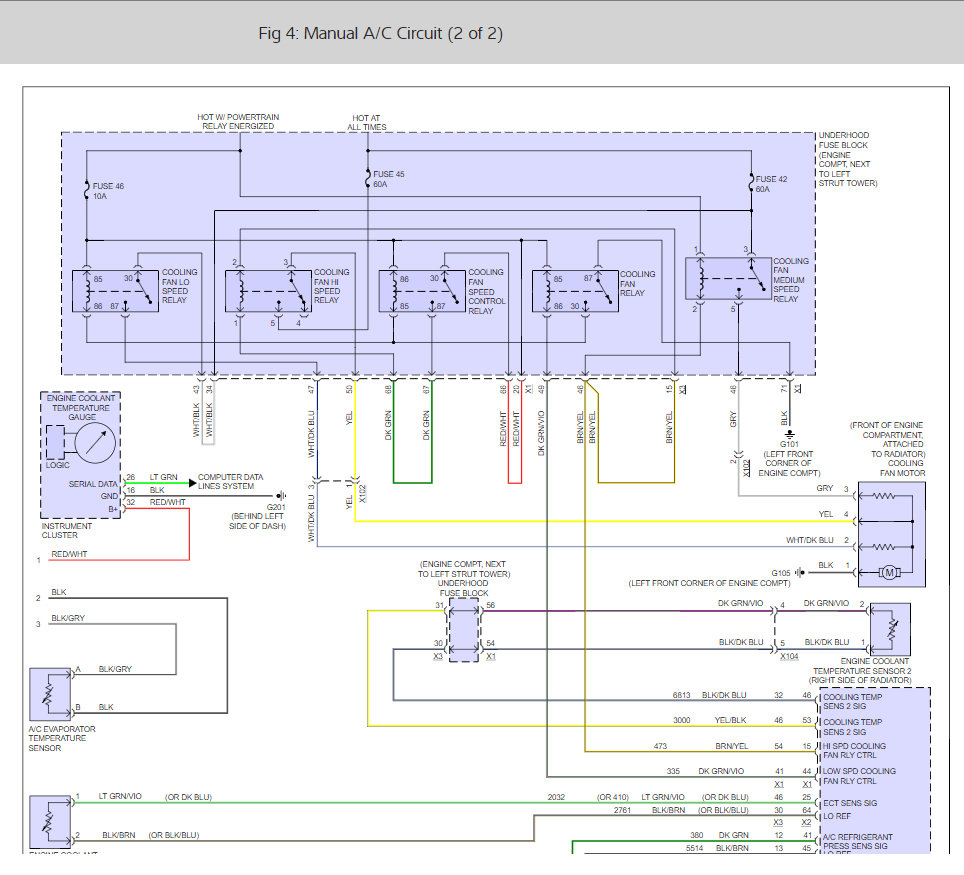
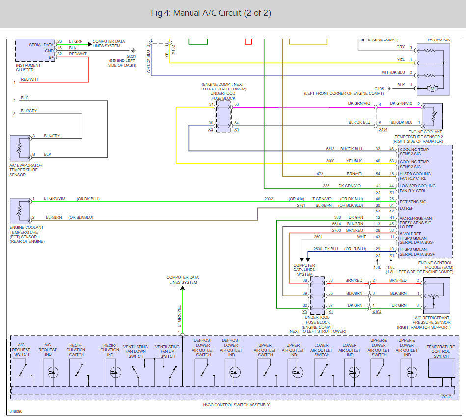
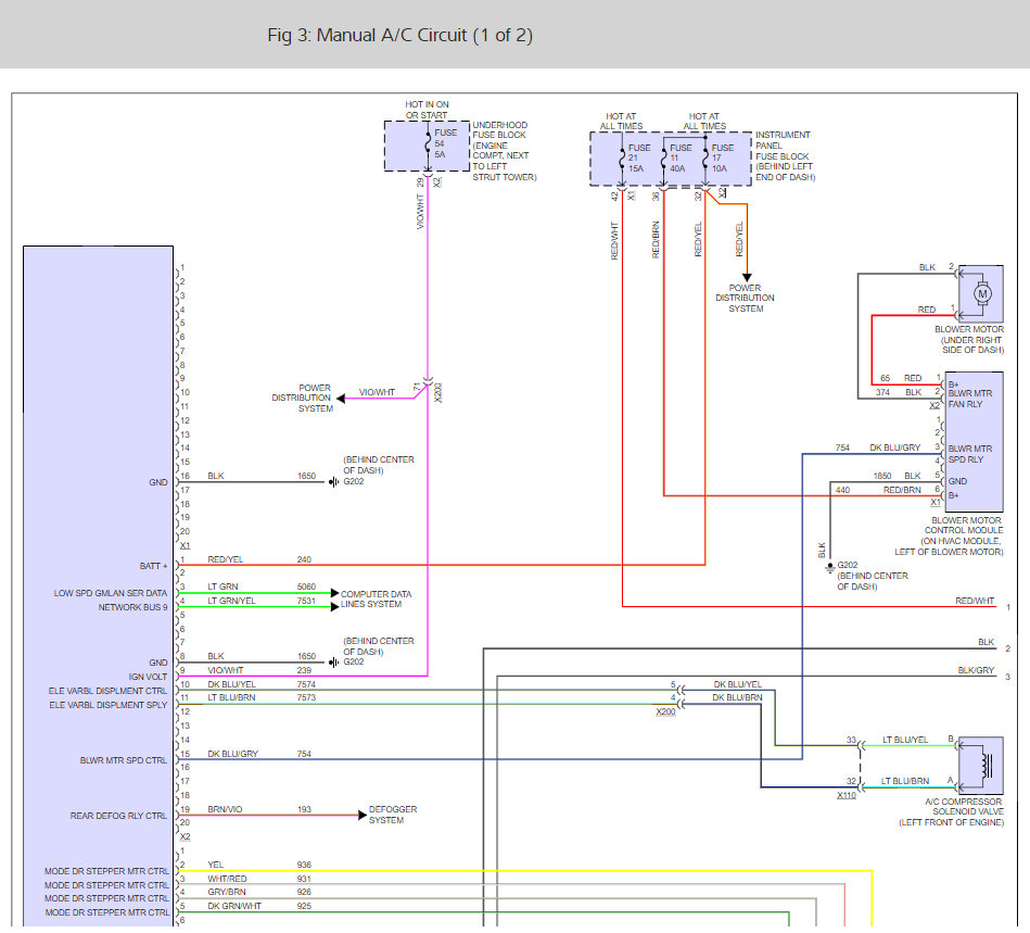
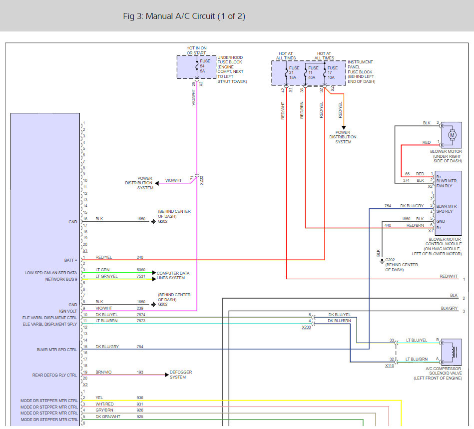
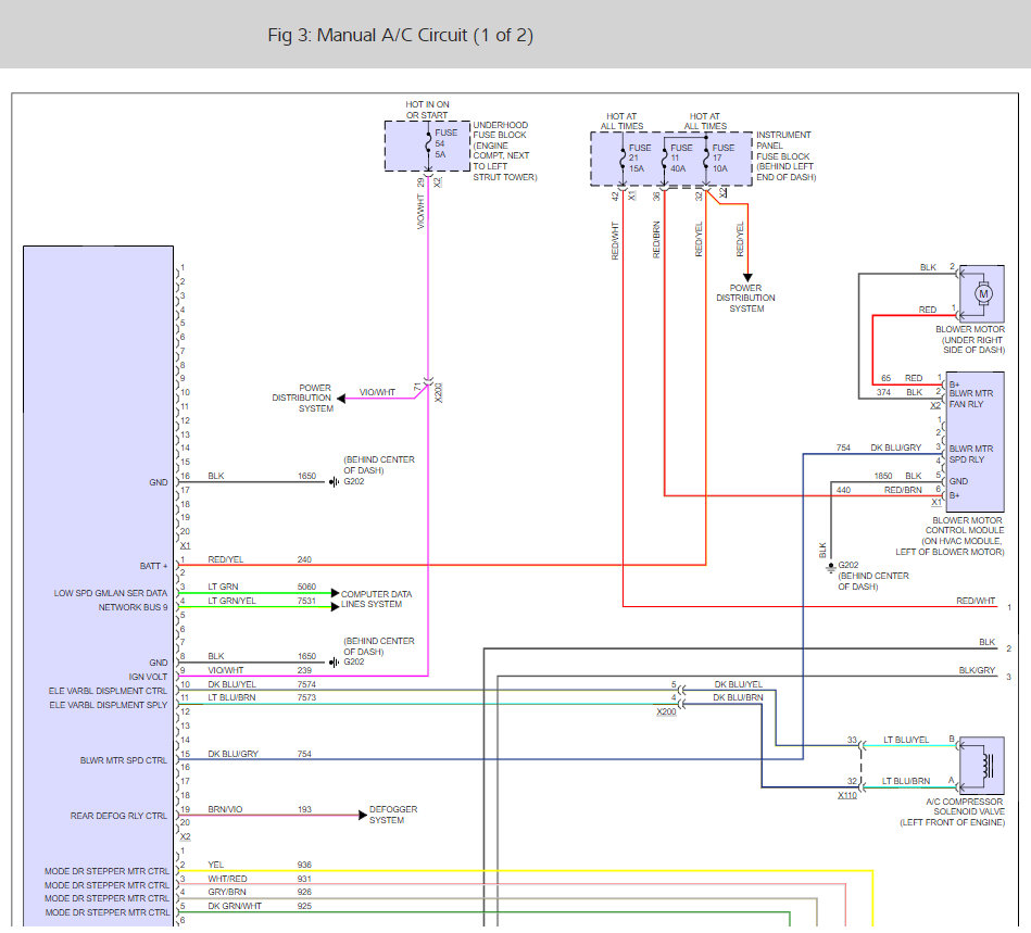
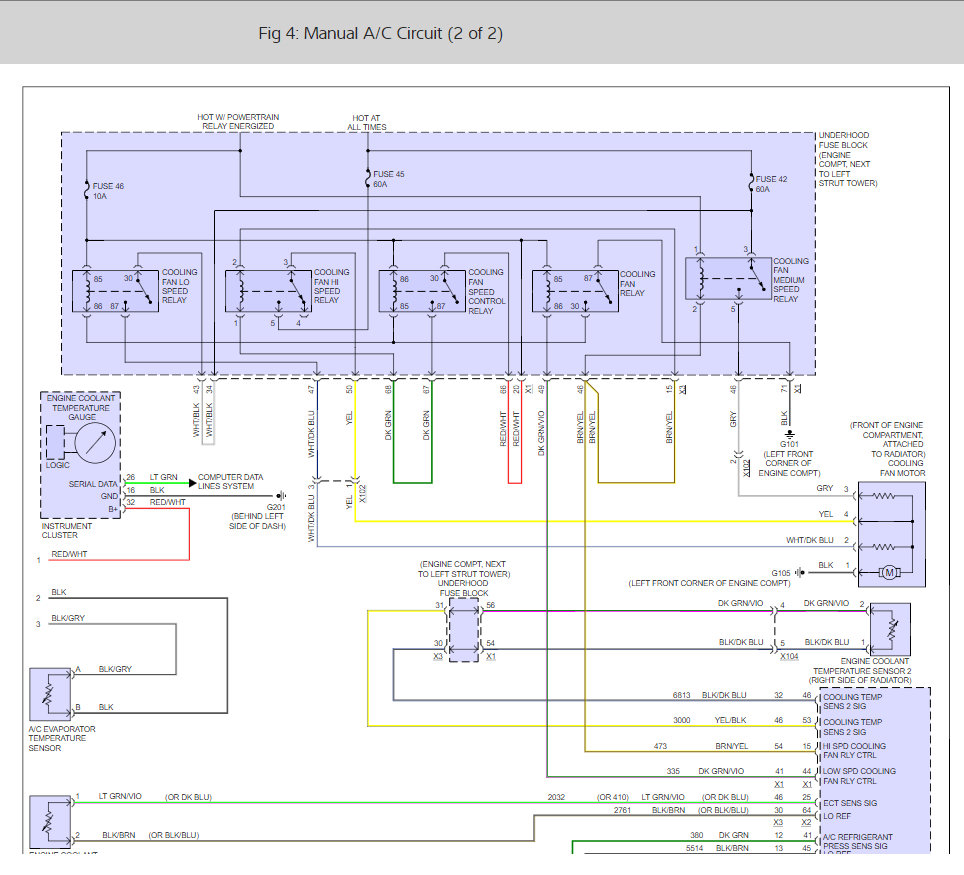
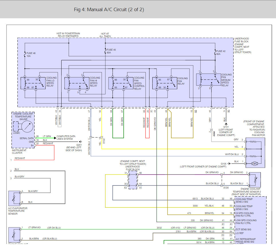
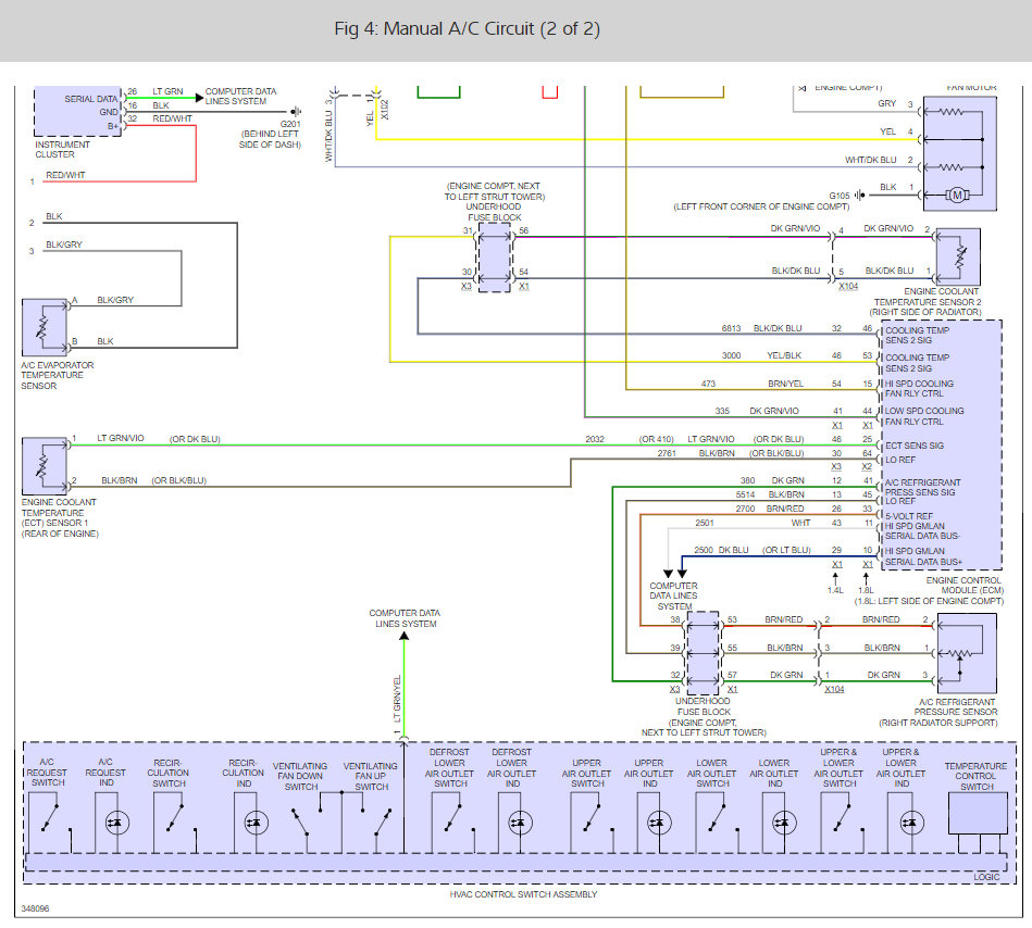
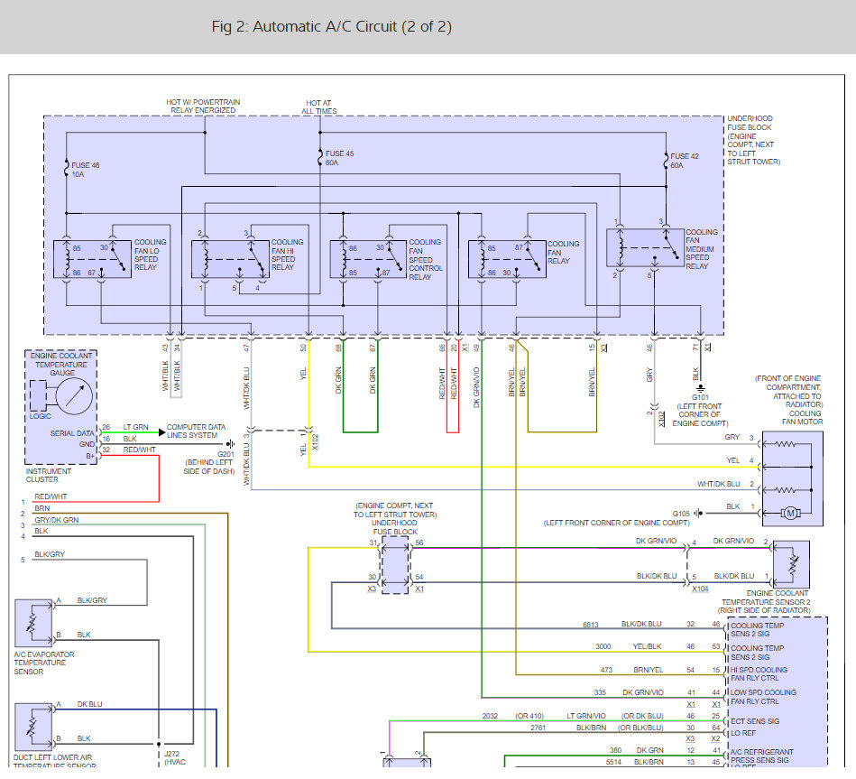
There are several fuses that run the system and there is a blower module that can go out causing the problem you have described. that need to be checked. Here are some guides and diagram (below) so you can do some easy testing so we can get the car fixed.

https://www.2carpros.com/articles/how-to-check-a-car-fuse

This guide should help as well.

https://www.2carpros.com/articles/blower-fan-motor-works-on-high-speed-only

The guide has the module with the blower motor.

Please let us know what happens and upload pictures or videos of the problem.

Cheers, Ken
Was this
answer
helpful?
Yes
No
Thursday, September 21st, 2017 AT 1:08 PM

Please login or register to post a reply.