Climate blower not working

Tiny
DANNY SENKOFF
  • MEMBER
  • 1995 CHEVROLET 1500
  • 5.7L
  • V8
  • 4WD
  • AUTOMATIC
  • 200,000 MILES
Blower quit working.
Wednesday, December 26th, 2018 AT 7:39 AM

4 Replies

Tiny
ASEMASTER6371
  • MECHANIC
  • 52,796 POSTS
Good morning,

I would suspect a couple of things. The blower motor and the blower resistor are common failures for this but must be confirmed.

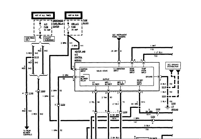
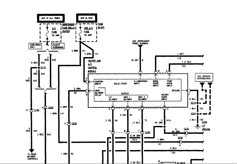
I would start by checking all the fuses for power on both sides with the key on. I attached a wire diagram for you to view and the fuses that need to be checked.

https://www.2carpros.com/articles/how-to-check-wiring

Beyond that, either the blower motor or the resistor may be the failure. check for power to the blower in the high position.

https://www.2carpros.com/articles/blower-fan-motor-works-on-high-speed-only

Roy
Was this
answer
helpful?
Yes
No
Wednesday, December 26th, 2018 AT 7:57 AM
Tiny
DANNY SENKOFF
  • MEMBER
  • 1 POST
Thanks for information. Will be a couple of hours before I can look at it again.
Was this
answer
helpful?
Yes
No
Thursday, December 27th, 2018 AT 5:04 PM
Tiny
DANNY SENKOFF
  • MEMBER
  • 1 POST
Thanks installed new resistor working good.
Was this
answer
helpful?
Yes
No
Thursday, December 27th, 2018 AT 5:32 PM
Tiny
KEN L
  • MASTER CERTIFIED MECHANIC
  • 55,322 POSTS
ASEMASTER6371 is one of our best! Use 2CarPros anytime, we are here to help. Please tell a friend.
Was this
answer
helpful?
Yes
No
Thursday, December 27th, 2018 AT 5:33 PM

Please login or register to post a reply.