Monday, January 13th, 2020 AT 5:33 AM
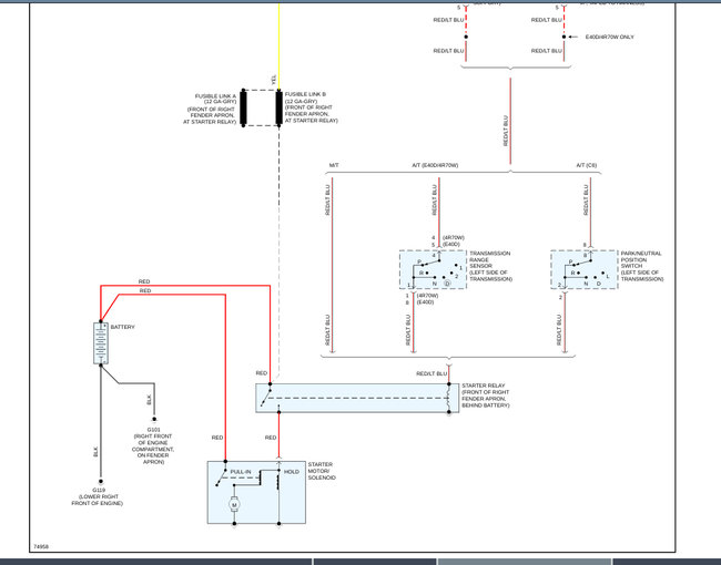
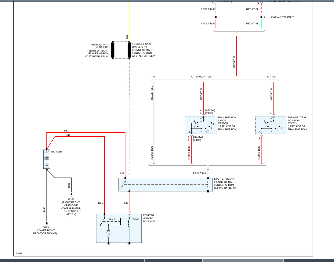
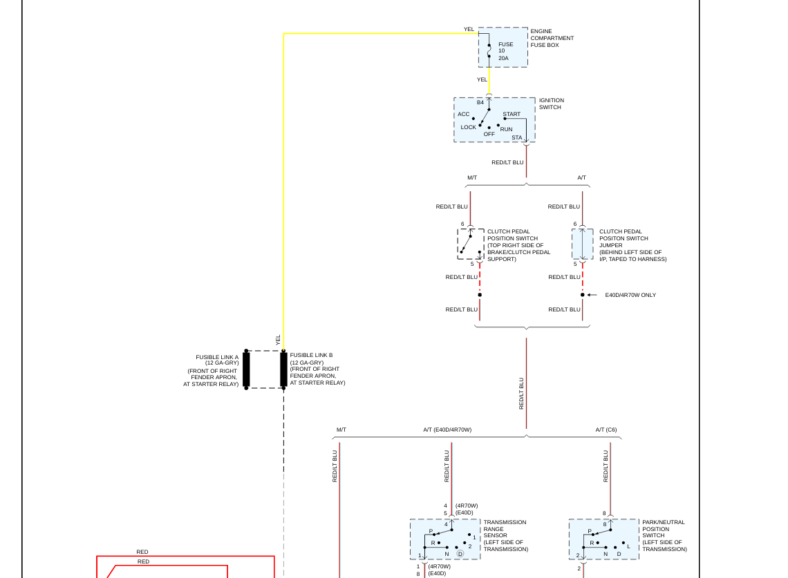
Came out yesterday morning to a vehicle that wouldn't start after sitting for one day. The weather has been warm so not a cold weather issue. It clicked but wouldn't start. I jumped it off another vehicle and it started up. I figured I had a drain somewhere on the battery but would just keep the circuit open until I found it. Went out and got a new battery for it in the meantime. I put the battery in went to start it and it loudly clicked once and lost all power everywhere. I'm kind of at a loss for what it could be at this point, any advice is appreciated.


































