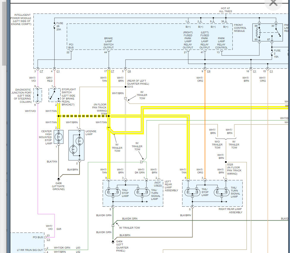
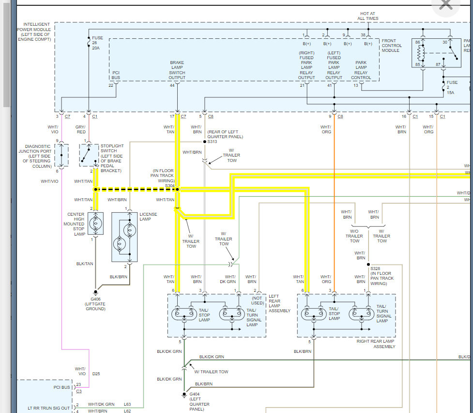
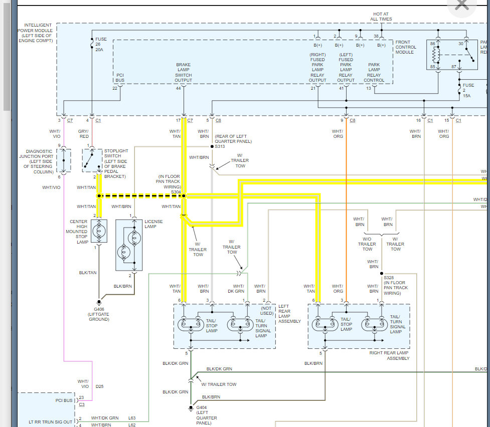
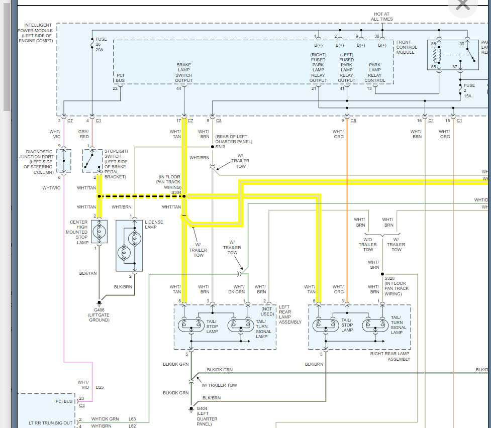
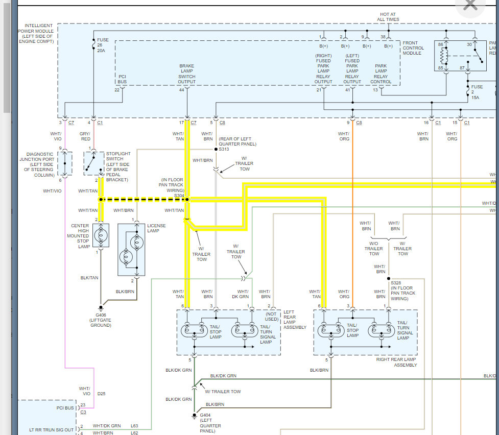
Thursday, April 23rd, 2009 AT 8:56 PM
I have a town & country that the brake and taillight's aren't working. I've checked the fuses and bulb's both are good. Where should I look next?





