Fog Lights Stay On?

Tiny
MITBARJ
  • MEMBER
  • 2002 CHRYSLER PT CRUISER
  • 4 CYL
  • FWD
  • AUTOMATIC
  • 168,000 MILES
The fog lights on my 2002 PT cruiser have began to come on by themselves lately and will not turn off unless I turn the ignition off and then turn on the right turn signal. Even then, sometimes I will go back out 20-30 minutes later and they are on again.
I have tried adjusting the 2 screws inside the switch that are located inside the end of the turn indicator/headlight/foglight arm. Any other "cheap " ideas? I am currently enemployed.
Friday, July 24th, 2009 AT 10:16 AM

1 Reply

Tiny
KASEKENNY
  • MECHANIC
  • 18,907 POSTS
Unfortunately short of wiring in a new switch, I suspect the multifunction switch is the issue.

Here are a couple guides that will help with this:

https://www.2carpros.com/articles/how-a-headlight-switch-works

The way to test this is to check voltage coming out of the switch and find out if the switch is operating.

https://www.2carpros.com/articles/how-to-check-wiring

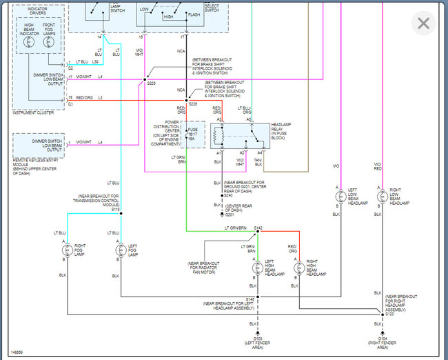
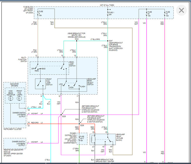
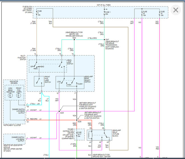
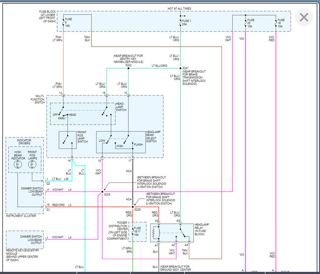
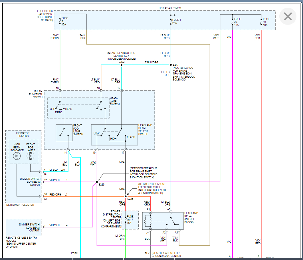
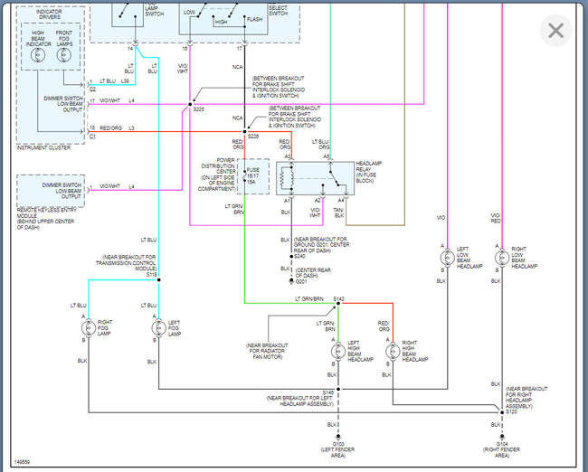
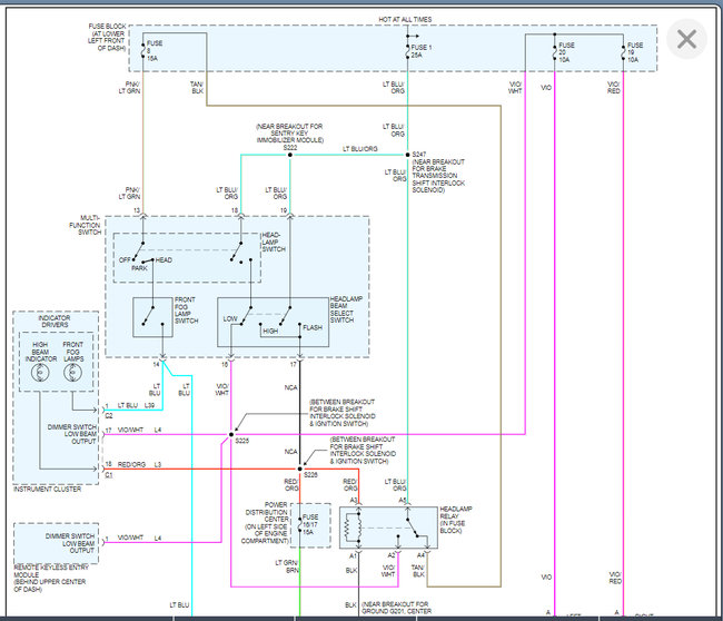
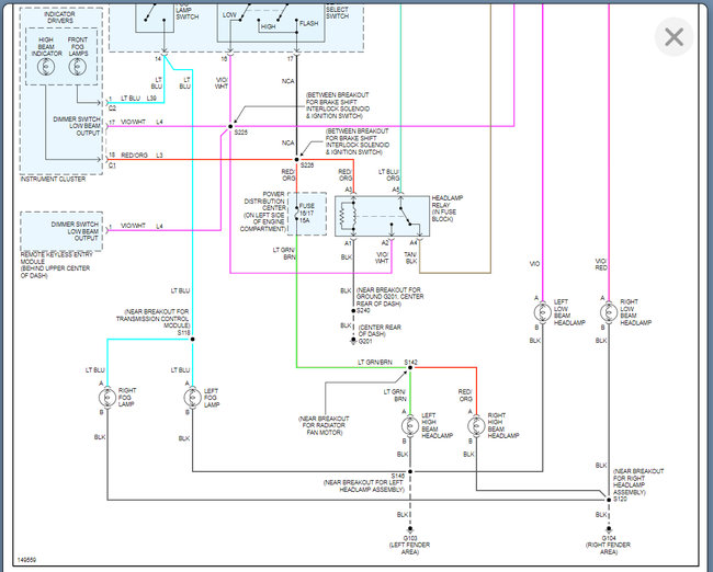
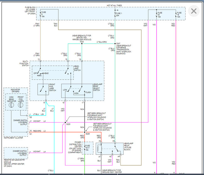
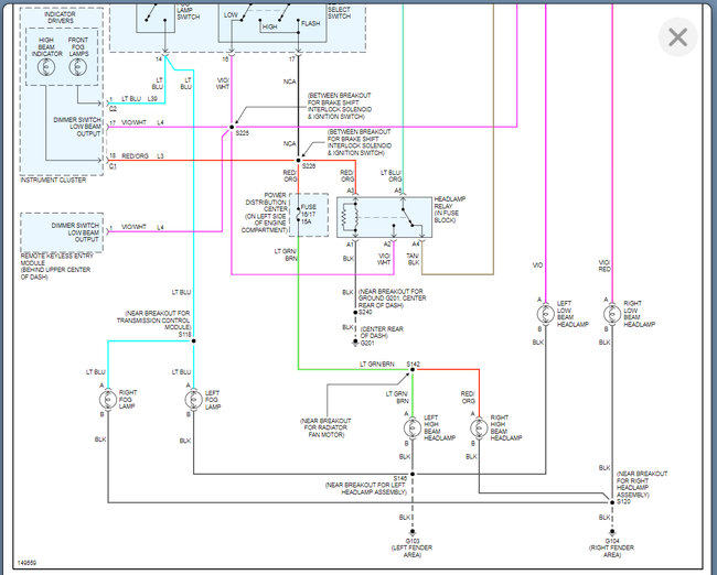
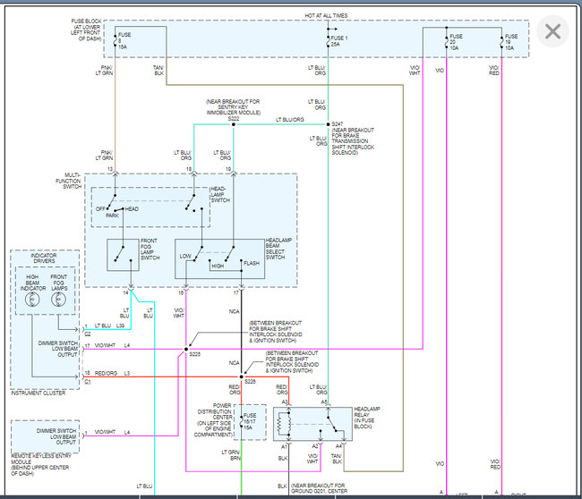
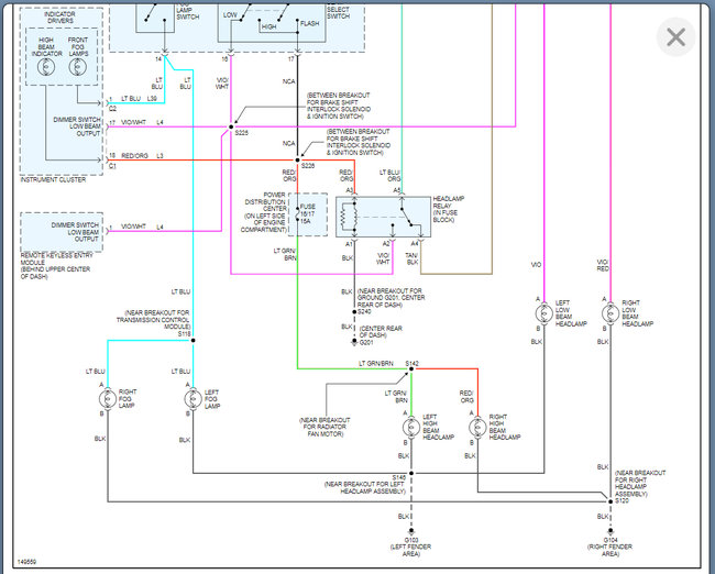
Below you will find not only the wiring diagram this system but you will find a solution from another person that had the same issue. Plus the process on how to replace the switch which is what I suspect the issue is.

They found a short in the switch and replaced it.

Please run through this material and let us know if you have other questions on this.

Thanks
Was this
answer
helpful?
Yes
No
Friday, July 30th, 2021 AT 8:41 AM

Please login or register to post a reply.