Wednesday, August 12th, 2009 AT 7:56 AM
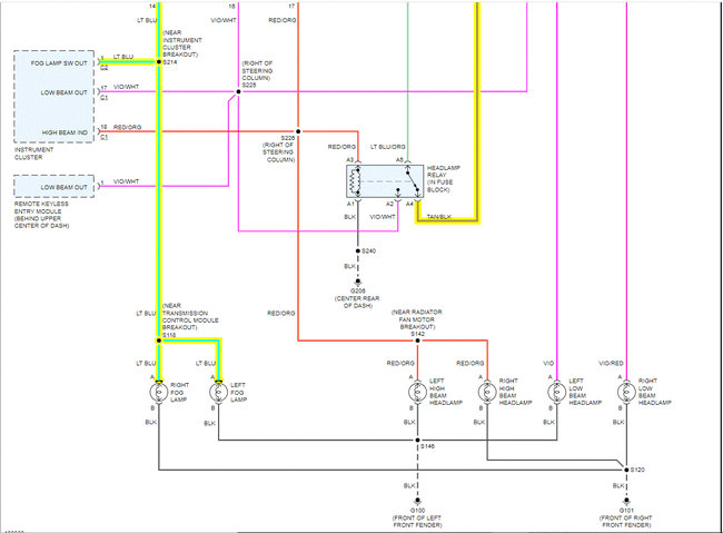
My fog light would come on all by themselves and it was determined that the switch in the turnsignal stalk had gone bad. Since the vehicle is 10yrs old the shop searched for a replacement stalk and found one but the supplier wanted $600 for the part. I elected to have the fog lights diconnected with much sadness. I now have the light on the dash that comes on intermittently and it bothers me, any idea on how I can disconnect that light on the dash and not compromise any other functions?



