Engine overheating and cooling fan not working

2013 DODGE DART
148,000 MILES • 2.0L • 4 CYL • 2WD • MANUAL
Avatar
LARRY NASON
  • MEMBER
  • 48 POSTS
My car is overheating at idle. I do believe it is the cooling fan not turning on if you could help me out with a diagram or something of the cooling fan circuit it'd be appreciated.
Mar 25, 2022 at 5:34 PM
Advertisement
Repair Safety Notice: This information is for general instructional purposes only. Vehicle repair can be dangerous. Verify all information, follow manufacturer service procedures, use proper tools and safety equipment, and consult a qualified repair shop when needed.
Avatar
JACOBANDNICKOLAS
  • AUTOMOTIVE REPAIR CONTRIBUTOR
  • 110,190 POSTS
Hi,

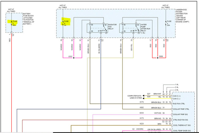
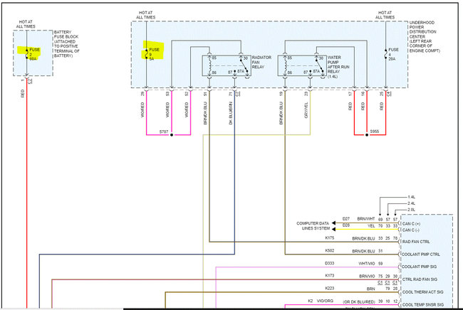
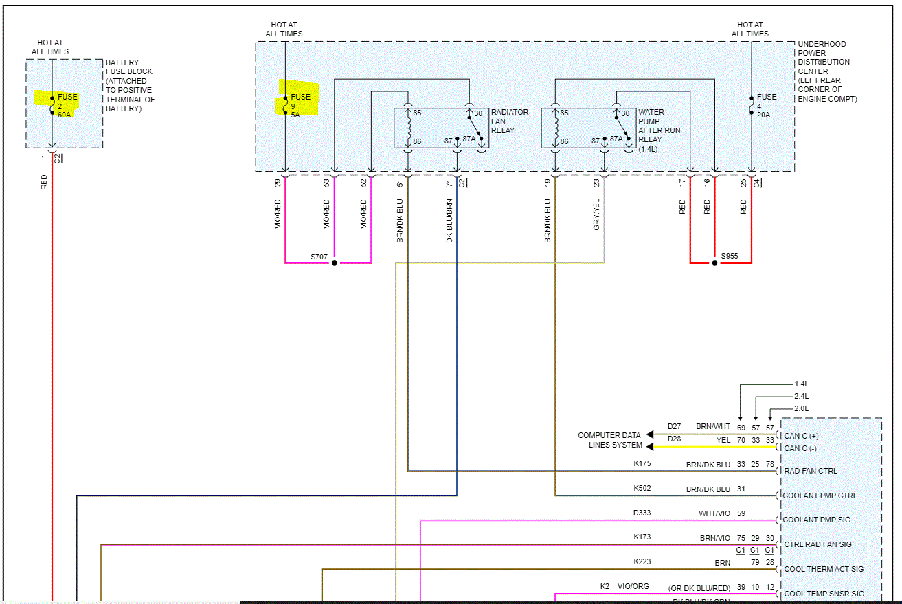
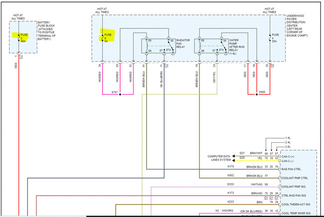
First, I attached the wiring schematic below for your review. I had to cut the page in half to make it readable, but I did overlap them so you can follow from one to the next.

To get started, I need you to check two fuses. Fuse 2 which is located at the battery positive terminal and fuse 9 which is in the under-hood fuse/relay box. When you check these fuses, confirm they are good and also confirm there is power to and from them. Here is a link you may find helpful:

https://www.2carpros.com/articles/how-to-check-a-car-fuse

If both fuses are good, then we need to confirm the fan relay is good. It is located in the same fuse box as fuse 9. If there is another one having the same part number, switch them to see if it makes a difference. If there isn't, here is a link explaining how to test a relay:

https://www.2carpros.com/articles/how-to-check-an-electrical-relay-and-wiring-control-circuit

Try this and let me know the results.

Take care,

Joe

See pics below

Note: Pic 3 shows the 60-amp fuse at the battery and pic 5 shows the fuse in the under-hood fuse box and the relay to check. I forgot to highlight the relay and can't delete pic 4, so ignore it. LOL

Mar 25, 2022 at 7:45 PM
Avatar
LARRY NASON
  • MEMBER
  • 48 POSTS
Okay, I followed the steps and both fuses are good. I also swapped the relay with another like relay and still got no results.
Mar 27, 2022 at 12:40 AM
Advertisement
Avatar
JACOBANDNICKOLAS
  • AUTOMOTIVE REPAIR CONTRIBUTOR
  • 110,190 POSTS
Try this: Disconnect the engine coolant temperature sensor and see if the fan runs at all times. If there is no response from the motor, try the following.

If you have power to the fuses and they are good, we next need to confirm the fan motor itself is good. Do you feel comfortable disconnecting the fan motor connector and running power directly to it to check operation?

If you do, try that and let me know the results.

Take care,

Joe
Mar 27, 2022 at 1:52 PM