ANTI-LOCK BRAKE SYSTEM/TCS - ABS-VI -1998 Chevrolet Venture
NOTE: If any brake component is repaired or replaced and air is allowed to enter system, entire bleeding procedure must be followed. Use only DOT 3 brake fluid from a sealed container. Protect vehicle exterior paint and electrical components from possible brake fluid spillage.
BLEEDING BRAKE SYSTEM
PREFERRED METHOD
Before bleeding system, using scan tool, place hydraulic ABS modulator/motor pack assembly displacement cylinder pistons in upper position. To position pistons, connect scan tool to Data Link Connector (DLC), and then select F5: MOTOR REHOME. Motor rehome cannot be performed if any current Diagnostic Trouble Codes (DTCs) are set. Diagnose and repair DTCs. See DIAGNOSIS & TESTING. Bleed entire system using either MANUAL BLEEDING or PRESSURE BLEEDING procedure. If scan tool is not available, alternate method may be used.
ALTERNATE METHOD
CAUTION:DO NOT use alternate method if ABS warning indicator is illuminated and DTCs are set. Follow procedure exactly, DO NOT place foot on brake pedal unless directed to do so.
1.With foot off brake pedal, start engine and run for at least 10 seconds while observing Amber ABS warning indicator. If ABS warning indicator illuminates and remains illuminated after 10 seconds, DO NOT bleed brakes. Scan tool must be used to diagnose ABS malfunction.
2.If ABS warning indicator illuminates for about 3 seconds and then goes out, and remains off, turn ignition off. Repeat procedure a second time. If ABS is okay, bleed entire system using either MANUAL BLEEDING or PRESSURE BLEEDING procedure.
MANUAL BLEEDING
ABS Modulator Assembly (Priming)
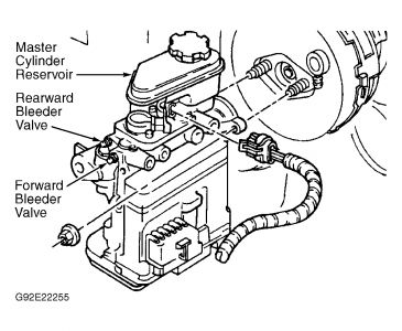
Clean master cylinder reservoir cover and surrounding area. Remove reservoir cap. Ensure reservoir is full. Install reservoir cap. Attach a clear hose to rear bleeder valve and submerge other end of hose in a container of clean brake fluid. See Fig. Slowly open rear bleeder valve. Depress brake pedal until fluid begins to flow. Close valve and release brake pedal. Repeat procedure until no air bubbles are seen in hose. Repeat procedure for front bleeder valve.
TCS Modulator Assembly (Priming)
Clean master cylinder reservoir cover and surrounding area. Remove reservoir cap. Ensure reservoir is full. Install reservoir cap. Remove TCS modulator assembly bolt to bracket to access bleeder valves. Attach a clear hose to right side bleeder valve and submerge other end of hose in a container of clean brake fluid. Slowly open right side bleeder valve. Depress brake pedal until fluid begins to flow. Close
valve and release brake pedal. Repeat procedure until no air bubbles are seen in hose. Repeat procedure for left side bleeder valve.
Brake Caliper/Cylinder (Bleeding)
1.Clean master cylinder reservoir cover and surrounding area. Remove reservoir cap. Ensure reservoir is full. Install reservoir cap. Raise and support vehicle. Attach a clear hose to right rear bleeder valve and submerge other end of hose in a container of clean brake fluid. 2.Open bleeder valve. Slowly depress brake pedal. Close bleeder valve and slowly release brake pedal. Wait 5 seconds and repeat process until brake pedal is firm and no air bubbles are seen in hose. Tap lightly on caliper or backing plate to free trapped air. Repeat procedure on left front, left rear and right front bleeder valves. Ensure reservoir is full. Bleed ABS modulator assembly.
ABS Modulator Assembly (Bleeding)
1.Ensure reservoir is full. Attach a clear hose to rear bleeder valve and submerge other end of hose in a container of clean brake fluid. See Fig. 2 .
2.Depress and hold brake pedal. Slowly open rear bleeder valve and allow fluid to flow. Close valve and release brake pedal. Wait 5 seconds, repeat procedure until no air bubbles are seen in hose. Repeat procedure for front bleeder valve.
TCS Modulator Assembly (Bleeding)
1.Ensure reservoir is full. Attach a clear hose to right side bleeder valve and submerge other end of hose in a container of clean brake fluid.
2.Depress and hold brake pedal. Slowly open right side bleeder valve and allow fluid to flow. Close valve and release brake pedal. Wait 5 seconds, repeat procedure until no air bubbles are seen in hose. Repeat procedure for left side bleeder valve.
Completing Bleeding Procedure
1.Lower vehicle. Ensure reservoir is full. Turn ignition on, with engine off. Apply moderate force to brake pedal, noting travel and feel. If pedal is firm and travel is not excessive, start engine and recheck. If okay, go to step 4) . If pedal feels soft or has excessive travel, go to next step.
2.Using scan tool, release and then apply each ABS motor 2-3 times, and cycle each ABS solenoid 5-10 times. When finished, apply front and rear motors to return pistons to upper position. DO NOT drive vehicle. Repeat manual bleeding procedure.
3.If scan tool is not available, with foot off brake pedal, run engine for at least 10 seconds to initialize ABS. DO NOT drive vehicle. After 10 seconds, turn ignition off. Repeat procedure 5 times to ensure trapped air has been dislodged. Repeat manual bleeding procedure.
4.Road test vehicle making several normal (non-ABS) stops from a moderate speed.
PRESSURE BLEEDING
Beginning Bleeding Procedure
Clean master cylinder reservoir cover and surrounding area. Remove reservoir cap. Ensure reservoir is full. Attach Bleeder Adapter (J-35589) to reservoir. Attach bleeding equipment and pressurize system to 5-10 psi (.35-.70 kg/cm2 ) for 30 seconds to ensure there are no leaks. Slowly increase pressure to 30-35 psi (2.1-2.4 kg/cm2 ).
ABS Modulator Assembly
1.Attach a clear hose to rear bleeder valve and submerge other end of hose in a container of clean brake fluid. See Fig. 2 . Slowly open rear bleeder valve. Allow fluid to flow until no air bubbles are seen in hose. Close valve and repeat procedure for front bleeder valve.
CAUTION:DO NOT allow brake fluid to contact motor pack or electrical connectors. Premature failure of motor pack may result.
2.To bleed modulator at brake pipe connections, position shop towel below brake pipes. Using flare wrench, slightly open forward brake pipe fitting at ABS modulator assembly. Allow air to escape and then tighten fitting. Bleed remaining brake pipe connections at ABS modulator assembly from front to rear.
TCS Modulator Assembly
1.Remove TCS modulator assembly bolt to bracket to access bleeder valves. Attach a clear hose to right side bleeder valve and submerge other end of hose in a container of clean brake fluid. Slowly open right side bleeder valve. Allow fluid to flow until no air bubbles are seen in hose. Close valve and repeat procedure for left side bleeder valve.
CAUTION:DO NOT allow brake fluid to contact motor pack or electrical connectors. Premature failure of motor pack may result.
2.To bleed modulator at brake pipe connections, position shop towel below brake pipes. Using flare wrench, slightly open right side brake pipe fitting at TCS modulator assembly. Allow air to escape and then tighten fitting. Bleed remaining brake pipe connections at TCS modulator assembly from right to left.
Brake Caliper/Cylinder
Raise and support vehicle. Attach a clear hose to right rear bleeder valve and submerge other end of hose in a container of clean brake fluid. Open bleeder valve. Allow fluid to flow until no air bubbles are seen in hose. Tap lightly on caliper or backing plate to free trapped air. Close valve and repeat procedure on left front, left rear and right front bleeder valves.
Completing Bleeding Procedure
1.Lower vehicle. Remove pressure bleeding equipment and check reservoir level. Turn ignition on, with engine off. Apply moderate force to brake pedal, noting travel and feel. If pedal is firm and travel is not excessive, start engine and recheck. If okay, go to step 4) . If pedal feels soft or has
excessive travel, go to next step.
2.Using scan tool, release and then apply each ABS motor 2-3 times, and cycle each ABS solenoid 5-10 times. When finished, apply front and rear motors to return pistons to upper position. DO NOT drive vehicle. Repeat pressure bleeding procedure.
3.If scan tool is not available, with foot off brake pedal, run engine for at least 10 seconds to initialize ABS. DO NOT drive vehicle. After 10 seconds, turn ignition off. Repeat procedure 5 times to ensure trapped air has been dislodged. Repeat pressure bleeding procedure. 4.Road test vehicle, making several normal (non-ABS) stops from a moderate speed.
.
FIG 1

FIG 2

Sunday, August 31st, 2008 AT 6:55 AM