1995 Chevy Van V8 Two Wheel Drive Automatic 100K miles
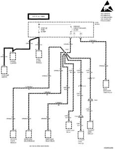
HI everyone and thank you in advance for your assitance. I am at the begining of diagnosising a battery drain. Customer reports battery will go dead after sitting over night. I have tested the battery suing a Snap On tester, it is ok, 650 CCA, alternator has also checked out ok 15.2v. I placed my ameter in line with the neg battery terminal and let the van sit for 20 minutes. While monitoring the meter I am getting a.225 draw. I started removing fuses until the drain fell below.02. The fuse that caused the drop is the "STOP HZ" fuse. Can anyone point me to a problem location and or a wiring diagram for this curcuit?
thanks.
Tuesday, October 19th, 2010 AT 11:14 AM

