Engine hot a/c shut off?

2008 CHEVROLET TRUCK
29,000 MILES • 6 CYL • 4WD • MANUAL
Avatar
KHESTER7923
  • MEMBER
  • 1 POST
engine hot a/c shut off. but engine not hot and temp guage stopped working
Sep 28, 2010 at 10:51 PM
Repair Safety Notice: This information is for general instructional purposes only. Vehicle repair can be dangerous. Verify all information, follow manufacturer service procedures, use proper tools and safety equipment, and consult a qualified repair shop when needed.
Advertisement
Avatar
SQM
  • CAR REPAIR CONTRIBUTOR
  • 6,383 POSTS
Hello,

If you have an overheating issue with the engine the A/C will not work properly.
As there is too much heat generated under the hood the A/C condenser will loose efficiency and the air will not be cold.
Typically if the engine overheats due to a faulty radiator cooling fan the A/C stops working when it overheats.

You will need to see if the fan come on when the engine at operational temperature.
The fan can stop working due to the fan relay, wiring harness or the fan motor.

https://www.2carpros.com/articles/how-an-electric-cooling-fan-works

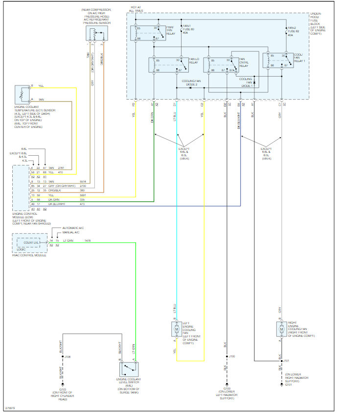
First check the relay. The relay is located in the junction box under the hood.
Visually check the relay for any corrosion or bunt pin(s).
The relay can be tested as well.

https://www.2carpros.com/articles/how-to-check-an-electrical-relay-and-wiring-control-circuit

I have attached diagrams for your reference.

Please let me know of any questions.

Thank you.
Aug 18, 2021 at 9:52 PM
Advertisement