brake pedal vibrations

2005 CHEVROLET TRUCK
9,000 MILES • V8 • 4WD • AUTOMATIC
Avatar
SIGI
  • MEMBER
  • 1 POST
On the way back to switzerland the padel start vibrations, shakes and moves up und down when I use the brake?
May 12, 2008 at 4:22 PM
Repair Safety Notice: This information is for general instructional purposes only. Vehicle repair can be dangerous. Verify all information, follow manufacturer service procedures, use proper tools and safety equipment, and consult a qualified repair shop when needed.
Advertisement
Avatar
DANNY L
  • CAR REPAIR CONTRIBUTOR
  • 5,648 POSTS
Hello, I'm Danny.

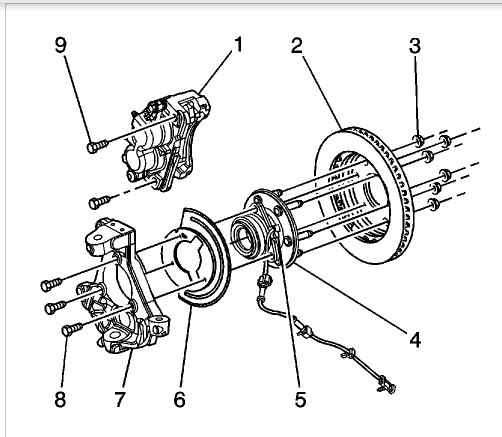
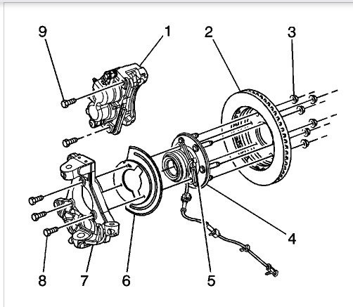
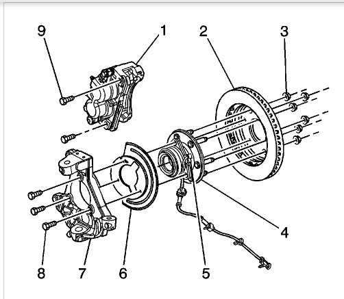
Here is the information you requested. The wheel speed sensor is built into the hub assembly. Here are guides to help you step by step with instructions in the diagrams below to show you how on your truck:

https://www.2carpros.com/articles/how-to-replace-an-abs-wheel-speed-sensor

https://www.2carpros.com/articles/bearing-hub-replacement

I've attached picture steps below on how to change the wheel speed sensor-hub assembly on your truck. Hope this helps and thanks for using 2CarPros.
Apr 26, 2021 at 10:34 PM
Advertisement