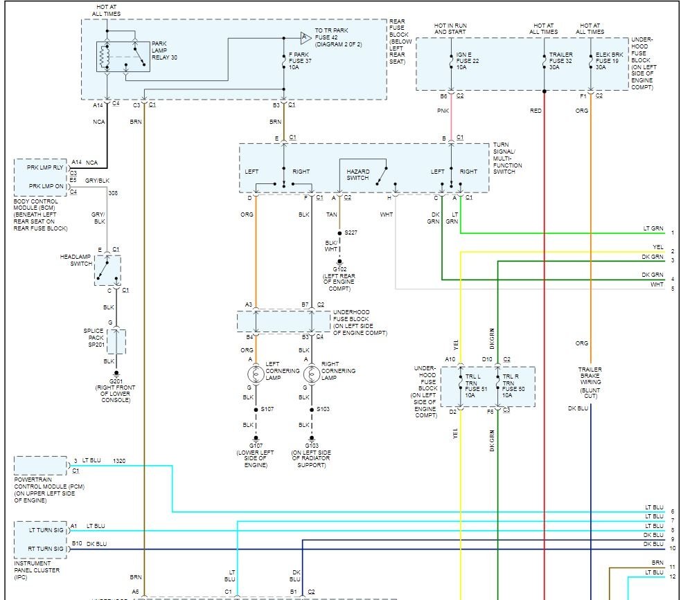
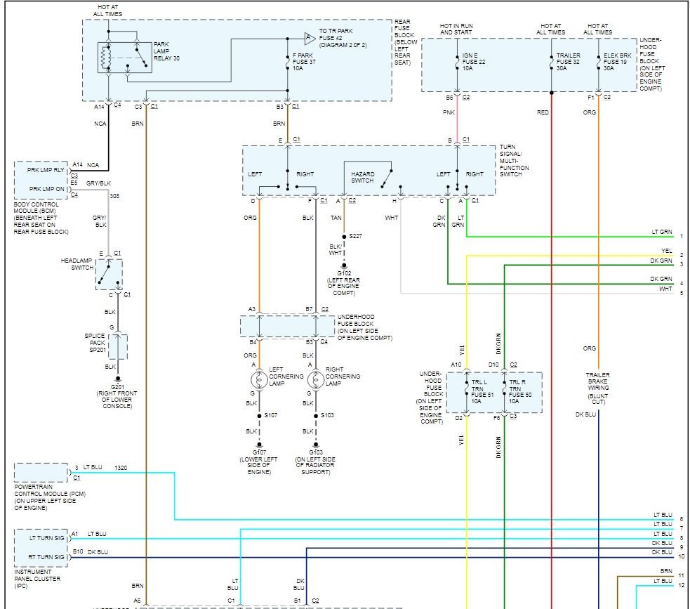
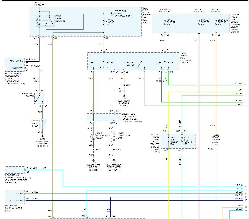
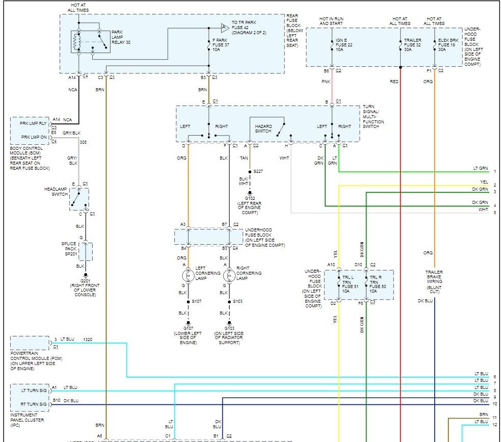
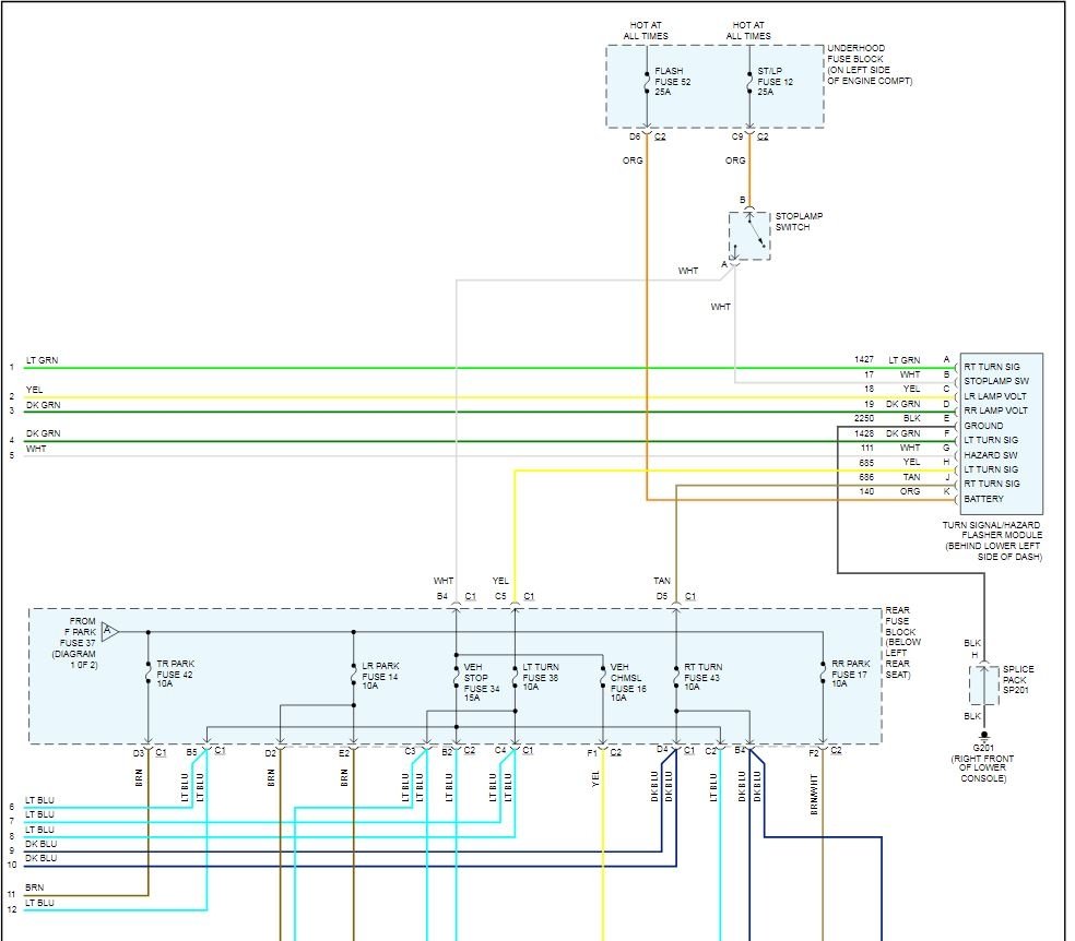
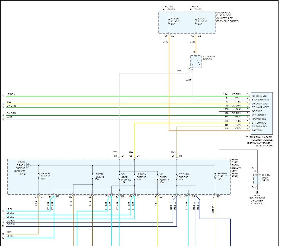
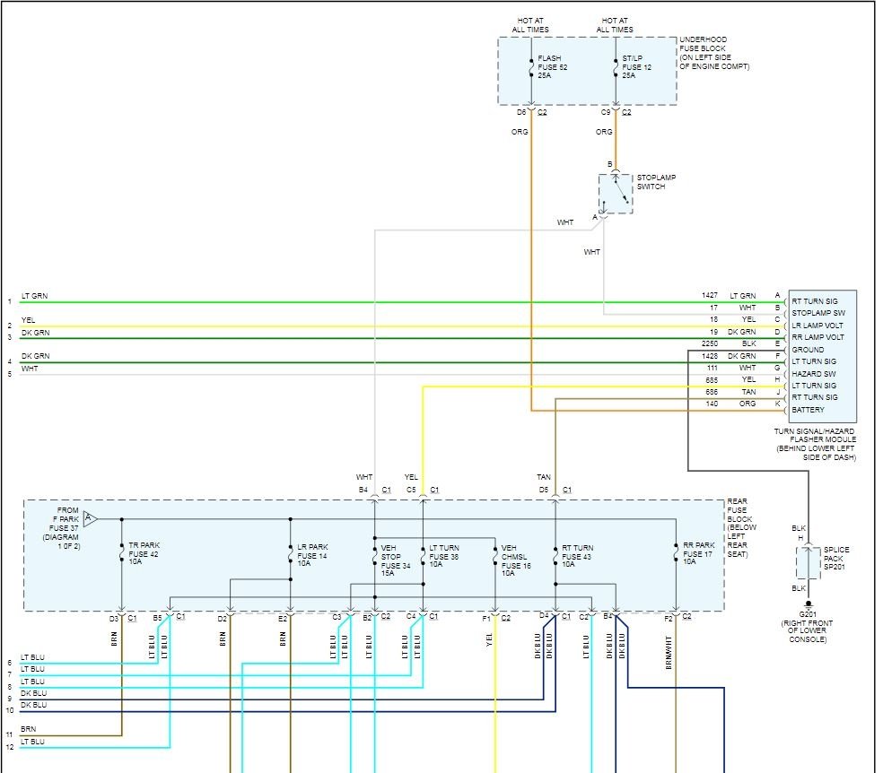
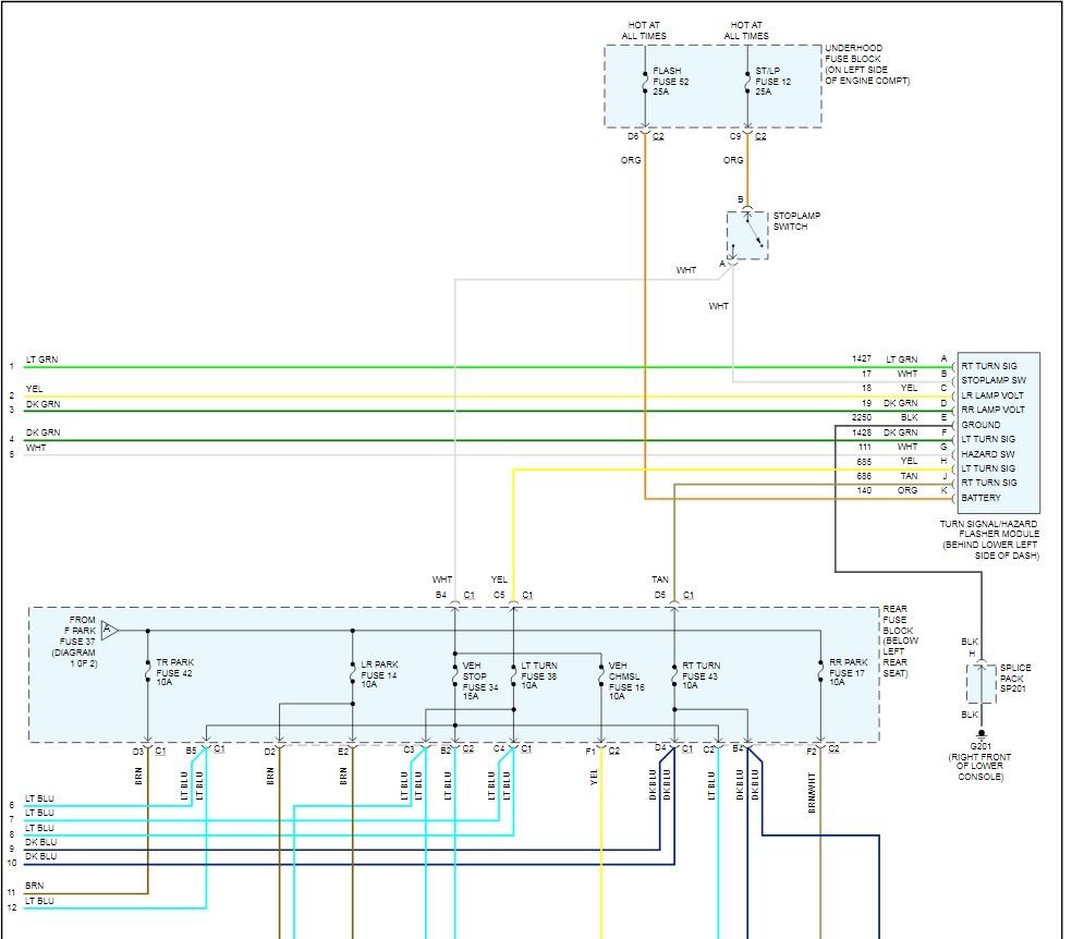
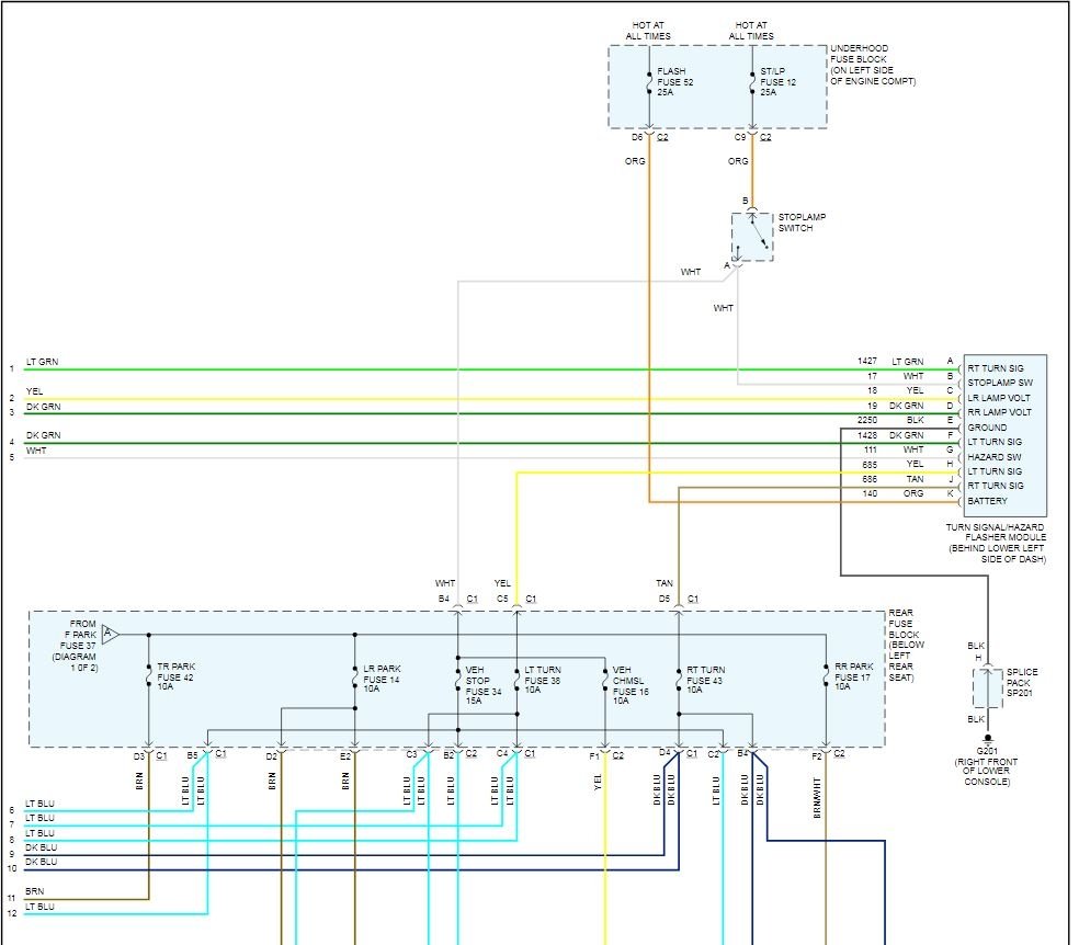
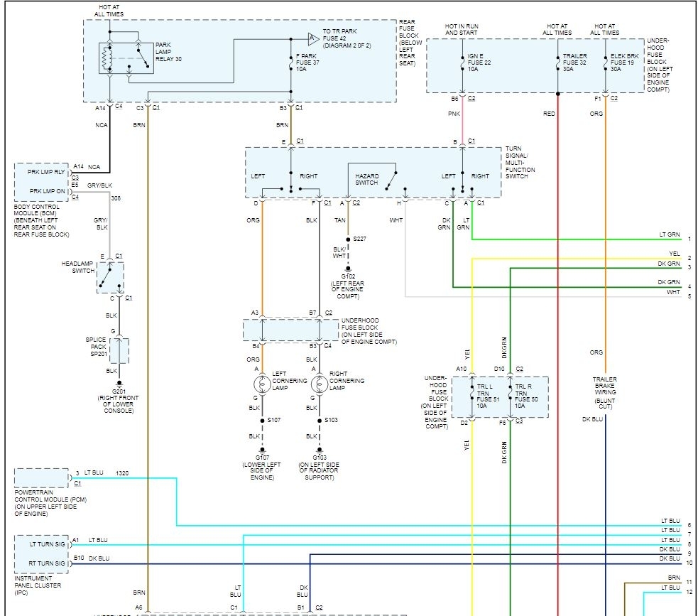
I suspect that it is a relay that has gone? Do you agree?
If so. Where is this relay? In the manual none of the micro or solid relays says "Turn signal relay" Is there another word for it or is this located somewhere else?
Thanks.
Monday, August 14th, 2006 AT 5:11 PM





