Charging problem

Tiny
HAGGLUNDBV206
  • MEMBER
  • 1998 CHEVROLET TRUCK
I am having trouble with my 98 astro keeping the battery charged. I have replaced the alternator twice and it has a new battery as well. Weird thing about it is the battery will charge most of the time when its at idle, but voltage drops when there is a load on the motor. On the highway the drop is down to 10 to 12 volts and killing the motor. I was suspicious of the fuel pump. Could a bad pump cause this type of problem? I can hear the pump go up and down at the same time the voltage changes. Seems to me like the battery should charge more at highway speed than at idle. But it's opposite. I really don't even know where to start.
Saturday, April 15th, 2006 AT 12:05 AM

3 Replies

Tiny
KASEKENNY
  • MECHANIC
  • 18,907 POSTS
There are a number of things that can cause this. So, let's start at the beginning as if you have not done anything.

Let's get the battery and alternator tested so that we can rule that out for good. Just replacing them at some point in the process does not mean that they are good parts so before we dive into test the rest of this, we need to rule that out for good.

https://www.2carpros.com/articles/car-battery-load-test

https://www.2carpros.com/articles/how-to-check-a-car-alternator

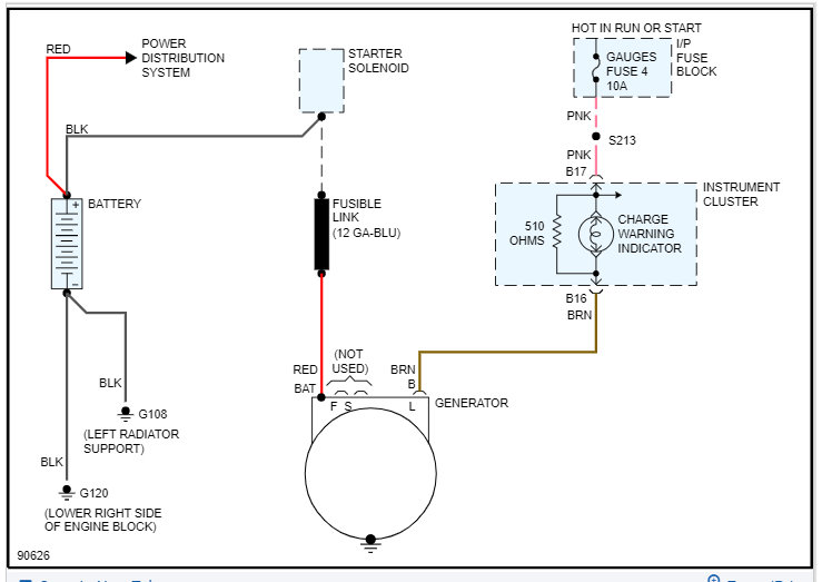
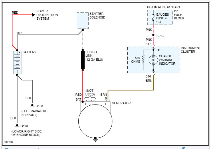
Assuming they are both passing these tests then we most likely have a wiring issue where we have high resistance in the wiring, and it is not able to carry the load that the engine and electrical system needs at times of higher demand.

So, this means each of the wires going to the alternator needs to be load tested or resistance checked. I would not use a light bulb to load check them as we need to get a definitive measurement and trying to judge the brightness of a bulb is not definitive.

https://www.2carpros.com/articles/how-to-use-a-voltmeter

https://www.2carpros.com/articles/how-to-check-wiring

On this vehicle this testing is going to be easier because you only have two wires. So, we need to disconnect the wire from the starter and battery and then measure the resistance from the battery connection to the starter. Then from the starter to the alternator with it unhooked from the alternator as well.

Both readings should be less than a half ohm. If they are then we need to inspect the connections at each point on this circuit.

Then do the same for the circuit on the indicator. As you can see this indicator gets turned on based on a resistor so if there is resistance in the wire then that could falsely turn the light on.

Please let us know what you find or what questions you have. Thanks
Was this
answer
helpful?
Yes
No
Wednesday, March 30th, 2022 AT 9:07 AM
Tiny
HAGGLUNDBV206
  • MEMBER
  • 1 POST
Yep, that wire is important, I opened up the connector and soldered the wire back onto it and it's working perfect. Thanks for all the help.
Was this
answer
helpful?
Yes
No
Wednesday, March 30th, 2022 AT 9:07 AM
Tiny
KASEKENNY
  • MECHANIC
  • 18,907 POSTS
Thanks. That is great. I assume you found a connection issue with the main cable from the battery. So, thanks again for the update and using 2CarPros.
Was this
answer
helpful?
Yes
No
Wednesday, March 30th, 2022 AT 9:08 AM

Please login or register to post a reply.