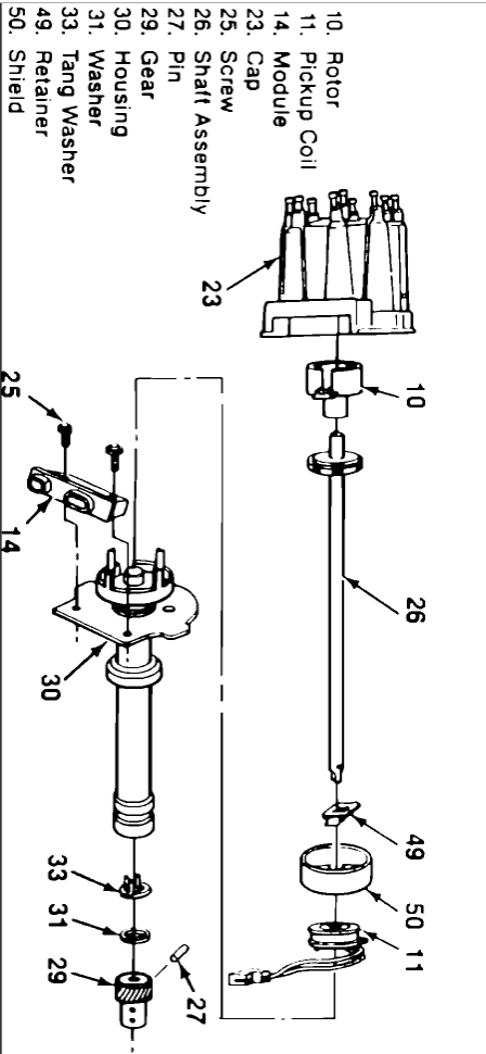
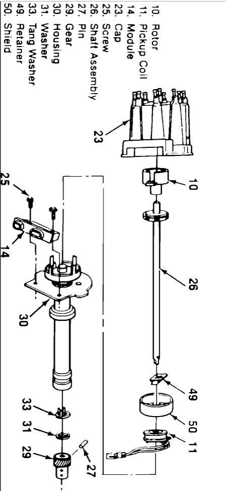
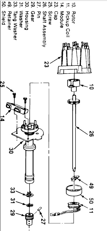
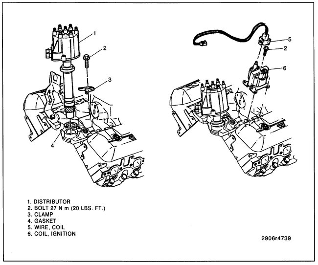
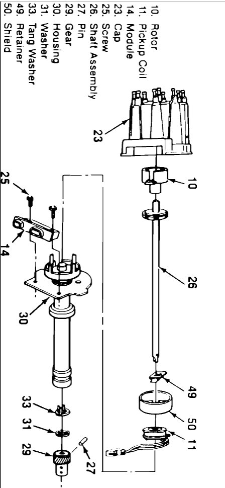
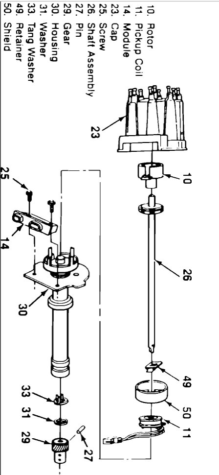
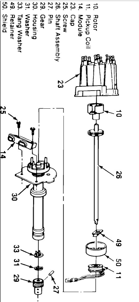
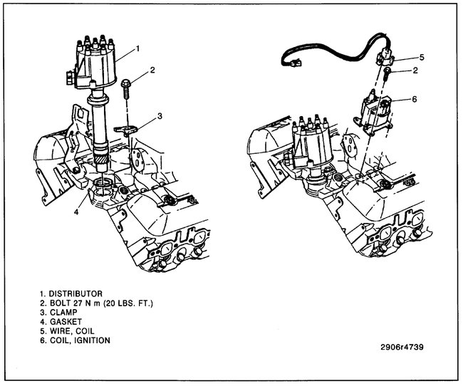
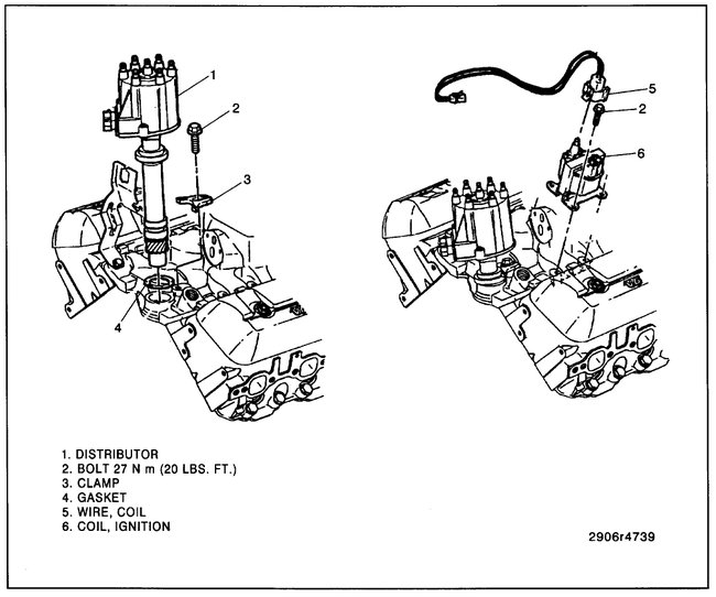
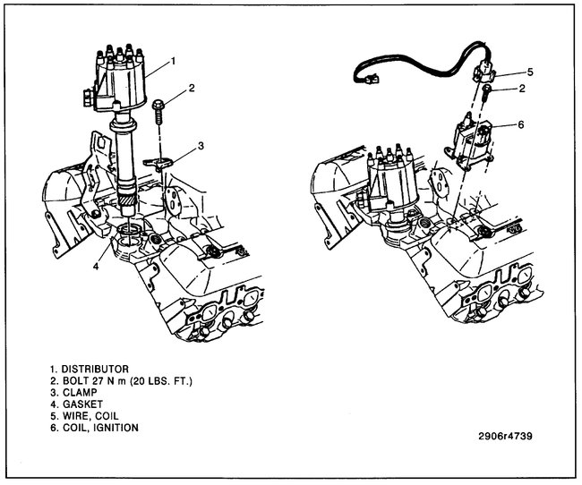
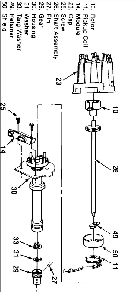
Thanks for the reply. I don't know how to check the pickup coil without removing the distributor. if it's any help I don't even have power at the pink wire that goes from the ignition switch to the ignition coil. I didn't replace the pickup
it just cranks & cranks but it won't start, there's no power on the pink wire in the on position or while cranking. another thing I just noticed when i turn the ignition switch to the on position I don't see the gauge lights like the battery,park brake & so on.if i put the jumper wire on the coil & battery the gauges show ok, but it still won't start. thanks so much for your help! PS: the pink wire on the picture is at the ignition switch, with no power when cranking or when switch is turned to the on position.

Thanks for any help.
Saturday, September 25th, 2010 AT 5:15 PM