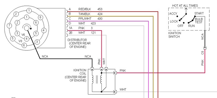
Thursday, August 4th, 2011 AT 2:50 PM
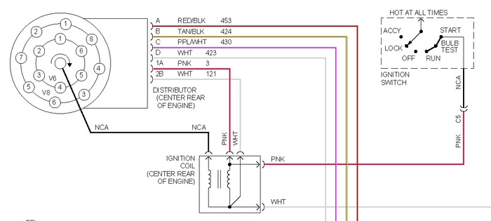
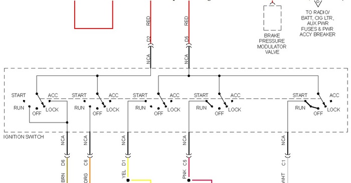
Truck ran strange last few days, Would try to cut out like it lost electrical & would kick it self back on, after a couple more days, it would stall, but start back up, alternator gauge would drop to zero each time it quit. When it finally quit for good, no dash warning lights would come on, warning buzzers wouldnt work either, act's like instrument cluster has no power. Checked fuses, all seem good. There is power going to ignition fuses but using a test light, no power to distributor ( probed pink wire with black stripe with ignition on) Truck does turn over which makes me curious as I was thinking it was the ignition switch & it wouldnt turn over if switch was bad would it? At a loss as to what to check next. Truck showed no codes before it quit




