XTooltipElement Service Information
2005 Chevrolet TrailBlazer - 4WD | Envoy, Rainier, TrailBlazer, Ascender (VIN S/T) Service Manual | Body | Lighting Systems | Repair Instructions | Document ID: 742449
Headlamp Replacement (TrailBlazer)
Removal Procedure
Open and support the hood.
Remove the grille. Refer to Grille Replacement .
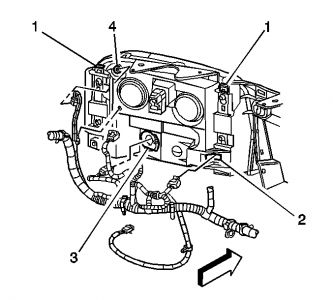
Pull up on the retaining tabs (1) in order to remove the headlamp assembly from the headlamp panel.
Disconnect the headlamp leveling electrical connector from the motor/actuator if equipped.
Disconnect the headlamp electrical connector (2) from the headlamp assembly.
Remove the side marker socket (4) from the headlamp assembly.
Remove the park/turn socket (3) from the headlamp assembly.
Remove the headlamp assembly from the headlamp panel.
Installation Procedure
Position the headlamp assembly to the headlamp panel.
Index and seat the tabs on the park/turn socket (3) to the headlamp assembly.
Index and seat the tabs on the side marker socket (4) to the headlamp assembly.
Connect the headlamp electrical connector (2).
Connect the headlamp leveling electrical connector to the motor/actuator if equipped.
Align and install the 4 locator pins on the back of the headlamp assembly into the retaining tab holes.
Push down on the retaining tabs (1) in order to lock the headlamp assembly into the headlamp panel.
Install the grille. Refer to Grille Replacement .
Close the hood.
© 2008 General Motors Corporation. All rights reserved.

Thursday, January 7th, 2021 AT 10:26 AM
(Merged)