Poor Fuel economy

Tiny
STICKEYFINGERS
  • MEMBER
  • 2005 CHEVROLET TAHOE
  • V8
  • 4WD
  • AUTOMATIC
  • 67,000 MILES
I have noticed a big drop in my fuel economy. The on board computer says that it it only getting about 13 mpg in the city. There has been no loss in power and no warning lights have appeared on the dash. The air filter has also been replaced. I have a friend with appx 100,000 miles on the same vehicle and his says that it is averaging about 19.6 mpg in the city. Any suggestions before I spend big money at the dealership without any answer?
Saturday, March 20th, 2010 AT 8:25 AM

29 Replies

Tiny
CARADIODOC
  • MECHANIC
  • 34,481 POSTS
This is probably the MAF sensor becoming dirty or needed replacement, though the sensor is starting to go bad the computer will not set a code for this here is a guide to help walk you through the repair.

https://www.2carpros.com/articles/how-to-replace-a-mass-air-flow-sensor-maf

Please run down this guide and report back.

Was this
answer
helpful?
Yes
No
+1
Sunday, March 21st, 2010 AT 4:08 AM
Tiny
CHARGERFANATIC
  • MEMBER
  • 1 POST
  • 2004 CHEVROLET TAHOE
  • 105,000 MILES
Several years ago, when I bought my 2004 Tahoe K1500 LT w/the 5.3L V8 FFV, it averaged 13.5 mpg in town. Since then, fuel economy has been gradually decreasing, and now it averages 10.9 mpg in town. I have performed all the scheduled maintenance, and keep the tires at the proper level of inflation. Why might this be? Thanks
Was this
answer
helpful?
Yes
No
Thursday, February 25th, 2021 AT 3:34 PM (Merged)
Tiny
DRCRANKNWRENCH
  • MECHANIC
  • 3,380 POSTS
Bad gas mileage is usually tied to an oxygen sensor or a leak near it. The sensor sees a lean condition and adds gas that is not needed. Other possibilities are blockages in the air intake path or exhaust path.
Was this
answer
helpful?
Yes
No
+3
Thursday, February 25th, 2021 AT 3:34 PM (Merged)
Tiny
DTHOMP
  • MEMBER
  • 15 POSTS
  • 2003 CHEVROLET TAHOE
  • 5.3L
  • V8
  • 4WD
  • AUTOMATIC
  • 298,000 MILES
I have my SUV listed above is a Z71.
I've been experiencing horrible gas mileage, the digital indicator (miles until empty) fluctuates wildly. For example, it can be resting at 120 (miles), I drive one mile and it ticks down to 110 or below, then it may creep back up to 115, then when I park and put it into "P" it will climb up or down another 6, 7, 8 digits. The gas needle corresponds, so it appears the gas is being burned as opposed to a faulty sensor. I've replaced the throttle body (ACDelco with sensor), bank 1 O2 sensor, catalytic converter, PCV valve, spark plugs (ACDelco) and wires are less than two years old, and a new thermostat (ACDelco). Most recent codes show p0174. The thermostat was replaced twice (first was after-market) because it was stuck open and the engine was not reaching the proper temperature, the new thermostat (ACDelco) seems to be doing the same, not reaching the 210 degree mark, only reaching about 180 or so. I believe there is also a small intake gasket leak. I would appreciate any help and advice I can get. Tired of throwing parts at this thing.
Was this
answer
helpful?
Yes
No
Thursday, February 25th, 2021 AT 3:34 PM (Merged)
Tiny
JACOBANDNICKOLAS
  • MECHANIC
  • 110,192 POSTS
Welcome to 2CarPros.

My first concern that needs attention is the intake vacuum leak. If the engine is getting unmetered air into the combustion chamber, it is going to cause a lean mixture at the O2 sensors. As a result, the computer is going to try to make the air fuel mixture richer. And yes, this will cause excessive fuel consumption.

To confirm there is a leak, here is a link that shows how to do it:

https://www.2carpros.com/articles/how-to-use-an-engine-vacuum-gauge

As far as the decrease in MPG when you stop, that is normal. The engine is running and consuming fuel, but the vehicle isn't moving. Therefore, the MPG will drop.

The other concern is the coolant temp. Follow the diagnostic flow chart in pictures 1 and 2 to determine if the fan clutch is bad. If may be fully engaged all the time which can cause the engine not to warm up properly.

One more thought. If you have access to a live data scanner, I need you to check the engine coolant temperature sensor reading when the engine is cold and at normal operating temp.
See if it seems accurate.

_______________________________________________________

Of you confirm the intake is leaking, here are the directions for replacement of the gasket. The remaining pictures correlate with these directions (starting with number 3).

INTAKE MANIFOLD REPLACEMENT
Intake Manifold Replacement

Removal Procedure

Important:The intake manifold, throttle body, fuel rail, and injectors may be removed as a complete assembly. If not servicing the individual components, remove the manifold as a complete assembly.

1. Remove the throttle body.
2. Remove the fuel injectors.

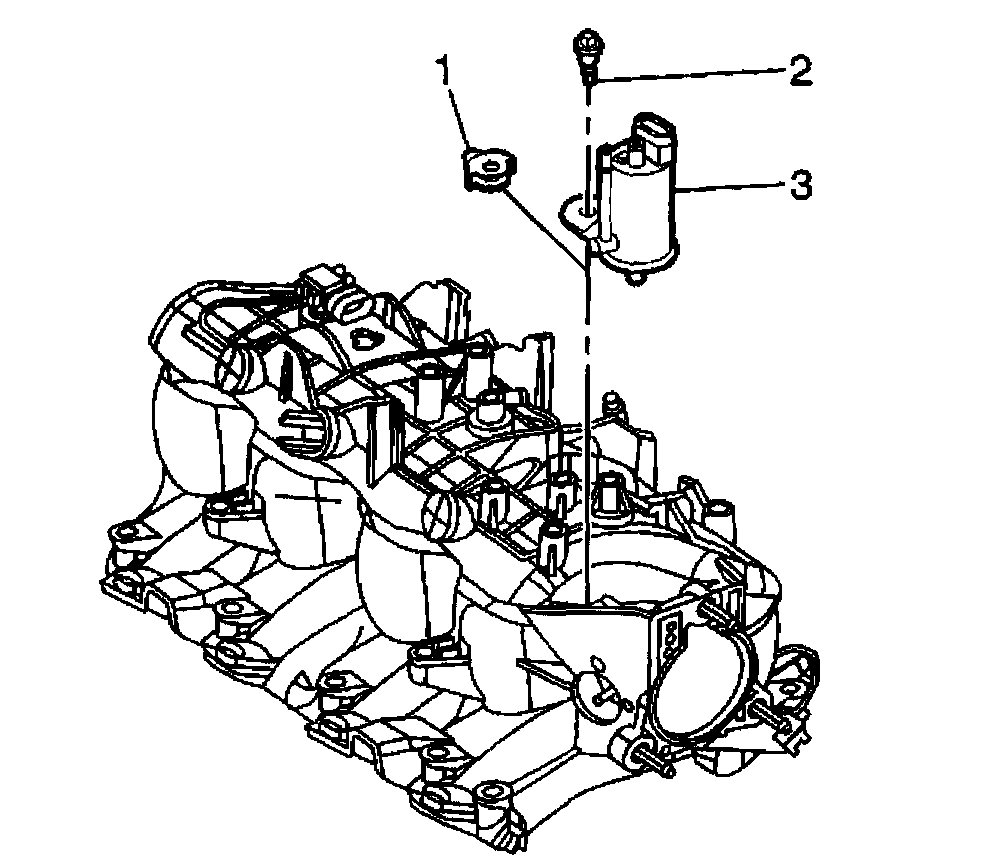
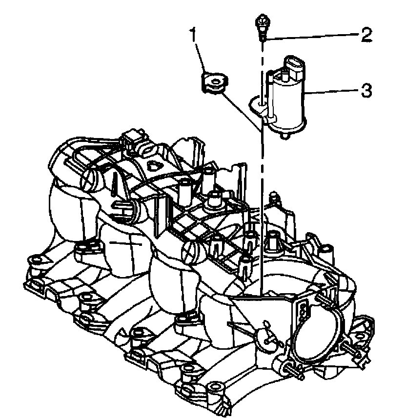
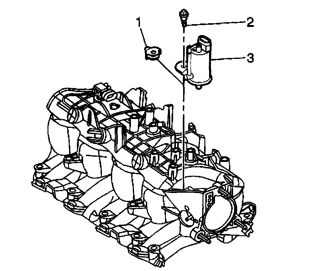
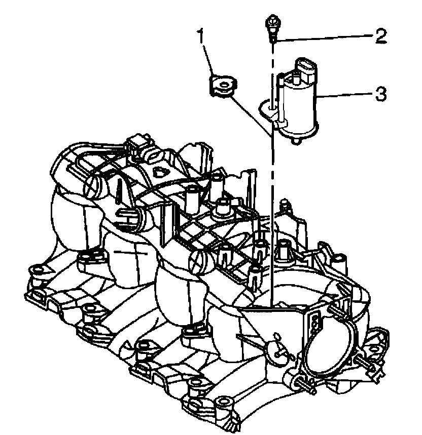
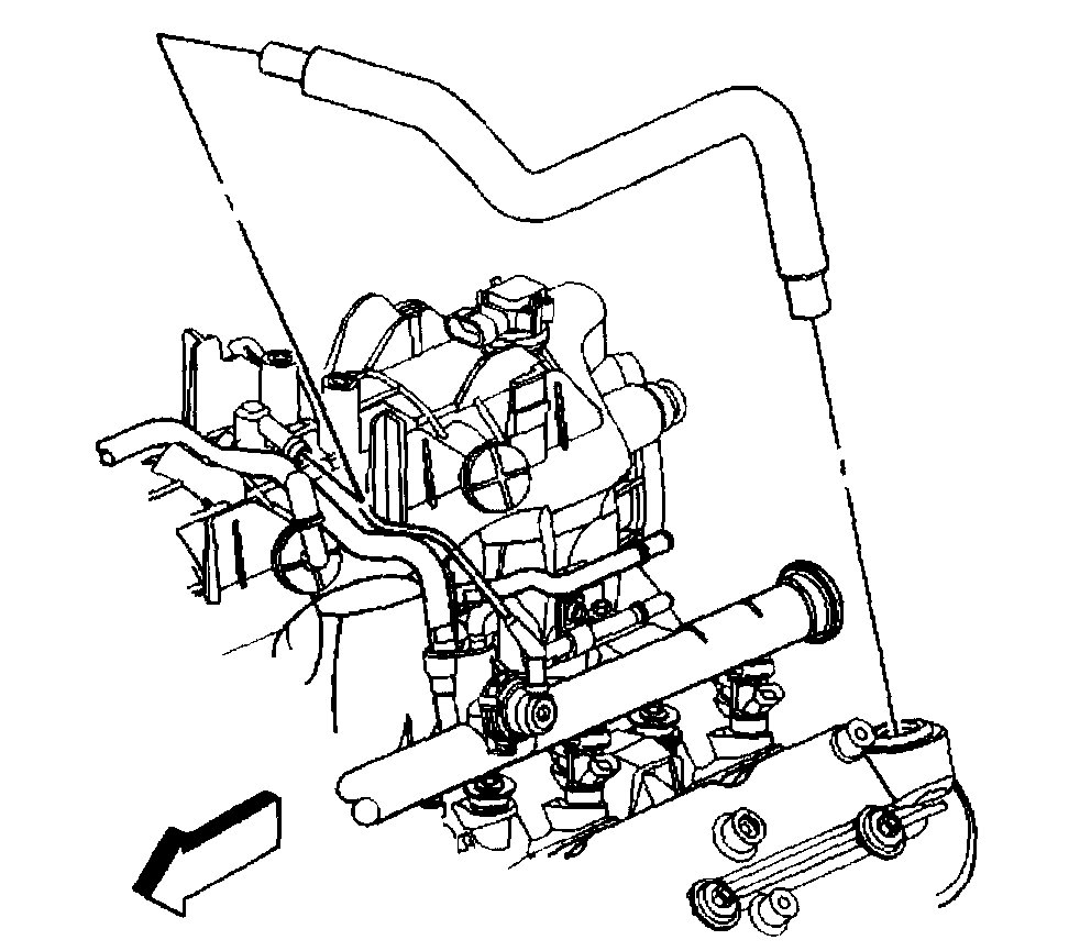
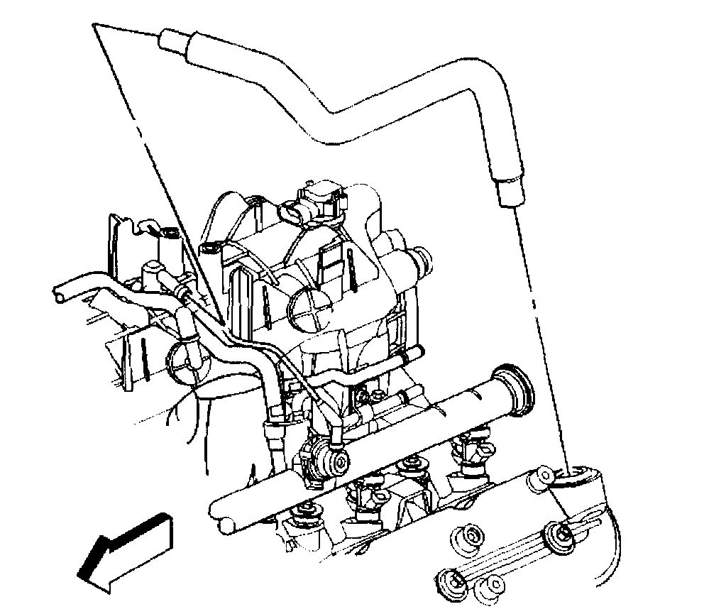
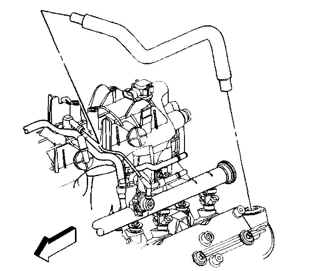
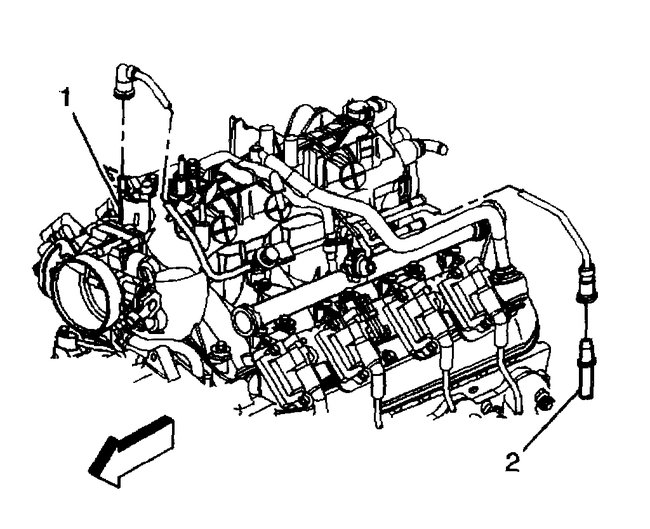
Picture 3

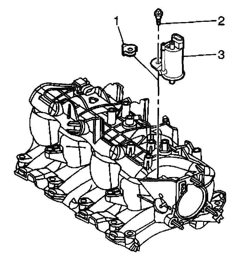
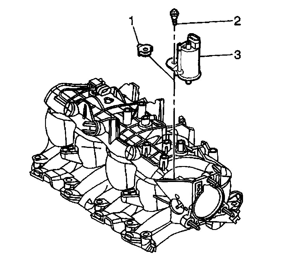
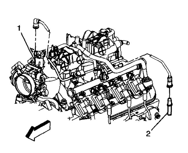
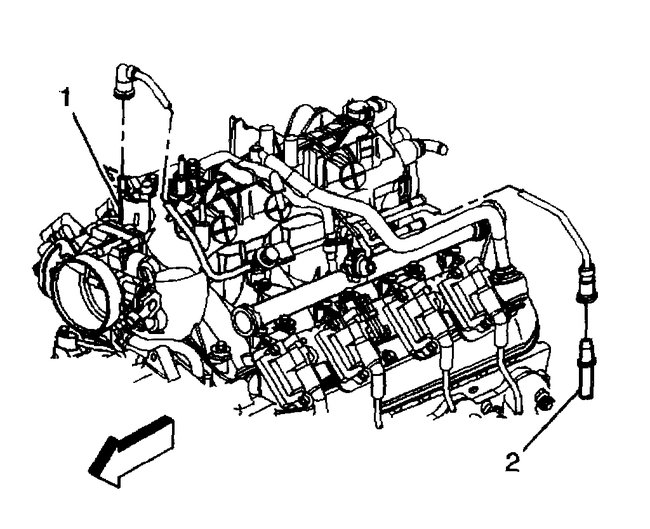
3. Disconnect the following electrical connectors:
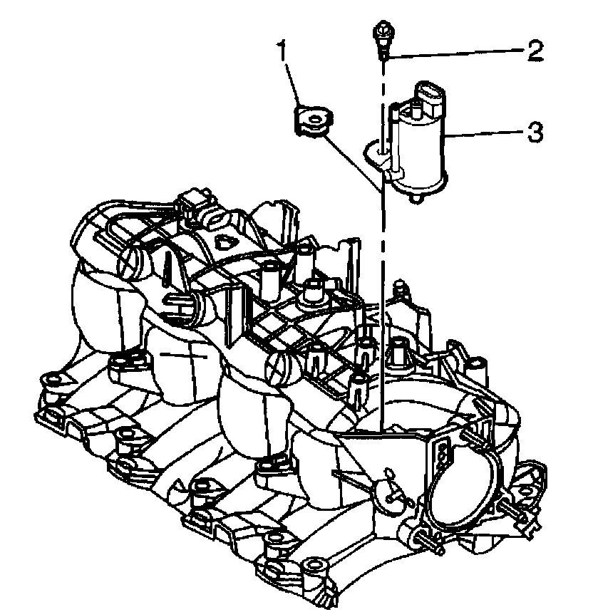
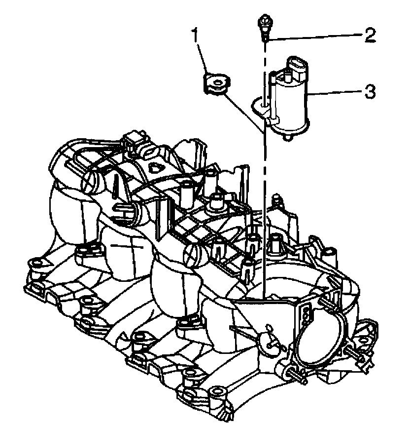
- The Manifold absolute pressure (MAP) sensor (1)
- The knock sensor (2)

4. Remove the knock sensor harness electrical connector from the intake manifold.
5. Set the electrical harness aside.

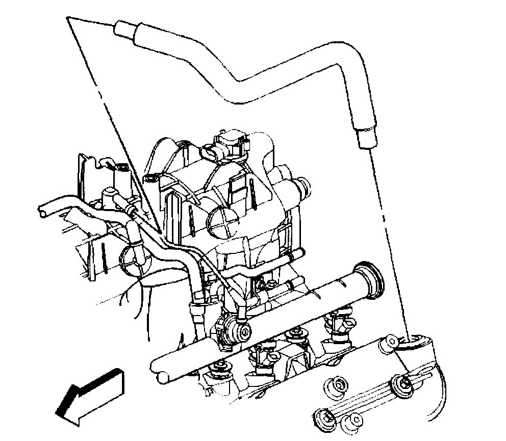
Picture 4

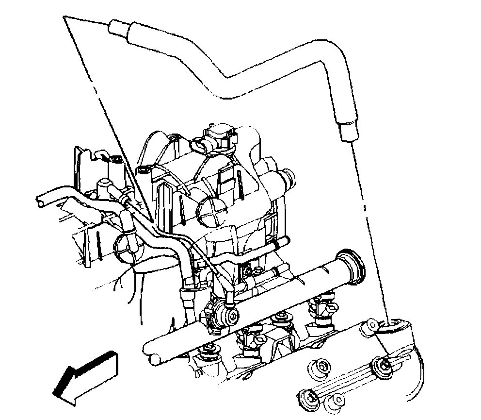
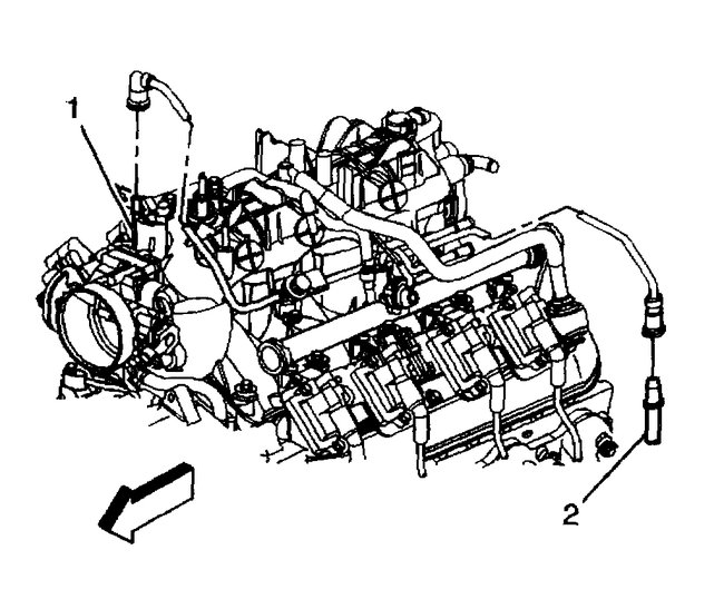
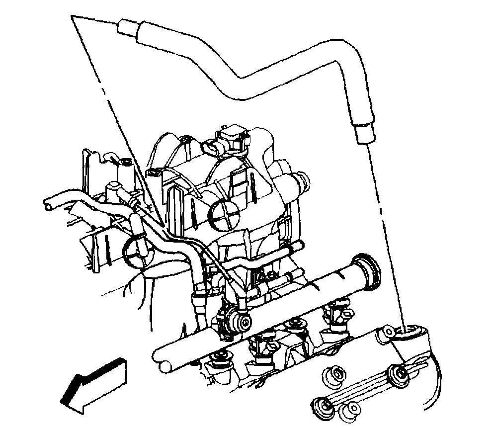
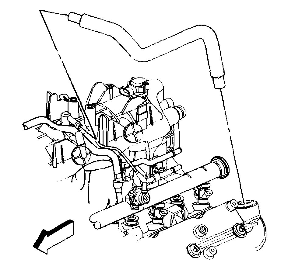
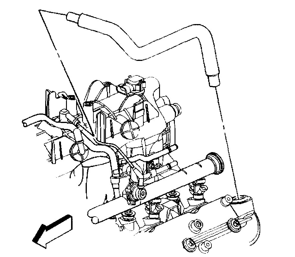
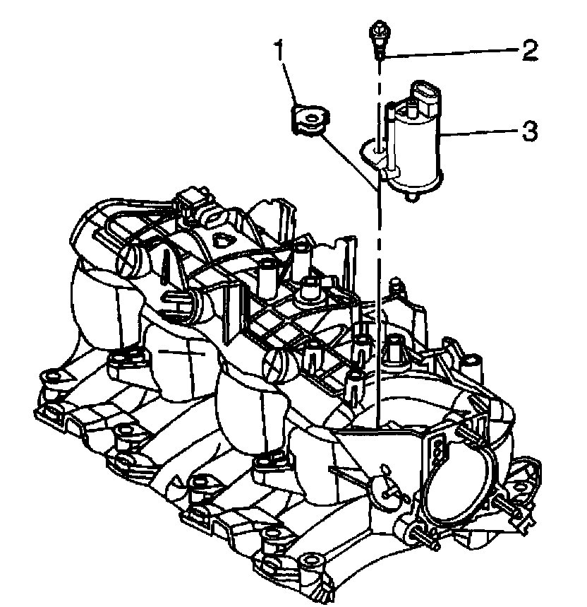
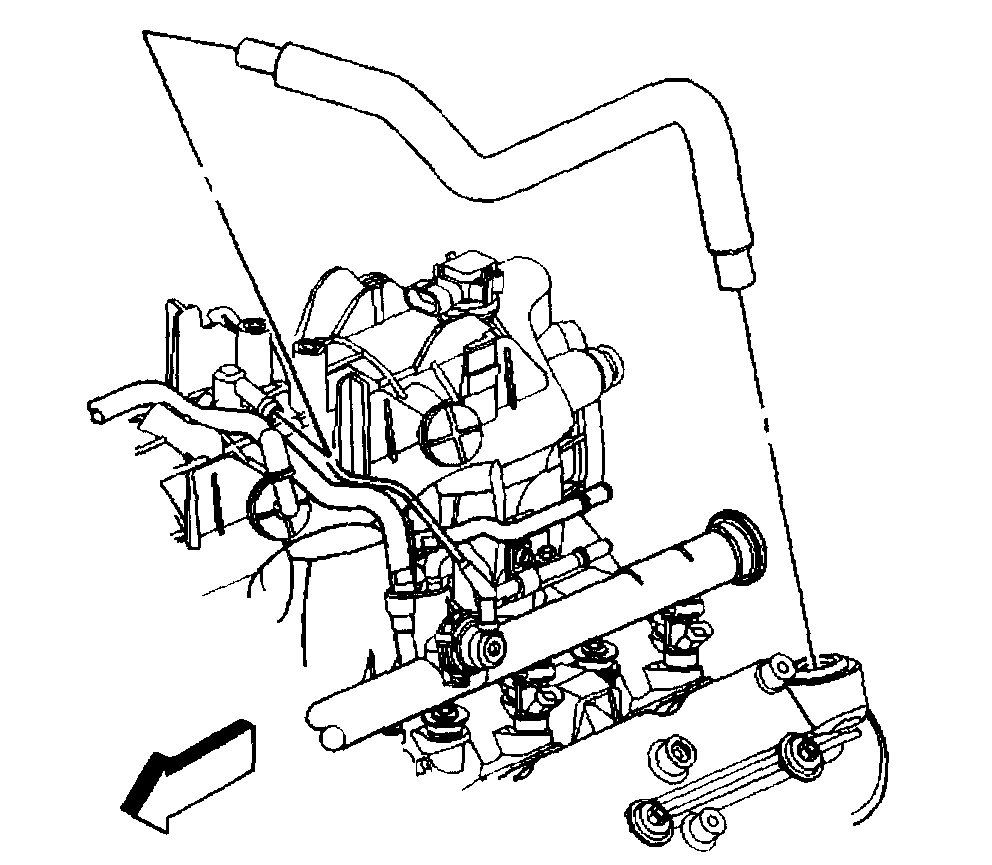
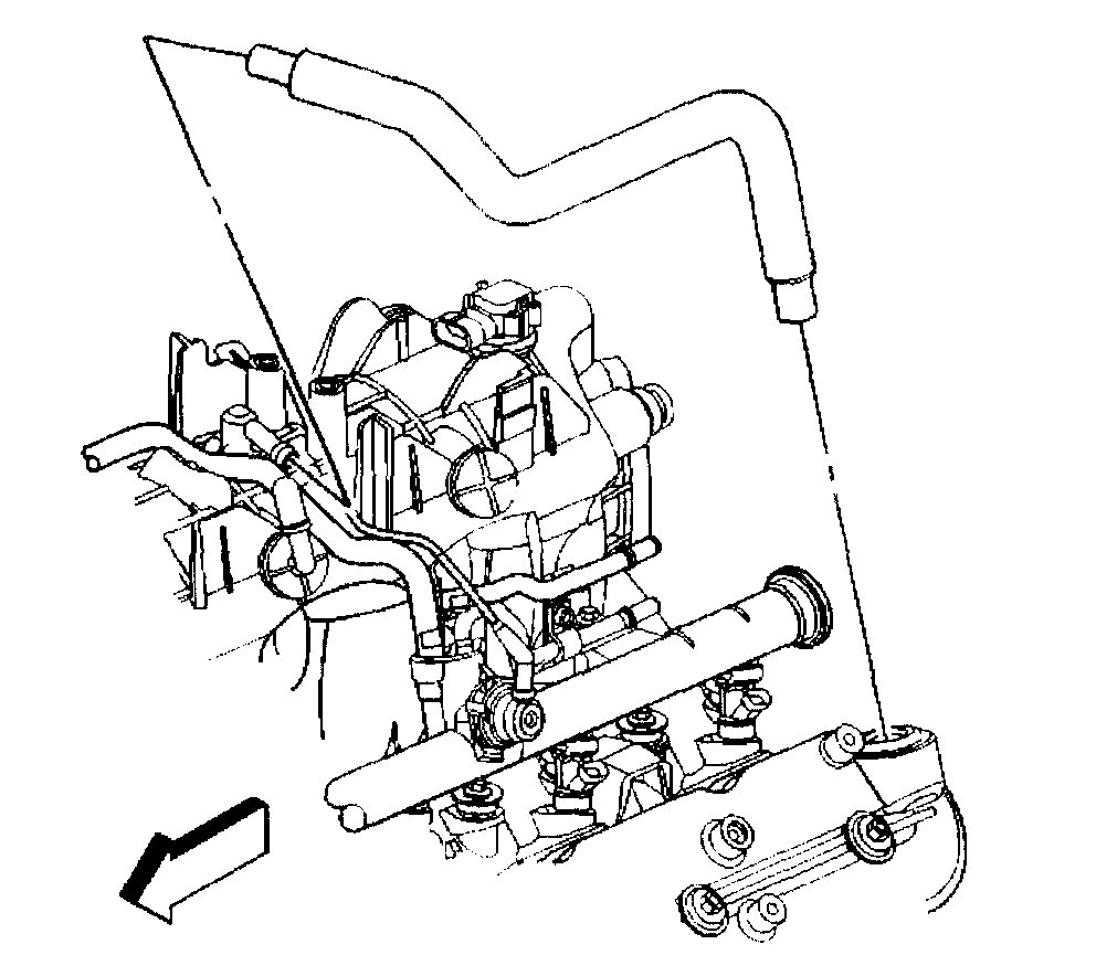
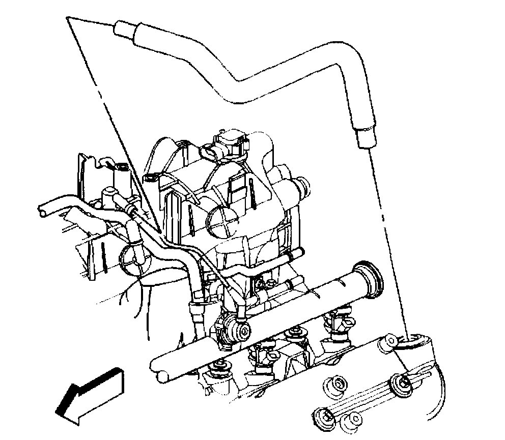
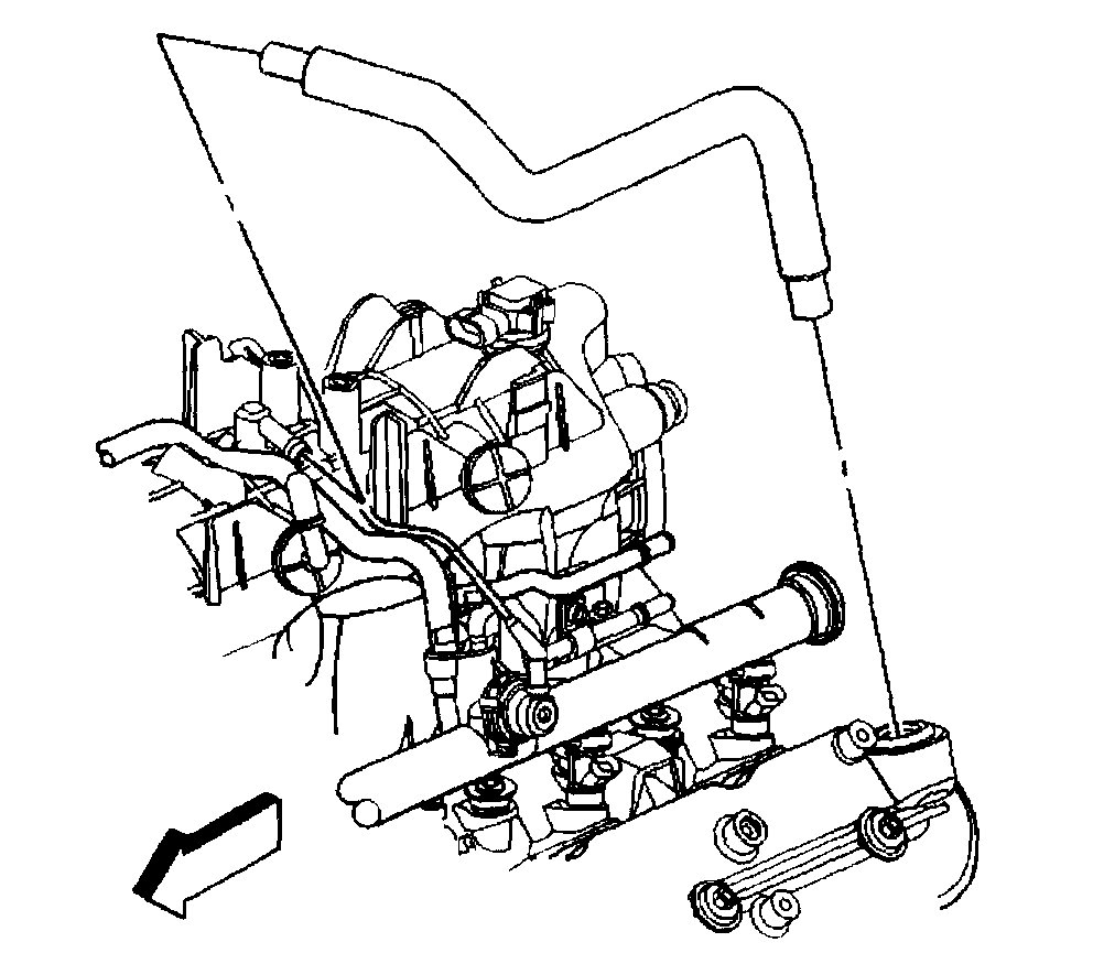
6. If equipped with vacuum assisted brakes, remove the vacuum brake booster hose from the rear of the intake manifold.

Picture 5

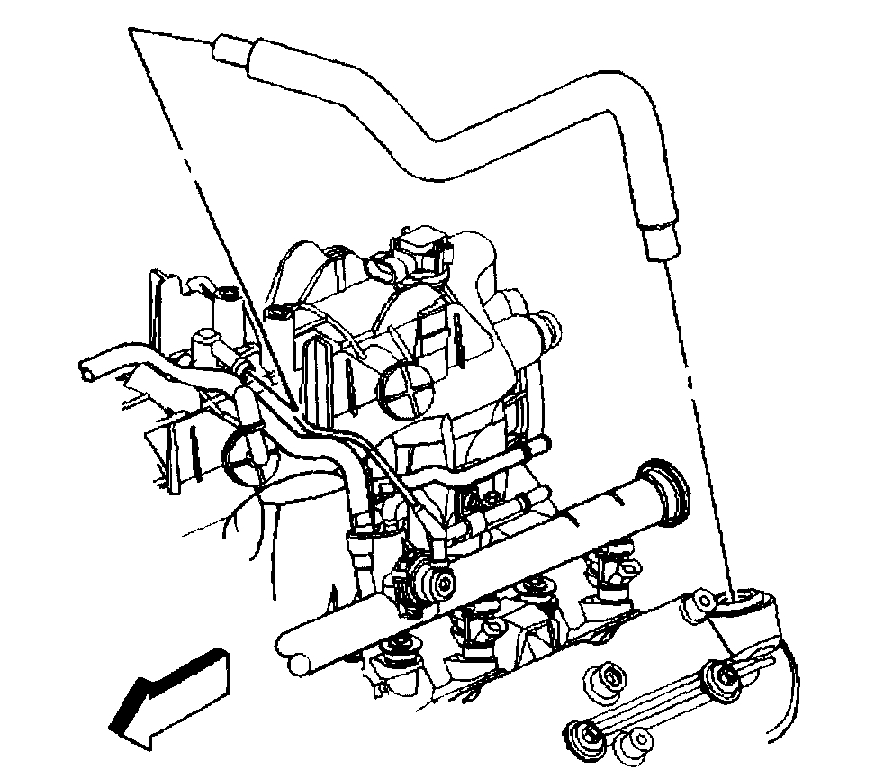
7. Remove the Positive Crankcase Ventilation (PCV) hose with valve.

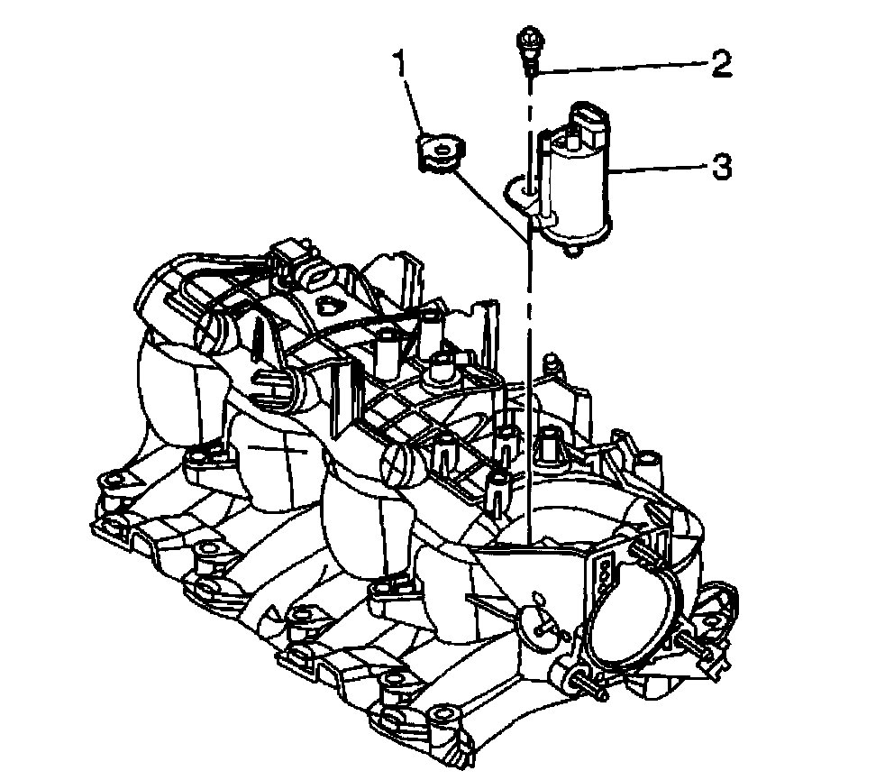
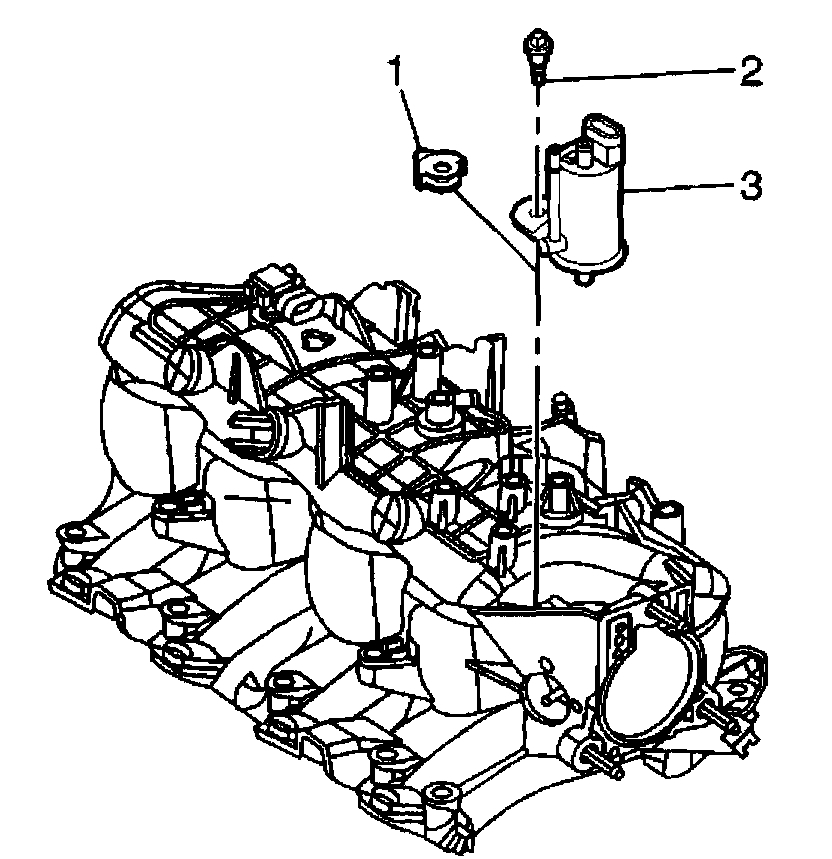
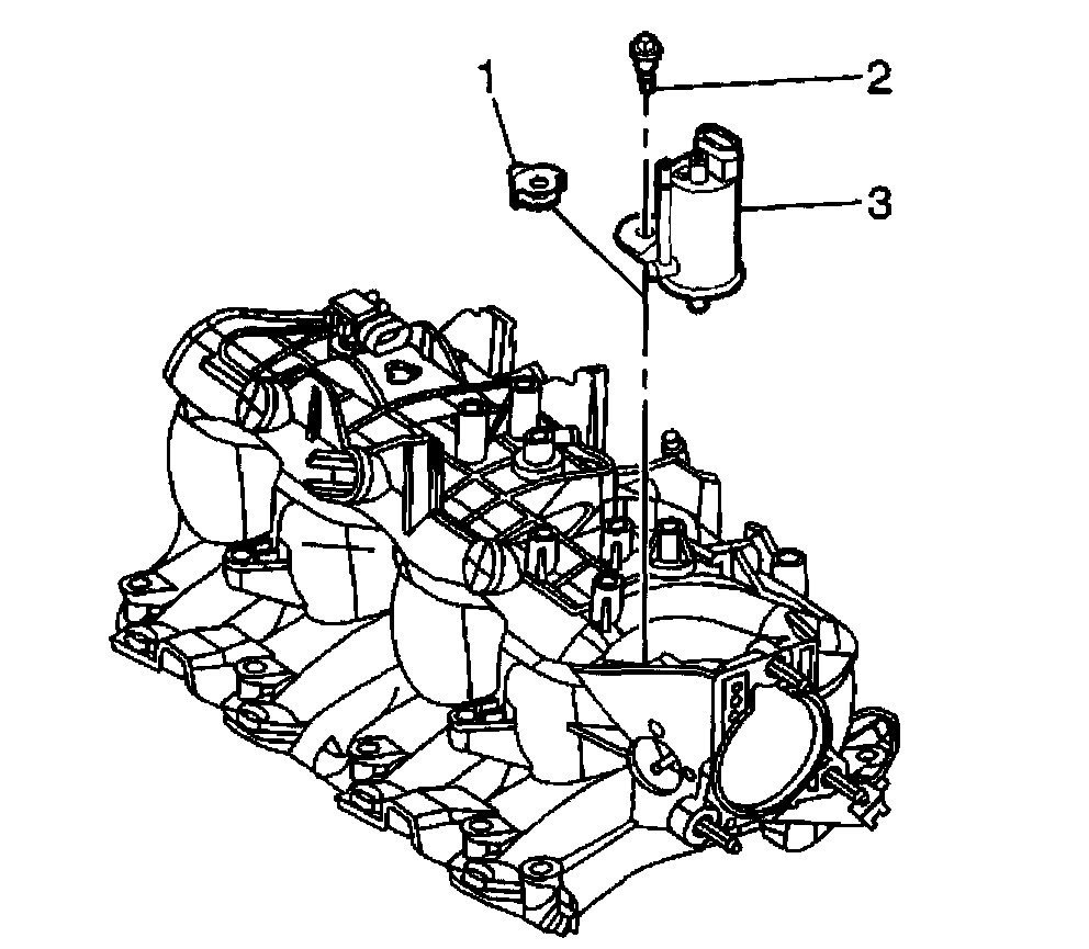
Picture 6

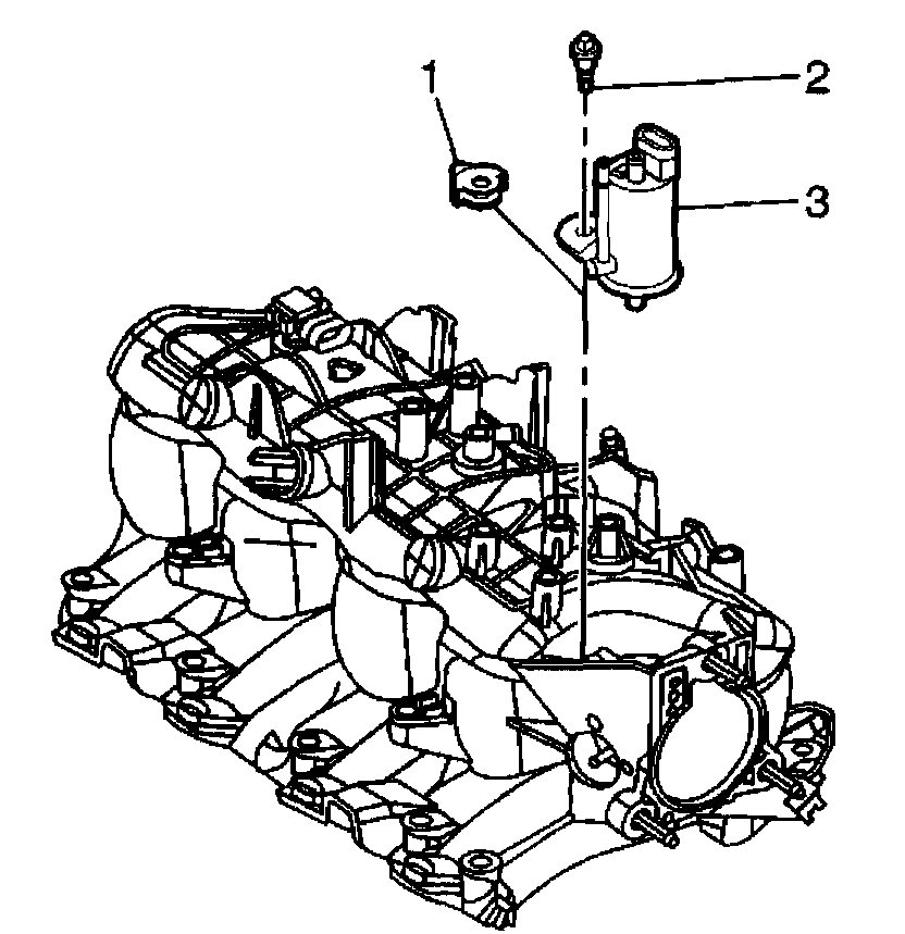
8. Remove the MAP sensor (1) from the intake manifold.

Picture 7

9. Remove the Evaporative Emission (EVAP) purge solenoid vent tube by performing the following:
9.1. Remove the EVAP tube end from the solenoid (1).
9.2. Remove the EVAP tube end from the vapor pipe (2).

Picture 8

10. Remove the EVAP purge solenoid bolt (2), solenoid (3), and isolator (1) from the intake manifold.

Picture 9

11. Loosen the intake manifold bolts.
12. Remove the intake manifold.

Picture 10

13. Remove the intake manifold gaskets (1) from the intake manifold.
14. Discard the old intake manifold gaskets.
15. If required, clean and inspect the intake manifold.

Installation Procedure

Picture 11

1. Install NEW intake manifold gaskets (1) to the intake manifold.

Picture 12

2. Install the intake manifold.
3. Apply a 5 mm (0.20 inch) band of threadlock GM P/N 12345382 (Canadian P/N 10953489), or equivalent to the threads of the intake manifold bolts.

Notice: Refer to Fastener Notice in Service Precautions.
See: Engine, Cooling and Exhaust > Vehicle Damage Warnings > Fastener Notice

Intake Manifold Bolt Torque Sequence
pic 13

4. Tighten the intake manifold bolts.
4.1. Tighten the bolts a first pass in sequence to 5 Nm (44 inch lbs.).
4.2. Tighten the bolts a final pass in sequence to 10 Nm (89 inch lbs.).

Picture 14

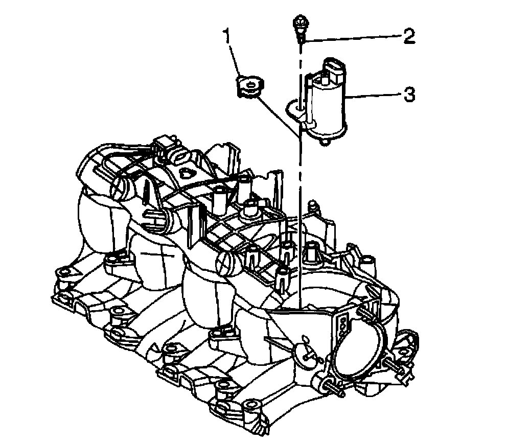
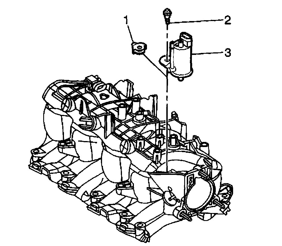
5. Install the EVAP purge solenoid (3), isolator (1), and bolt (2) to the intake manifold.
Tighten the bolt to 10 Nm (89 inch lbs.).

Picture 15

6. Install the EVAP purge solenoid vent tube to the solenoid (1) and vapor pipe (2).

Important:Lightly coat the MAP sensor seal with clean engine oil before installing.

Picture 16

7. Install the MAP sensor (1) to the intake manifold.

Picture 17

8. Install the PCV hose with valve.

Picture 18

9. If equipped with vacuum assisted brakes, install the vacuum brake booster hose to the rear of the intake manifold.
10. Route the electrical harness into position over the engine.

Picture 19

11. Connect the knock sensor harness electrical connector to the intake manifold.
12. Connect the following electrical connectors.
- The MAP sensor (1)
- The knock sensor (2)

13. Install the fuel injectors.
14. Install the throttle body.

___________________________________________________________

Let me know what you find.

Joe
Was this
answer
helpful?
Yes
No
+1
Thursday, February 25th, 2021 AT 3:34 PM (Merged)
Tiny
DTHOMP
  • MEMBER
  • 15 POSTS
Thank you Joe..I've got it scheduled (manifold gasket and valve cover gasket replacement). I'll check in later with another update.

DThomp
Was this
answer
helpful?
Yes
No
Thursday, February 25th, 2021 AT 3:34 PM (Merged)
Tiny
JACOBANDNICKOLAS
  • MECHANIC
  • 110,192 POSTS
Welcome back. Thanks for letting me know.

Take care,
Joe
Was this
answer
helpful?
Yes
No
Thursday, February 25th, 2021 AT 3:34 PM (Merged)
Tiny
DTHOMP
  • MEMBER
  • 15 POSTS
Hey Joe,

I had the intake manifold gasket replaced, along with the valve cover gaskets. All parts were thoroughly cleaned and examined in the process, and so far, I've seen no improvement in fuel consumption. It seems to have more efficiency with a full tank as opposed to a 1/2 or 1/4, but this could be just my hopeful imagination. Just so that I'm clear in my description, I'm referring to the 'Miles to Empty' digital display, not the MPG average. I'm still noticing that when I park, that digital number (for example) might show 250 (miles to empty), which I fully understand is not an accurate number, only an estimate, but as I park it can tick down 6 or 7 points and settle (it may even creep back up a point or 2). Later when I start the engine, it may show 240, for example, and as I drive a 1/4 mile away, it will drop another 4 or 5 points (so we are down to roughly 235). Then as I get to cruising speed on the hwy, or normal stop-and-go around the city, I can watch it tick down another 6, 7, 8 or more points within a few seconds or a few minutes. And the needle responds with the digital display. Then, sometimes it will tick back up 4 or 5 points and settle, then back down and resumes this erratic behavior. Since replacing the gaskets, the Check Engine light has not come back on, so there are no codes to give me another starting point.

I'm losing my patience, lots of gas and gas money, and I'm losing confidence in driving this vehicle outside of a 30 mile radius. As far as the engine and drive-ability, it runs great and runs smooth.I've thrown parts at it (see original post at top) and I can't seem to nail this one.

What are your thoughts? Thank you.
Was this
answer
helpful?
Yes
No
Thursday, February 25th, 2021 AT 3:34 PM (Merged)
Tiny
JACOBANDNICKOLAS
  • MECHANIC
  • 110,192 POSTS
Welcome back:

It sounds like it is all related to the fuel level float in the tank. If it is failing, it may be sending false signals to the gauges. What is the actual MPG you get with the vehicle?
Was this
answer
helpful?
Yes
No
Thursday, February 25th, 2021 AT 3:34 PM (Merged)
Tiny
DTHOMP
  • MEMBER
  • 15 POSTS
I can only go by what the digital display tells me.
"Personal MPG" shows 13.9
"Business MPG" shows 14.7

The Check Engine light came on today - p0128 - which suggests:

(1) the coolant temp is too low [yes it hovers around 185, not 210]
(2) thermostat is defective [brand new ACDelco thermostat was installed 3 weeks ago]
(3) ECT Sensor is defective [?]

I've seen videos of faulty fuel level sensors and faulty sending units which show the needle flickering left and right and falling to empty. Mine does not do that. My digital display drops steadily and the needle corresponds, it is not a wild back and forth as I've seen with clusters and sensors.

As always, I greatly appreciate your input and direction. Please be patient with me as I narrow this little bugger down. Thanks Joe.
Was this
answer
helpful?
Yes
No
Thursday, February 25th, 2021 AT 3:34 PM (Merged)
Tiny
JACOBANDNICKOLAS
  • MECHANIC
  • 110,192 POSTS
Welcome back:

You are welcome to come back as many times as you want. What's why we are here. I'm very patient. I have to be honest, the MPG you are getting is about typical for this vehicle.

I may have asked you this already, but do you have a live data scanner you can use? If so, can you tell me what the fuel trims are, both short and long term?
Was this
answer
helpful?
Yes
No
Thursday, February 25th, 2021 AT 3:35 PM (Merged)
Tiny
DTHOMP
  • MEMBER
  • 15 POSTS
I do not have a live data scanner. My mechanic probably has one. I can ask him to pull this info and I'll gladly share it with you. Fuel trims, long and short term?

Question: if it is the fuel level float or sending unit, and my MPG looks normal, would you think I'm really burning this amount of fuel, or do you think I'm getting false signals?
Was this
answer
helpful?
Yes
No
Thursday, February 25th, 2021 AT 3:35 PM (Merged)
Tiny
DTHOMP
  • MEMBER
  • 15 POSTS
Anything that involves removing the gas tank is going to run upwards of $700.00 and up. I'm not quite prepared for that bill after all the other parts I've replaced.
Was this
answer
helpful?
Yes
No
Thursday, February 25th, 2021 AT 3:35 PM (Merged)
Tiny
JACOBANDNICKOLAS
  • MECHANIC
  • 110,192 POSTS
Welcome back:

I will be able to tell by the fuel trims. And yes, I honestly feel that MPG isn't out of the ordinary for this type of vehicle. If the fuel trims are within spec, then it's running normal.
Here is what I need.

Short term fuel trims STFT

Long term fuel trims LTFT

Let me know.

Joe
Was this
answer
helpful?
Yes
No
Thursday, February 25th, 2021 AT 3:35 PM (Merged)
Tiny
DTHOMP
  • MEMBER
  • 15 POSTS
I’ll have access to the scanner over the weekend. Should be able to get you those numbers. Stay tuned.
Was this
answer
helpful?
Yes
No
Thursday, February 25th, 2021 AT 3:35 PM (Merged)
Tiny
JACOBANDNICKOLAS
  • MECHANIC
  • 110,192 POSTS
Welcome back:

Sounds like a plan. Let me know.

Joe
Was this
answer
helpful?
Yes
No
Thursday, February 25th, 2021 AT 3:35 PM (Merged)
Tiny
DTHOMP
  • MEMBER
  • 15 POSTS
Joe, hopefully you can expand these and get the numbers you asked for. Let me know what catches your attention and if anything looks abnormal.

Thanks,
Doug
Was this
answer
helpful?
Yes
No
Thursday, February 25th, 2021 AT 3:35 PM (Merged)
Tiny
JACOBANDNICKOLAS
  • MECHANIC
  • 110,192 POSTS
Hi Doug:

The fuel trims indicate the engine is running too rich, as you expected. The negative 25 means the computer is trying to limit the amount of time the injectors are open to lean the fuel getting to the engine. With that, I can't remember if you checked fuel pressure and the regulator or have done anything specific to the injectors. The trims should be close to 0.
Was this
answer
helpful?
Yes
No
Thursday, February 25th, 2021 AT 3:35 PM (Merged)
Tiny
DTHOMP
  • MEMBER
  • 15 POSTS
I have not checked fuel pressure or regulator. The only thing done with the injectors was replace the o-rings when I replaced the gaskets last week.

Did you notice the ECT (engine coolant temperature) was 159.8? It rarely gets above 187-190. It used to stay at 210 (the 12 o’clock position) within minutes after starting. So I believe something is preventing the temp to get to the right level. This is the second replacement thermostat. I doubt two thermostats could get stuck open causing it to run lean just by chance. Can you think of what might be causing that?
Was this
answer
helpful?
Yes
No
Thursday, February 25th, 2021 AT 3:35 PM (Merged)
Tiny
DTHOMP
  • MEMBER
  • 15 POSTS
I said lean, maybe I meant rich. :)
Was this
answer
helpful?
Yes
No
Thursday, February 25th, 2021 AT 3:35 PM (Merged)

Please login or register to post a reply.