Wont lock with any of the switches?

Tiny
DEALGHAREEB
  • MEMBER
  • 2000 CHEVROLET SUBURBAN
My power locks, other than the drivers door, wont lock with any of the switches
Saturday, February 13th, 2010 AT 9:26 PM

1 Reply

Tiny
ASEMASTER6371
  • MECHANIC
  • 52,796 POSTS
Good morning,

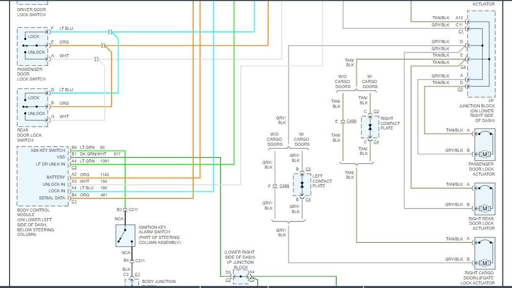
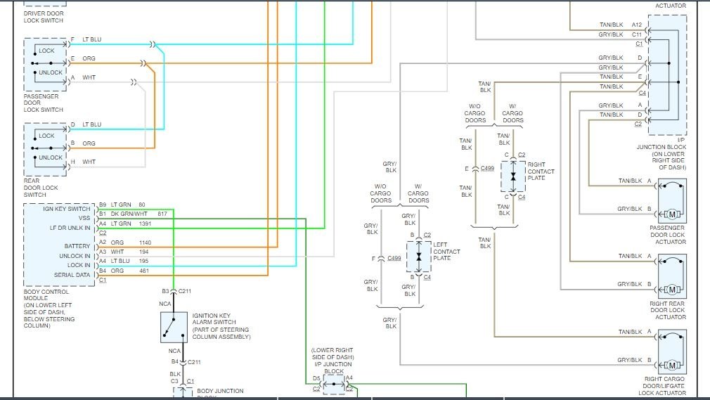
I attached the wiring diagram for you to view. There are a series of fuses for the locks. Check them with a test light or voltmeter on both sides for power.

If the fuses are good, there is a good chance the issue is a wiring issue.

https://www.2carpros.com/articles/how-to-check-a-car-fuse

https://www.2carpros.com/articles/how-to-use-a-voltmeter

https://www.2carpros.com/articles/how-to-use-a-test-light-circuit-tester

https://www.2carpros.com/articles/how-to-check-wiring

Let us know if you have any other questions.

Roy
Was this
answer
helpful?
Yes
No
Friday, September 24th, 2021 AT 9:31 AM

Please login or register to post a reply.