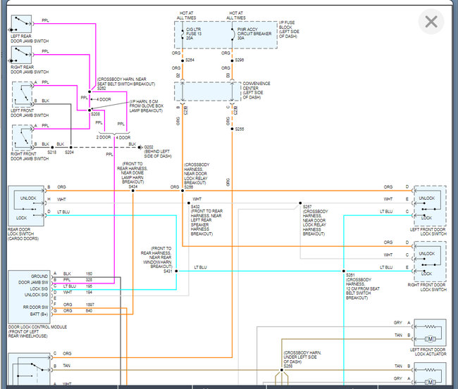
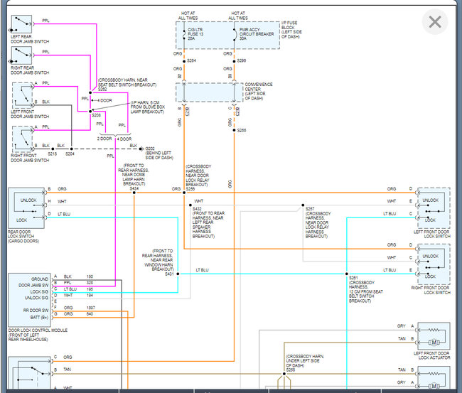
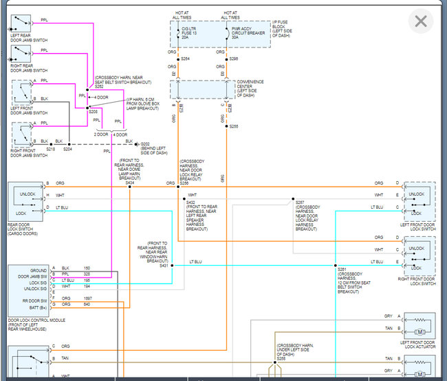
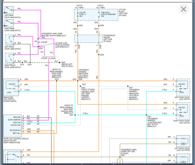
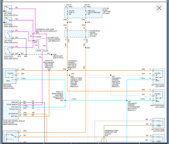
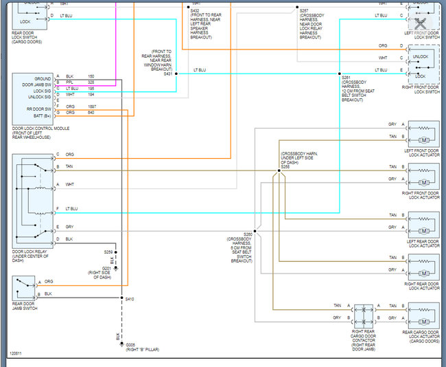
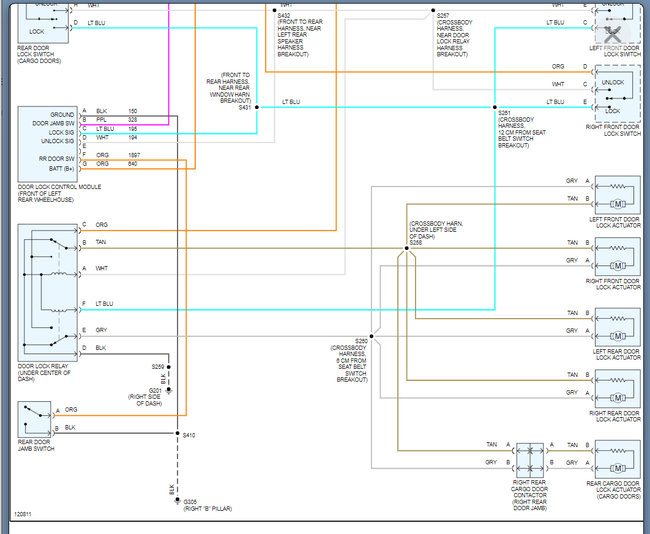
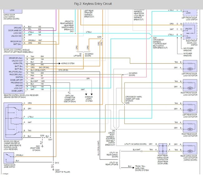
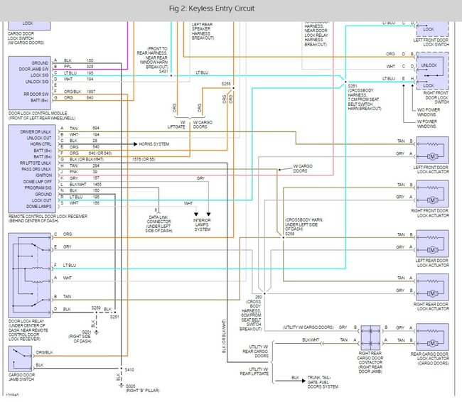
But the keyless entry system and the switches in the door panel give me the same result. A clicking sound by all of the door lock actuator solenoids but what appears to not be enough power to move the lock mechanism into the locked or unlocked position. I am getting the identical results from either using the keyless entry or the switch in the door panel. It appears that the keyless entry system transmitter is working just as well as the switch in the door panel. The test below is only for inoperative keyless entry transmitters. The problem appears to be not enough energy to move the locks. Could it be that the mechanism has become too stiff for the system and neds to be lubed? Is there a body control electrical module that could be the problem and if so where is it located? Do the door lock solenoids work on 12VDC or do they get a boost from a capacitor or something in the system that is failing to provide enough power to energize the lock solenoids? If I press the button either on the key less or the door panel switch numerous times each successive click of the locking solenoids gets weaker.
When can I expect an answer?And by what means?
Saturday, November 1st, 2008 AT 1:12 PM




