the windows on the passenger side were dead?

2004 CHEVROLET SILVERADO
265,000 MILES • V8 • 4WD • AUTOMATIC
Avatar
T1TECH
  • MEMBER
  • 1 POST
I have a 2004 Silverado 2500HD Duramax Crew Cab truck and last weekend I lowered the passenger window 1/2 way down and exited the truck, when I returned and fired her up, the windows on the passenger side were dead. I tried the driver side and both front and rear are fine. I checked the circuit breaker for the passenger side and it is fine, I actually swapped driver and passenger side with the same results the passenger side is dead. I was able to get the window up by applying 12volts to the window motor, it also lowers just fine, so I ordered a replacement master control and it did not correct the problem. I tried the master control on the passenger side as they have identical connections and the driver side works but not the passenger. Any ideas where I need to be looking, I have checked all the fuses I can find.
Thank you
Oct 2, 2010 at 7:42 PM
Repair Safety Notice: This information is for general instructional purposes only. Vehicle repair can be dangerous. Verify all information, follow manufacturer service procedures, use proper tools and safety equipment, and consult a qualified repair shop when needed.
Advertisement
Avatar
JACOBANDNICKOLAS
  • CAR REPAIR CONTRIBUTOR
  • 110,190 POSTS
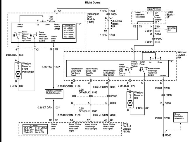
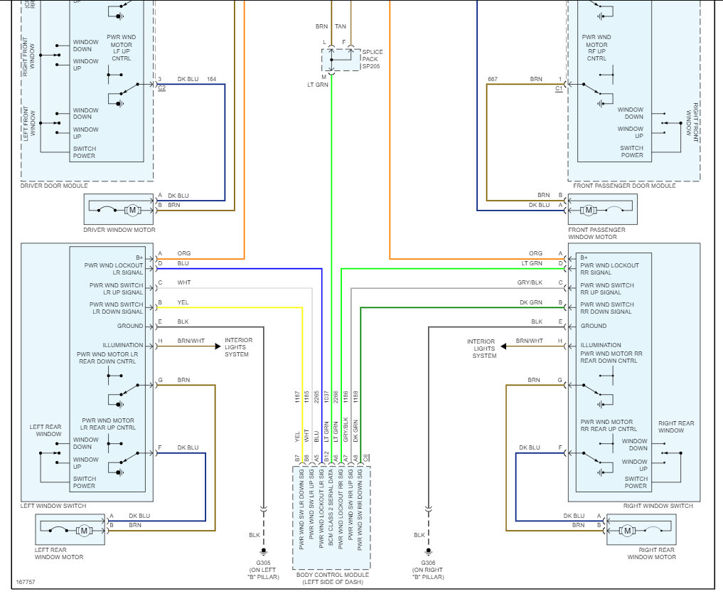
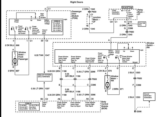
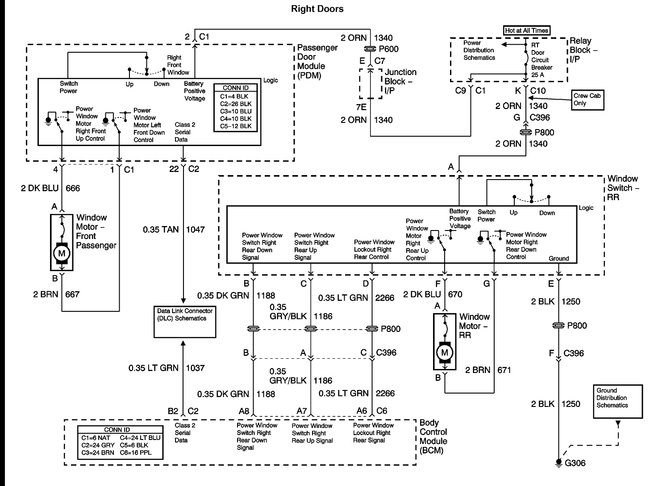
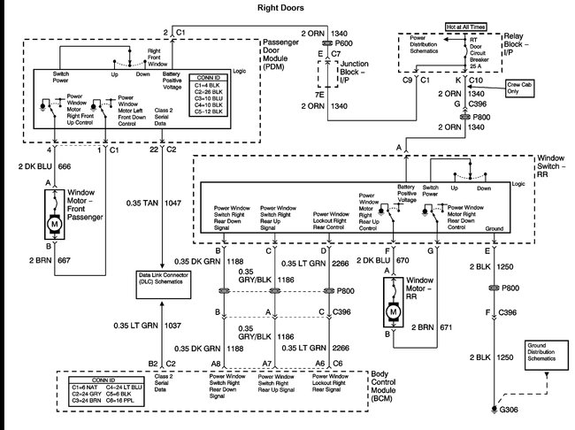
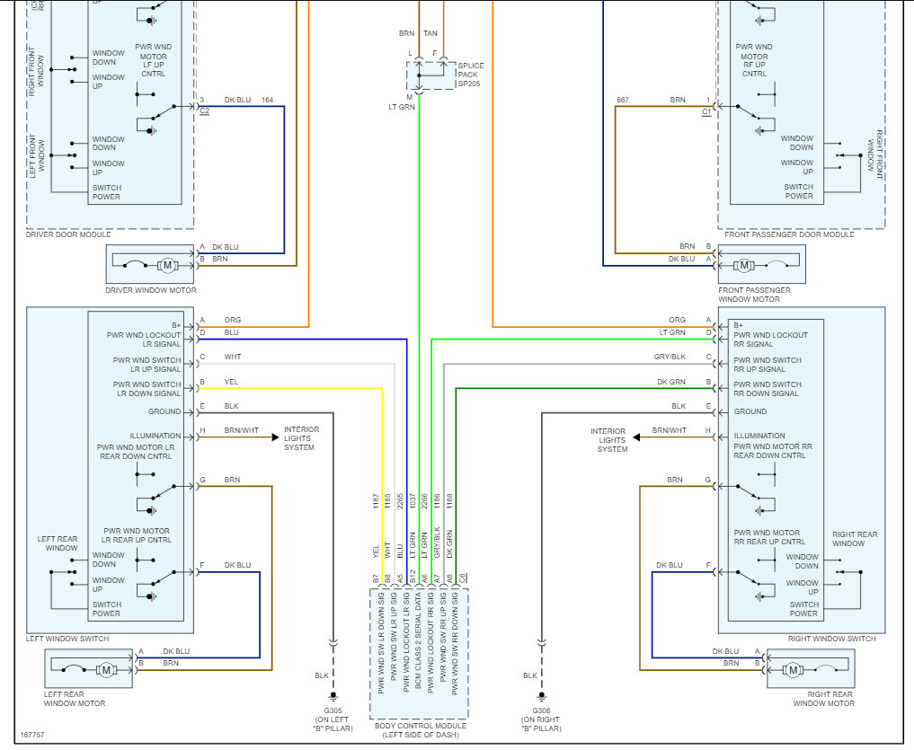
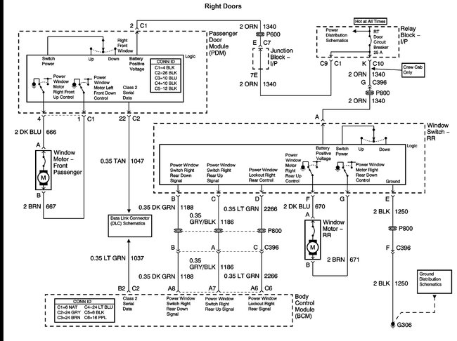
It sounds like the wiring inside the door as it goes through to the door jam have broken which is common. Here is a guide to help you check the wiring and the window wiring diagrams so you can see which wire to test and how the system works.

https://www.2carpros.com/articles/how-to-check-wiring

Check out the Orange wire in the images (Below) It could be broken. Please let us know what happens.
Oct 5, 2010 at 7:06 AM
Advertisement
Avatar
ANDREWSANDOVAL
  • MEMBER
  • 1 POST
I think it is the wire because when I open the door it works?
Mar 14, 2018 at 1:29 PM
Avatar
STEVE W.
  • CAR REPAIR CONTRIBUTOR
  • 15,148 POSTS
Most likely issue is a failed feed wire to the passenger side. They both are fed 12 volts on the Orange wire. If you are not seeing battery voltage on it in either door then you need to check that there is power at the Orange feed wires at the fuse box after the breaker. That is the only common power point for both windows. Also verify that you have a good ground on the Black wire in the doors.
Mar 15, 2018 at 1:11 PM