Vent control problems?

Tiny
BAUK
  • MEMBER
  • 2004 CHEVROLET S-10
  • 6 CYL
  • 4WD
  • AUTOMATIC
  • 85,000 MILES
My truck has stopped blowing heat out the lower vent. It does work for defrost and mid vent just not to the feet. What could cause this?
Friday, November 28th, 2008 AT 1:49 PM

24 Replies

Tiny
BLUELIGHTNIN6
  • MECHANIC
  • 16,542 POSTS
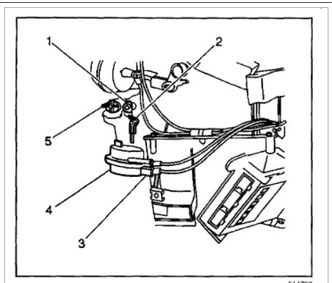
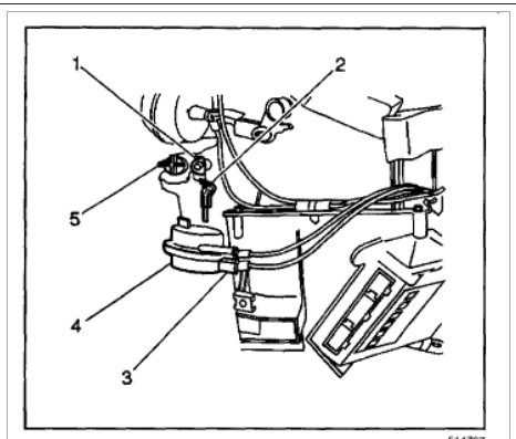
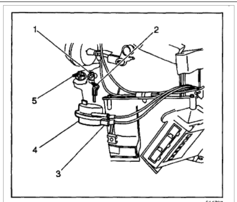
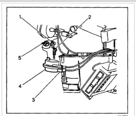
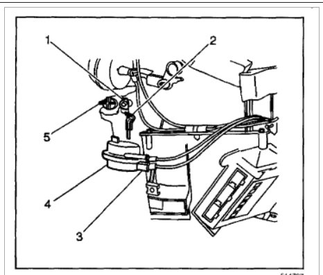
When you move the control switch to the lower vents, what does the air do? Does it still blow out of the upper vents? If so, you need to check for an actuator that is not working this guide can help see what's going on with instructions for your truck in the diagrams below.

https://www.2carpros.com/articles/replace-blend-door-motor

Check out the diagrams (Below). Please let us know what happens.
Was this
answer
helpful?
Yes
No
+1
Saturday, November 29th, 2008 AT 12:09 AM
Tiny
MROBBINS
  • MEMBER
  • 1 POST
  • 2003 CHEVROLET S-10
  • 6 CYL
  • 2WD
  • AUTOMATIC
  • 110,000 MILES
My S10 does not have any air at the bottom heater vent. When turned to that position the air comes out of the defrost vents. The heat can be changed from defrost to the the vents that come out at face level (the ones commnonly used for air conditioning). The other symptom present is that when changing from position to position it is very slow. Probably takes 5-8 seconds to fully change from face to defrost or the other direction.

The heat is great. Very warm so no problems there.

What are the possible causes and solutions to this issue?
Was this
answer
helpful?
Yes
No
+1
Thursday, November 26th, 2020 AT 7:59 AM (Merged)
Tiny
MRO74
  • MEMBER
  • 3 POSTS
I have a 2002 with the same problem. I believe the door is not moving. They used to be vacuum operated, but I think these may be driven by little motors as you don't hear that tell-tale whoosh from the vacuum operated ones. If you've sense rectified your problem, would you please let me know what it was?
Thanks,
mike
Was this
answer
helpful?
Yes
No
Thursday, November 26th, 2020 AT 7:59 AM (Merged)
Tiny
LARRY VAN DER WAL
  • MEMBER
  • 1 POST
  • 2002 CHEVROLET S-10
  • 4 CYL
  • 2WD
  • MANUAL
  • 120,000 MILES
When my heater is on it works vine but the floor vents do not work at all. Could you please give me a suggestion as what is the problem and how to repair.
Was this
answer
helpful?
Yes
No
Thursday, November 26th, 2020 AT 8:00 AM (Merged)
Tiny
RHALL77
  • MECHANIC
  • 3,361 POSTS
Check your vacuum lines to the heater control and see if they are hooked up correctly. have you had any engine work done recently?

look at this guide

https://www.2carpros.com/articles/air-vents-stay-in-the-defrost-position

Please run down this guide and report back.
Was this
answer
helpful?
Yes
No
Thursday, November 26th, 2020 AT 8:00 AM (Merged)
Tiny
MURCOX
  • MEMBER
  • 1 POST
  • 1998 CHEVROLET S-10
  • 4 CYL
  • 2WD
  • AUTOMATIC
  • 90,000 MILES
My heater will only blow from the top vent(defrost) when the switch is in top middle or floor selector position. It stays in the defrost mode. It will switch to the middle air vents when it is in that position, but will not blow out of the floor vent in any position.
Was this
answer
helpful?
Yes
No
Thursday, November 26th, 2020 AT 8:01 AM (Merged)
Tiny
JAMES W.
  • MECHANIC
  • 2,394 POSTS
Ckeck the vacuum operated controls on the heater box under the dash. If you find on that doesn't move whrn you change positions on the selector switch, try moving it by hand. If this manual movement blows air to the floor, check for vacuum at this actuator. If no vacuum, the selector switch is bad. If you have vacuum, the actuator is bad
Was this
answer
helpful?
Yes
No
+2
Thursday, November 26th, 2020 AT 8:01 AM (Merged)
Tiny
AGPILOT
  • MEMBER
  • 1 POST
  • 1997 CHEVROLET S-10
  • 4 CYL
  • 2WD
  • MANUAL
  • 11,000 MILES
My a/c only blows out of the floor vent. No matter where I put the selector switch it will not give me a/c through upper vent.
Was this
answer
helpful?
Yes
No
Thursday, November 26th, 2020 AT 8:01 AM (Merged)
Tiny
JMALECKI
  • MECHANIC
  • 118 POSTS
Hello

First check your fuses there is an electic motor which changes the doors inside the dash to control where the air is sent, if all fuses are good the blend door actuator is most likely the cause a replacement runs about $50.00 or so and is available aftermarket at most parts stores.

John Malecki
Was this
answer
helpful?
Yes
No
Thursday, November 26th, 2020 AT 8:01 AM (Merged)
Tiny
R F WILLIAMS
  • MEMBER
  • 1 POST
  • 1996 CHEVROLET S-10
  • 6 CYL
  • 2WD
  • AUTOMATIC
  • 521,380 MILES
My 96 S 10 I Noticed Today That The AC Is Not Comming Out THe Dash Vents But Only Out From The Defogger Vent On Top Of The Dash And The Vents Under The Dash Any Ideas
Was this
answer
helpful?
Yes
No
Thursday, November 26th, 2020 AT 8:02 AM (Merged)
Tiny
BIG S-10 RICK
  • MEMBER
  • 11 POSTS
Sound like the vent door stuck open.
Was this
answer
helpful?
Yes
No
Thursday, November 26th, 2020 AT 8:02 AM (Merged)
Tiny
BIGCEE9
  • MEMBER
  • 1 POST
  • 1995 CHEVROLET S-10
  • 4 CYL
  • 2WD
  • MANUAL
  • 170,557 MILES
I recently purchased a chevy s10 with high mileage. Upon purchasing said vehicle the person told me the ac worked but sometimes did not blow out of the front vents just the defrost and the floor. I did testdrive the truck and found that it only blows out of the defrost and floor so far. Is this a simple fix? Where should I start?
Was this
answer
helpful?
Yes
No
Thursday, November 26th, 2020 AT 8:02 AM (Merged)
Tiny
DOCFIXIT
  • MECHANIC
  • 18,828 POSTS
The master select switch is vaccum operated. So when not controled the blend doors go to default def/floor. Need to pull out master control see if vac. Is present. Also see a vac. Line coming from engine comp. Close to evap box and through bulkhead. Is it pulling vac. If vac is good then replace selectswitch.
Was this
answer
helpful?
Yes
No
Thursday, November 26th, 2020 AT 8:02 AM (Merged)
Tiny
DJGRIFF
  • MEMBER
  • 2 POSTS
  • 1995 CHEVROLET S-10
When I turn on the A/C the cold air comes out the defrost area and the floor but not the vents. Even without the A/C on I can't get air to flow out the vents. Is there a schematic that shows where the vacuum lines are? Or, is there a switch or something that I need to fix/replace?
Was this
answer
helpful?
Yes
No
Thursday, November 26th, 2020 AT 8:02 AM (Merged)
Tiny
MASTERTECHTIM
  • MECHANIC
  • 4,750 POSTS
Should be very easy. The vacuum line that goes into the cab is broken so you are in default mode. Check the vacuum canister and trace the hose to engine then to the entrance to cab, it connects to a black plastic hose that comes out of a wiring harness at the firewall. Be patient, you will find it.
Was this
answer
helpful?
Yes
No
Thursday, November 26th, 2020 AT 8:02 AM (Merged)
Tiny
DJGRIFF
  • MEMBER
  • 2 POSTS
Thanks mastertechtim, I can look on line and find were each of these items are located. The nice thing is to know it is a vaccum line. Thanks for your help
Was this
answer
helpful?
Yes
No
Thursday, November 26th, 2020 AT 8:02 AM (Merged)
Tiny
CHARLESCHARLES
  • MEMBER
  • 1 POST
  • 1994 CHEVROLET S-10
  • 6 CYL
  • 2WD
  • MANUAL
My 1994 chevy s-10 leaks on the passenger side when it rains. It seems to be coming from the a/c vent under the dash that opens up when u recirculate the a/c on the passenger side.
Was this
answer
helpful?
Yes
No
Thursday, November 26th, 2020 AT 8:02 AM (Merged)
Tiny
STEVE W.
  • MECHANIC
  • 15,694 POSTS
Sounds like the drain for the plenum is blocked. It's located on the under the vehicle on the right side of the plenum. Take a piece of wire and clean it out.
Was this
answer
helpful?
Yes
No
Thursday, November 26th, 2020 AT 8:02 AM (Merged)
Tiny
PROMECHANIC
  • MECHANIC
  • 536 POSTS
Check at the base of your windshield there are some slats. Make sure that there aren't any leaves that have gotten in them.
Also, open the hood and look on the firewall to see if you can tell where the water might be dripping down. This might help you locate it.
You can take a hose and spray down your windshield then check to see if you can tell where the water is going.
Was this
answer
helpful?
Yes
No
Thursday, November 26th, 2020 AT 8:02 AM (Merged)
Tiny
JBIL
  • MEMBER
  • 3 POSTS
  • 1988 CHEVROLET S-10
  • 6 CYL
  • 4WD
  • AUTOMATIC
  • 16,000 MILES
The heater/AC on my '88 S10 Chevy Blazer blows hot/cold air well. However, when I adjust the selector to any of the AC choices, the air only blows on the floor rather than
the dash vents.

I've checked to see that the 2 vacuum hoses are connected to the heater/AC diaphragm on the floor. Maybe the other ends aren't connected.

Questions

1. Could this be the reason that the baffles don't adjust to bring the air to the dash vents?

2. If so, is there a diagram showing their location on the other side of the firewall?

3. Is there a handy "how to" cheat sheet to disassemble/reassemble the heating/AC system if it turns out that the diaphragm is bad?

My Chilton manual is lacking any information on how to troubleshoot this problem,

Thanks a million,

Jbil
Was this
answer
helpful?
Yes
No
Thursday, November 26th, 2020 AT 8:03 AM (Merged)

Please login or register to post a reply.