AC unit not working

Tiny
BRIAN DUFFANY
  • MEMBER
  • 2002 CHEVROLET S-10
Air Conditioning problem 4 cyl Two Wheel Drive Manual 85000 miles

I just refilled my ac unit with r134. It still is blowing hot air. I took it to my buddy's shop and we cleaned all the lines out and changed the orphus tube. We put everything back together and refilled it. The high side is only reading 100 on the gauge. The compressor is working but the cold air it is not getting circulated through the system and is still blowing hot air. What next?
Tuesday, June 22nd, 2010 AT 5:20 PM

36 Replies

Tiny
KEN L
  • MASTER CERTIFIED MECHANIC
  • 55,223 POSTS
Hello,

It sounds like you have a compressor that has gone out becasue the seals are worn out. Here is a guide to show you how to change the compressor out and vacuum down and recharge the system.

https://www.2carpros.com/articles/replace-air-conditioner-compressor

and

https://www.2carpros.com/articles/re-charge-an-air-conditioner-system

This guide may help as well.

https://www.2carpros.com/articles/car-air-conditioner-not-working-or-is-weak

Here is a belt diagram page for you too.

https://www.2carpros.com/diagrams/chevrolet/s10-pickup/2002

Tighten the bolts to 50 N.m (37 lb ft) .
Tighten the nut to 12 N.m (106 lb in) .

(Check out the diagrams below)

Please let us know if you need anything else to get the problem fixed.

Cheers, Ken
Was this
answer
helpful?
Yes
No
-2
Monday, November 20th, 2017 AT 3:12 PM
Tiny
WUNDERWRENCH
  • MEMBER
  • 4 POSTS
  • 2002 CHEVROLET S-10
  • 6 CYL
  • 4WD
  • AUTOMATIC
  • 105,000 MILES
I am trying to hunt the failure to blow hot air and would like to be able to see the gm schematic of the parts layout of the heat/coolac system.
I can't find parts scematic for spit.
Help
Thanks
Was this
answer
helpful?
Yes
No
Monday, November 20th, 2017 AT 3:15 PM (Merged)
Tiny
HMAC300
  • MECHANIC
  • 48,601 POSTS
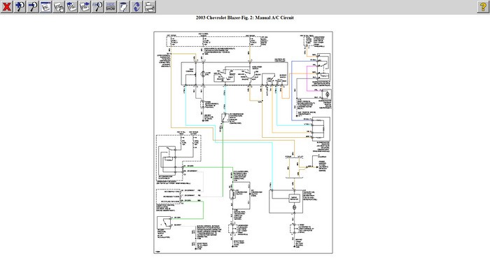
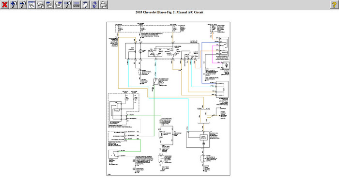
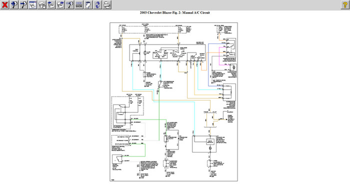
If it's not blowing on high, it can be a relay, if not on the lower speeds then it 's probably the resistor. The resistor is by the blower motor. But i'll send your schematic.
Was this
answer
helpful?
Yes
No
+1
Monday, November 20th, 2017 AT 3:15 PM (Merged)
Tiny
WUNDERWRENCH
  • MEMBER
  • 4 POSTS
Hmac300
Thanks for that good buddy.
I Probably should have been a little more complete in my question.
I have been into this thing and the actuator is shot but I have the door in open to allow heat and all fans are working. At one point last year I pulled the heater core hoses and flushed to check for flow and was good but of note the flow rater from the water pump seemed? Lower then I expect. Not knowing the car just thought? Making sure radiator is topped but it appears? That it's not showing flow at the top of radiator. So my thought is thermostat is stuck but temp gauge in car shows? 165 ish. But it has been nothing but cold so I was hoping for parts schematic to trace components.
I have so delayed trying to go into the heater/doors distribution under the dash. That's the reason for wanting a schematic. I am a fairly competent mechanic just not wanting to be an expert on this s10. And I know from the stories the criminality of this and like problem, very disappointing.
Thanks again.
Was this
answer
helpful?
Yes
No
Monday, November 20th, 2017 AT 3:15 PM (Merged)
Tiny
WUNDERWRENCH
  • MEMBER
  • 4 POSTS
My self made page editor
rater should be rate
criminality? Don't know what I had in my mind but I guess it could be but I think I had some other gm outrage in my mind.
You know 4 wheels go round you get there throw in some fancy fans and make a little heat cool. I need to go back to the flintstone mobile.
But that's the outrage at these stupid problems/poor design execution.
Was this
answer
helpful?
Yes
No
Monday, November 20th, 2017 AT 3:15 PM (Merged)
Tiny
WUNDERWRENCH
  • MEMBER
  • 4 POSTS
Hmac300
I reread and had done so be fore I posted the original question. But I had looked and could find no Heater Control Valve. If it's some where I don't know where. I also note that the reserve tank has emptied and as it was in the garage running for a good 15 min when gal pal left there was fluid on the floor and? First on the list is replace the cap(knocks me head cause I know that.) Last spring I had drained(pulled lower hose) and replace the antifreeze
Was this
answer
helpful?
Yes
No
Monday, November 20th, 2017 AT 3:15 PM (Merged)
Tiny
ANGIEMARIE
  • MEMBER
  • 1 POST
  • 2003 CHEVROLET S-10
Air Conditioning problem
2003 Chevy S-10 4 cyl Two Wheel Drive Manual

AC not blowing cold air. The R-134 coolant is at the correct level. Changed the compressor relay. What is the next check? Oh and checked the fuses also.
Was this
answer
helpful?
Yes
No
+2
Monday, November 20th, 2017 AT 3:15 PM (Merged)
Tiny
THACKERY
  • MEMBER
  • 2 POSTS
Is the compressor clutch pulling in? Watch the front of the compressor when the ac is on the entire plate in front of the pulley should be turning.
Also, there are several AC fuses. Did you find them all?
I had a fuse blown for my AC, I think it was fuse #9 in the fuse panel inside the engine compartment.

Thackery
Was this
answer
helpful?
Yes
No
Monday, November 20th, 2017 AT 3:15 PM (Merged)
Tiny
HMAC300
  • MECHANIC
  • 48,601 POSTS
If you are leaking fluid pressure check it to see where. Inlet and headgaskets are a good place ot start unless it's a hose. You should have a 195 degree t-stat in itand make sure that both heater hoses shold be about the same temp you can feel that by hand. Your actuators shold be operated by vacuum as that is what my manual says. If the actuators them selves are broken you will have to pull the heater as wellas the dash to fix it. There is no heatercontrol valveso no need to look for it, that is what the actuators are for. We have no schematic of the entire cooling system. At least in our manual.
Was this
answer
helpful?
Yes
No
Monday, November 20th, 2017 AT 3:15 PM (Merged)
Tiny
COD4W
  • MEMBER
  • 1 POST
  • 2000 CHEVROLET S-10
  • 4 CYL
  • 2WD
  • AUTOMATIC
  • 120,000 MILES
Air Conditioning problem
2000 Chevy S-10 4 cyl Two Wheel Drive Automatic 120000 miles

i replaced the coil and clutch and am not getting voltage to coil. And also no power to any of the hvac fuses or relays in the underhood fuse box
Was this
answer
helpful?
Yes
No
Monday, November 20th, 2017 AT 3:16 PM (Merged)
Tiny
BILL T.
  • MEMBER
  • 3 POSTS
[quote="cod4w"]Air Conditioning problem
2000 Chevy S-10 4 cyl Two Wheel Drive Automatic 120000 miles

i replaced the coil and clutch and am not getting voltage to coil. And also no power to any of the hvac fuses or relays in the underhood fuse box[/ Check the 12 volt supply at the engine compartment fuse
and relay box. Check the HVAC fuse in this box.
Was this
answer
helpful?
Yes
No
Monday, November 20th, 2017 AT 3:16 PM (Merged)
Tiny
DWJOHNSON6
  • MEMBER
  • 3 POSTS
  • 2000 CHEVROLET S-10
  • 4 CYL
  • 2WD
  • MANUAL
  • 60,000 MILES
Heater problem
2000 Chevy S-10 4 cyl Two Wheel Drive Manual 60,000 miles

When I turn my heat on, it only blows warm/air temperature air. It does not blow hot air. The A/C blows cold air, all the vent doors are working to my knowledge. I replaced the vacuum lines that run across the top of the engine, and into the sidewall. There is good vacuum from the controls to the input behind the glovebox. It just doesn't blow hot air? Any inputs?
Was this
answer
helpful?
Yes
No
Monday, November 20th, 2017 AT 3:16 PM (Merged)
Tiny
RASMATAZ
  • MECHANIC
  • 75,992 POSTS
Inspect and test the thermostat could be stuck open
Was this
answer
helpful?
Yes
No
Monday, November 20th, 2017 AT 3:16 PM (Merged)
Tiny
DWJOHNSON6
  • MEMBER
  • 3 POSTS
Even if I don't have issues with the engine temp? It runs normal with no issues
Was this
answer
helpful?
Yes
No
Monday, November 20th, 2017 AT 3:16 PM (Merged)
Tiny
RASMATAZ
  • MECHANIC
  • 75,992 POSTS
Check the thermostat, heater condtorl valve and the heater core
Was this
answer
helpful?
Yes
No
Monday, November 20th, 2017 AT 3:16 PM (Merged)
Tiny
DWJOHNSON6
  • MEMBER
  • 3 POSTS
Where exactly is the heater control valve on the 2000 Chevy S10? I cant find vacuum diagrams ANYWHERE. It is the only thing else that I can think of
Was this
answer
helpful?
Yes
No
Monday, November 20th, 2017 AT 3:16 PM (Merged)
Tiny
GLENNOLO
  • MEMBER
  • 3 POSTS
  • CHEVROLET S-10
I have a 2000 s10 zr-2 with 90000 miles. The a/c stopped working and only blows hot air. I replaced the compressor, clutch, accumulator, and the expansion tube, but no luck still blows hot air. The new clutch is not turning. Please help.

Hot In AZ
Was this
answer
helpful?
Yes
No
+1
Monday, November 20th, 2017 AT 3:16 PM (Merged)
Tiny
BOOTDOG
  • MECHANIC
  • 665 POSTS
Make sure you have enough freon and oil in the system, check for bad fuses/relays, also the high and/or low pressure switches could be bad. You can bypass the switches with a paper clip.
Was this
answer
helpful?
Yes
No
-1
Monday, November 20th, 2017 AT 3:16 PM (Merged)
Tiny
GLENNOLO
  • MEMBER
  • 3 POSTS
I checked the fuses/oil/freon all are good.
Was this
answer
helpful?
Yes
No
Monday, November 20th, 2017 AT 3:16 PM (Merged)
Tiny
GLENNOLO
  • MEMBER
  • 3 POSTS
It was the switch on the drier. So problem solved.
Just one more thing do you vacuum the a/c line when the car is running? Or when it is turned off?
Was this
answer
helpful?
Yes
No
Monday, November 20th, 2017 AT 3:16 PM (Merged)

Please login or register to post a reply.