Monday, August 9th, 2010 AT 1:39 PM
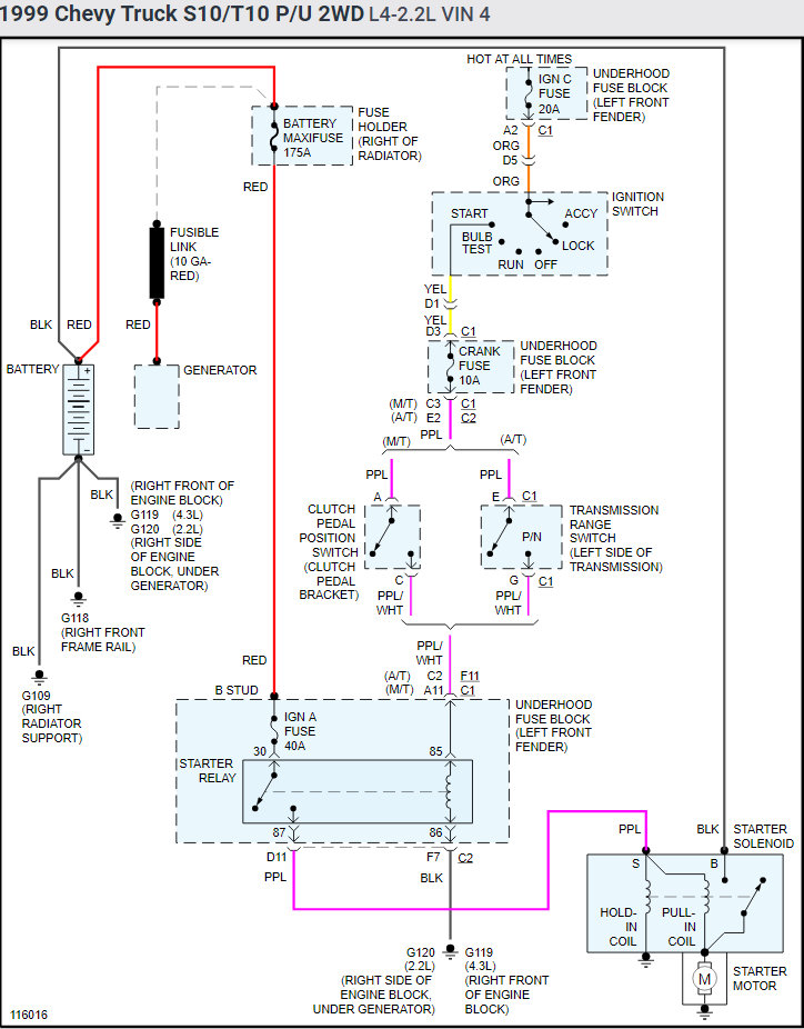
I was driving alright for a while one morning then stopped and turned vehicle off. When I turned it back on I heard a screeching sound like the way the flywheel sounds when the engine is already running. Then I drove about quarter mile and stopped and parked then turned the engine off to go in a store. When I came back to start the truck as I turn the ignition switch there was not a single sound at all. I checked the battery and it was okay, then changed the starter and still nothing when I tried to start it again even though the dashboard and radio, and horn all are functioning. Can you tell me what the problem may be?









