Brake lights not working

Tiny
CRIPTOBRAIN
  • MEMBER
  • 1999 CHEVROLET MONTE CARLO
The brake lights stopped working. I checked the fuses and I replaced the brake light switch on the column, still no brake lights. Bulbs are ok as 4-way flashers, turn signals, and tail lights work. What's up? Why couldn't they have just left things easier to work on like the 55' chevy?
Friday, June 29th, 2007 AT 12:41 PM

19 Replies

Tiny
MERLIN2021
  • MECHANIC
  • 17,250 POSTS
Sounds like you may have a bad turn signal switch.

Read the guide below on testing wiring first, it will help

https://www.2carpros.com/articles/how-to-check-wiring

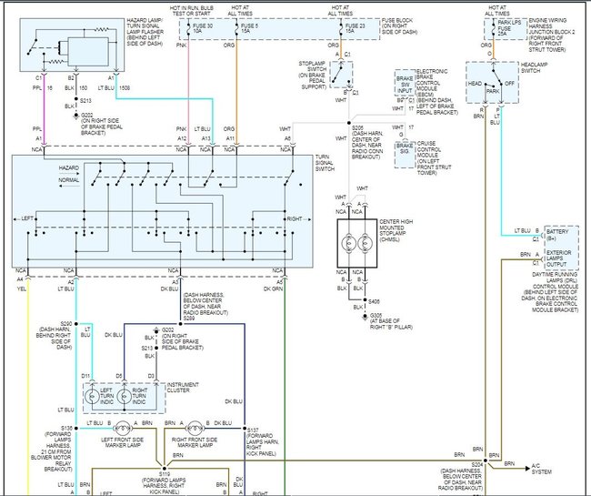
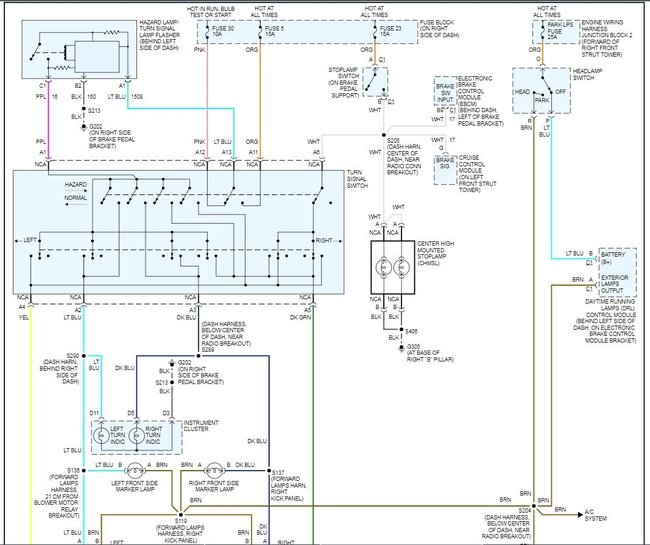
The wiring diagrams for your exterior lights is are attached below
Was this
answer
helpful?
Yes
No
+2
Thursday, July 5th, 2007 AT 4:56 PM
Tiny
NITESCO
  • MEMBER
  • 2 POSTS
Turn signal switch. Replace it. I had the same problem. Does the third light work in the back window? That would be the turn signal switch
Was this
answer
helpful?
Yes
No
+3
Sunday, November 11th, 2007 AT 8:15 PM
Tiny
LJCOWGIRL1
  • MEMBER
  • 1 POST
  • 1999 CHEVROLET MONTE CARLO
  • 6 CYL
  • FWD
  • AUTOMATIC
  • 180,000 MILES
I have noticed several others having my same issue. However, I have tried many of the remedies given and need further assistance.

My bottom brake lights do not work. The top light does, as well as the turn signals and the hazard lights. I have already replaced the pedal switch and troubleshooted to be sure the new works. I am relatively certain that the multiswitch is the culprit as the cruise control no longer works and the wipers are tempermental. I have removed the bottom portion of the dash but I simply cannot figure out how to remove the switch. Any help you can give (in kinda layman's terms) would be great. I do have full tilt, an airbag and steering wheel controls. Thank you very much.
Was this
answer
helpful?
Yes
No
-1
Wednesday, November 14th, 2018 AT 5:44 PM (Merged)
Tiny
BMRFIXIT
  • MECHANIC
  • 19,053 POSTS
Step on the brake and check the WHT wire connector A6 on the turn signal switch (should have power with brake on if not repair a short circuit between the two switches )
if have power then check for power at A4 YEL and A5 DK GRN
if no power suspect and replace the turn signal switch
Was this
answer
helpful?
Yes
No
-2
Wednesday, November 14th, 2018 AT 5:44 PM (Merged)
Tiny
LOVE MY CAR
  • MEMBER
  • 1 POST
  • 1999 CHEVROLET MONTE CARLO
  • 4 CYL
  • 2WD
  • AUTOMATIC
  • 200,000 MILES
I don't have any brake lights, but I do have the center light on the back deck. My first thought was there was a fuse out. I looked in the manual it states there should be a fuse panel on the passenger side under the dash. I could not find it anywhere. I know the are 2 banks under the hood, but I just can't find the interior one. Is it under the carpet by the firewall? Do I need to remove the felt stuff to find it? Just didn't want to tear up the interior unless I had to. I will end up with a ticket before I get this resolved. Please help.
Was this
answer
helpful?
Yes
No
Wednesday, November 14th, 2018 AT 5:44 PM (Merged)
Tiny
RASMATAZ
  • MECHANIC
  • 75,992 POSTS
The bottom brake lights circuit goes thru the turn/hazard switch you need to test this switch or replace it-
Was this
answer
helpful?
Yes
No
-1
Wednesday, November 14th, 2018 AT 5:44 PM (Merged)
Tiny
JAMESLEFFLER
  • MEMBER
  • 1 POST
  • 1999 CHEVROLET MONTE CARLO
  • 3.1L
  • 6 CYL
  • 2WD
  • AUTOMATIC
  • 145,000 MILES
I have turn signals, but no brake lights, how do I fix without having to do everything twice.I need to get them fixed, my daughter has a driving test.
Was this
answer
helpful?
Yes
No
Wednesday, November 14th, 2018 AT 5:44 PM (Merged)
Tiny
HMAC300
  • MECHANIC
  • 48,601 POSTS
Check fuses first underhood an din dash. It may be a brake light switch but I am assuming the bulbs are good as it may use differen tbulbs for brake than t/s.
Was this
answer
helpful?
Yes
No
Wednesday, November 14th, 2018 AT 5:44 PM (Merged)
Tiny
CADIEMAN
  • MECHANIC
  • 3,544 POSTS
You will need to plug in a new turn signal switch to see if the brake lights start operating if so you will need to install the signal switch.
Was this
answer
helpful?
Yes
No
Wednesday, November 14th, 2018 AT 5:44 PM (Merged)
Tiny
DEAN REITER
  • MEMBER
  • 1 POST
  • CHEVROLET MONTE CARLO
I have a 1998 monte carlo with 120,000 miles on a 3800. The brake lights do not work but the 3rd light, turn signals and emergency lights work. I have checked all the fuses and replaced the brake switch and the bulbs. What could be wrong?
Was this
answer
helpful?
Yes
No
+1
Wednesday, November 14th, 2018 AT 5:44 PM (Merged)
Tiny
RASMATAZ
  • MECHANIC
  • 75,992 POSTS
Did you check for power at the stop lamp socket when you removed it. If there's power you lost the ground point at rear body harness behind center of rear fascia-7cm from license lamp break out.

Recommend you check it -you probably wondering why the 3rd lite is coming oN it is bcuz the brake lites on the bottom has an open ground wire from S402 to S405 ground point.

In other words it has an open between the socket ground to chassis ground

Good Luck
Was this
answer
helpful?
Yes
No
Wednesday, November 14th, 2018 AT 5:44 PM (Merged)
Tiny
NITESCO
  • MEMBER
  • 2 POSTS
I had the same problems with my 1999 monte carlo. I replaced the turn signal switch. Thats it. Is your cruse control working? I believe replacing the turn signl switch fixed this problem aswell
Was this
answer
helpful?
Yes
No
+1
Wednesday, November 14th, 2018 AT 5:44 PM (Merged)
Tiny
METTLEJIM
  • MEMBER
  • 1 POST
  • 1996 CHEVROLET MONTE CARLO
  • 6 CYL
  • 2WD
  • AUTOMATIC
  • 177,000 MILES
Dear sirs, the cars brake lights dont work, but the turn signals and parking and running lights do. The center brake light works. I have replaced all bulbs and fuses, too. What do you think? Sincerely, Jim
Was this
answer
helpful?
Yes
No
Wednesday, November 14th, 2018 AT 5:44 PM (Merged)
Tiny
JACOBANDNICKOLAS
  • MECHANIC
  • 110,194 POSTS
Hi:
If the 3rd brake light works, then the switch is working. Have you checked for power to the socket? Also, the socket itself may be bad. If there is power, replace the sockets. If no power is there, you will need to trace the wire back until you find power and determine where the problem is in the wiring itself.

Joe
Was this
answer
helpful?
Yes
No
Wednesday, November 14th, 2018 AT 5:44 PM (Merged)
Tiny
SHAWGUY
  • MEMBER
  • 1 POST
  • 1996 CHEVROLET MONTE CARLO
Hello I have a 96 monte carlo about 180 000km, 3.1L engine, and recently my brake lights are not turning on when I am braking.

The one in my rear view window comes on all the time when I brake, but the two on the back don't. They will once in a while, but soon go out. I have checked and replaced the fuse, and changed the bulbs with new ones

My turn signals both work fine, and so do my park lights. When I turn the left signal light on when I brake, nothing happens with the right, but when I have my right signal light on, the left brake light comes on. Remember the one in the rear view window always works.

Does anyone have anything you think I could try. I really don't want to have to take it into the shop if its something I can fix myself.

Thanks
a first time poster.
Please let me know if you need more info
Was this
answer
helpful?
Yes
No
Wednesday, November 14th, 2018 AT 5:44 PM (Merged)
Tiny
MERLIN2021
  • MECHANIC
  • 17,250 POSTS
By rear view window do you mean the mirror? Or the cyclops in the rear window?
Was this
answer
helpful?
Yes
No
Wednesday, November 14th, 2018 AT 5:44 PM (Merged)
Tiny
NIGHTHAWK_49
  • MEMBER
  • 2 POSTS
  • 1995 CHEVROLET MONTE CARLO
Electrical problem
1995 Chevy Monte Carlo Front Wheel Drive Automatic

Brake lights won't work. Fuse ok, switch replaced and seems to work. And the brake lights still don't work. Is there someplace else I need to look to find the problem?
Was this
answer
helpful?
Yes
No
+2
Wednesday, November 14th, 2018 AT 5:44 PM (Merged)
Tiny
RASMATAZ
  • MECHANIC
  • 75,992 POSTS
The lower brake lights goes thru the turn/hazard switch-test the switch out-
Was this
answer
helpful?
Yes
No
Wednesday, November 14th, 2018 AT 5:44 PM (Merged)
Tiny
NIGHTHAWK_49
  • MEMBER
  • 2 POSTS
I was wondering if the hazard/turn signal could be a problem. Hazards/turn signals work, but no brakes.

Thanks. I'll see if that is it.
Was this
answer
helpful?
Yes
No
Wednesday, November 14th, 2018 AT 5:44 PM (Merged)

Please login or register to post a reply.