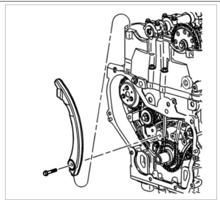
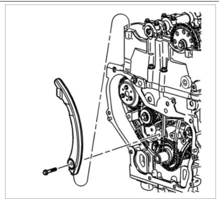
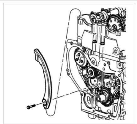
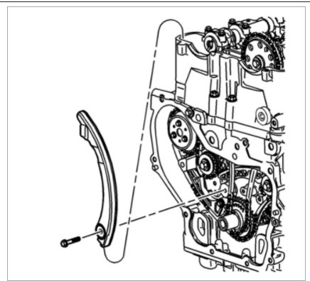
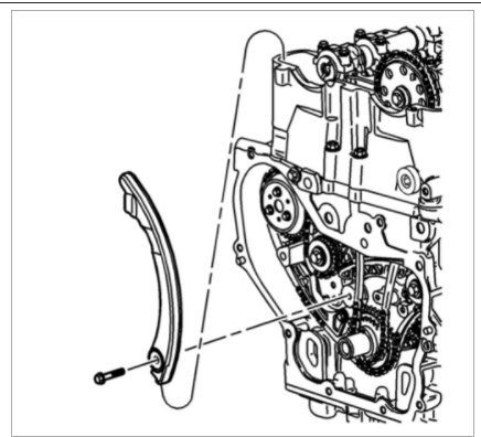
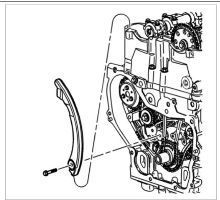
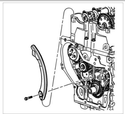
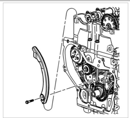
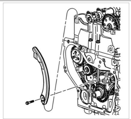
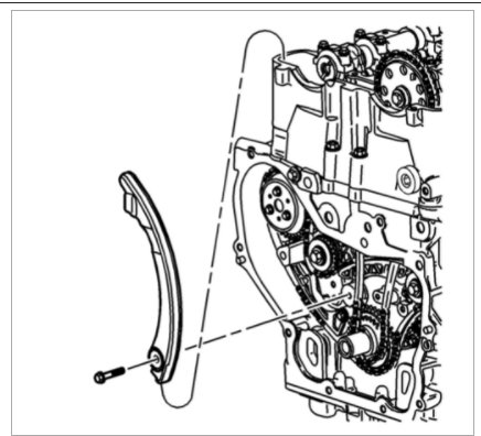
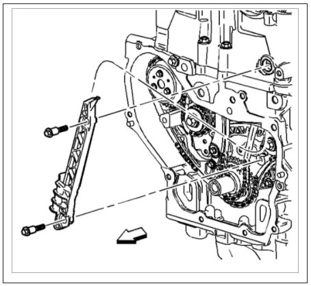
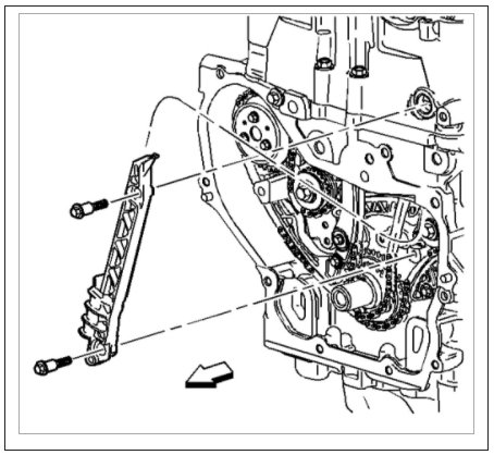
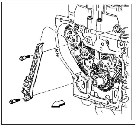
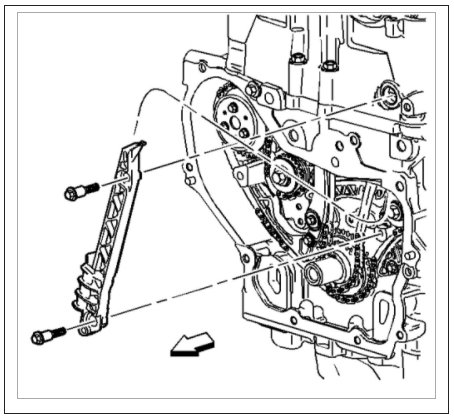
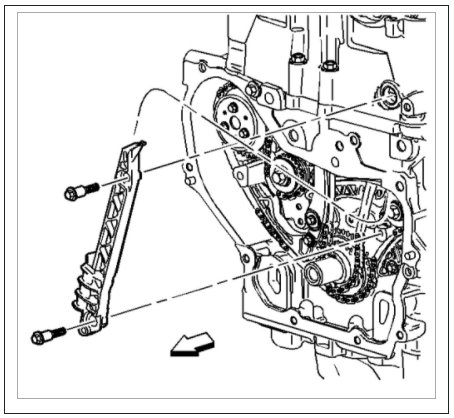
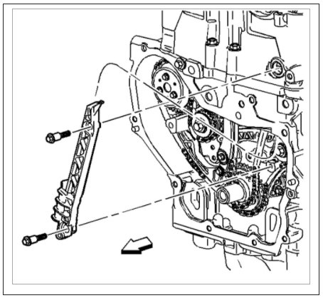
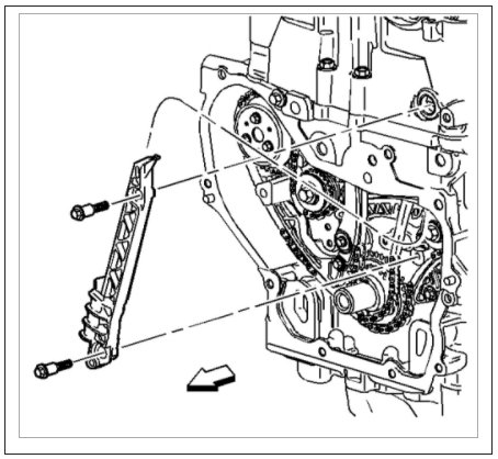
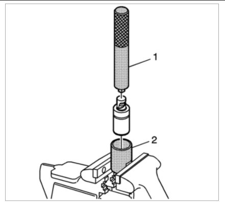
I need to set the timing chain marks. It is a 2.2L 4cyl, '05 Chevy Malibu. Can someone please help! It would also be very helpful if I can you find a diagram or schematic for the timing chain set-up (setting the marks) online or something. Anything will help. Thanks in advance!
Wednesday, January 9th, 2008 AT 11:53 AM























