1996 Chevy Lumina Radiator fans

Tiny
PTBIXBY3
  • MEMBER
  • 1996 CHEVROLET LUMINA
  • 4 CYL
  • 2WD
  • AUTOMATIC
  • 85,000 MILES
The fans are supposed to work whenever the ignition switch is on. They have quit working. We have checked the fuses and they are all good.
Saturday, September 25th, 2010 AT 12:03 PM

2 Replies

Tiny
NICKHEADZ34
  • MEMBER
  • 62 POSTS
I dont know who told you they should be on with ignition unless you wired it that way. But only pass fan should come on too cool once the thermostat opens. Driver fan is ac fan or it may come on to help cool if ur overheating. If u did wire it to ignition you may have bad fan motor from overuse.
Was this
answer
helpful?
Yes
No
+3
Tuesday, April 6th, 2021 AT 7:54 PM
Tiny
SQM
  • MECHANIC
  • 6,383 POSTS
Hello,

The radiator cooling fan should come on when the vehicle reaches operating temperature.
An inoperative cooling fan can be due to a bad relay, temperature sensor or a bad fan motor.

https://www.2carpros.com/articles/replace-electric-fan-motor

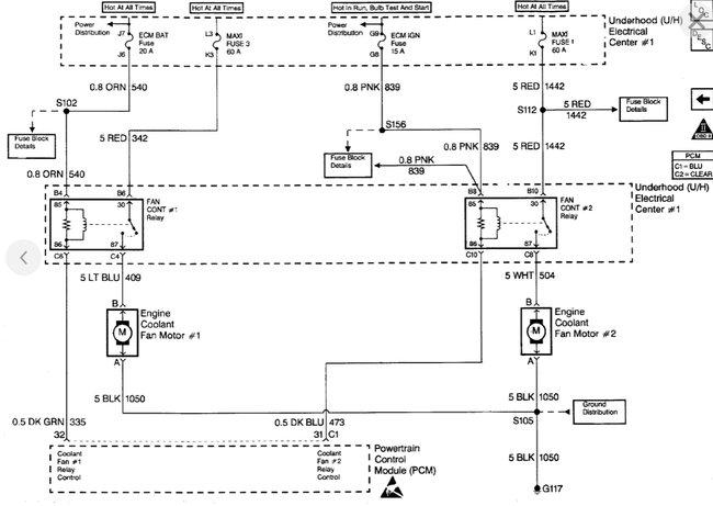
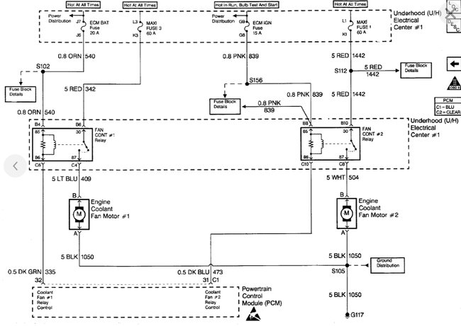
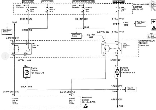
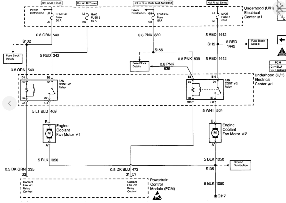
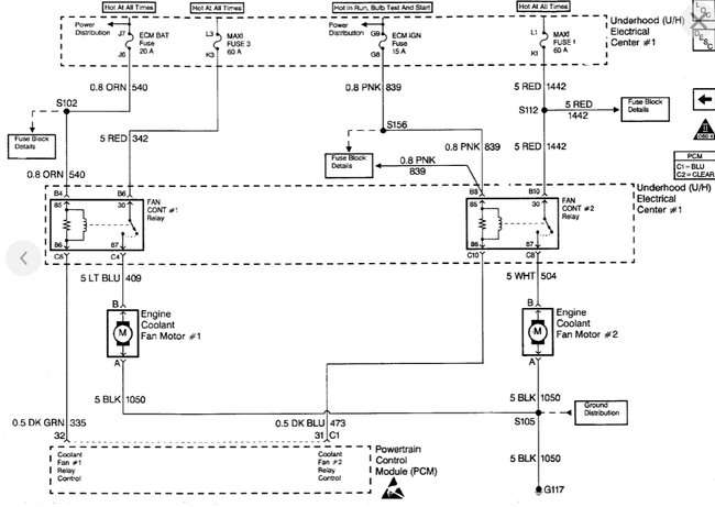
First check the relay. It is located in the under-hood fuse box (see diagram).
Check for any corrosion or burn pins.
This relay can also be tested.

https://www.2carpros.com/articles/how-to-check-an-electrical-relay-and-wiring-control-circuit

I have attached the fan replacement procedure as well and troubleshooting steps below.

Please let me know of any questions.
Thank you.
Was this
answer
helpful?
Yes
No
+4
Friday, October 15th, 2021 AT 1:22 PM

Please login or register to post a reply.