Saturday, August 28th, 2010 AT 4:34 AM
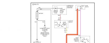
Have 12 volt to small purple wire on starter when ignition in crank position. Fat red wire at starter hot 12V from battey all the time. Replaced ground wire from starter to battery. Car still will not start.



