Dash lights go out

Tiny
BMRFIXIT
  • MECHANIC
  • 19,053 POSTS
The switch is replaceable.
Remove and inspect the wiring harness and the wire that plug into it
twist and turn harness with lights on checking for change.
Was this
answer
helpful?
Yes
No
+2
Saturday, December 4th, 2010 AT 8:34 PM
Tiny
DAVID ALEXANDER
  • MEMBER
  • 1 POST
  • 2000 CHEVROLET IMPALA
  • V6
  • 2WD
  • 241 MILES
Dash light do not come on at all climate control light and also gearshift light on console.
Was this
answer
helpful?
Yes
No
Friday, May 18th, 2018 AT 9:45 AM (Merged)
Tiny
KEN L
  • MASTER CERTIFIED MECHANIC
  • 55,335 POSTS
Hey DAVID,

Sorry for the slow response over the holidays, it looks like it could be a fuse or the battery shut down relay,

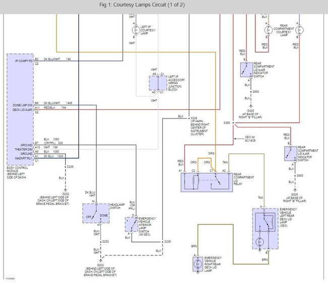
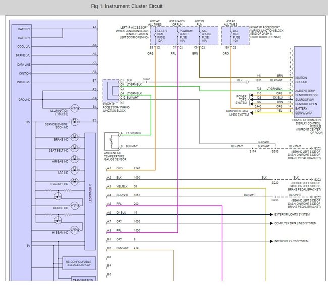
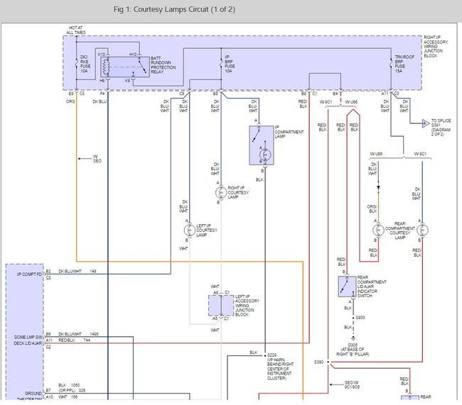
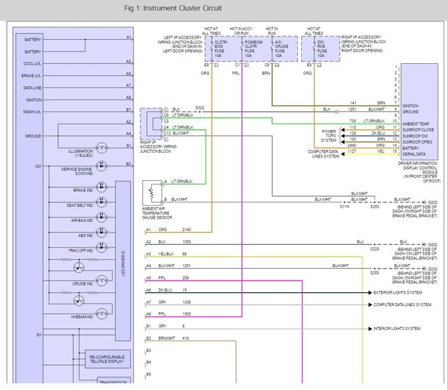
Here is a guide to help you fix the problem and a few wiring diagrams:

https://www.2carpros.com/articles/how-to-use-a-test-light-circuit-tester

Please run some tests and get back to us so we can continue helping you.

Best, Ken
Was this
answer
helpful?
Yes
No
Friday, May 18th, 2018 AT 9:45 AM (Merged)
Tiny
LYNN MOUNT
  • MEMBER
  • 1 POST
  • 2000 CHEVROLET IMPALA
  • 3.4L
  • 6 CYL
  • FWD
  • AUTOMATIC
  • 270,000 MILES
Lights on dashboard go out. I have checked fuses and they are good.

How do I check on body control module codes?
Was this
answer
helpful?
Yes
No
Friday, May 18th, 2018 AT 9:45 AM (Merged)
Tiny
JACOBANDNICKOLAS
  • MECHANIC
  • 110,192 POSTS
You need a scanner that can read all codes and not just engine codes. They are extremely expensive, so I would recommend paying someone who has one to check it for you.
Was this
answer
helpful?
Yes
No
Friday, May 18th, 2018 AT 9:45 AM (Merged)
Tiny
CLEOMOLL
  • MEMBER
  • 1 POST
  • 2000 CHEVROLET IMPALA
  • 215,000 MILES
My dashboard lights have stopped working. Even the switch that turns the light on has stopped working. Could it be a fuse or a sensor and is it worth fixing?
Was this
answer
helpful?
Yes
No
Friday, May 18th, 2018 AT 9:45 AM (Merged)
Tiny
JACOBANDNICKOLAS
  • MECHANIC
  • 110,192 POSTS
Check fuses. If the switch is not working, chances are it is bad. The power to the dash lights goes through it. First, check fuses and then move to the switch.
Was this
answer
helpful?
Yes
No
Friday, May 18th, 2018 AT 9:45 AM (Merged)
Tiny
CHITOWNE_JACK
  • MEMBER
  • 3 POSTS
  • 2000 CHEVROLET IMPALA
  • 6 CYL
  • 2WD
  • AUTOMATIC
  • 135,000 MILES
As of December 24th, my parking lights, electric seats, dashboard lights, and FOBs haven't worked. I've checked (metered 4 continuity) all fuses, on passenger side panel & under the hood. No luck! I went thru a big icy puddle xmas eve and the problem occured right around then? Any suggestions?
Was this
answer
helpful?
Yes
No
Friday, August 23rd, 2019 AT 4:23 PM (Merged)
Tiny
RASMATAZ
  • MECHANIC
  • 75,992 POSTS
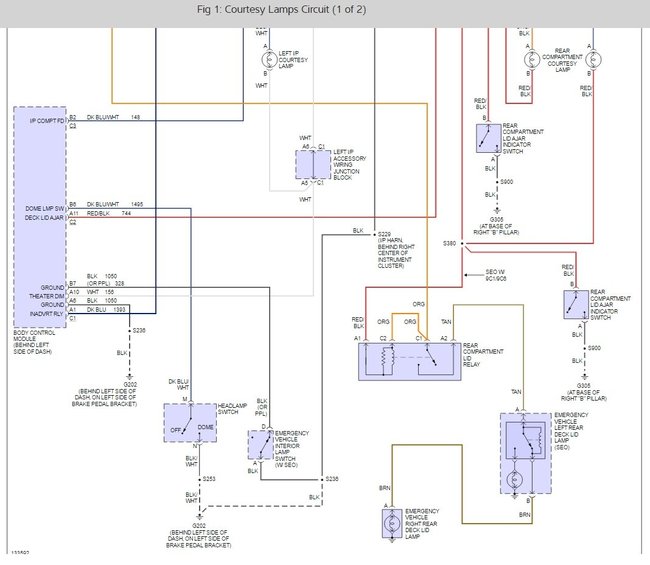
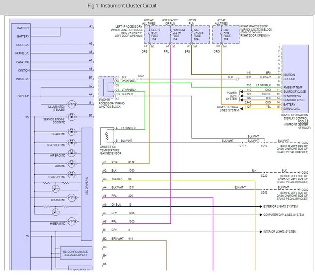
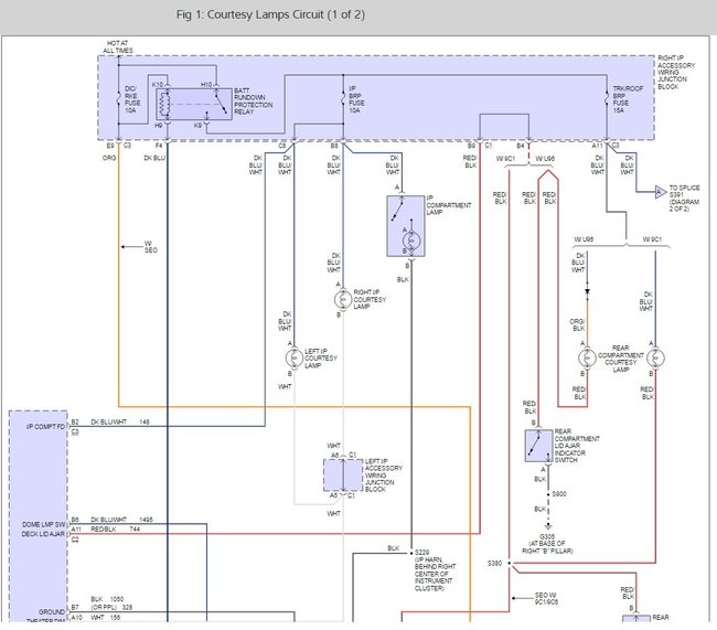
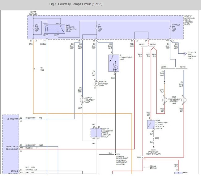
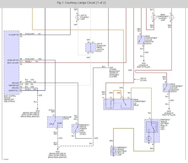
Check and test the park lamp relay in right I/P junction block and also the body control module behind left side of dash.
Was this
answer
helpful?
Yes
No
Friday, August 23rd, 2019 AT 4:23 PM (Merged)
Tiny
MORALES112
  • MEMBER
  • 7 POSTS
  • CHEVROLET IMPALA
I have a 2000 impala and I wanted to know if theres any way I could find out why my lights in my dashboard aren't working ( the p r n d 23 lights) thanks please get back to me
Was this
answer
helpful?
Yes
No
+1
Friday, August 23rd, 2019 AT 4:24 PM (Merged)
Tiny
CHEVY22
  • MECHANIC
  • 1,375 POSTS
There is a non replaceable bulb behind the lcd , replacing the cluster is the only answer unless you know someone who can repair it but chances are slim to none
Was this
answer
helpful?
Yes
No
Friday, August 23rd, 2019 AT 4:24 PM (Merged)
Tiny
MORALES112
  • MEMBER
  • 7 POSTS
So thats the only reason why my lights dont work all the other lights in the dash work but those ones :(
Was this
answer
helpful?
Yes
No
Friday, August 23rd, 2019 AT 4:24 PM (Merged)

Please login or register to post a reply.