Both headlights out.

Tiny
RJS7044
  • MEMBER
  • 2007 CHEVROLET EQUINOX
  • 6 CYL
  • AWD
  • AUTOMATIC
  • 48,000 MILES
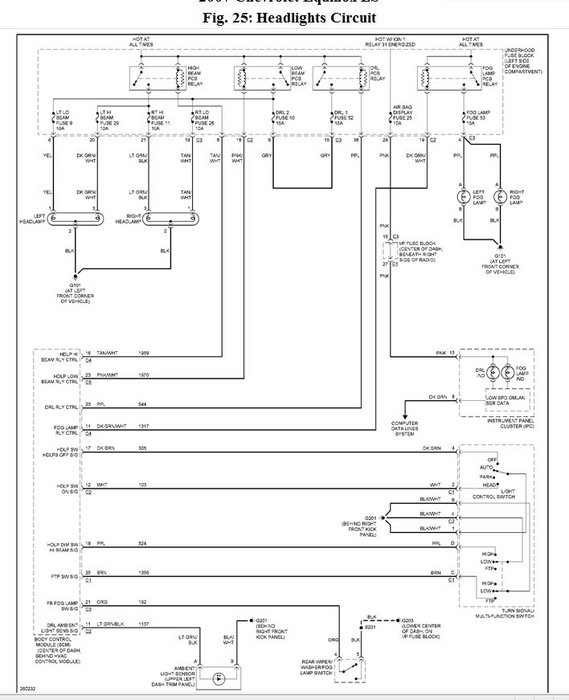
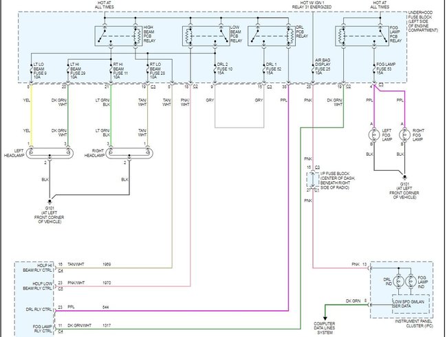
Both headlights seem to be out at the same time, except when switched to "on" and highbeams activated. Do not work when set to auto, and when on, the high beams do not seem to be as bright as before. Do not work in any other configuration, and do not have daytime running lights. Would both lights be affected if one bulb were burnt out?
Monday, January 28th, 2008 AT 9:42 AM

20 Replies

Tiny
2CARPRO JACK
  • MECHANIC
  • 11,533 POSTS
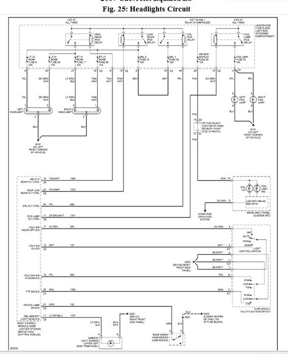
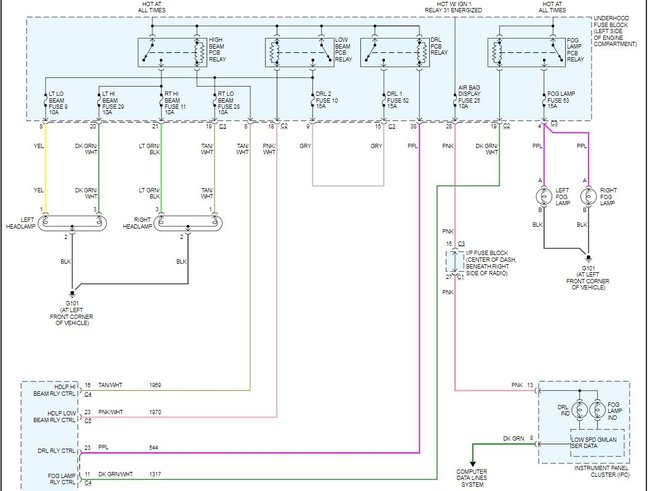
First check fuses,9, 28, 10, 52, with a test light. If ok then check low beam relay for power.If ok get back to me

See the guides below on testing wiring and relays

https://www.2carpros.com/articles/how-to-check-wiring

https://www.2carpros.com/articles/how-to-check-an-electrical-relay-and-wiring-control-circuit

Attached below is the wiring diagrams for your headlights
Was this
answer
helpful?
Yes
No
+1
Monday, January 28th, 2008 AT 3:18 PM
Tiny
CHRISAV
  • MEMBER
  • 1 POST
  • 2007 CHEVROLET EQUINOX
  • 44,000 MILES
My 2007 Equinox doesn't have low beam or daytime running lights. All the other lights works fine to include the high beams. The fuses are not burnt out nor is the bulbs themselves. Any suggestions on what the problem may be?
Was this
answer
helpful?
Yes
No
+6
Wednesday, March 6th, 2019 AT 6:13 PM (Merged)
Tiny
DRCRANKNWRENCH
  • MECHANIC
  • 3,380 POSTS
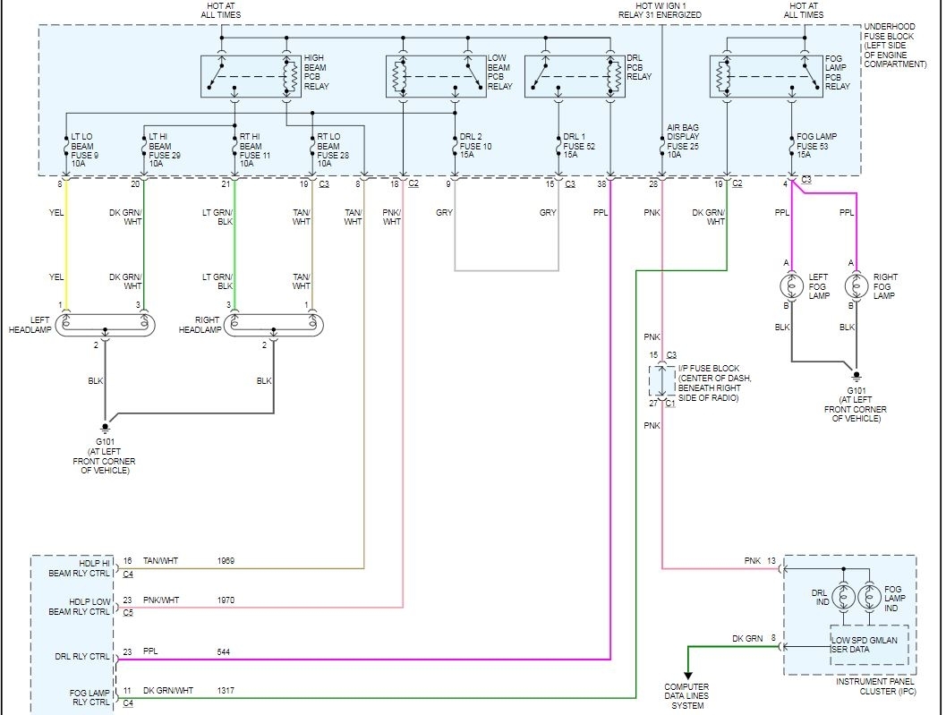
I am giving you the wiring diagram for the exterior light system which includes the headlights.
If you look at the power wire that is on the side of the relay that would not be hot until the relay is tripped you can see that the day runner lights, DRL, and the low beams share the same power wire. It may have come loose somewhere and that could happen before the fuses are reached, so it would not blow the fuses and it would have to be loose after the node where the hot lines come off of the relays and share a wire until they split into seperate nodes for each. The color is on the diagram and the wire would be a heavy gauge.
Besides the coincidence of both relays failing at the same time or the body control module, BCM, having some issue that affected both, the ground wire is the only other thing I can think of. The ground for the low beams and high beams have a common mount point, but do not share a common ground wire which is the ground wire for both the DRL and the low beams. So, it could possibly be broken or loose as well.
Was this
answer
helpful?
Yes
No
+3
Wednesday, March 6th, 2019 AT 6:13 PM (Merged)
Tiny
MINIME716
  • MEMBER
  • 1 POST
  • 2010 CHEVROLET EQUINOX
  • 2.4L
  • 4 CYL
  • 2WD
  • AUTOMATIC
I had to install an aftermarket headlight on the drivers side. I had to clip the wire harness on both ends to install new plugs. I lost the plugs. I have no idea which color wires go to which on the new plugs. The H11 plugs are good, I just need the color of the wires and where they go to on the headlight harness (5 pin plug). For example, yellow to low beam etc.
Was this
answer
helpful?
Yes
No
Wednesday, March 6th, 2019 AT 6:13 PM (Merged)
Tiny
HMAC300
  • MECHANIC
  • 48,601 POSTS
Hello,

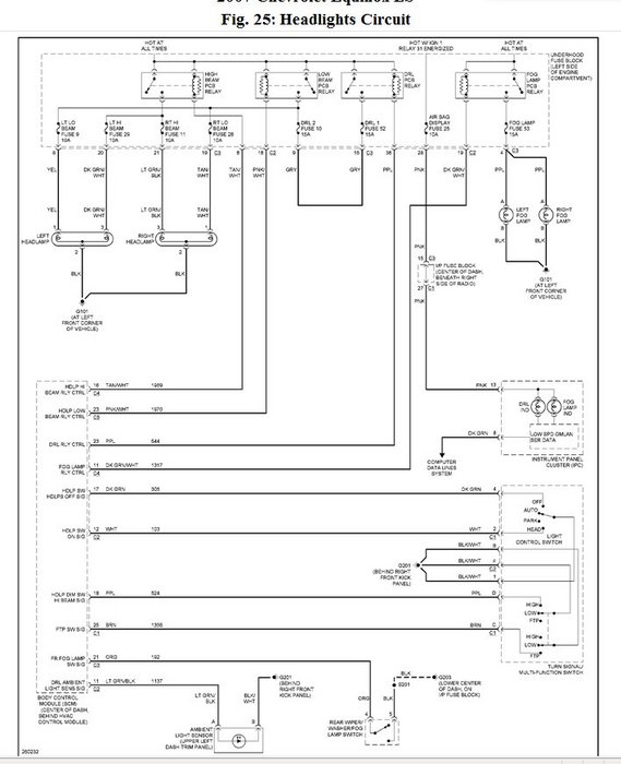
Here are the headlight wiring diagrams so you can see how the system works along with a guide that will show you how to check the wiring.

https://www.2carpros.com/articles/how-to-check-wiring

Check out the diagrams (Below). Please let us know if you need anything else to get the problem fixed.

Cheers
Was this
answer
helpful?
Yes
No
Wednesday, March 6th, 2019 AT 6:13 PM (Merged)
Tiny
MICHELLE0082
  • MEMBER
  • 1 POST
  • 2005 CHEVROLET EQUINOX
My headlights won't turn off (when in auto and I turn the car off). I tried a few things (put the horn relay in the place of the headlight relay), switched out the under the dash fuse, etc. I then noticed smoke coming out of the light controls near the steer wheel. I looked up the diagram for the wires, and pulled the running lights and high beam wires. The smoke stopped, and the lights are finally off. However, I can only drive during the day now. My question is, what do I do next?
Was this
answer
helpful?
Yes
No
Wednesday, March 6th, 2019 AT 6:13 PM (Merged)
Tiny
HMAC300
  • MECHANIC
  • 48,601 POSTS
Have a pro look at it as the harness may have burnt up to the multi function switch. Especially with the smoke. Unless you left something over the light sensor you can also check the headlight relay behind center of dash but it may be a body module so a pro will need to scan it to see if there are any code. You might try swith ing the headlamp relay with a like one and see if that cures it as the relay may have stuck. See diagram
Was this
answer
helpful?
Yes
No
+2
Wednesday, March 6th, 2019 AT 6:13 PM (Merged)
Tiny
SHANEANDTIFFHUESMANNJUNE28
  • MEMBER
  • 3 POSTS
  • 2005 CHEVROLET EQUINOX
  • 3.4L
  • 6 CYL
  • AWD
  • AUTOMATIC
  • 160,000 MILES
I have an 05 equinox having intermittent electrical problems. When it started I just thought it was surging so I had altanator tested and replaced it. Still have the same problem. When it happens the altanator will shoot up to 17 volts, dash lights and head lights will go out, radio cuts out, power steering goes out, transmission won't work properly, engine light comes on, bcm light comes on traction control light comes on. I'm stumped I've checked wiring all over the car and fuses evendors tried a different ecm I just can't figure this thing out.
Was this
answer
helpful?
Yes
No
Wednesday, March 6th, 2019 AT 6:13 PM (Merged)
Tiny
MHPAUTOS
  • MECHANIC
  • 31,937 POSTS
If the alternator is over charging you will have a faulty voltage regulator, get this checked first.
Was this
answer
helpful?
Yes
No
Wednesday, March 6th, 2019 AT 6:13 PM (Merged)
Tiny
SHANEANDTIFFHUESMANNJUNE28
  • MEMBER
  • 3 POSTS
Yes we tried another altanator, still everything was the same, even ran a new cable from battery to altanator
Was this
answer
helpful?
Yes
No
Wednesday, March 6th, 2019 AT 6:13 PM (Merged)
Tiny
SHANEANDTIFFHUESMANNJUNE28
  • MEMBER
  • 3 POSTS
I have pulled a code from bcm and it was a low voltage to key fob to I fixed that. I have pulled codes from engine and it points to the altanator but how many of them should I try. I bought it at auto value. Engine codes were a system voltage problem, generator lamp "L" control circuit, and tray fault.
Was this
answer
helpful?
Yes
No
-1
Wednesday, March 6th, 2019 AT 6:13 PM (Merged)
Tiny
MHPAUTOS
  • MECHANIC
  • 31,937 POSTS
Check the voltage at the main battery cable at the back of the alternator, let me know what that is at idle and at higher engine speed.
Was this
answer
helpful?
Yes
No
+1
Wednesday, March 6th, 2019 AT 6:13 PM (Merged)
Tiny
SYLVIASOFIA
  • MEMBER
  • 1 POST
  • 2007 CHEVROLET EQUINOX
2007 chevy equinox -one headlight is brigher. I noticed water inside one, which was replaced, however one is still brighter. What could it be?
Was this
answer
helpful?
Yes
No
Wednesday, March 6th, 2019 AT 6:13 PM (Merged)
Tiny
RASMATAZ
  • MECHANIC
  • 75,992 POSTS
Inspect socket/wiring for corrosion-Could be grounding out or the ground is open on that side-check ground point G-101 at left front corner of vehicle
Was this
answer
helpful?
Yes
No
Wednesday, March 6th, 2019 AT 6:13 PM (Merged)
Tiny
33PASCACK
  • MEMBER
  • 4 POSTS
  • 2005 CHEVROLET EQUINOX
  • 6 CYL
  • AWD
  • AUTOMATIC
  • 43,000 MILES
To change the headlight bulb what do I have to remove?
Was this
answer
helpful?
Yes
No
Wednesday, March 6th, 2019 AT 6:14 PM (Merged)
Tiny
RACEFAN966
  • MECHANIC
  • 5,029 POSTS
Ok first you need to open the hood and you should see a couple of black metal tabs that look like you could pull on them. Pull those (2 per headlight assemble) and then pull the assemble out in your hands and change the bulb then put it back and push the clips back down.
Was this
answer
helpful?
Yes
No
Wednesday, March 6th, 2019 AT 6:14 PM (Merged)
Tiny
LOVEBEAUTORI
  • MEMBER
  • 1 POST
  • 2005 CHEVROLET EQUINOX
  • 6 CYL
  • FWD
  • AUTOMATIC
  • 41,250 MILES
How do I change my headlight bulb?
Was this
answer
helpful?
Yes
No
Wednesday, March 6th, 2019 AT 6:14 PM (Merged)
Tiny
JACOBANDNICKOLAS
  • MECHANIC
  • 110,192 POSTS
If you open the hood, you can gain access to the socket from behind the headlamp assembly.
Was this
answer
helpful?
Yes
No
Wednesday, March 6th, 2019 AT 6:14 PM (Merged)
Tiny
MORTY LOVEBUG
  • MEMBER
  • 1 POST
  • 2005 CHEVROLET EQUINOX
  • 2WD
  • AUTOMATIC
  • 93 MILES
I have moisture in my front headlights, is there anything I can do to fix this and is it a major concern?
Was this
answer
helpful?
Yes
No
+1
Wednesday, March 6th, 2019 AT 6:14 PM (Merged)
Tiny
HMAC300
  • MECHANIC
  • 48,601 POSTS
There is nothing you can do about this unless it's a ton of water then you can drain it out but it will accumulate again. Other than new headlights is about the only thing you can do. A seal is probably broken in them.
Was this
answer
helpful?
Yes
No
Wednesday, March 6th, 2019 AT 6:14 PM (Merged)

Please login or register to post a reply.