Where is my horn relay?

Tiny
RP91855
  • MEMBER
  • 2005 CHEVROLET CAVALIER
  • 4 CYL
  • 2WD
  • AUTOMATIC
  • 81,232 MILES
Where is the horn relay I need to replace it?
Thursday, September 25th, 2008 AT 10:44 AM

7 Replies

Tiny
IMPALASS
  • MECHANIC
  • 3,112 POSTS
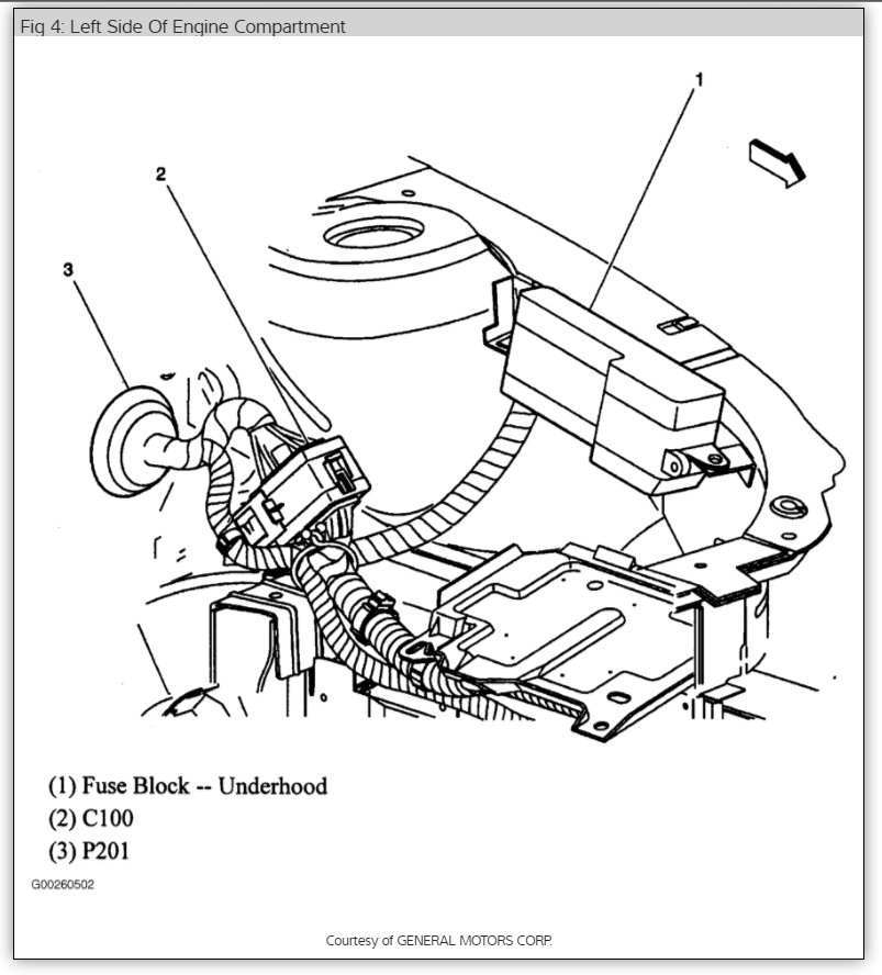
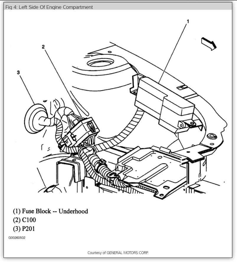
Here is a guide to help you check the relay with the location in the diagrams below.

https://www.2carpros.com/articles/how-to-check-an-electrical-relay-and-wiring-control-circuit

Check out the diagrams (Below). Please let us know if you need anything else to get the problem fixed.
Was this
answer
helpful?
Yes
No
+3
Wednesday, October 15th, 2008 AT 1:11 AM
Tiny
IVANG1931
  • MEMBER
  • 1 POST
  • 2004 CHEVROLET CAVALIER
What's up? My car's horn does not work. All fuses are good except that I do not know where the horn relay is located. Does anyone know where it is located?
Was this
answer
helpful?
Yes
No
+1
Sunday, April 25th, 2021 AT 11:43 AM (Merged)
Tiny
KEN L
  • MASTER CERTIFIED MECHANIC
  • 55,531 POSTS
Hi,

The relay is taped to the main loom into the rear of the fuse box under L/H/dash. Here is a guide and some guides (below) to help you get the problem fixed.

https://www.2carpros.com/articles/how-to-check-an-electrical-relay-and-wiring-control-circuit

and

https://www.2carpros.com/articles/how-to-check-a-car-fuse

Please let us know if you need anything else to get the problem fixed.

Cheers, Ken
Was this
answer
helpful?
Yes
No
+3
Sunday, April 25th, 2021 AT 11:43 AM (Merged)
Tiny
CHFOWLER50
  • MEMBER
  • 1 POST
  • 1999 CHEVROLET CAVALIER
  • 4 CYL
  • FWD
  • AUTOMATIC
  • 195,000 MILES
I need to replace horn relay but I cant find it where is it located.
Was this
answer
helpful?
Yes
No
+1
Sunday, April 25th, 2021 AT 11:43 AM (Merged)
Tiny
RASMATAZ
  • MECHANIC
  • 75,992 POSTS
The Horn Relay is located in the Convenience Center. The Convenience Center is located at the right front of the passenger compartment.


https://www.2carpros.com/forum/automotive_pictures/12900_hr_1.jpg



Was this
answer
helpful?
Yes
No
+3
Sunday, April 25th, 2021 AT 11:43 AM (Merged)
Tiny
BARBEEDOLL1215
  • MEMBER
  • 1 POST
  • CHEVROLET CAVALIER
I have a 1998 chevy cavelier, and I can not seem to find the horn relay. Could you tell me where it is located please?
Was this
answer
helpful?
Yes
No
Sunday, April 25th, 2021 AT 11:43 AM (Merged)
Tiny
CLY
  • MECHANIC
  • 308 POSTS
The horn relay is built into the Convenience Center. I think you have to replace the hole unit....

Here is a picture of it...(Right Front,Under Dash)


https://www.2carpros.com/forum/automotive_pictures/86485_292111_1.jpg



No#1 is the Convenience Center
No#2 is the Multifunction Alarm Module Connector
No#3 is the Horn Relay connector
Was this
answer
helpful?
Yes
No
+3
Sunday, April 25th, 2021 AT 11:43 AM (Merged)

Please login or register to post a reply.