Sunday, August 10th, 2008 AT 6:51 AM
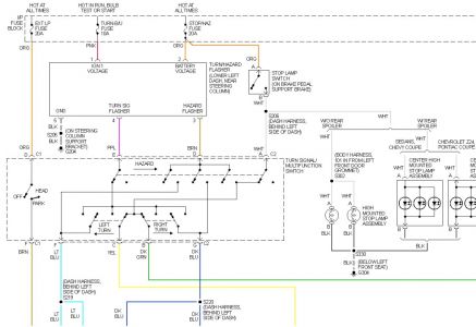
I have no brake lights, turn signals or hazard lights. I have replaced all rear bulbs. After checking and replacing fuses, what is my next step?

