Fuel pump location

Tiny
DAN KLICK
  • MEMBER
  • 2002 CHEVROLET CAVALIER
Can you tell me where the fuel pump is located and is it hard to replace? No fuel in throttle body but starts when sprayed with starter fluid but then shuts off.
Sunday, March 29th, 2009 AT 3:53 PM

2 Replies

Tiny
RICHZOMBIE
  • MECHANIC
  • 173 POSTS
If you do need to change the pump, it is location in the fuel tank. Here are the basic instructions on how to change the pump. Let us know if you need any more help. It is quite a job.

Removal and Installation:

Before servicing the vehicle, refer to the precautions section.
Relieve the fuel system pressure.
Drain the fuel tank.
Remove or disconnect the following:

While holding the modular fuel sender assembly down, remove the snapring, if equipped or if equipped with a cam lock ring use Fuel Sender Lock Nut Tool J-39765 to press down and rotate the cam lock ring to remove it.
Warning:
If the modular fuel sender assembly is retained by a snapring, it may spring up from its position. When removing the modular fuel sender from the tank, be aware that the reservoir bucket is full of fuel. It must be tipped slightly during removal to avoid damage to the float.

Fuel sender assembly external fuel strainer connector retainer from the wiring harness and the fuel pump.

Gently release the tabs on the sides of the fuel sender at the cover assembly. Begin by squeezing the sides of the reservoir and releasing the tab opposite the fuel level sensor. Move clockwise to release the second and third tab in the same manner.
Remove or disconnect the following:

Fuel pump electrical connection by lifting the cover assembly Baffle and pump assembly from the retainer by rotating the fuel pump baffle counterclockwise Fuel pump outlet by sliding it out of slot Fuel pump outlet seal

To install:

Fig. Exploded view of the fuel sender assembly mounting to the tank

Fig. Exploded view of the fuel pump assembly

Install or connect the following:
NOTE
Gently pull on the fuel pump reservoir to assure it is secure. If not secure, replace the entire fuel sender.

Fuel pump outlet with a new seal by sliding it in the reservoir cover slots Fuel pump and baffle assembly onto the reservoir retainer by rotating it clockwise until seated Lower retainer assembly partially into the reservoir by aligning all 3 sleeve tabs and pressing the retainer onto the reservoir making sure all 3 tabs are firmly seated

Connector retainer to the wiring harness and the fuel pump External fuel strainer Snapring, if equipped to the retainer slots while holding the modular fuel sender assembly down or use Fuel Sender Lock Nut Tool J-39765 in order to install the cam lock ring Fuel tank Negative battery cable

Pressurize the fuel system and verify no leaks.
Was this
answer
helpful?
Yes
No
+3
Wednesday, May 12th, 2021 AT 2:06 PM
Tiny
SQM
  • MECHANIC
  • 6,383 POSTS
Hello,

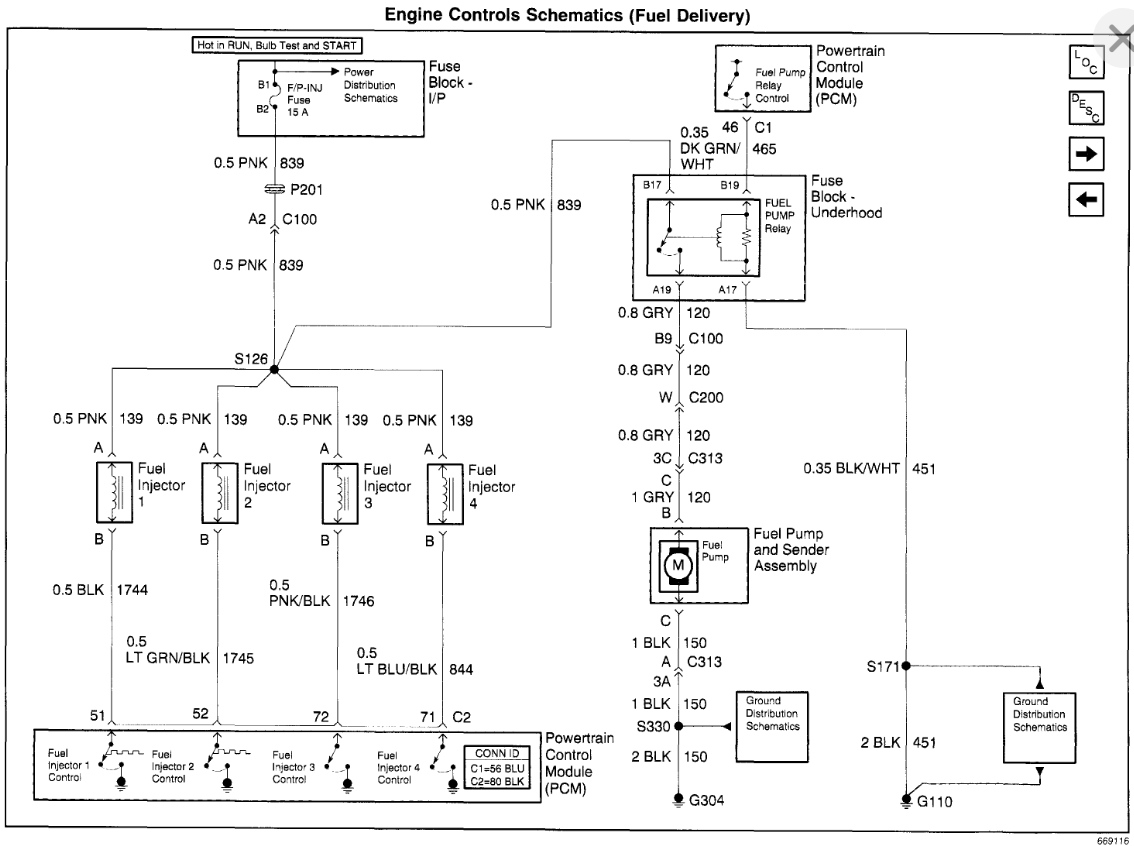
The fuel pump is located in the fuel tank. In order to replace the pump, you will have to remove the fuel tank from the vehicle.

https://www.2carpros.com/articles/how-to-replace-an-electric-fuel-pump

An inoperative fuel pump can be due to a bar relay. Check the fuel pump relay which is located in under hood fuse box.
Check for corrosion or bunt pin(s).
You can also test the relay:

https://www.2carpros.com/articles/how-to-check-an-electrical-relay-and-wiring-control-circuit

I have attached diagrams for the fuel pump and tank replacement as well as relay location.

Please let me know if you have any questions.
Thank you.
Was this
answer
helpful?
Yes
No
Friday, October 15th, 2021 AT 12:54 PM

Please login or register to post a reply.