My head lights are out but my brights work?

Tiny
GUY041969
  • MEMBER
  • 1998 CHEVROLET CAVALIER
  • 4 CYL
  • 2WD
  • MANUAL
  • 200,350 MILES
My head lights are out but my brights work. Could this be the dimmer switch?
Friday, February 12th, 2010 AT 9:10 AM

1 Reply

Tiny
KASEKENNY
  • MECHANIC
  • 18,907 POSTS
Short answer is yes it can be the switch, but it could also be the rare case where both bulbs have burned out. However, it is highly unlikely that both burned out at the same time.

There are separate bulbs, so it is worth checking.

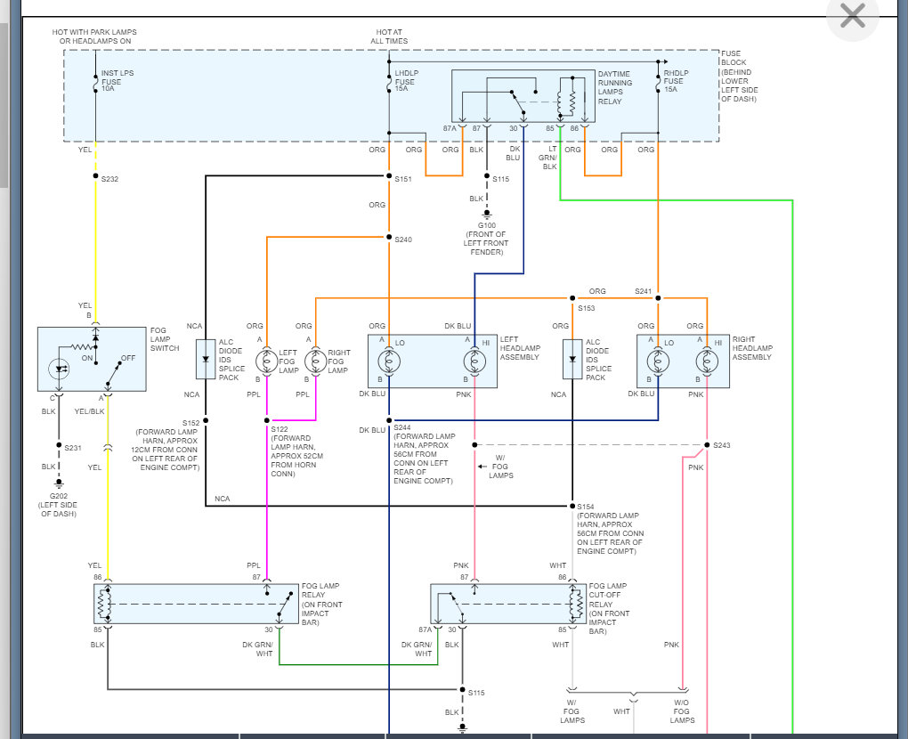
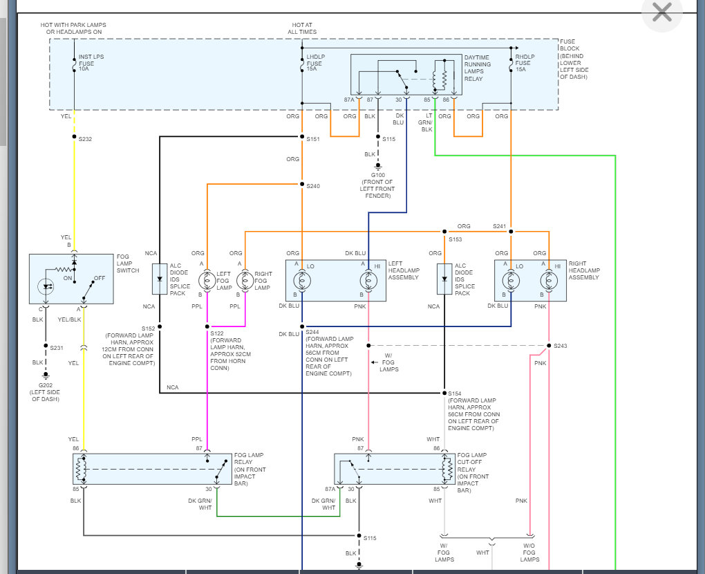
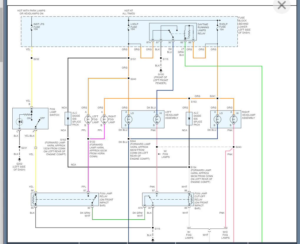
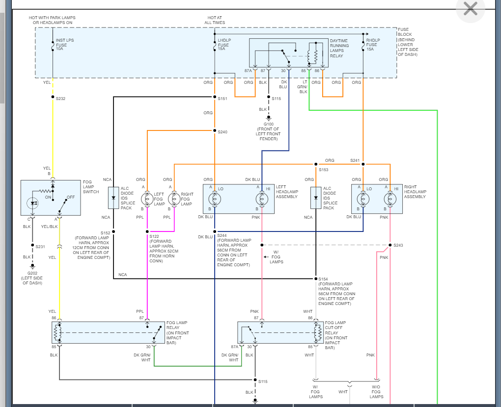
Here is a guide that will help with this testing:

https://www.2carpros.com/articles/how-to-check-wiring

I am attaching the wiring diagrams below that will help with this type of testing.

We need to check this by checking to see if there is ground when the switch is turned on.

You do this by putting your red lead on the fuse side of the bulb and then ground the black and your meter should read 12 volts. If it doesn't then you are not getting ground, or the fuse is blown. However, this is a shared fuse so if the low beams are the only lights out then the fuse is fine.

Please run through this and let us know what you find. Thanks
Was this
answer
helpful?
Yes
No
Wednesday, December 8th, 2021 AT 3:34 PM

Please login or register to post a reply.