Windshield wipers will are not working there is no power going to the fuse or the motor

Tiny
GREENCHEVYMALIBU
  • MEMBER
  • 230 POSTS
They work great now thanks. I have another question, but it is for another car. I posted the question but no one has helped me. It s on a 1991 Honda Accord.
Was this
answer
helpful?
Yes
No
Wednesday, July 8th, 2009 AT 9:30 AM
Tiny
BUDDYCRAIGG
  • MECHANIC
  • 2,262 POSTS
I am glad you got the wipers fixed.

I looked at your other question. I do not have any experience with older Japanese stuff. I will have to let someone else guide you on that one.
Was this
answer
helpful?
Yes
No
Wednesday, July 8th, 2009 AT 9:36 AM
Tiny
GREENCHEVYMALIBU
  • MEMBER
  • 230 POSTS
Thanks, I would gladly appreciate the help.
Was this
answer
helpful?
Yes
No
Wednesday, July 8th, 2009 AT 4:52 PM
Tiny
MHALSTENGARD
  • MEMBER
  • 1 POST
  • 2004 CHEVROLET CAVALIER
  • 98,000 MILES
I went through a do-it-yourself car wash and the water pressure flung my windshield wipers up from their stationary/off position. Ever since then, they do not work.
Was this
answer
helpful?
Yes
No
Monday, December 12th, 2016 AT 1:25 PM (Merged)
Tiny
DRCRANKNWRENCH
  • MECHANIC
  • 3,380 POSTS
There are a few possibilities for failure;

The wiper motor is bad.

The wiper switch has failed.

To replace the wiper motor is not to bad. It all depends on the windshield cowl and how hard it is to remove and replace.

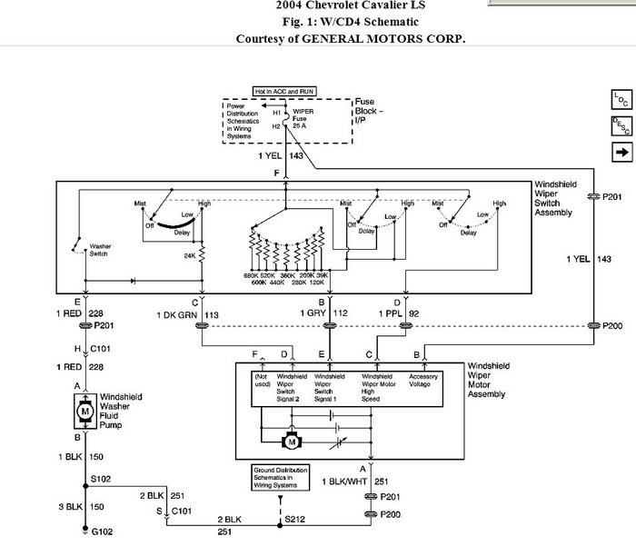
First, test the wiper motor. I am giving you all the schematics, connector Identification and diagrams you will need to do this.
Use the wiring schematic and connector identification to find the positive twelve volts and ground terminals on the wiper motor. Hook up some test leads from your battery and see if wiper motor works.
Also, follow symptom diagnostic sheet to make sure everything else is okay so you can rule out the motor and go on to replacing the switch.

Let me know if you need any more help with this.
Was this
answer
helpful?
Yes
No
Monday, December 12th, 2016 AT 1:25 PM (Merged)
Tiny
BOUDOIN
  • MEMBER
  • 1 POST
  • 1998 CHEVROLET CAVALIER
  • 4 CYL
  • FWD
  • AUTOMATIC
  • 121,859 MILES
Four cylinder front wheel drive automatic 121,859 miles

This is how it started. I was looking in my fuse box and I saw a brown wire going into one of the fuse holes with a fuse (the radio fuse). I took it out and I opened my hood to see where it was going. I seen it was going to the fan wire but it was rigged weird. A piece of insulation was cut off from the fan wire and the end of the brown wire was wrapped around it, So I tried carefully to put the wire back in the fuse hole and it sparked. Due to the spark, my radio and wipers do not work. My headlights only work on bright and there is something wrong with my rear brake lights.
Was this
answer
helpful?
Yes
No
Tuesday, December 27th, 2016 AT 5:53 PM (Merged)
Tiny
DAVIDBARTSCH
  • MEMBER
  • 1 POST
  • 1994 CHEVROLET CAVALIER
My wife came home from a short trip to the store and now she has no control indicator function the rpm, temperature, speed and fuel level. Wipers do not work. The car runs but no AC with constant fan speed. Also, no wipers. Lights do work and high beam also.

What should I check? A cable to the small computer on the fender well? No one fuse controls all of this.
My wife is no longer in the car so we can rule her out!
Was this
answer
helpful?
Yes
No
Tuesday, December 27th, 2016 AT 5:53 PM (Merged)
Tiny
MHPAUTOS
  • MECHANIC
  • 31,937 POSTS
Hi there, you will have to start with checking all fuses and fusible links, check battery connections and earths are clean and tight. I will look at a wiring diagram a bit later and see if there is any other point worth looking at. Run a scan checking for any body control module faults, start here.

Mark (mhpautos)
Was this
answer
helpful?
Yes
No
Tuesday, December 27th, 2016 AT 5:53 PM (Merged)
Tiny
KUMIESH
  • MEMBER
  • 1 POST
  • 1991 CHEVROLET CAVALIER
  • 2.2L
  • 4 CYL
  • FWD
  • AUTOMATIC
  • 137,000 MILES
Hi, I am having a problem with my windshield wipers and radio.
The windshield wipers only work sometimes, but they always work when the ignition is on accessories for some reason.
Sometimes they will work when I turn the vehicle on and off, but once they start working they will stop working after about twenty to sixty minutes, and when I try to turn them on and they do not work they will turn off the radio. What do you think the problem might be?
Was this
answer
helpful?
Yes
No
Tuesday, December 27th, 2016 AT 5:53 PM (Merged)
Tiny
CARADIODOC
  • MECHANIC
  • 34,491 POSTS
The cruise control is on this same circuit. All three things come of the same section of the ignition switch on the brown wire. I would start by inspecting the switch connector. If the connector body is melted and/or two terminals are black or appear to have been overheated, the switch must be replaced, then, those overheated terminals can be cut out of the connector and replaced with individual crimp-on terminals. Those new terminals should be soldered too. Also, you will typically find the first four inches of wire are hardened from being hot. Solder will not adhere to that. Cut off the hardened parts, splice in new wire of the same gauge, solder the splices, and seal them with heat-shrink tubing.

If the switch and connector are okay, there could also be a bad connection inside the fuse box. We will address that later if necessary.
Was this
answer
helpful?
Yes
No
Tuesday, December 27th, 2016 AT 5:54 PM (Merged)

Please login or register to post a reply.