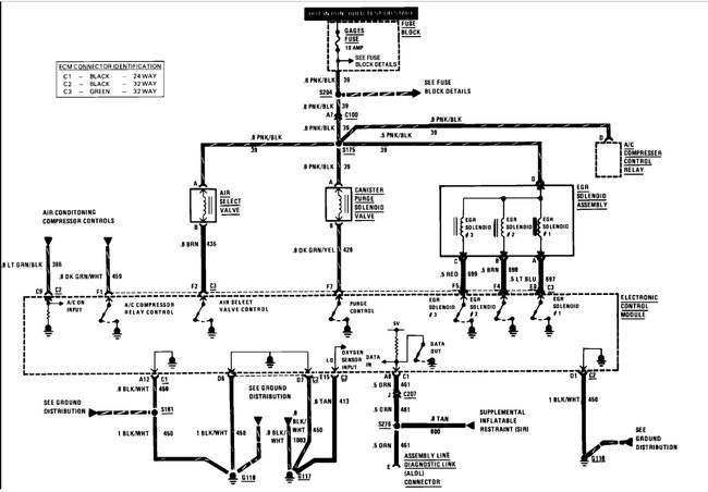
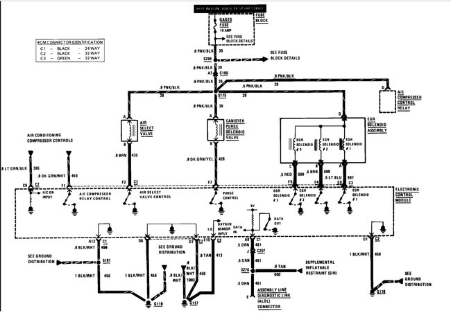
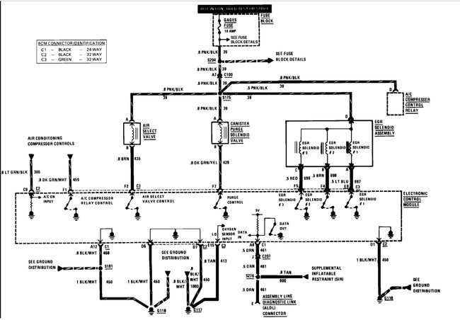
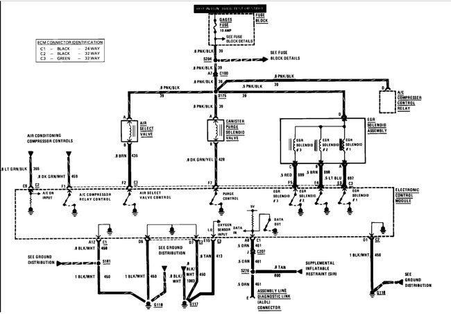
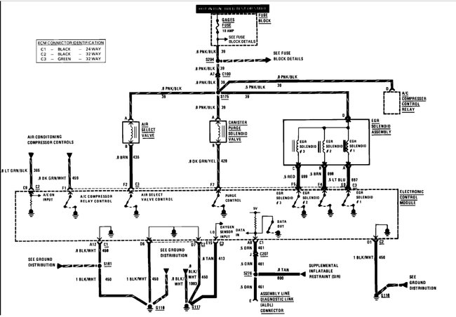
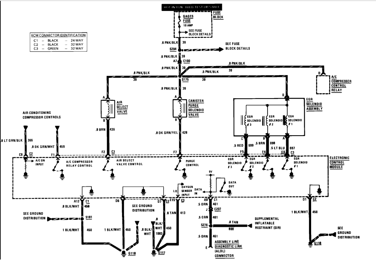
Also, on the same car, what are a few things that could mess with the idle speed, if we set it to idle about 10 rpms, it dies when we stop, if we set it to not die, it tries to jump when we are stopped. Could it be the EGR or MAP sensor plugs not being proper?
Thank you guys!
Monday, March 29th, 2010 AT 2:32 AM



