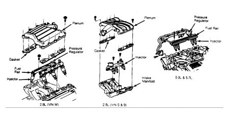
750 RPMs until it achieves normal operating temperature. Always starts fine when warm, even after
6-7 hours. Runs beautiful when warm. Fuel pressure gauge shows 40-44 lbs at first, then slowly drops to 0
within about one-half hour. Pulled vacuum hose off fuel
pressure regulator, no sign of gas. Crimped fuel return
hose, pressure dropped as before. Checked resistance
of each injector, all were between 16.0 & 17.0 ohms.
Must be a leaking injector(s), but how to diagnose which? Thank you.
Saturday, August 21st, 2010 AT 8:59 PM
